FABER 110.0315.794 HEAVEN
Zeptejte se. Rádi poradíme.
Marek Proche
Zákaznická podpora
Po–Čt 8:00—17:00
Pá 8:00—15:00
poradna@servis-whirlpool.cz
| Komerční kód: | 110.0315.794 HEAVEN |
| Kód 12NC/I.C. kód: | 859698001908 |
| Značka: | FABER |
| Typ produktu: | Odsavače a digestoře |
Potřebujete servis? Jsme tady pro Vás
Nabídka náhradních dílů
| Číslo | Kód | Název | Cena | ||
|---|---|---|---|---|---|
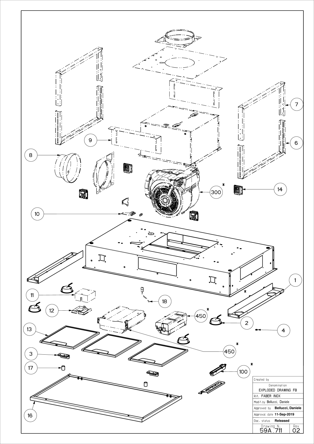
| 000 000_59A_711_02 |
C00641758
488000641758 |
Carbon FILTER FHP8 High Performance | Na dotaz | Zadat poptávku | |
| 000 000_59A_711_02 |
C00647247
488000647247 |
LONG LIFE CARBON FILTER | Na dotaz | Zadat poptávku | |
| 000 000_59A_711_02 |
C00661972
488000661972 |
CARBON FILTER D196 H37 | Na dotaz | Zadat poptávku | |
| 000 000_59A_711_02 |
C00664308
488000664308 |
KIT REMOTE BLOWER ENERGY-PRO | Na dotaz | Zadat poptávku | |
| 001 000_59A_711_02 |
C00644329
488000644329 |
LAMP Support | Na dotaz | Zadat poptávku | |
| 002 000_59A_711_02 |
C00630662
488000630662 |
SPOTLIGHT S1000 ECO LED 3000K | Na dotaz | Zadat poptávku | |
| 002 000_59A_711_02 |
C00630963
488000630963 |
SPOTLIGHT S1000 ECO LED 3000K | Na dotaz | Zadat poptávku | |
| 003 000_59A_711_02 |
C00633568
488000633568 |
PANEL HINGE SOUTCHO | Na dotaz | Zadat poptávku | |
| 004 000_59A_711_02 |
C00630610
488000630610 |
STOPPER D.11 MM LG (V0) (10 PCS) | Na dotaz | Zadat poptávku | |
| 008 000_59A_711_02 |
C00631021
488000631021 |
REDUCTION FLANGE 150-120 BK | Na dotaz | Zadat poptávku | |
| 010 000_59A_711_02 |
C00631039
488000631039 |
KIT COVER FOR MAIN CABLE + BRACKET (V2) | Na dotaz | Zadat poptávku | |
| 013 000_59A_711_02 |
C00635627
488000635627 |
GREASE FILTER 205X273 (WITH MINERVA) | Na dotaz | Zadat poptávku | |
| 016 000_59A_711_02 |
C00644542
488000644542 |
ASS. PERIMETER PANEL X 120 S.FABER | Na dotaz | Zadat poptávku | |
| 017 000_59A_711_02 |
C00640599
488000640599 |
MAGNET D16X20MM M4X7 90N | Na dotaz | Zadat poptávku | |
| 018 000_59A_711_02 |
C00632541
488000632541 |
IR RECEIVER CARD W/FLAT L=400+BOX | Na dotaz | Zadat poptávku | |
| 101 100_DE1_K36-705.1 |
C00633218
488000633218 |
CONTROL BUTTON KIT KS-O SILVER 4V | Na dotaz | Zadat poptávku | |
| 101 100_DE1_K36-705.1 |
C00635748
488000635748 |
KIT COM.GROUP KS-O SILVER 24H-D S.3+I | Na dotaz | Zadat poptávku | |
| 107 100_DE1_K36-705.1 |
C00393103
480122101987 |
FLAT RIBBON CONN.10 WAYS L=750 | Na dotaz | Zadat poptávku | |
| 107 100_DE1_K36-705.1 |
C00642403
488000642403 |
FLAT 10 WAYS 15 POLES + IDC CONNECTOR L | Na dotaz | Zadat poptávku | |
| 150 100_DE1_K36-705.1 |
C00853515
488000853515 |
REMOTE CONTROL FABER AIR HUB BT+IR SP | Na dotaz | Zadat poptávku | |
| 150 1K367051 |
C00647006
488000647006 |
REMOTE CONTROL 2020 FABER BT + IR | Na dotaz | Zadat poptávku | |
| 302 300_D39_714_01 |
C00630613
488000630613 |
vrtule ventilatoru | 832 Kč
€ 34.10 |
||
| 302 300_D39_714_01 |
C00631027
488000631027 |
Vrtule ventilátoru odsavače par | 1 106 Kč
€ 45.30 |
||
| 302 300_D39_714_01 |
C00636808
488000636808 |
PLASTIC ROTOR IMPELLER ENERGY | Na dotaz | Zadat poptávku | |
| 305 300_D39_714_01 |
C00393105
480122101989 |
RUBBER MOTOR MOUNT EMK8 | Na dotaz | Zadat poptávku | |
| 305 300_D39_714_01 |
C00630614
488000630614 |
RUBBER MOTOR MOUNT EMK10/BRS (4PCS) | Na dotaz | Zadat poptávku | |
| 310 300_D39_714_01 |
C00401342
481232128488 |
POW.CAB.3X0,75X1000W 232+644(CONN) SP.EU | Na dotaz | Zadat poptávku | |
| 310 300_D39_714_01 |
C00393101
480122101983 |
KIT MAIN CABLE AL.3X0,75X1500 W W./PLUG | Na dotaz | Zadat poptávku | |
| 312 300_D39_714_01 |
C00630670
488000630670 |
CONDENSATOR 5 MF 416.25.XX.YY | Na dotaz | Zadat poptávku | |
| 312 300_D39_714_01 |
C00630623
488000630623 |
CAPACITOR 4MF 400V 10000 HOURS P2 | Na dotaz | Zadat poptávku | |
| 312 300_D39_714_01 |
C00631028
488000631028 |
CAPACITOR 6,3MF 450V - 416250828 | Na dotaz | Zadat poptávku | |
| 313 300_D39_714_01 |
C00862026
488000862026 |
MN-BRD CHA 4R 2LLV SENS FUL(FCRREA020511 | Na dotaz | Zadat poptávku | |
| 313 300_D39_714_01 |
C00877177
488000877177 |
MN-BRD CHA/E 4R 1LLV 1RHV (FCRREA020511) | Na dotaz | Zadat poptávku | |
| 330 300_D39_714_01 |
C00392827
480122101587 |
KIT CONNECTORS MOTOR ASSEMBLY CLI | Na dotaz | Zadat poptávku | |
| 330 300_D39_714_01 |
C00630624
488000630624 |
CONNECTORS KIT MOTOR GROUP CLI | Na dotaz | Zadat poptávku | |
| 330 300_D39_714_01 |
C00858366
488000858366 |
KIT STS CONNECTOR (CLI) + 9 WAYS COVER | Na dotaz | Zadat poptávku | |
| 399 300_D39_714_01 |
C00630671
488000630671 |
KIT M.GR.800MC PLUS 220-50/60HZ D.8 CLI | Na dotaz | Zadat poptávku | |
| 399 300_D39_714_01 |
C00631030
488000631030 |
KIT MOTOR GROUP .8 800MC220- (ENERGY) | Na dotaz | Zadat poptávku | |
| 399 300_D39_714_01 |
C00849065
488000849065 |
Motor | 17 871 Kč
€ 732.60 |
||
| 399 300_D39_714_01 |
C00638039
488000638039 |
MOTOR GROUP KIT M.8 900MC 220-50 / 60HZ | Na dotaz | Zadat poptávku | |
| 399 300_D39_714_01 |
C00635751
488000635751 |
KIT MOTOR GR.8 900MC 220-50/60HZ CLI T | Na dotaz | Zadat poptávku | |
| 399 300_D39_714_01 |
C00862025
488000862025 |
KIT M.GR.SPA+ 220LOW/I CH/A FCRREA020511 | Na dotaz | Zadat poptávku | |
| 399 300_D39_714_01 |
C00877179
488000877179 |
KIT M.GR.SPA+ 220LOW/I CH/E FCRREA020511 | Na dotaz | Zadat poptávku | |
| 451 450_DE4_K20-702.1 |
C00633611
488000633611 |
KIT M.BOARD ATF RR 4V (FRRAB020265) | Na dotaz | Zadat poptávku | |
| 451 450_DE4_K20-702.1 |
C00644351
488000644351 |
KIT M.BOARD ATF RR 4V (FRRAB020078) | Na dotaz | Zadat poptávku | |
| 451 450_DE4_K20-702.1 |
C00644352
488000644352 |
KIT M.BOARD ATF RR 4V | Na dotaz | Zadat poptávku | |
| 452 450_DE4_K20-702.1 |
C00630728
488000630728 |
POWER SUP.LED SPOTL.DC8W 12V R 110-240 | Na dotaz | Zadat poptávku | |
| 452 450_DE4_K20-702.1 |
C00633150
488000633150 |
POWER SUPPLY LED R 12V 500MA 6W 220-240V | Na dotaz | Zadat poptávku | |