FABER 110.0324.909 VERSUS
Zeptejte se. Rádi poradíme.
Marek Proche
Zákaznická podpora
Po–Čt 8:00—17:00
Pá 8:00—15:00
poradna@servis-whirlpool.cz
| Komerční kód: | 110.0324.909 VERSUS |
| Kód 12NC/I.C. kód: | 859698001745 |
| Značka: | FABER |
| Typ produktu: | Odsavače a digestoře |
Potřebujete servis? Jsme tady pro Vás
Nabídka náhradních dílů
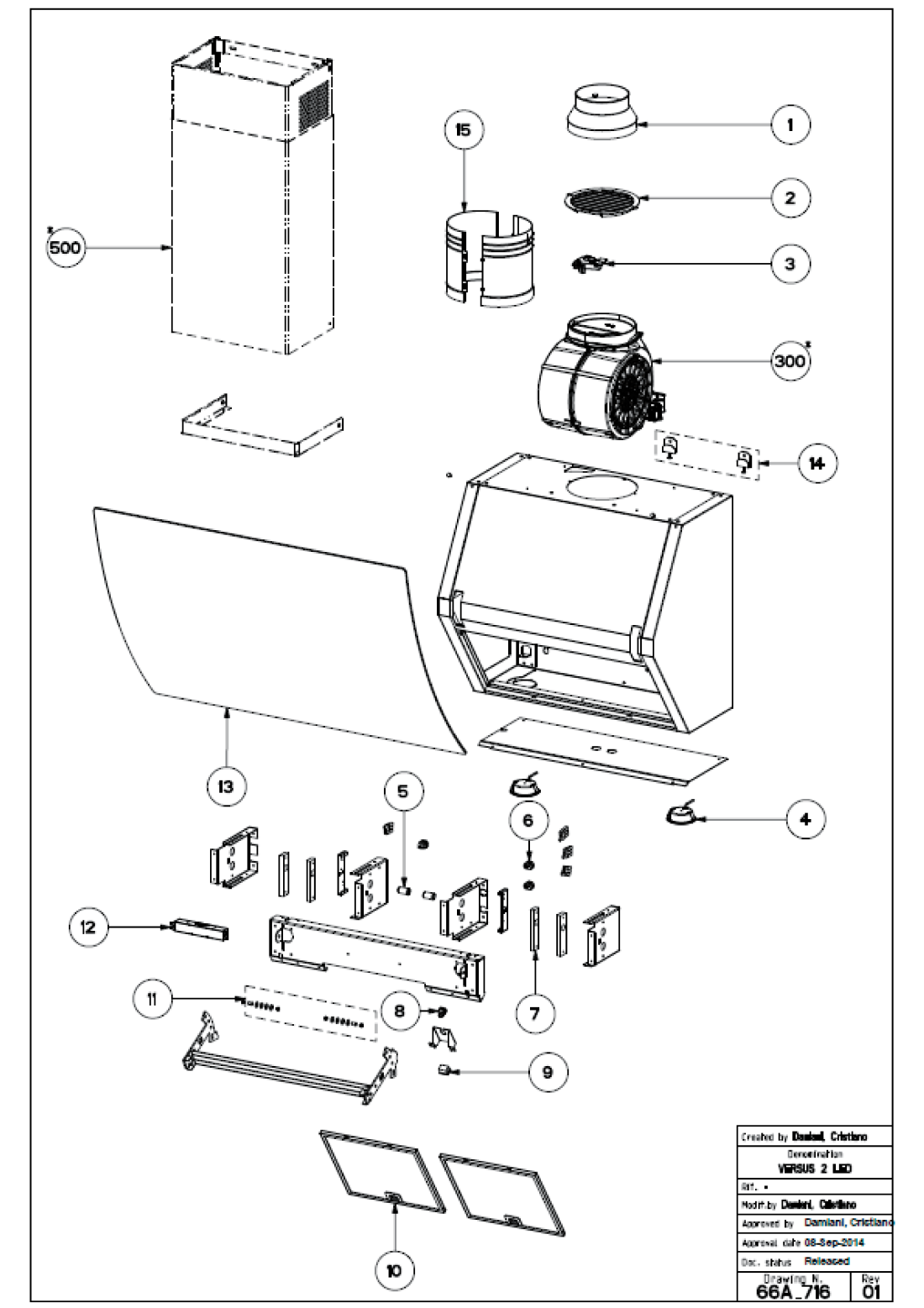
| Číslo | Kód | Název | Cena | ||
|---|---|---|---|---|---|
| 000 66A71601 |
C00641758
488000641758 |
Carbon FILTER FHP8 High Performance | Na dotaz | Zadat poptávku | |
| 000 66A71601 |
C00647247
488000647247 |
LONG LIFE CARBON FILTER | Na dotaz | Zadat poptávku | |
| 000 66A71601 |
C00661972
488000661972 |
CARBON FILTER D196 H37 | Na dotaz | Zadat poptávku | |
| 000 66A71601 |
C00664339
488000664339 |
RECYCLING KIT INOX | Na dotaz | Zadat poptávku | |
| 001 66A71601 |
C00631021
488000631021 |
REDUCTION FLANGE 150-120 BK | Na dotaz | Zadat poptávku | |
| 002 66A71601 |
C00630651
488000630651 |
DIRECTIONAL GRID D150 ABS V0 BK | Na dotaz | Zadat poptávku | |
| 003 66A71601 |
C00630608
488000630608 |
POWER SUPPLY LOCK PA-V0 BK | Na dotaz | Zadat poptávku | |
| 004 66A71601 |
C00630662
488000630662 |
SPOTLIGHT S1000 ECO LED 3000K | Na dotaz | Zadat poptávku | |
| 004 66A71601 |
C00630963
488000630963 |
SPOTLIGHT S1000 ECO LED 3000K | Na dotaz | Zadat poptávku | |
| 005 66A71601 |
C00633333
488000633333 |
BALL PLUNGER M16 X/DELRIN 20-40N | Na dotaz | Zadat poptávku | |
| 006 66A71601 |
C00633334
488000633334 |
FIXING CABLE SR 5N-4 46614.10.11 | Na dotaz | Zadat poptávku | |
| 007 66A71601 |
C00633335
488000633335 |
BALL PLUNGER SUPPORT M16 | Na dotaz | Zadat poptávku | |
| 008 66A71601 |
C00633336
488000633336 |
FIXING CABLE SR 6N-4 D16 46627.10.11 | Na dotaz | Zadat poptávku | |
| 009 66A71601 |
C00633337
488000633337 |
ROCK.SW.ON-OFF A1 A11171129000W | Na dotaz | Zadat poptávku | |
| 010 66A71601 |
C00633338
488000633338 |
METAL FILTER CASSETTE 244X223,5 (36) | Na dotaz | Zadat poptávku | |
| 011 66A71601 |
C00633339
488000633339 |
KIT 2 SPACER H9,5 + WASHER D6,4 | Na dotaz | Zadat poptávku | |
| 012 66A71601 |
C00630661
488000630661 |
LED POWER SUPPLY KU2 12V DC 5W 110-24VAC | Na dotaz | Zadat poptávku | |
| 013 66A71601 |
C00633340
488000633340 |
GLASS ASSEMB. 80 BK BADGE FABER | Na dotaz | Zadat poptávku | |
| 014 66A71601 |
C00630965
488000630965 |
ADJUSTAB.WALL MOUNT HOOK SB 12/10(2 PCS) | Na dotaz | Zadat poptávku | |
| 015 66A71601 |
C00630967
488000630967 |
RECYCLING CONNECT. PARTICULAR 3H | Na dotaz | Zadat poptávku | |
| 302 D2370501 |
C00630613
488000630613 |
vrtule ventilatoru | 832 Kč
€ 34.10 |
||
| 302 D2370501 |
C00631032
488000631032 |
IMPELLER EMC PT121BLACK 23459002 | Na dotaz | Zadat poptávku | |
| 302 D2370501 |
C00631027
488000631027 |
Vrtule ventilátoru odsavače par | 1 106 Kč
€ 45.30 |
||
| 305 D2370501 |
C00393105
480122101989 |
RUBBER MOTOR MOUNT EMK8 | Na dotaz | Zadat poptávku | |
| 305 D2370501 |
C00630614
488000630614 |
RUBBER MOTOR MOUNT EMK10/BRS (4PCS) | Na dotaz | Zadat poptávku | |
| 310 D2370501 |
C00401342
481232128488 |
POW.CAB.3X0,75X1000W 232+644(CONN) SP.EU | Na dotaz | Zadat poptávku | |
| 310 D2370501 |
C00393101
480122101983 |
KIT MAIN CABLE AL.3X0,75X1500 W W./PLUG | Na dotaz | Zadat poptávku | |
| 312 D2370501 |
C00630670
488000630670 |
CONDENSATOR 5 MF 416.25.XX.YY | Na dotaz | Zadat poptávku | |
| 330 D2370501 |
C00392827
480122101587 |
KIT CONNECTORS MOTOR ASSEMBLY CLI | Na dotaz | Zadat poptávku | |
| 330 D2370501 |
C00630624
488000630624 |
CONNECTORS KIT MOTOR GROUP CLI | Na dotaz | Zadat poptávku | |
| 399 D2370501 |
C00630671
488000630671 |
KIT M.GR.800MC PLUS 220-50/60HZ D.8 CLI | Na dotaz | Zadat poptávku | |
| 399 D2370501 |
C00631033
488000631033 |
KIT MOT.GR.8 800MC+ 220-50/60HZ CLI | Na dotaz | Zadat poptávku | |
| 399 D2370501 |
C00631029
488000631029 |
KIT M.GR.800MC PLUS 220-50/60HZ D.8 CLI | Na dotaz | Zadat poptávku | |
| 399 D2370501 |
C00631030
488000631030 |
KIT MOTOR GROUP .8 800MC220- (ENERGY) | Na dotaz | Zadat poptávku | |
| 504 S9871602 |
C00083228
488000083228 |
TŘMEN UPEVNĚNÍ KOMÍNU HORNÍ ZN PIE.'FAB' | Na dotaz | Zadat poptávku | |
| 505 S9871602 |
C00633220
488000633220 |
UPPER CHIMNEY X H330 | Na dotaz | Zadat poptávku | |
| 506 S9871602 |
C00633221
488000633221 |
LOWER CHIMNEY X A330 | Na dotaz | Zadat poptávku | |