FABER 110.0394.781 DH-FSH-
Zeptejte se. Rádi poradíme.
Marek Proche

Marek Proche
Zákaznická podpora

227 191 733

Po–Čt 8:00—17:00
Pá 8:00—15:00

poradna@servis-whirlpool.cz

Položit dotaz

Komerční kód: 110.0394.781 DH-FSH-
Kód 12NC/I.C. kód: 859698001441
Značka: FABER
Typ produktu:Odsavače a digestoře

Potřebujete servis? Jsme tady pro Vás

Nabídka náhradních dílů

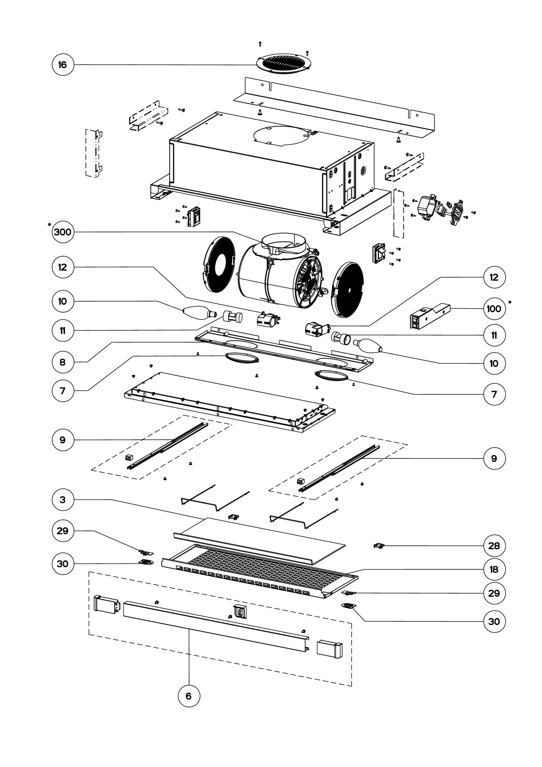
Číslo Kód Název Cena    
003
11A80101
C00079733
481948048121
FILTER,GREASE Na dotaz Zadat poptávku
006
11A80101
C00633924
488000633924
KIT FRONT PANEL W 60 Na dotaz Zadat poptávku
007
11A80101
C00387832
480122101573
cover, light - (conf.2) Na dotaz Zadat poptávku
008
11A80101
C00633898
488000633898
OVAL LIGHTING DIFF.SUPPORT W 60 Na dotaz Zadat poptávku
009
11A80101
C00393122
480122102009
Pojezd 726 Kč
€ 29.90
010
11A80101
C00631118
488000631118
LED LAMP E14 220V 4W 4000K Na dotaz Zadat poptávku
011
11A80101
C00387834
480122101579
LAMPHOLDER ART 22.225.3906.80 Na dotaz Zadat poptávku
012
11A80101
C00633932
488000633932
LAMPHOLDER SUPPORT PP-V2 NR.2 PCS Na dotaz Zadat poptávku
016
11A80101
C00632503
488000632503
GRID D 120 W Na dotaz Zadat poptávku
028
11A80101
C00633926
488000633926
GRID COUPLING BK (V0) (CONF.N.2) Na dotaz Zadat poptávku
029
11A80101
C00025458
481940118402
GRID PAWLS 28/35 (2 PCS) Na dotaz Zadat poptávku
030
11A80101
C00633927
488000633927
BOLT SWITCH WH (N.2) Na dotaz Zadat poptávku
103
13771601
C00633928
488000633928
SWITCH 1-0-2 A11561129000 Na dotaz Zadat poptávku
104
13771601
C00633929
488000633929
MICROSWITCH W/LEVER DB2C-B1AA 1,5A Na dotaz Zadat poptávku
105
13771601
C00633930
488000633930
LIGHT SWITCH A11131124000 Na dotaz Zadat poptávku
199
13771601
C00633931
488000633931
KIT CONT. GR.FLEXA BALAN.BUT.1-0-2/LIGHT Na dotaz Zadat poptávku
301
D2270201
C00632573
488000632573
ROTOR PP-V2 MOT.M6/M8 Na dotaz Zadat poptávku
303
D2270201
C00631112
488000631112
CABLE AL.2X0,75X1500 W EUROP.PLUG137(IT) Na dotaz Zadat poptávku
399
D2270201
C00636771
488000636771
KIT MOTOR.33 (BI) 2L CLII 220/50 D120 Na dotaz Zadat poptávku
Autorizované servisní centrum

Veškerý servis rodiny Whirlpool

Kamenná prodejna a sklad

Otevřená 5 dní v týdnu

Originální díly a příslušenství

Veškeré zboží přímo od výrobce

Odborný personál

Pomůžeme lajkům i odborníkům

Jednou za čas posíláme informace o speciální akcích, slevách a výprodejích. Nudné a zbytečné obchodní e-maily neposíláme.

×