FABER 110.0437.124 THALIA
Zeptejte se. Rádi poradíme.
Marek Proche
Zákaznická podpora
Po–Čt 8:00—17:00
Pá 8:00—15:00
poradna@servis-whirlpool.cz
| Komerční kód: | 110.0437.124 THALIA |
| Kód 12NC/I.C. kód: | 859698001807 |
| Značka: | FABER |
| Typ produktu: | Odsavače a digestoře |
Potřebujete servis? Jsme tady pro Vás
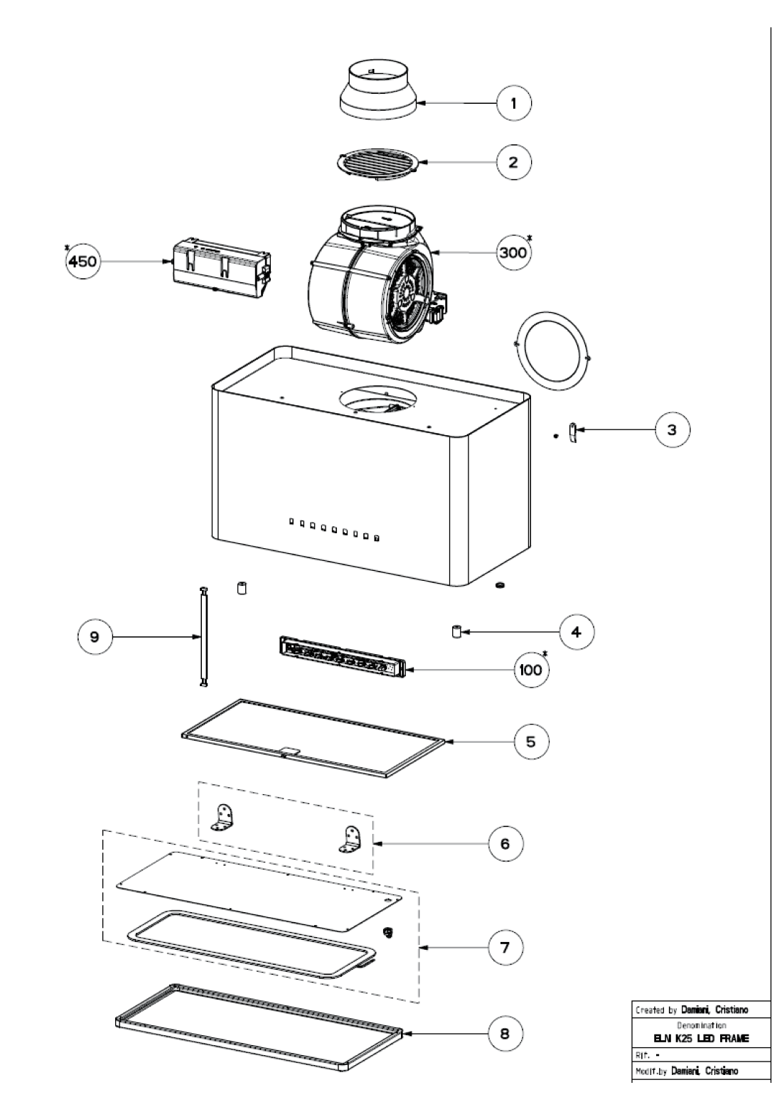
Nabídka náhradních dílů
| Číslo | Kód | Název | Cena | ||
|---|---|---|---|---|---|
| 000 69A71501 |
C00641758
488000641758 |
Carbon FILTER FHP8 High Performance | Na dotaz | Zadat poptávku | |
| 000 69A71501 |
C00647247
488000647247 |
LONG LIFE CARBON FILTER | Na dotaz | Zadat poptávku | |
| 000 69A71501 |
C00664308
488000664308 |
KIT REMOTE BLOWER ENERGY-PRO | Na dotaz | Zadat poptávku | |
| 000 69A71501 |
C00853516
488000853516 |
REMOTE CONTROL FABER AIR HUB BT+IR | Na dotaz | Zadat poptávku | |
| 001 69A71501 |
C00631021
488000631021 |
REDUCTION FLANGE 150-120 BK | Na dotaz | Zadat poptávku | |
| 002 69A71501 |
C00630658
488000630658 |
DIRECTIONAL GRID D150 ABS V0 W | Na dotaz | Zadat poptávku | |
| 003 69A71501 |
C00630608
488000630608 |
POWER SUPPLY LOCK PA-V0 BK | Na dotaz | Zadat poptávku | |
| 004 69A71501 |
C00640599
488000640599 |
MAGNET D16X20MM M4X7 90N | Na dotaz | Zadat poptávku | |
| 005 69A71501 |
C00640600
488000640600 |
METAL FILTER CAAS. 480X237 | Na dotaz | Zadat poptávku | |
| 006 69A71501 |
C00630665
488000630665 |
KIT N.2 HINGES (BISCOTTO) ART.131 3080 | Na dotaz | Zadat poptávku | |
| 007 69A71501 |
C00640601
488000640601 |
ASS.PANEL COVER W+LED FRAME | Na dotaz | Zadat poptávku | |
| 008 69A71501 |
C00640602
488000640602 |
LIGHTING PANEL BLACK MATT | Na dotaz | Zadat poptávku | |
| 009 69A71501 |
C00633663
488000633663 |
FLAT LED CONNECTOR 3V L=15 | Na dotaz | Zadat poptávku | |
| 999,000 69A71501 |
C00665521
488000665521 |
REMOTE CONTROL FABER 2020 K-LINK + IR | Na dotaz | Zadat poptávku | |
| 302 D2370501 |
C00630613
488000630613 |
vrtule ventilatoru | 832 Kč
€ 34.10 |
||
| 302 D2370501 |
C00631027
488000631027 |
Vrtule ventilátoru odsavače par | 1 106 Kč
€ 45.30 |
||
| 305 D2370501 |
C00393105
480122101989 |
RUBBER MOTOR MOUNT EMK8 | Na dotaz | Zadat poptávku | |
| 305 D2370501 |
C00630614
488000630614 |
RUBBER MOTOR MOUNT EMK10/BRS (4PCS) | Na dotaz | Zadat poptávku | |
| 310 D2370501 |
C00401342
481232128488 |
POW.CAB.3X0,75X1000W 232+644(CONN) SP.EU | Na dotaz | Zadat poptávku | |
| 310 D2370501 |
C00393101
480122101983 |
KIT MAIN CABLE AL.3X0,75X1500 W W./PLUG | Na dotaz | Zadat poptávku | |
| 312 D2370501 |
C00630670
488000630670 |
CONDENSATOR 5 MF 416.25.XX.YY | Na dotaz | Zadat poptávku | |
| 312 D2370501 |
C00631028
488000631028 |
CAPACITOR 6,3MF 450V - 416250828 | Na dotaz | Zadat poptávku | |
| 330 D2370501 |
C00392827
480122101587 |
KIT CONNECTORS MOTOR ASSEMBLY CLI | Na dotaz | Zadat poptávku | |
| 399 D2370501 |
C00630671
488000630671 |
KIT M.GR.800MC PLUS 220-50/60HZ D.8 CLI | Na dotaz | Zadat poptávku | |
| 399 D2370501 |
C00640604
488000640604 |
KIT M.G.8 800MC PLUS 220-50/60 (P2) CLI | Na dotaz | Zadat poptávku | |
| 451 K2070201 |
C00640608
488000640608 |
KIT CARD AFT RR 4V FL TL ELK25 | Na dotaz | Zadat poptávku | |
| 452 K2070201 |
C00633298
488000633298 |
POWER LED 24V 220-240 DIMM. | Na dotaz | Zadat poptávku | |
| 101 K2570001 |
C00393103
480122101987 |
FLAT RIBBON CONN.10 WAYS L=750 | Na dotaz | Zadat poptávku | |
| 199 K2570001 |
C00635794
488000635794 |
COM.CARD TOUCH OPTIC 8T 8LED WH HORIZ | Na dotaz | Zadat poptávku | |