FABER 110.0439.939 IN-NOVA
Zeptejte se. Rádi poradíme.
Marek Proche

Marek Proche
Zákaznická podpora

227 191 733

Po–Čt 8:00—17:00
Pá 8:00—15:00

poradna@servis-whirlpool.cz

Položit dotaz

Komerční kód: 110.0439.939 IN-NOVA
Kód 12NC/I.C. kód: 859698001365
Značka: FABER
Typ produktu:Odsavače a digestoře

Potřebujete servis? Jsme tady pro Vás

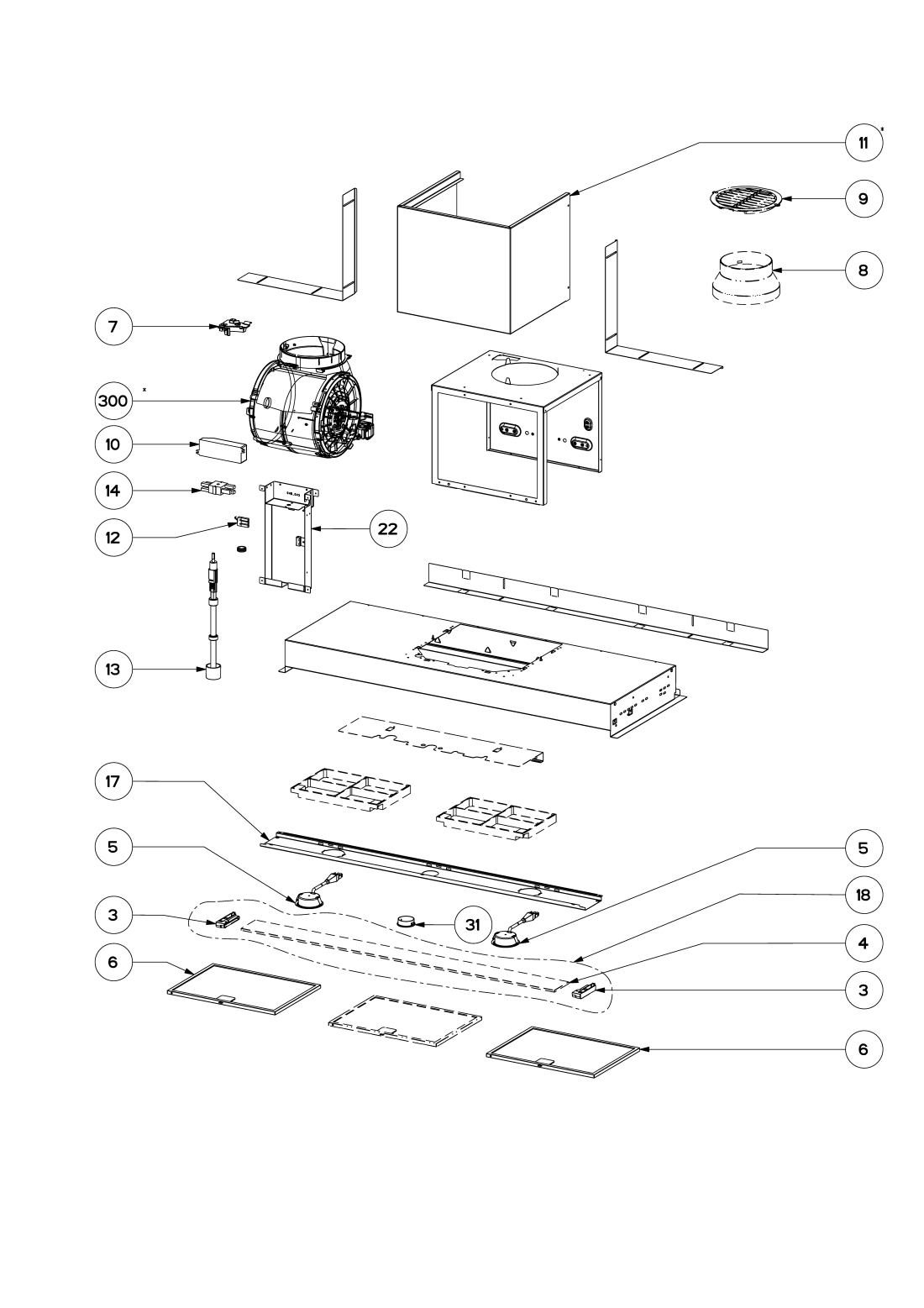
Nabídka náhradních dílů

Číslo Kód Název Cena    
000
14B71501
C00664308
488000664308
KIT REMOTE BLOWER ENERGY-PRO Na dotaz Zadat poptávku
000
14B71501
C00664302
488000664302
F4-14B KIT 2 C.F. 195X139 MODELS 14B FAB Na dotaz Zadat poptávku
003
14B71501
C00632631
488000632631
VISOR SIDE CROMO INOX ASS.DX-SX Na dotaz Zadat poptávku
004
14B71501
C00632640
488000632640
NATURAL GLASS VISOR 120 S. FABER Na dotaz Zadat poptávku
005
14B71501
C00631050
488000631050
Světlo LED 1 083 Kč
€ 44.40
005
14B71501
C00632766
488000632766
SPOTLIGHT S1000 ECO LED 4000K Na dotaz Zadat poptávku
005
14B71501
C00939612
488000939612
SPOTLIGHT S1001 NEWEcoLED 4000K 12V 1.1W Na dotaz Zadat poptávku
006
14B71501
C00632786
488000632786
Metalfilter ,rectang. 386X209,4 F8 P10 Na dotaz Zadat poptávku
007
14B71501
C00630608
488000630608
POWER SUPPLY LOCK PA-V0 BK Na dotaz Zadat poptávku
008
14B71501
C00387855
481253278005
Connect.piece Na dotaz Zadat poptávku
009
14B71501
C00632503
488000632503
GRID D 120 W Na dotaz Zadat poptávku
010
14B71501
C00630661
488000630661
LED POWER SUPPLY KU2 12V DC 5W 110-24VAC Na dotaz Zadat poptávku
011
14B71501
C00632769
488000632769
FRONT COVER EG H260 X 6/10 Na dotaz Zadat poptávku
012
14B71501
C00632636
488000632636
MICROSWITCH + LEVER 614-01314 Na dotaz Zadat poptávku
013
14B71501
C00632637
488000632637
KNOB ASSEMBLY Na dotaz Zadat poptávku
014
14B71501
C00632634
488000632634
ROTATIVE SWITCH 4 POS.R11E41000 Na dotaz Zadat poptávku
017
14B71501
C00632641
488000632641
LIGHTS SUPP.X 120 S1000 COM.ROT. Na dotaz Zadat poptávku
018
14B71501
C00632642
488000632642
VIS.GLASS FABER+SIDE NICK.+GLUE+PROF.120 Na dotaz Zadat poptávku
022
14B71501
C00632639
488000632639
KNOB FRAME WHITE CROME LUDABAK Na dotaz Zadat poptávku
301
D1370001
C00393101
480122101983
KIT MAIN CABLE AL.3X0,75X1500 W W./PLUG Na dotaz Zadat poptávku
303
D1370001
C00631044
488000631044
ASS. IMPELLER PP-V2 M8+NUT Na dotaz Zadat poptávku
304
D1370001
C00630670
488000630670
CONDENSATOR 5 MF 416.25.XX.YY Na dotaz Zadat poptávku
305
D1370001
C00392827
480122101587
KIT CONNECTORS MOTOR ASSEMBLY CLI Na dotaz Zadat poptávku
399
D1370001
C00632777
488000632777
MOTOR GROUP M8/20 F.COM.220-50HZ Na dotaz Zadat poptávku
Autorizované servisní centrum

Veškerý servis rodiny Whirlpool

Kamenná prodejna a sklad

Otevřená 5 dní v týdnu

Originální díly a příslušenství

Veškeré zboží přímo od výrobce

Odborný personál

Pomůžeme lajkům i odborníkům

Jednou za čas posíláme informace o speciální akcích, slevách a výprodejích. Nudné a zbytečné obchodní e-maily neposíláme.

×