FABER 350.0504.298 C900 FB
Zeptejte se. Rádi poradíme.
Marek Proche
Zákaznická podpora
Po–Čt 8:00—17:00
Pá 8:00—15:00
poradna@servis-whirlpool.cz
| Komerční kód: | 350.0504.298 C900 FB |
| Kód 12NC/I.C. kód: | 859698001913 |
| Značka: | FABER |
| Typ produktu: | Odsavače a digestoře |
Potřebujete servis? Jsme tady pro Vás
Nabídka náhradních dílů
| Číslo | Kód | Název | Cena | ||
|---|---|---|---|---|---|
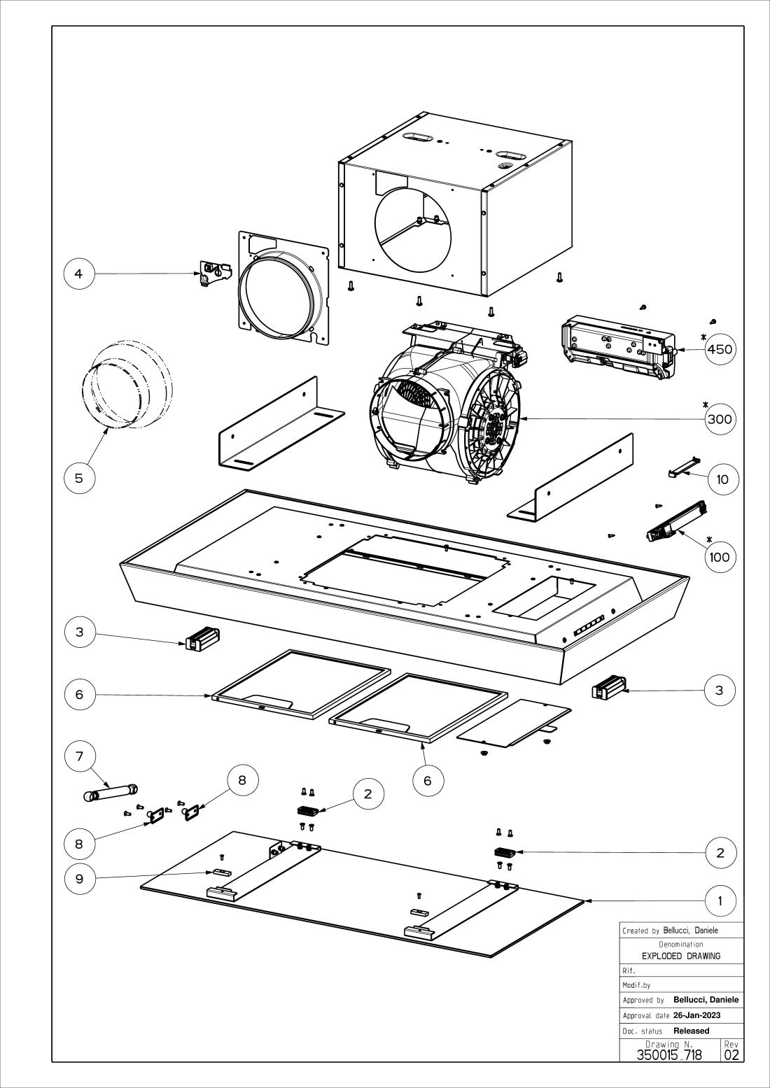
| 001 000 350015_718_02 |
C00644312
488000644312 |
ASS.PERIMETRAL PANEL GLASS W NEUTRAL 90 | Na dotaz | Zadat poptávku | |
| 002 000 350015_718_02 |
C00641835
488000641835 |
HINGE EMKA 1056-U61 | Na dotaz | Zadat poptávku | |
| 003 000 350015_718_02 |
C00630727
488000630727 |
SPOTLIGHT LED VELO ECO L68 12V 2W 3000K | Na dotaz | Zadat poptávku | |
| 004 000 350015_718_02 |
C00630608
488000630608 |
POWER SUPPLY LOCK PA-V0 BK | Na dotaz | Zadat poptávku | |
| 005 000 350015_718_02 |
C00631021
488000631021 |
REDUCTION FLANGE 150-120 BK | Na dotaz | Zadat poptávku | |
| 006 000 350015_718_02 |
C00635627
488000635627 |
GREASE FILTER 205X273 (WITH MINERVA) | Na dotaz | Zadat poptávku | |
| 007 000 350015_718_02 |
C00644313
488000644313 |
GAS PISTON | Na dotaz | Zadat poptávku | |
| 008 000 350015_718_02 |
C00644314
488000644314 |
GAS PISTON | Na dotaz | Zadat poptávku | |
| 009 000 350015_718_02 |
C00630663
488000630663 |
MAGNET 30X10X5 NQ01.3015 SC35HMA NI | Na dotaz | Zadat poptávku | |
| 010 000 350015_718_02 |
C00643345
488000643345 |
FLAT IDC ISLAND 10 WAYS MALE L = 1300 | Na dotaz | Zadat poptávku | |
| 000 01571801 |
C00641758
488000641758 |
Carbon FILTER FHP8 High Performance | Na dotaz | Zadat poptávku | |
| 000 01571801 |
C00647247
488000647247 |
LONG LIFE CARBON FILTER | Na dotaz | Zadat poptávku | |
| 000 01571801 |
C00661972
488000661972 |
CARBON FILTER D196 H37 | Na dotaz | Zadat poptávku | |
| 101 100 K36_705_01 |
C00632829
488000632829 |
KIT CONTROL BOX SILVER KS-O 7.1 S.SIM.3+ | Na dotaz | Zadat poptávku | |
| 107 100 K36_705_01 |
C00633687
488000633687 |
FLAT IDC ISLAND 10 WAYS FEMALE L=200 | Na dotaz | Zadat poptávku | |
| 150 100 K36_705_01 |
C00633609
488000633609 |
REMOTE CONTROL IR 6 SWITCHES FABER | Na dotaz | Zadat poptávku | |
| 150 100 K36_705_01 |
C00633610
488000633610 |
REMOTE CONTROL 2018 FABER | Na dotaz | Zadat poptávku | |
| 150 100 K36_705_01 |
C00853515
488000853515 |
REMOTE CONTROL FABER AIR HUB BT+IR SP | Na dotaz | Zadat poptávku | |
| 302 300 D39_708_01 |
C00630613
488000630613 |
vrtule ventilatoru | 832 Kč
€ 34.30 |
||
| 305 300 D39_708_01 |
C00393105
480122101989 |
RUBBER MOTOR MOUNT EMK8 | Na dotaz | Zadat poptávku | |
| 310 300 D39_708_01 |
C00630787
488000630787 |
POW.CAB.3X0,75X1500W 2343+644 SP/GB (3A) | Na dotaz | Zadat poptávku | |
| 312 300 D39_708_01 |
C00630670
488000630670 |
CONDENSATOR 5 MF 416.25.XX.YY | Na dotaz | Zadat poptávku | |
| 312 300 D39_708_01 |
C00631028
488000631028 |
CAPACITOR 6,3MF 450V - 416250828 | Na dotaz | Zadat poptávku | |
| 330 300 D39_708_01 |
C00630624
488000630624 |
CONNECTORS KIT MOTOR GROUP CLI | Na dotaz | Zadat poptávku | |
| 399 300 D39_708_01 |
C00849060
488000849060 |
KIT M.GR.SP 800 220-50/60 STS/LOW CLI | Na dotaz | Zadat poptávku | |
| 399 300 D39_708_01 |
C00633637
488000633637 |
KIT MOTOR GROUP 8 800MC 220-50/60 CLI | Na dotaz | Zadat poptávku | |
| 451 450 K20_702_01 |
C00633246
488000633246 |
KIT MAIN BOARD ATF RR 4V | Na dotaz | Zadat poptávku | |
| 452 450 K20_702_01 |
C00630728
488000630728 |
POWER SUP.LED SPOTL.DC8W 12V R 110-240 | Na dotaz | Zadat poptávku | |
| 150 K3670501 |
C00647006
488000647006 |
REMOTE CONTROL 2020 FABER BT + IR | Na dotaz | Zadat poptávku | |