FABER 350.0529.510 HEAVEN
Zeptejte se. Rádi poradíme.
Marek Proche
Zákaznická podpora
Po–Čt 8:00—17:00
Pá 8:00—15:00
poradna@servis-whirlpool.cz
| Komerční kód: | 350.0529.510 HEAVEN |
| Kód 12NC/I.C. kód: | 859698001912 |
| Značka: | FABER |
| Typ produktu: | Odsavače a digestoře |
Potřebujete servis? Jsme tady pro Vás
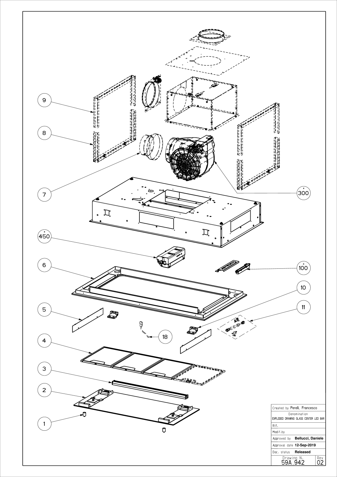
Nabídka náhradních dílů
| Číslo | Kód | Název | Cena | ||
|---|---|---|---|---|---|
| 000 59A94202 |
C00641758
488000641758 |
Carbon FILTER FHP8 High Performance | Na dotaz | Zadat poptávku | |
| 000 59A94202 |
C00647247
488000647247 |
LONG LIFE CARBON FILTER | Na dotaz | Zadat poptávku | |
| 000 59A94202 |
C00661972
488000661972 |
CARBON FILTER D196 H37 | Na dotaz | Zadat poptávku | |
| 000 59A94202 |
C00664308
488000664308 |
KIT REMOTE BLOWER ENERGY-PRO | Na dotaz | Zadat poptávku | |
| 001 59A94202 |
C00640599
488000640599 |
MAGNET D16X20MM M4X7 90N | Na dotaz | Zadat poptávku | |
| 002 59A94202 |
C00644869
488000644869 |
PERIMETER PANEL ASS.VET.120x70 W B.LED C | Na dotaz | Zadat poptávku | |
| 003 59A94202 |
C00635598
488000635598 |
SPOTLIGHT LED BAR L500X28 48LED 4000K 7W | Na dotaz | Zadat poptávku | |
| 003 59A94202 |
C00655170
488000655170 |
LED BAR L500x28 72Led 4K 12V 5W | Na dotaz | Zadat poptávku | |
| 004 59A94202 |
C00635627
488000635627 |
GREASE FILTER 205X273 (WITH MINERVA) | Na dotaz | Zadat poptávku | |
| 005 59A94202 |
C00644340
488000644340 |
LAMP Support 120X70 | Na dotaz | Zadat poptávku | |
| 006 59A94202 |
C00644871
488000644871 |
GLASS FRAME ASS. 120x70 S / LIGHTS | Na dotaz | Zadat poptávku | |
| 007 59A94202 |
C00631021
488000631021 |
REDUCTION FLANGE 150-120 BK | Na dotaz | Zadat poptávku | |
| 008 59A94202 |
C00644570
488000644570 |
DETAIL OF LOWER HOOD FIXING | Na dotaz | Zadat poptávku | |
| 009 59A94202 |
C00644571
488000644571 |
PARTICULAR UPPER FIXING HOOD | Na dotaz | Zadat poptávku | |
| 010 59A94202 |
C00633568
488000633568 |
PANEL HINGE SOUTCHO | Na dotaz | Zadat poptávku | |
| 011 59A94202 |
C00642115
488000642115 |
SUSPA SHOCK ABSORBER 011 10289 30/02 C / | Na dotaz | Zadat poptávku | |
| 018 59A94202 |
C00632541
488000632541 |
IR RECEIVER CARD W/FLAT L=400+BOX | Na dotaz | Zadat poptávku | |
| 302 D2370501 |
C00630613
488000630613 |
vrtule ventilatoru | 832 Kč
€ 34.30 |
||
| 305 D2370501 |
C00393105
480122101989 |
RUBBER MOTOR MOUNT EMK8 | Na dotaz | Zadat poptávku | |
| 310 D2370501 |
C00393101
480122101983 |
KIT MAIN CABLE AL.3X0,75X1500 W W./PLUG | Na dotaz | Zadat poptávku | |
| 312 D2370501 |
C00630670
488000630670 |
CONDENSATOR 5 MF 416.25.XX.YY | Na dotaz | Zadat poptávku | |
| 312 D2370501 |
C00630623
488000630623 |
CAPACITOR 4MF 400V 10000 HOURS P2 | Na dotaz | Zadat poptávku | |
| 330 D2370501 |
C00392827
480122101587 |
KIT CONNECTORS MOTOR ASSEMBLY CLI | Na dotaz | Zadat poptávku | |
| 330 D2370501 |
C00630624
488000630624 |
CONNECTORS KIT MOTOR GROUP CLI | Na dotaz | Zadat poptávku | |
| 399 D2370501 |
C00630671
488000630671 |
KIT M.GR.800MC PLUS 220-50/60HZ D.8 CLI | Na dotaz | Zadat poptávku | |
| 399 D2370501 |
C00849065
488000849065 |
Motor | 17 871 Kč
€ 736.00 |
||
| 451 K2070201 |
C00639843
488000639843 |
KIT M.BOARD ATF RR 4V | Na dotaz | Zadat poptávku | |
| 452 K2070201 |
C00630728
488000630728 |
POWER SUP.LED SPOTL.DC8W 12V R 110-240 | Na dotaz | Zadat poptávku | |
| 452 K2070201 |
C00633613
488000633613 |
TRANSFORMER LED 700MA | Na dotaz | Zadat poptávku | |
| 101 K3670501 |
C00635748
488000635748 |
KIT COM.GROUP KS-O SILVER 24H-D S.3+I | Na dotaz | Zadat poptávku | |
| 107 K3670501 |
C00642403
488000642403 |
FLAT 10 WAYS 15 POLES + IDC CONNECTOR L | Na dotaz | Zadat poptávku | |
| 150 K3670501 |
C00633610
488000633610 |
REMOTE CONTROL 2018 FABER | Na dotaz | Zadat poptávku | |
| 150 K3670501 |
C00647006
488000647006 |
REMOTE CONTROL 2020 FABER BT + IR | Na dotaz | Zadat poptávku | |
| 150 K3670501 |
C00853515
488000853515 |
REMOTE CONTROL FABER AIR HUB BT+IR SP | Na dotaz | Zadat poptávku | |