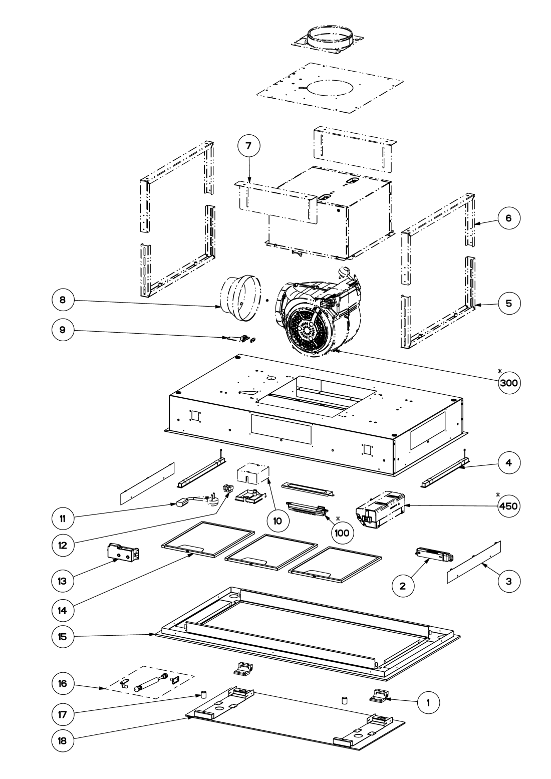
FABER 350.0615.705 C-AIR A
Zeptejte se. Rádi poradíme.
Marek Proche
Zákaznická podpora
Po–Čt 8:00—17:00
Pá 8:00—15:00
poradna@servis-whirlpool.cz
| Komerční kód: | 350.0615.705 C-AIR A |
| Kód 12NC/I.C. kód: | 859698009600 |
| Značka: | FABER |
| Typ produktu: | Odsavače a digestoře |
Potřebujete servis? Jsme tady pro Vás
Nabídka náhradních dílů
| Číslo | Kód | Název | Cena | ||
|---|---|---|---|---|---|
| 000 59A83801 |
C00641758
488000641758 |
Carbon FILTER FHP8 High Performance | Na dotaz | Zadat poptávku | |
| 000 59A83801 |
C00647247
488000647247 |
LONG LIFE CARBON FILTER | Na dotaz | Zadat poptávku | |
| 000 59A83801 |
C00661972
488000661972 |
CARBON FILTER D196 H37 | Na dotaz | Zadat poptávku | |
| 000 59A83801 |
C00664308
488000664308 |
KIT REMOTE BLOWER ENERGY-PRO | Na dotaz | Zadat poptávku | |
| 000 59A83801 |
C00906898
488000906898 |
Led Bar IKEA SUPPORT L40 | Na dotaz | Zadat poptávku | |
| 001 59A83801 |
C00633568
488000633568 |
PANEL HINGE SOUTCHO | Na dotaz | Zadat poptávku | |
| 002 59A83801 |
C00646789
488000646789 |
AIR QUALITY SENSOR - AQS AIRGLOSS V2 | Na dotaz | Zadat poptávku | |
| 002 59A83801 |
C00846538
488000846538 |
SENSYMOD ATF T-RH-VOC UART STM-31F8 VOC1 | Na dotaz | Zadat poptávku | |
| 003 59A83801 |
C00644330
488000644330 |
LAMP Support | Na dotaz | Zadat poptávku | |
| 004 59A83801 |
C00632881
488000632881 |
LED BAR SLIM L300 4000K 350mA 3W W/SUPP. | Na dotaz | Zadat poptávku | |
| 005 59A83801 |
C00644570
488000644570 |
DETAIL OF LOWER HOOD FIXING | Na dotaz | Zadat poptávku | |
| 006 59A83801 |
C00644571
488000644571 |
PARTICULAR UPPER FIXING HOOD | Na dotaz | Zadat poptávku | |
| 008 59A83801 |
C00631021
488000631021 |
REDUCTION FLANGE 150-120 BK | Na dotaz | Zadat poptávku | |
| 009 59A83801 |
C00631039
488000631039 |
KIT COVER FOR MAIN CABLE + BRACKET (V2) | Na dotaz | Zadat poptávku | |
| 013 59A83801 |
C00849828
488000849828 |
ASS.FAIR MODULE W/BOX + FLAT 650 | Na dotaz | Zadat poptávku | |
| 013 59A83801 |
C00646791
488000646791 |
ASS. WIFI BOX PP + FAIR - SPI LIN | Na dotaz | Zadat poptávku | |
| 013 59A83801 |
C00846537
488000846537 |
ASM WIFI BOX PP + FAIR - SPI-BLE REALM | Na dotaz | Zadat poptávku | |
| 014 59A83801 |
C00635627
488000635627 |
GREASE FILTER 205X273 (WITH MINERVA) | Na dotaz | Zadat poptávku | |
| 015 59A83801 |
C00647003
488000647003 |
GLASS FRAME C-AIR ASS. 90 BK / BR | Na dotaz | Zadat poptávku | |
| 016 59A83801 |
C00642115
488000642115 |
SUSPA SHOCK ABSORBER 011 10289 30/02 C / | Na dotaz | Zadat poptávku | |
| 017 59A83801 |
C00640599
488000640599 |
MAGNET D16X20MM M4X7 90N | Na dotaz | Zadat poptávku | |
| 018 59A83801 |
C00647004
488000647004 |
PERIMETER PANEL GLASS BK / BR C-AIR ASS. | Na dotaz | Zadat poptávku | |
| 302 D2370501 |
C00630613
488000630613 |
vrtule ventilatoru | 832 Kč
€ 34.30 |
||
| 305 D2370501 |
C00393105
480122101989 |
RUBBER MOTOR MOUNT EMK8 | Na dotaz | Zadat poptávku | |
| 310 D2370501 |
C00393101
480122101983 |
KIT MAIN CABLE AL.3X0,75X1500 W W./PLUG | Na dotaz | Zadat poptávku | |
| 312 D2370501 |
C00630670
488000630670 |
CONDENSATOR 5 MF 416.25.XX.YY | Na dotaz | Zadat poptávku | |
| 312 D2370501 |
C00630623
488000630623 |
CAPACITOR 4MF 400V 10000 HOURS P2 | Na dotaz | Zadat poptávku | |
| 330 D2370501 |
C00392827
480122101587 |
KIT CONNECTORS MOTOR ASSEMBLY CLI | Na dotaz | Zadat poptávku | |
| 330 D2370501 |
C00630624
488000630624 |
CONNECTORS KIT MOTOR GROUP CLI | Na dotaz | Zadat poptávku | |
| 399 D2370501 |
C00630671
488000630671 |
KIT M.GR.800MC PLUS 220-50/60HZ D.8 CLI | Na dotaz | Zadat poptávku | |
| 399 D2370501 |
C00849065
488000849065 |
Motor | 17 871 Kč
€ 736.00 |
||
| 451 K2070201 |
C00646793
488000646793 |
BOARD KIT 7RELE 'ATF (FRRAB020370) | Na dotaz | Zadat poptávku | |
| 451 K2070201 |
C00846539
488000846539 |
KIT MAIN BO.ATF 7R SGPUART (FRRAB020443) | Na dotaz | Zadat poptávku | |
| 452 K2070201 |
C00630627
488000630627 |
POWER SUPPLY LEDBAR 350mA 12W PWM110-240 | Na dotaz | Zadat poptávku | |
| 101 K3670502 |
C00647005
488000647005 |
KIT CONTROL UNIT KS-O SILVER 24H-D S.S.3 | Na dotaz | Zadat poptávku | |
| 107 K3670502 |
C00632882
488000632882 |
FLAT IDC IS.10 VIE FEMMINA L=900(VISION) | Na dotaz | Zadat poptávku | |
| 150 K3670502 |
C00647006
488000647006 |
REMOTE CONTROL 2020 FABER BT + IR | Na dotaz | Zadat poptávku | |
| 150 K3670502 |
C00853515
488000853515 |
REMOTE CONTROL FABER AIR HUB BT+IR SP | Na dotaz | Zadat poptávku | |