FABER 350.0741.827 HEAVEN SOFT A90
Zeptejte se. Rádi poradíme.
Marek Proche

Marek Proche
Zákaznická podpora

227 191 733

Po–Čt 8:00—17:00
Pá 8:00—15:00

poradna@servis-whirlpool.cz

Položit dotaz

Komerční kód: 350.0741.827 HEAVEN SOFT A90
Kód 12NC/I.C. kód: 859698033750
Značka: FABER
Typ produktu:Odsavače a digestoře

Potřebujete servis? Jsme tady pro Vás

Nabídka náhradních dílů

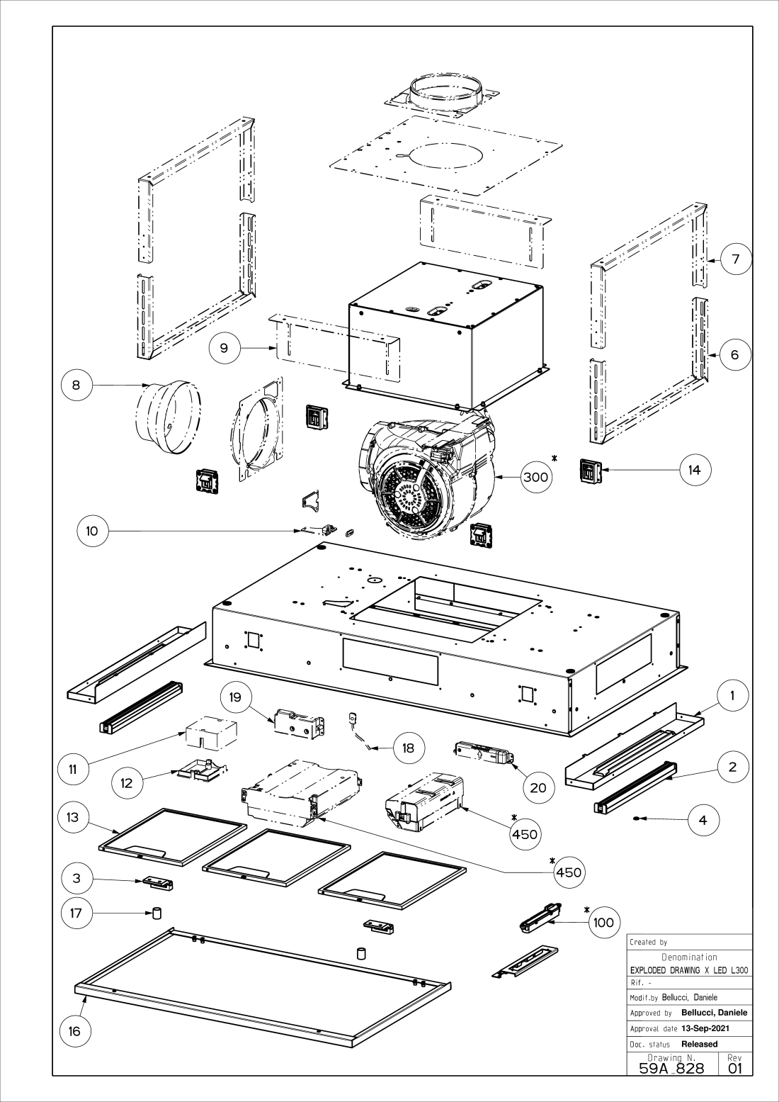
Číslo Kód Název Cena    
000
000 59A_828_01
C00641758
488000641758
Carbon FILTER FHP8 High Performance Na dotaz Zadat poptávku
000
000 59A_828_01
C00647247
488000647247
LONG LIFE CARBON FILTER Na dotaz Zadat poptávku
000
000 59A_828_01
C00661972
488000661972
CARBON FILTER D196 H37 Na dotaz Zadat poptávku
000
000 59A_828_01
C00664308
488000664308
KIT REMOTE BLOWER ENERGY-PRO Na dotaz Zadat poptávku
001
000 59A_828_01
C00849278
488000849278
LED BAR SUPPORT L300 X BENT Na dotaz Zadat poptávku
002
000 59A_828_01
C00670577
488000670577
LED BAR L300x28 44Led 4000K 12V 3W Na dotaz Zadat poptávku
003
000 59A_828_01
C00633568
488000633568
PANEL HINGE SOUTCHO Na dotaz Zadat poptávku
004
000 59A_828_01
C00631173
488000631173
STOPPER D.11 MM W (V0) (10 PCS) Na dotaz Zadat poptávku
008
000 59A_828_01
C00631021
488000631021
REDUCTION FLANGE 150-120 BK Na dotaz Zadat poptávku
010
000 59A_828_01
C00631039
488000631039
KIT COVER FOR MAIN CABLE + BRACKET (V2) Na dotaz Zadat poptávku
013
000 59A_828_01
C00635627
488000635627
GREASE FILTER 205X273 (WITH MINERVA) Na dotaz Zadat poptávku
014
000 59A_828_01
C00633564
488000633564
KIT 2 HOOD SUPPORTS ASSEMBLY Na dotaz Zadat poptávku
016
000 59A_828_01
C00966913
488000966913
PERIM. PANEL ASSEMBLY 90 WH MATT Na dotaz Zadat poptávku
017
000 59A_828_01
C00640599
488000640599
MAGNET D16X20MM M4X7 90N Na dotaz Zadat poptávku
101
100 K36_705_03
C00635748
488000635748
KIT COM.GROUP KS-O SILVER 24H-D S.3+I Na dotaz Zadat poptávku
107
100 K36_705_03
C00632549
488000632549
FLAT IDC ISLAND 10 WAYS MALE L=350 Na dotaz Zadat poptávku
150
100 K36_705_03
C00853515
488000853515
REMOTE CONTROL FABER AIR HUB BT+IR SP Na dotaz Zadat poptávku
302
300 D39_714_01
C00630613
488000630613
vrtule ventilatoru 832 Kč
€ 34.30
305
300 D39_714_01
C00393105
480122101989
RUBBER MOTOR MOUNT EMK8 Na dotaz Zadat poptávku
310
300 D39_714_01
C00393101
480122101983
KIT MAIN CABLE AL.3X0,75X1500 W W./PLUG Na dotaz Zadat poptávku
312
300 D39_714_01
C00630623
488000630623
CAPACITOR 4MF 400V 10000 HOURS P2 Na dotaz Zadat poptávku
313
300 D39_714_01
C00862026
488000862026
MN-BRD CHA 4R 2LLV SENS FUL(FCRREA020511 Na dotaz Zadat poptávku
330
300 D39_714_01
C00858366
488000858366
KIT STS CONNECTOR (CLI) + 9 WAYS COVER Na dotaz Zadat poptávku
399
300 D39_714_01
C00862025
488000862025
KIT M.GR.SPA+ 220LOW/I CH/A FCRREA020511 Na dotaz Zadat poptávku
Autorizované servisní centrum

Veškerý servis rodiny Whirlpool

Kamenná prodejna a sklad

Otevřená 5 dní v týdnu

Originální díly a příslušenství

Veškeré zboží přímo od výrobce

Odborný personál

Pomůžeme lajkům i odborníkům

Jednou za čas posíláme informace o speciální akcích, slevách a výprodejích. Nudné a zbytečné obchodní e-maily neposíláme.

×