IKEA 60278071 HBT S20 S
Zeptejte se. Rádi poradíme.
Marek Proche
Zákaznická podpora
Po–Čt 8:00—17:00
Pá 8:00—15:00
poradna@servis-whirlpool.cz
| Komerční kód: | 60278071 HBT S20 S |
| Kód 12NC: | 869990935560 |
| I.C. kód: | 44935560000 |
| Značka: | IKEA |
| Typ produktu: | Vestavné trouby a varné desky |
| Další podobné modely: | 769990935562 |
Potřebujete servis? Jsme tady pro Vás
Nabídka náhradních dílů
| Číslo | Kód | Název | Cena | ||
|---|---|---|---|---|---|
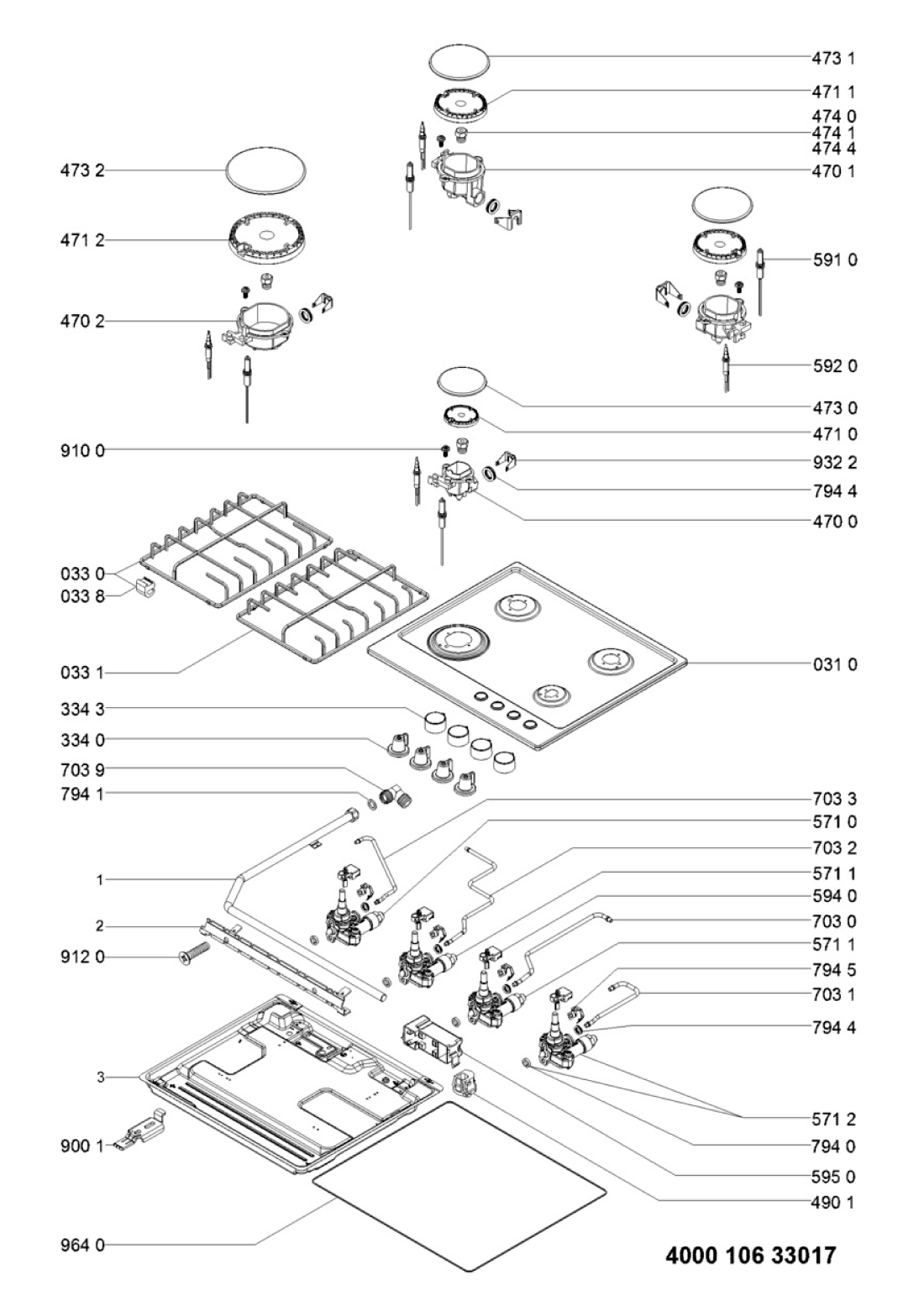
| 031 0 10633017 |
C00314051
481010629354 |
Deska plynová | Na dotaz | Zadat poptávku | |
| 033 0 10633017 |
C00324966
481010603166 |
Mřížka hořáku plynové varné desky levá | Na dotaz | Zadat poptávku | |
| 033 1 10633017 |
C00324968
481010603191 |
Mřížka hořáku plynové varné desky - pravá | Na dotaz | Zadat poptávku | |
| 033 8 10633017 |
C00322488
480121104623 |
Podložka gumová | 37 Kč
€ 1.50 |
||
| 334 0 10633017 |
C00314754
481010611969 |
Knoflík | 357 Kč
€ 14.70 |
||
| 334 3 10633017 |
C00325003
481010606609 |
Knoflík modern | Na dotaz | Zadat poptávku | |
| 3343 10633017 |
C00526248
488000526248 |
GASKET UNDER KNOB GOM WHP | Na dotaz | Zadat poptávku | |
| 470 0 10633017 |
C00325703
481010619731 |
Injector holder A QF | Na dotaz | Zadat poptávku | |
| 470 1 10633017 |
C00325807
481010642265 |
Hořák | Na dotaz | Zadat poptávku | |
| 470 2 10633017 |
C00316445
481010646791 |
Injector holder R QF | Na dotaz | Zadat poptávku | |
| 470 2 10633017 |
C00381796
481010619736 |
Injector holder R, QF | Na dotaz | Zadat poptávku | |
| 471 0 10633017 |
C00052930
482000026823 |
BURNER BASE/FLAME SPLITTER - S | Na dotaz | Zadat poptávku | |
| 471 1 10633017 |
C00052929
482000026822 |
Těleso hořáku polorychlé plynové varné desky Whirlpool | 506 Kč
€ 20.80 |
||
| 471 2 10633017 |
C00052928
482000026821 |
Těleso hořáku velké | Na dotaz | Zadat poptávku | |
| 473 0 10633017 |
C00064918
482000027179 |
Víko hořáku malé | 272 Kč
€ 11.20 |
||
| 473 1 10633017 |
C00064919
482000027180 |
Víko hořáku | 244 Kč
€ 10.00 |
||
| 473 2 10633017 |
C00319454
480121104537 |
viko horaku | Na dotaz | Zadat poptávku | |
| 474 0 10633017 |
C00325654
481010611751 |
Set of nozzles G20-20 mbar | Na dotaz | Zadat poptávku | |
| 490 1 10633017 |
C00322477
480121104531 |
Clamp cable | Na dotaz | Zadat poptávku | |
| 571 0 10633017 |
C00312348
481010647653 |
ventil plynovy | Na dotaz | Zadat poptávku | |
| 571 1 10633017 |
C00312191
481010647652 |
ventil | Na dotaz | Zadat poptávku | |
| 571 2 10633017 |
C00312473
481010647651 |
ventil | Na dotaz | Zadat poptávku | |
| 591 0 10633017 |
C00313511
481010611915 |
Svíčka zapalovací | Na dotaz | Zadat poptávku | |
| 592 0 10633017 |
C00317147
481010631904 |
termoclanek | Na dotaz | Zadat poptávku | |
| 594 0 10633017 |
C00312138
480121104524 |
mikrospinac zapal. | Na dotaz | Zadat poptávku | |
| 594 0 10633017 |
C00738262
488000738262 |
Spínače zapalovací jiskry | 414 Kč
€ 17.00 |
||
| 595 0 10633017 |
C00313108
480121104525 |
zapalovac plynu ele. | Na dotaz | Zadat poptávku | |
| 703 0 10633017 |
C00325639
481010611368 |
Gas pipe RR | Na dotaz | Zadat poptávku | |
| 703 1 10633017 |
C00325638
481010611367 |
Gas pipe FR | Na dotaz | Zadat poptávku | |
| 703 2 10633017 |
C00325640
481010611369 |
Gas pipe RL | Na dotaz | Zadat poptávku | |
| 703 3 10633017 |
C00325641
481010611370 |
Gas pipe FL | Na dotaz | Zadat poptávku | |
| 703 9 10633017 |
C00381300
488000381300 |
Tube bend 1/2x1/2 | Na dotaz | Zadat poptávku | |
| 794 0 10633017 |
C00313330
480121103673 |
Těsnění | 107 Kč
€ 4.40 |
||
| 794 1 10633017 |
C00313293
480121103128 |
GASKET | Na dotaz | Zadat poptávku | |
| 794 4 10633017 |
C00325047
481010532151 |
Těsnění | 101 Kč
€ 4.10 |
||
| 794 5 10633017 |
C00324905
481010595118 |
Clip tube/valve | Na dotaz | Zadat poptávku | |
| 900 1 10633017 |
C00314607
481240118823 |
Držák desky 1ks | Na dotaz | Zadat poptávku | |
| 910 0 10633017 |
C00332083
481250218531 |
Screw M4x8 | Na dotaz | Zadat poptávku | |
| 912 0 10633017 |
C00322394
480121103816 |
Screw | Na dotaz | Zadat poptávku | |
| 932 2 10633017 |
C00322347
480121103657 |
Clip injector holder | Na dotaz | Zadat poptávku | |
| 964 0 10633017 |
C00381903
488000381903 |
GASKET TOP | Na dotaz | Zadat poptávku | |