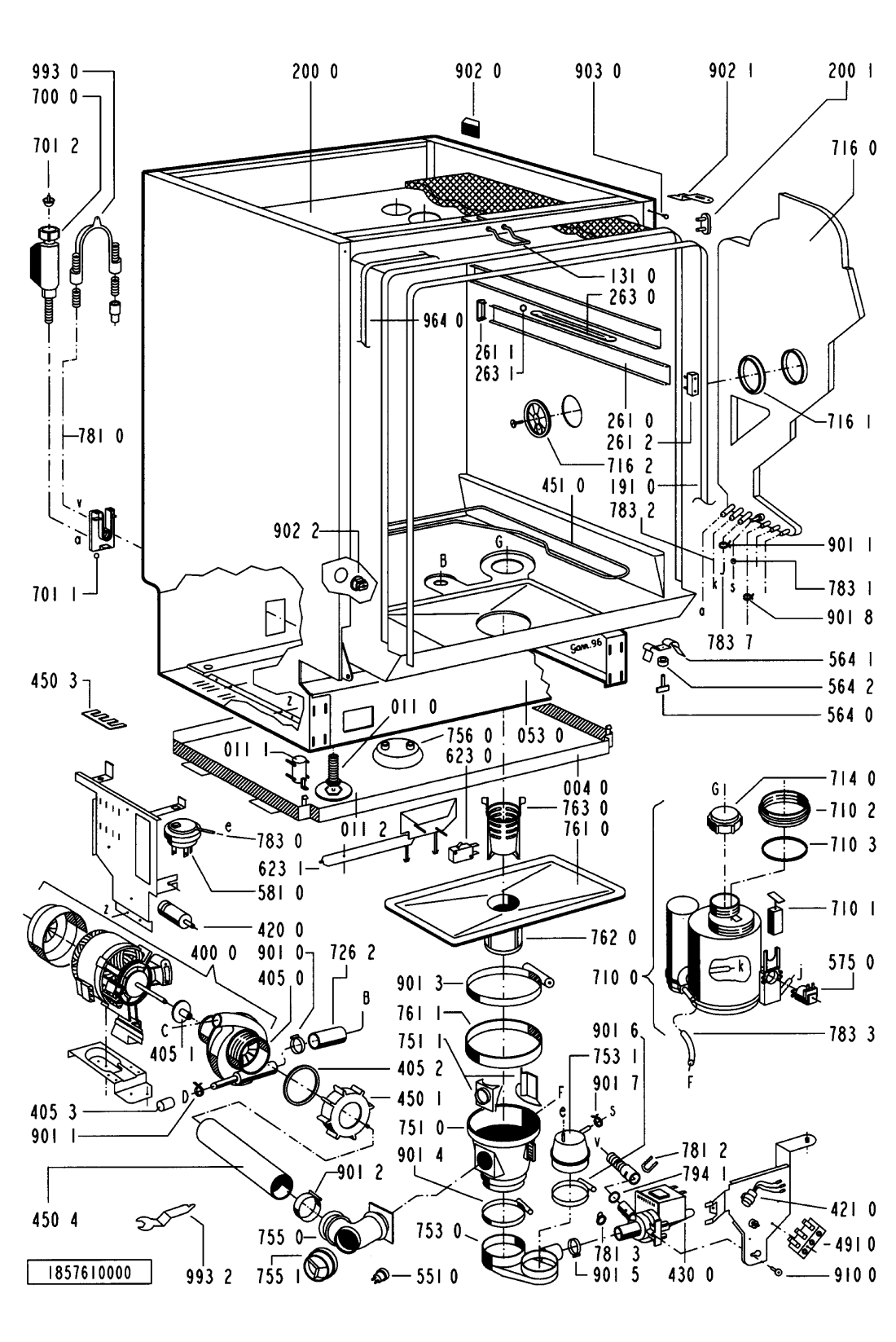
IGNIS ADL 837 ME
Zeptejte se. Rádi poradíme.
Marek Proche
Zákaznická podpora
Po–Čt 8:00—17:00
Pá 8:00—15:00
poradna@servis-whirlpool.cz
| Komerční kód: | ADL 837 ME |
| Kód 12NC/I.C. kód: | 854583701030 |
| Značka: | IGNIS |
| Typ produktu: | |
| Další podobné modely: | 854583701031 |
Potřebujete servis? Jsme tady pro Vás
Nabídka náhradních dílů
| Číslo | Kód | Název | Cena | ||
|---|---|---|---|---|---|
| 004 0 WHR112476 |
C00497920
481244018934 |
NADOBA HAVARIJNA PLAST N | Na dotaz | Zadat poptávku | |
| 011 0 WHR112476 |
C00340784
481950518163 |
noha dlouha plastova | 58 Kč
€ 2.40 |
||
| 011 1 WHR112476 |
C00498998
481940449079 |
Bracing f.foot | Na dotaz | Zadat poptávku | |
| 011 2 WHR112476 |
C00336256
481952878039 |
Slide disc | Na dotaz | Zadat poptávku | |
| 040 0 WHR112476 |
C00339772
481241718309 |
Hinge set | Na dotaz | Zadat poptávku | |
| 040 1 WHR112476 |
C00342318
481241718311 |
Cover,hinge set | Na dotaz | Zadat poptávku | |
| 044 0 WHR112476 |
C00498516
481249238011 |
PRUZINA DVERI LAVA DROT.SPIRALOVA N | Na dotaz | Zadat poptávku | |
| 044 1 WHR112476 |
C00341079
481249238012 |
Extension f. spring | Na dotaz | Zadat poptávku | |
| 044 2 WHR112476 |
C00336085
481249238047 |
Spring f.door right | Na dotaz | Zadat poptávku | |
| 045 0 WHR112476 |
C00344146
481240448114 |
Brake f.door | Na dotaz | Zadat poptávku | |
| 045 1 WHR112476 |
C00344529
481240118079 |
Band,brake | Na dotaz | Zadat poptávku | |
| 045 2 WHR112476 |
C00339483
481240118081 |
Hoop connection | Na dotaz | Zadat poptávku | |
| 053 0 WHR112476 |
C00498006
481244088023 |
lista soklu predni | Na dotaz | Zadat poptávku | |
| 054 0 WHR112476 |
C00340987
481231018088 |
Fastener set SSB60 | Na dotaz | Zadat poptávku | |
| 103 0 WHR112476 |
C00497917
481244018168 |
Door outer | Na dotaz | Zadat poptávku | |
| 105 0 WHR112476 |
C00316640
481240448108 |
drzak drevenych dver | Na dotaz | Zadat poptávku | |
| 105 1 WHR112476 |
C00499617
481953518045 |
Pin distance | Na dotaz | Zadat poptávku | |
| 105 2 WHR112476 |
C00498573
481250568004 |
PR?CHYTKA KOV N | Na dotaz | Zadat poptávku | |
| 120 0 WHR112476 |
C00497918
481244018474 |
VN?TRO DVER? *** KOV. N | Na dotaz | Zadat poptávku | |
| 121 0 WHR112476 |
C00344426
481240448577 |
Batten cpl. | Na dotaz | Zadat poptávku | |
| 130 0 WHR112476 |
C00335459
481241758019 |
zamek dveri | 662 Kč
€ 27.30 |
||
| 131 0 WHR112476 |
C00339494
481940118831 |
Hook lock | Na dotaz | Zadat poptávku | |
| 191 0 WHR112476 |
C00498453
481246668408 |
tesneni dveri obvod. | Na dotaz | Zadat poptávku | |
| 191 1 WHR112476 |
C00340456
481246668164 |
tesneni dveri vnitr. | 575 Kč
€ 23.70 |
||
| 192 0 WHR112476 |
C00340455
481246668163 |
Gasket door, lower | Na dotaz | Zadat poptávku | |
| 200 0 WHR112476 |
C00497799
481241818042 |
N?DRY kov *** N | Na dotaz | Zadat poptávku | |
| 200 1 WHR112476 |
C00499622
481953578066 |
PR?CHYTKA N?DRYE N | Na dotaz | Zadat poptávku | |
| 241 0 WHR112476 |
C00344450
481945868053 |
Basket upper straight GR | Na dotaz | Zadat poptávku | |
| 241 1 WHR112476 |
C00339634
481940479343 |
Holder cup GR | Na dotaz | Zadat poptávku | |
| 241 3 WHR112476 |
C00337183
481952878104 |
kolecko horn. kose | 146 Kč
€ 6.00 |
||
| 242 0 WHR112476 |
C00320044
481945868062 |
kos mycky spodni | Na dotaz | Zadat poptávku | |
| 242 1 WHR112476 |
C00337185
481952878105 |
kolecko spod.kose | 313 Kč
€ 12.90 |
||
| 243 0 WHR112476 |
C00344487
481945868046 |
Basket cutlery | Na dotaz | Zadat poptávku | |
| 261 0 WHR112476 |
C00336926
481946238271 |
Rail telescope, inner | Na dotaz | Zadat poptávku | |
| 261 1 WHR112476 |
C00342817
481946279968 |
Cap rail GR | Na dotaz | Zadat poptávku | |
| 261 2 WHR112476 |
C00342818
481946279969 |
CAP RAIL AHEAD GR | Na dotaz | Zadat poptávku | |
| 263 0 WHR112476 |
C00311960
481952018013 |
Ball cage cpl. | Na dotaz | Zadat poptávku | |
| 263 1 WHR112476 |
C00332297
481252048001 |
Ball Niro 8 D | Na dotaz | Zadat poptávku | |
| 301 0 WHR112476 |
C00486633
481945319858 |
Control panel IN | Na dotaz | Zadat poptávku | |
| 303 0 WHR112476 |
C00742461
481246058301 |
Handle BK/IN | Na dotaz | Zadat poptávku | |
| 305 0 WHR112476 |
C00742462
481944019298 |
lista nastav.BK/IX | Na dotaz | Zadat poptávku | |
| 305 1 WHR112476 |
C00333202
481950218241 |
Screw synthetic | Na dotaz | Zadat poptávku | |
| 305 2 WHR112476 |
C00333238
481950518191 |
matice | Na dotaz | Zadat poptávku | |
| 331 0 WHR112476 |
C00742463
481241358838 |
knoflik ovladaci NB | Na dotaz | Zadat poptávku | |
| 400 0 WHR112476 |
C00315329
481236158007 |
motor myčky komplet | 3 909 Kč
€ 161.30 |
||
| 405 0 WHR112476 |
C00497491
481236018014 |
CIRKULACNE CERPADLO ADP LOP. N | Na dotaz | Zadat poptávku | |
| 405 1 WHR112476 |
C00333259
481951528158 |
podlozka | 358 Kč
€ 14.80 |
||
| 405 2 WHR112476 |
C00340511
481946669401 |
tesneni | Na dotaz | Zadat poptávku | |
| 405 3 WHR112476 |
C00499133
481944019139 |
GUMEN? Z?SLEPKA N | Na dotaz | Zadat poptávku | |
| 420 0 WHR112476 |
C00316189
481212118129 |
Rozběhový kondenzátor 3 uF myčky Whirlpool | 52 Kč
€ 2.10 |
||
| 421 0 WHR112476 |
C00338668
481912118063 |
Interf.filter | Na dotaz | Zadat poptávku | |
| 430 0 WHR112476 |
C00497492
481236018022 |
cerpadlo vypousteci | Na dotaz | Zadat poptávku | |
| 450 1 WHR112476 |
C00499600
481953268332 |
NASTAVOVACIA MATICA N | Na dotaz | Zadat poptávku | |
| 450 3 WHR112476 |
C00335885
481940479291 |
Support | Na dotaz | Zadat poptávku | |
| 450 4 WHR112476 |
C00337403
481953028996 |
Tube | Na dotaz | Zadat poptávku | |
| 451 0 WHR112476 |
C00337379
481925928892 |
Tube,heating | Na dotaz | Zadat poptávku | |
| 480 0 WHR112476 |
C00742472
481932058325 |
Cable harness | Na dotaz | Zadat poptávku | |
| 480 3 WHR112476 |
C00342877
481229048003 |
Cable separator | Na dotaz | Zadat poptávku | |
| 491 0 WHR112476 |
C00497375
481229068051 |
SVORKOVNICA N | Na dotaz | Zadat poptávku | |
| 501 0 WHR112476 |
C00498880
481928218721 |
PROGRAMATOR EC4649.01 N | Na dotaz | Zadat poptávku | |
| 551 0 WHR112476 |
C00335529
481928248198 |
termostat 65 C | 407 Kč
€ 16.80 |
||
| 564 0 WHR112476 |
C00335482
481928248315 |
Thermostat safety | Na dotaz | Zadat poptávku | |
| 564 1 WHR112476 |
C00339668
481940479292 |
Holder | Na dotaz | Zadat poptávku | |
| 564 2 WHR112476 |
C00340531
481953268811 |
tesneni termostatu | Na dotaz | Zadat poptávku | |
| 575 0 WHR112476 |
C00337288
481928128184 |
Valve magnet regen. | Na dotaz | Zadat poptávku | |
| 581 0 WHR112476 |
C00337569
481927129004 |
Pressostat | Na dotaz | Zadat poptávku | |
| 623 0 WHR112476 |
C00621539
481927138108 |
mikrospinac plovaku | Na dotaz | Zadat poptávku | |
| 623 1 WHR112476 |
C00492309
481940449775 |
Holder f.microswitsch | Na dotaz | Zadat poptávku | |
| 633 0 WHR112476 |
C00341742
481927318252 |
Microswitch door | Na dotaz | Zadat poptávku | |
| 680 0 WHR112476 |
C00497848
481241868119 |
N?DOBA NA SOL plast N | Na dotaz | Zadat poptávku | |
| 680 1 WHR112476 |
C00499486
481946818253 |
Gasket set | Na dotaz | Zadat poptávku | |
| 681 0 WHR112476 |
C00335469
481246278311 |
uzaver davkovadla | Na dotaz | Zadat poptávku | |
| 681 1 WHR112476 |
C00340470
481246668444 |
Těsnění oplachu | Na dotaz | Zadat poptávku | |
| 682 0 WHR112476 |
C00340471
481246668445 |
Gasket cover set | Na dotaz | Zadat poptávku | |
| 700 0 WHR112476 |
C00337227
481253028804 |
Wasserstopp-Zulaufschlauch XSSG4000 | Na dotaz | Zadat poptávku | |
| 700 0 WHR112476 |
C00339220
481253028788 |
Hose, inlet aqua stop | Na dotaz | Zadat poptávku | |
| 701 1 WHR112476 |
C00327323
481231018153 |
Držák hadic | 666 Kč
€ 27.50 |
||
| 701 2 WHR112476 |
C00318772
482248050159 |
Sieve inlet | Na dotaz | Zadat poptávku | |
| 710 0 WHR112476 |
C00497847
481241868108 |
zasobnik soli | Na dotaz | Zadat poptávku | |
| 710 1 WHR112476 |
C00340822
481936058381 |
Floater | Na dotaz | Zadat poptávku | |
| 710 2 WHR112476 |
C00319772
481931038536 |
matice upevnovaci-náhrada 481231038896 | Na dotaz | Zadat poptávku | |
| 710 3 WHR112476 |
C00315128
481946669562 |
Gasket set | Na dotaz | Zadat poptávku | |
| 714 0 WHR112476 |
C00335466
481946278885 |
uzaver zasob. soli | Na dotaz | Zadat poptávku | |
| 716 0 WHR112476 |
C00336901
481241868115 |
Reg.dosage set | Na dotaz | Zadat poptávku | |
| 716 1 WHR112476 |
C00340532
481946669037 |
tesneni napaj. bloku | 83 Kč
€ 3.40 |
||
| 716 2 WHR112476 |
C00342842
481946278504 |
mrizka bloku | Na dotaz | Zadat poptávku | |
| 721 0 WHR112476 |
C00339173
481953588105 |
Hub lower cpl. GR | Na dotaz | Zadat poptávku | |
| 721 1 WHR112476 |
C00318304
481953598619 |
RAMENO UMYVACKY | Na dotaz | Zadat poptávku | |
| 721 2 WHR112476 |
C00499531
481950518357 |
Nut coupling GR | Na dotaz | Zadat poptávku | |
| 721 3 WHR112476 |
C00499530
481950518354 |
UPEVEOVACIA MATICA SPODN? N | Na dotaz | Zadat poptávku | |
| 721 4 WHR112476 |
C00340440
481946669398 |
krouzek spod.ramene | Na dotaz | Zadat poptávku | |
| 721 5 WHR112476 |
C00337985
481250218021 |
Nut rotor lower | Na dotaz | Zadat poptávku | |
| 722 0 WHR112476 |
C00319050
481953598621 |
rameno myci horni | Na dotaz | Zadat poptávku | |
| 722 2 WHR112476 |
C00344378
481953588107 |
naboj horniho rameno | Na dotaz | Zadat poptávku | |
| 722 3 WHR112476 |
C00340510
481946669396 |
Gasket | Na dotaz | Zadat poptávku | |
| 722 4 WHR112476 |
C00499425
481946669399 |
O - KR?YOK HORN# N | Na dotaz | Zadat poptávku | |
| 723 0 WHR112476 |
C00336474
481936069675 |
Set of nozzles GR | Na dotaz | Zadat poptávku | |
| 723 1 WHR112476 |
C00499422
481946668908 |
TESNENIE HORNEJ D#ZY N | Na dotaz | Zadat poptávku | |
| 725 0 WHR112476 |
C00340629
481953288044 |
Funnel GR | Na dotaz | Zadat poptávku | |
| 726 0 WHR112476 |
C00339428
481253028746 |
Hose | Na dotaz | Zadat poptávku | |
| 726 1 WHR112476 |
C00499568
481953028539 |
hadice od cirk.teles vyřazeno | Na dotaz | Zadat poptávku | |
| 726 2 WHR112476 |
C00339390
481953028538 |
Hadice k spodnimu ramenu myčky Whirlpool, Bauknecht, Ignis | Na dotaz | Zadat poptávku | |
| 751 0 WHR112476 |
C00337217
481241818043 |
Water collector | Na dotaz | Zadat poptávku | |
| 751 1 WHR112476 |
C00337377
481951528157 |
Tube stabilizer cpl. | Na dotaz | Zadat poptávku | |
| 753 0 WHR112476 |
C00318747
481253028095 |
hadice fil-cerp-vzdu | Na dotaz | Zadat poptávku | |
| 753 1 WHR112476 |
C00342741
481253028736 |
Chamber,air | Na dotaz | Zadat poptávku | |
| 755 0 WHR112476 |
C00318745
481253028094 |
spojka tvarova-kolen | 878 Kč
€ 36.20 |
||
| 755 1 WHR112476 |
C00318025
481940449567 |
drzak termostatuOV | Na dotaz | Zadat poptávku | |
| 756 0 WHR112476 |
C00492247
481936058411 |
plovak | Na dotaz | Zadat poptávku | |
| 761 0 WHR112476 |
C00320127
481248058048 |
sitko jemne | 198 Kč
€ 8.20 |
||
| 761 1 WHR112476 |
C00499599
481953268331 |
tesneni sberne nadob | Na dotaz | Zadat poptávku | |
| 762 0 WHR112476 |
C00499490
481948058084 |
filtr jemny | Na dotaz | Zadat poptávku | |
| 763 0 WHR112476 |
C00336299
481248058049 |
filtr hruby | Na dotaz | Zadat poptávku | |
| 781 0 WHR112476 |
C00314840
481253028737 |
hadice vytok. mycky | 529 Kč
€ 21.80 |
||
| 781 2 WHR112476 |
C00343290
481949268405 |
Clip f.non-return valv - 6234.45485 | Na dotaz | Zadat poptávku | |
| 781 3 WHR112476 |
C00340846
481236058095 |
Flap f.non-return valvf.non-return va | Na dotaz | Zadat poptávku | |
| 783 0 WHR112476 |
C00498609
481253028097 |
HADICA VZDU?N?K - HLAD. SP?NAA N | Na dotaz | Zadat poptávku | |
| 783 1 WHR112476 |
C00339430
481953028997 |
Hose | Na dotaz | Zadat poptávku | |
| 783 2 WHR112476 |
C00499580
481953028998 |
Hose | Na dotaz | Zadat poptávku | |
| 783 3 WHR112476 |
C00499581
481953028999 |
Hose | Na dotaz | Zadat poptávku | |
| 783 7 WHR112476 |
C00499582
481953029002 |
Hose | Na dotaz | Zadat poptávku | |
| 794 1 WHR112476 |
C00499487
481946818254 |
Gasket | Na dotaz | Zadat poptávku | |
| 901 0 WHR112476 |
C00335958
481940118808 |
Strap 30 mm | Na dotaz | Zadat poptávku | |
| 901 1 WHR112476 |
C00335961
481940118809 |
Strap 17,5 mm | Na dotaz | Zadat poptávku | |
| 901 2 WHR112476 |
C00319874
481940118811 |
Strap 47 mm | Na dotaz | Zadat poptávku | |
| 901 3 WHR112476 |
C00335963
481940118821 |
Strap 130-150 | Na dotaz | Zadat poptávku | |
| 901 4 WHR112476 |
C00335950
481940118813 |
Strap 82 mm | Na dotaz | Zadat poptávku | |
| 901 5 WHR112476 |
C00335955
481940118814 |
Strap 42,5 mm | Na dotaz | Zadat poptávku | |
| 901 6 WHR112476 |
C00335954
481940118815 |
Strap 60 mm | Na dotaz | Zadat poptávku | |
| 901 7 WHR112476 |
C00335964
481940118816 |
Strap 13,5 mm | Na dotaz | Zadat poptávku | |
| 901 8 WHR112476 |
C00335952
481940118812 |
Strap 8 mm | Na dotaz | Zadat poptávku | |
| 902 0 WHR112476 |
C00336192
481931088027 |
Spacer | Na dotaz | Zadat poptávku | |
| 902 1 WHR112476 |
C00491959
481246678361 |
uhelnik upevnovaci | Na dotaz | Zadat poptávku | |
| 902 2 WHR112476 |
C00497374
481229048007 |
PRIECHODKA PR?VODOVEJ ?N?RY N | Na dotaz | Zadat poptávku | |
| 903 0 WHR112476 |
C00499421
481946668905 |
DORAZ DVER? N | Na dotaz | Zadat poptávku | |
| 910 0 WHR112476 |
C00336678
481950218464 |
Screw | Na dotaz | Zadat poptávku | |
| 910 1 WHR112476 |
C00336679
481250218019 |
Screw | Na dotaz | Zadat poptávku | |
| 964 0 WHR112476 |
C00335598
481246058096 |
PÁSKA | Na dotaz | Zadat poptávku | |
| 993 0 WHR112476 |
C00344289
481253048017 |
Bow | Na dotaz | Zadat poptávku | |
| 993 2 WHR112476 |
C00338663
481239588012 |
Key tool f.foot | Na dotaz | Zadat poptávku | |
| 993 5 WHR112476 |
C00335151
482253280216 |
SALT FUNNEL | Na dotaz | Zadat poptávku | |