WHIRLPOOL ADP 4427 WH
 
             
                 
                
    Zeptejte se. Rádi poradíme.
    
        
            
                
                     
              
        
        
            
    
    
             
            Marek Proche
                    
Zákaznická podpora
            
Po–Čt 8:00—17:00
                
Pá 8:00—15:00             
            
        
            
        poradna@servis-whirlpool.cz     
    
    
| Komerční kód: | ADP 4427 WH | 
| Kód 12NC: | 851177010840 | 
| I.C. kód: | 851177010841 | 
| Značka: | WHIRLPOOL | 
| Typ produktu: | Myčky | 
| Další podobné modely: | 851177010840 | 
Potřebujete servis? Jsme tady pro Vás
Nabídka náhradních dílů
| Číslo | Kód | Název | Cena | ||
|---|---|---|---|---|---|
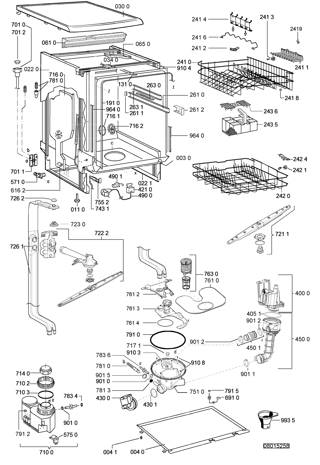
| 003 0 WHR19638 | C00328008 481244011455 | LISTA ADP962/3 | Na dotaz | Zadat poptávku | |
| 004 0 WHR19638 | C00317159 481244011463 | Krycí plech spodní myčky Whirlpool | 568 Kč € 23.30 | ||
| 004 1 WHR19638 | C00317898 481240118402 | drzak | Na dotaz | Zadat poptávku | |
| 011 0 WHR19638 | C00318445 481250518419 | noha nastavitelna | 186 Kč € 7.60 | ||
| 022 0 WHR19638 | C00327954 481244010755 | stena bocni leva | Na dotaz | Zadat poptávku | |
| 022 1 WHR19638 | C00327953 481244010754 | stena bocni prava | Na dotaz | Zadat poptávku | |
| 030 0 WHR19638 | C00327354 481231019122 | deska horni mycky | Na dotaz | Zadat poptávku | |
| 034 0 WHR19638 | C00329171 481240478237 | PRICHYTKA | Na dotaz | Zadat poptávku | |
| 040 1 WHR19638 | C00313635 481231019244 | Hinge | Na dotaz | Zadat poptávku | |
| 040 3 WHR19638 | C00317957 481241719172 | Protector f.door white SKIT | Na dotaz | Zadat poptávku | |
| 044 0 WHR19638 | C00312167 481249238358 | pruzina | 761 Kč € 31.30 | ||
| 047 0 WHR19638 | C00311044 481240448746 | Brzda dveří | 29 Kč € 1.20 | ||
| 047 1 WHR19638 | C00311072 481240118707 | Brzdná páska dveří myčky nádobí Whirlpool, Ignis | 134 Kč € 5.50 | ||
| 047 2 WHR19638 | C00311951 481240468023 | hak brzdne pasky | 154 Kč € 6.30 | ||
| 053 0 WHR19638 | C00328411 481244089144 | Plinth WH | Na dotaz | Zadat poptávku | |
| 053 4 WHR19638 | C00328391 481244089036 | Plinth rounded | Na dotaz | Zadat poptávku | |
| 061 0 WHR19638 | C00331004 481246688672 | senzor hmotnosti | Na dotaz | Zadat poptávku | |
| 065 0 WHR19638 | C00330893 481246648051 | izolace | Na dotaz | Zadat poptávku | |
| 103 0 WHR19638 | C00327955 481244010758 | dvere mycky vnejsi | Na dotaz | Zadat poptávku | |
| 120 0 WHR19638 | C00314067 481244011718 | Vnitřní plech dveří myčky Whirlpool, Bauknecht | 3 296 Kč € 135.40 | ||
| 120 1 WHR19638 | C00322624 480140100772 | Ledge | Na dotaz | Zadat poptávku | |
| 130 0 WHR19638 | C00311942 481241758398 | Zámek dveří, blokování, blokace myčky nádobí Whirlpool, Indesit | 1 130 Kč € 46.40 | ||
| 131 0 WHR19638 | C00314010 481240118416 | pojistka zamku | 1 376 Kč € 56.50 | ||
| 191 0 WHR19638 | C00311041 481246668564 | Těsnění dveří myčky - obvodové | 654 Kč € 26.90 | ||
| 192 0 WHR19638 | C00313059 481246668912 | Spodní těsnění dveří myčky nádobí Whirlpool, Ignis | 213 Kč € 8.80 | ||
| 241 0 WHR19638 | C00319119 481245819379 | Basket upper straight VBL 9.8132 | Na dotaz | Zadat poptávku | |
| 241 1 WHR19638 | C00314727 481245819264 | Držák sklenic | 724 Kč € 29.80 | ||
| 241 2 WHR19638 | C00315630 481253578095 | pouzdro | Na dotaz | Zadat poptávku | |
| 241 3 WHR19638 | C00312273 481252888113 | Kolečka horn.koše - 4ks | 585 Kč € 24.00 | ||
| 241 4 WHR19638 | C00327347 481231019011 | drzak sklenic | Na dotaz | Zadat poptávku | |
| 241 6 WHR19638 | C00319117 481245819355 | Držák sklenic | 190 Kč € 7.80 | ||
| 241 8 WHR19638 | C00311091 481246668848 | Distanční díl horního koše myčky nádobí Whirlpool, Ignis | 313 Kč € 12.90 | ||
| 241 9 WHR19638 | C00311550 481252888117 | Držák kolečka myčky Whirlpool, Ignis - komplet | 421 Kč € 17.30 | ||
| 242 0 WHR19638 | C00330103 481245819389 | Koš myčky - spodní | Na dotaz | Zadat poptávku | |
| 242 1 WHR19638 | C00311316 481252888112 | Kolečko spodního koše - sada 8 ks | 925 Kč € 38.00 | ||
| 242 4 WHR19638 | C00314546 481246648102 | doraz kose | 97 Kč € 4.00 | ||
| 243 5 WHR19638 | C00311331 481231038897 | Cutlery basket KIT soft 10809/10752 | Na dotaz | Zadat poptávku | |
| 243 6 WHR19638 | C00314807 481245819296 | Mřížka košíku na příbory myčky nádobí Whirlpool | 641 Kč € 26.30 | ||
| 261 0 WHR19638 | C00311448 481246279831 | Rail telescope, inner | Na dotaz | Zadat poptávku | |
| 261 1 WHR19638 | C00311245 481246279768 | Koncovka kolejnice - zadní | Na dotaz | Zadat poptávku | |
| 261 2 WHR19638 | C00311243 481246279986 | Koncovka kolejnice | Na dotaz | Zadat poptávku | |
| 263 0 WHR19638 | C00311960 481952018013 | Ball cage cpl. | Na dotaz | Zadat poptávku | |
| 263 1 WHR19638 | C00311847 481231048026 | kulicka plastova | 320 Kč € 13.10 | ||
| 301 0 WHR19638 | C00463769 481245373659 | panel ovladaci | Na dotaz | Zadat poptávku | |
| 301 1 WHR19638 | C00315190 481245918288 | logo | 150 Kč € 6.20 | ||
| 303 1 WHR19638 | C00312754 481246038148 | rukojet | 959 Kč € 39.40 | ||
| 331 0 WHR19638 | C00318439 481241359155 | knoflik programatoru | 309 Kč € 12.70 | ||
| 332 0 WHR19638 | C00319807 481241029163 | Tlačítko start | 361 Kč € 14.80 | ||
| 332 3 WHR19638 | C00315411 481241029437 | Tlačítko | 392 Kč € 16.10 | ||
| 350 2 WHR19638 | C00317834 481238128068 | svetlovod | Na dotaz | Zadat poptávku | |
| 400 0 WHR19638 | C00320731 480140100848 | Motor, SET MPH PERM 220/230V EUR | Na dotaz | Zadat poptávku | |
| 405 1 WHR19638 | C00322630 480140100908 | tesneni | 180 Kč € 7.40 | ||
| 421 0 WHR19638 | C00311367 481212118276 | Interf.filter | Na dotaz | Zadat poptávku | |
| 430 0 WHR19638 | C00311158 481236018558 | Čerpadlo myčky Whirlpool, Bauknecht - vypouštěcí 481236018558 | 380 Kč € 15.60 | ||
| 430 1 WHR19638 | C00317755 481246668689 | tesneni | 501 Kč € 20.60 | ||
| 450 0 WHR19638 | C00315172 480131000096 | Heating element +pump housing 220-230V | Na dotaz | Zadat poptávku | |
| 450 1 WHR19638 | C00312781 480140100778 | Hadice myčky Whirlpool vnitřní + spona | 219 Kč € 9.00 | ||
| 480 0 WHR19638 | C00313136 481232128499 | kabelaz | Na dotaz | Zadat poptávku | |
| 480 0 WHR19638 | C00318328 480140101442 | kabelaz | Na dotaz | Zadat poptávku | |
| 480 3 WHR19638 | C00311055 480140100687 | Kryt kabeláže myček Whirlpool, Ignis o šířce 60 cm | 755 Kč € 31.00 | ||
| 490 0 WHR19638 | C00316393 481932118136 | Flexo kabel 2 m, konektory | Na dotaz | Zadat poptávku | |
| 490 1 WHR19638 | C00309418 481232128367 | Přechodka | 324 Kč € 13.30 | ||
| 521 0 WHR19638 | C00312894 481221838522 | User board (CB) SAM BASIC | Na dotaz | Zadat poptávku | |
| 521 0 WHR19638 | C00456337 481221838681 | programator mycky h. | Na dotaz | Zadat poptávku | |
| 521 8 WHR19638 | C00314532 481253078066 | Osa knoflíku | 405 Kč € 16.60 | ||
| 571 0 WHR19638 | C00311288 481228128462 | Napouštecí ventil myčky - jednocestný, přímý | 980 Kč € 40.30 | ||
| 575 0 WHR19638 | C00314610 481231019146 | ventil regeneracni | 2 016 Kč € 82.80 | ||
| 616 2 WHR19638 | C00311116 481231019147 | Senzor průtokoměru | 1 158 Kč € 47.60 | ||
| 621 0 WHR19638 | C00311983 481227618495 | Spínač hlavní | 888 Kč € 36.50 | ||
| 621 0 WHR19638 | C00314725 480140100929 | Spínač ON/OFF | 1 030 Kč € 42.30 | ||
| 633 0 WHR19638 | C00319289 481227138488 | Microswitch door | Na dotaz | Zadat poptávku | |
| 680 0 WHR19638 | C00311789 481241868371 | Combidosage | Na dotaz | Zadat poptávku | |
| 680 1 WHR19638 | C00314550 481246668495 | Těsnění násypky | 547 Kč € 22.50 | ||
| 680 3 WHR19638 | C00328081 481244011725 | Lever,fastener | Na dotaz | Zadat poptávku | |
| 681 1 WHR19638 | C00313952 481246668497 | Gasket SK 5244.04.04 | Na dotaz | Zadat poptávku | |
| 681 2 WHR19638 | C00316126 481244018975 | klapka | 527 Kč € 21.70 | ||
| 682 0 WHR19638 | C00319741 481246668496 | tesneni nasypky | 126 Kč € 5.20 | ||
| 691 0 WHR19638 | C00311048 481228268051 | Senzor NTC | 960 Kč € 39.40 | ||
| 701 0 WHR19638 | C00309500 481953028928 | hadice napousteci | Na dotaz | Zadat poptávku | |
| 701 1 WHR19638 | C00319991 481231018302 | drzak hadic | Na dotaz | Zadat poptávku | |
| 701 2 WHR19638 | C00318772 482248050159 | Sieve inlet | Na dotaz | Zadat poptávku | |
| 710 0 WHR19638 | C00312413 481241868372 | zasobnik soli | 2 563 Kč € 105.30 | ||
| 710 2 WHR19638 | C00316961 481231038896 | matice k zásobníku soli pro myčku Whirlpool | 149 Kč € 6.10 | ||
| 710 3 WHR19638 | C00322603 480140100416 | Těsnění zásobníku soli | 410 Kč € 16.80 | ||
| 714 0 WHR19638 | C00312631 481246279906 | uzaver zasob. soli | 632 Kč € 26.00 | ||
| 716 0 WHR19638 | C00310997 481241868368 | Změkčovač s průtokoměrem,Labyrint do myčky Whirlpool | 1 523 Kč € 62.60 | ||
| 716 1 WHR19638 | C00315959 481246668475 | Gasket | Na dotaz | Zadat poptávku | |
| 716 2 WHR19638 | C00311305 481246278994 | mrizka bloku upravy vody | 302 Kč € 12.40 | ||
| 717 1 WHR19638 | C00330750 481246279793 | Stopper | Na dotaz | Zadat poptávku | |
| 721 1 WHR19638 | C00311132 481236068689 | Spray arm lower. cpl. sa | Na dotaz | Zadat poptávku | |
| 722 2 WHR19638 | C00311304 481236068693 | Spray arm 2nd level cpl. saph | Na dotaz | Zadat poptávku | |
| 723 0 WHR19638 | C00312540 481236068691 | Douche ceiling | Na dotaz | Zadat poptávku | |
| 726 1 WHR19638 | C00313019 481253029331 | Trubka rozvodu vody do horního ramene myčky nádobí Whirlpool, Ignis | 601 Kč € 24.70 | ||
| 726 2 WHR19638 | C00314925 481250518208 | matice plast | 286 Kč € 11.80 | ||
| 743 1 WHR19638 | C00314290 481253028102 | Hadička | 82 Kč € 3.40 | ||
| 751 0 WHR19638 | C00315548 481241818598 | nadoba sberna | Na dotaz | Zadat poptávku | |
| 755 2 WHR19638 | C00332503 481253048148 | Přepadový kanál levý | 206 Kč € 8.50 | ||
| 761 0 WHR19638 | C00313265 481248058122 | sitko jemne | Na dotaz | Zadat poptávku | |
| 761 2 WHR19638 | C00311695 481241818337 | kryt | Na dotaz | Zadat poptávku | |
| 761 3 WHR19638 | C00311568 481241818341 | Cover | Na dotaz | Zadat poptávku | |
| 761 4 WHR19638 | C00311339 481253058141 | Spodní těsnění k přívodu vody do mycích ramen myčky Whirlpool ADG 2040 FD, 5720 IX, ADG 6 | 174 Kč € 7.20 | ||
| 763 0 WHR19638 | C00313492 481248058363 | Sieve | Na dotaz | Zadat poptávku | |
| 781 0 WHR19638 | C00311031 481253029113 | Hadice výtoková na myčku Whirlpool | 161 Kč € 6.60 | ||
| 781 3 WHR19638 | C00317931 481228128417 | Klapka zpětná | 697 Kč € 28.60 | ||
| 783 4 WHR19638 | C00314292 481253028888 | Hadice myčky Whirlpool, Ignis | 58 Kč € 2.40 | ||
| 783 6 WHR19638 | C00332409 481253028796 | Hose 10x3x180+10 | Na dotaz | Zadat poptávku | |
| 791 0 WHR19638 | C00313003 481253268099 | Těsnění jímky (spodní nádoby) myčky nádobí Whirlpool ADG 5720 FD A+, ADG 6240 FD, ADG 772 | 636 Kč € 26.10 | ||
| 791 2 WHR19638 | C00312677 481253058093 | Gasket SK 5199 01 4 | Na dotaz | Zadat poptávku | |
| 791 5 WHR19638 | C00330909 481246668504 | tesneni | 333 Kč € 13.70 | ||
| 901 0 WHR19638 | C00311521 481240118709 | Clamp hose S10-16/9-C7W1 | Na dotaz | Zadat poptávku | |
| 901 1 WHR19638 | C00311510 481240118708 | SPONA | 93 Kč € 3.80 | ||
| 901 2 WHR19638 | C00312178 481240118705 | spona na hadici | 56 Kč € 2.30 | ||
| 901 5 WHR19638 | C00311821 481240148588 | SPONA 028,6 | 75 Kč € 3.10 | ||
| 910 1 WHR19638 | C00311881 481250218394 | Šroub | 74 Kč € 3.00 | ||
| 910 2 WHR19638 | C00316659 481250218363 | Šroub | 191 Kč € 7.80 | ||
| 910 3 WHR19638 | C00332082 481250218527 | Screw 4x15 T204x15 T20 | Na dotaz | Zadat poptávku | |
| 910 4 WHR19638 | C00332116 481250218741 | Screw M3,5x8-T15M | Na dotaz | Zadat poptávku | |
| 910 5 WHR19638 | C00318399 481250218739 | sroub | Na dotaz | Zadat poptávku | |
| 910 7 WHR19638 | C00314887 481250218397 | Screw INOX A2 M 5x14 TX20 | Na dotaz | Zadat poptávku | |
| 910 8 WHR19638 | C00345781 481250218389 | sroub 5x20-TORX | 76 Kč € 3.10 | ||
| 910 9 WHR19638 | C00314583 481240118706 | sroub | 29 Kč € 1.20 | ||
| 964 0 WHR19638 | C00330944 481246668866 | Těsnění myčky levé/pravé (v balení 1ks) | 545 Kč € 22.40 | ||
| 993 5 WHR19638 | C00335151 482253280216 | SALT FUNNEL | Na dotaz | Zadat poptávku | |
| 999 WHR19638 | C00347970 | Testprogram WHP | Na dotaz | Zadat poptávku | |