WHIRLPOOL AGB 245/WP WES70MP - 70KG High spin wash
Zeptejte se. Rádi poradíme.
Marek Proche
Zákaznická podpora
Po–Čt 8:00—17:00
Pá 8:00—15:00
poradna@servis-whirlpool.cz
| Komerční kód: | AGB 245/WP WES70MP - 70KG High spin wash |
| Kód 12NC/I.C. kód: | 851224501000 |
| Značka: | WHIRLPOOL |
| Typ produktu: | Profesionální pračky a sušičky |
Potřebujete servis? Jsme tady pro Vás
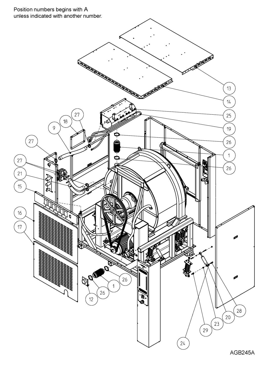
Nabídka náhradních dílů
| Číslo | Kód | Název | Cena | ||
|---|---|---|---|---|---|
| A01 WHR67402 |
C00501068
483286001157 |
Drainpipe | Na dotaz | Zadat poptávku | |
| A09 WHR67402 |
C00524278
483286001147 |
Hose D 48X57 | Na dotaz | Zadat poptávku | |
| A12 WHR67402 |
C00524279
483286001151 |
Spout | Na dotaz | Zadat poptávku | |
| A13 WHR67402 |
C00421712
483286003694 |
Cover front | Na dotaz | Zadat poptávku | |
| A14 WHR67402 |
C00421713
483286003695 |
Cover behind | Na dotaz | Zadat poptávku | |
| A15 WHR67402 |
C00421714
483286003696 |
Rear panel | Na dotaz | Zadat poptávku | |
| A16 WHR67402 |
C00524283
483286001164 |
Rear panel central | Na dotaz | Zadat poptávku | |
| A17 WHR67402 |
C00524284
483286001165 |
Rear panel lower | Na dotaz | Zadat poptávku | |
| A18 WHR67402 |
C00524285
483286001166 |
Panel | Na dotaz | Zadat poptávku | |
| A19 WHR67402 |
C00524582
483286008255 |
Hose rubber D 13mm | Na dotaz | Zadat poptávku | |
| A20 WHR67402 |
C00524286
483286001167 |
Shock absorber | Na dotaz | Zadat poptávku | |
| A21 WHR67402 |
C00524287
483286001168 |
Tube bend | Na dotaz | Zadat poptávku | |
| A23 WHR67402 |
C00524742
483286008564 |
Screw M8 | Na dotaz | Zadat poptávku | |
| A24 WHR67402 |
C00501095
483286008387 |
Counternut M10 | Na dotaz | Zadat poptávku | |
| A25 WHR67402 |
C00524280
483286001152 |
Clamp fixation 18-28 | Na dotaz | Zadat poptávku | |
| A26 WHR67402 |
C00524652
483286008392 |
Clamp fixation 68-85 | Na dotaz | Zadat poptávku | |
| A27 WHR67402 |
C00524653
483286008393 |
Clamp fixation 50-70 | Na dotaz | Zadat poptávku | |
| A28 WHR67402 |
C00524281
483286001153 |
Screw M8XDM10X50 | Na dotaz | Zadat poptávku | |
| A29 WHR67402 |
C00524282
483286001154 |
Screw M10XDM12X30 | Na dotaz | Zadat poptávku | |
| B03 WHR67402 |
C00524289
483286001171 |
Fastener Rubber | Na dotaz | Zadat poptávku | |
| B04 WHR67402 |
C00524351
483286001363 |
Cutter Rubber below | Na dotaz | Zadat poptávku | |
| B05 WHR67402 |
C00524352
483286001364 |
Cutter Rubber Side | Na dotaz | Zadat poptávku | |
| B06 WHR67402 |
C00524306
483286001226 |
Side panel upper | Na dotaz | Zadat poptávku | |
| B07 WHR67402 |
C00524307
483286001227 |
Side panel lower | Na dotaz | Zadat poptávku | |
| B08 WHR67402 |
C00524304
483286001224 |
Side panel right | Na dotaz | Zadat poptávku | |
| B09 WHR67402 |
C00524305
483286001225 |
Side panel left | Na dotaz | Zadat poptávku | |
| B10 WHR67402 |
C00501083
483286008247 |
Button press Emergency red | Na dotaz | Zadat poptávku | |
| B11 WHR67402 |
C00581002
483286008248 |
Switch | Na dotaz | Zadat poptávku | |
| B12 WHR67402 |
C00524308
483286001228 |
Batten Rubber | Na dotaz | Zadat poptávku | |
| B13 WHR67402 |
C00501132
483286009107 |
Keyboard IM 6 | Na dotaz | Zadat poptávku | |
| B14 WHR67402 |
C00581003
483286008264 |
Disc Emergency | Na dotaz | Zadat poptávku | |
| B15 WHR67402 |
C00524127
483286000677 |
Screw M4 | Na dotaz | Zadat poptávku | |
| B16 WHR67402 |
C00524628
483286008347 |
Nut M5 self-blocking | Na dotaz | Zadat poptávku | |
| B17 WHR67402 |
C00524602
483286008293 |
Rosette 6x18 | Na dotaz | Zadat poptávku | |
| B18 WHR67402 |
C00524264
483286001064 |
Rosette 4X9 | Na dotaz | Zadat poptávku | |
| B19 WHR67402 |
C00524606
483286008297 |
Screw hexa.M6x20 | Na dotaz | Zadat poptávku | |
| B20 WHR67402 |
C00524309
483286001229 |
Screw M6X16 exagonal | Na dotaz | Zadat poptávku | |
| B21 WHR67402 |
C00524896
483286009513 |
Screw M8X20 exagonal | Na dotaz | Zadat poptávku | |
| C01 WHR67402 |
C00524310
483286001231 |
Spacebar | Na dotaz | Zadat poptávku | |
| C02 WHR67402 |
C00524311
483286001232 |
Ribbon,stranded 2X40 | Na dotaz | Zadat poptávku | |
| C06 WHR67402 |
C00524312
483286001236 |
Fitting 3/4 " | Na dotaz | Zadat poptávku | |
| C07 WHR67402 |
C00524313
483286001237 |
Reductor 3/4 " 3/8 " | Na dotaz | Zadat poptávku | |
| C08 WHR67402 |
C00524314
483286001238 |
Stopper 1/2 " | Na dotaz | Zadat poptávku | |
| C09 WHR67402 |
C00524315
483286001239 |
Bushing | Na dotaz | Zadat poptávku | |
| C10 WHR67402 |
C00524316
483286001241 |
Pulley SPA 118X3 | Na dotaz | Zadat poptávku | |
| C11 WHR67402 |
C00524317
483286001242 |
Pulley SPA 630X3 | Na dotaz | Zadat poptávku | |
| C14 WHR67402 |
C00524318
483286001245 |
Pedestal Window | Na dotaz | Zadat poptávku | |
| C15 WHR67402 |
C00524353
483286001365 |
Nut f. Handle | Na dotaz | Zadat poptávku | |
| C16 WHR67402 |
C00524319
483286001246 |
Staple | Na dotaz | Zadat poptávku | |
| C17 WHR67402 |
C00524377
483286001419 |
Microswitch | Na dotaz | Zadat poptávku | |
| C18 WHR67402 |
C00524320
483286001247 |
Separator | Na dotaz | Zadat poptávku | |
| C20 WHR67402 |
C00524321
483286001249 |
Holder Inlet valve | Na dotaz | Zadat poptávku | |
| C21 WHR67402 |
C00524322
483286001251 |
Valve | Na dotaz | Zadat poptávku | |
| C22 WHR67402 |
C00501100
483286008488 |
Heating element 5000W 220V | Na dotaz | Zadat poptávku | |
| C23 WHR67402 |
C00497217
483286008279 |
Sensor temper. | Na dotaz | Zadat poptávku | |
| C24 WHR67402 |
C00524686
483286008454 |
Nut,coupling D 6 | Na dotaz | Zadat poptávku | |
| C26 WHR67402 |
C00524324
483286001254 |
Seal | Na dotaz | Zadat poptávku | |
| C27 WHR67402 |
C00524354
483286001366 |
Tube | Na dotaz | Zadat poptávku | |
| C28 WHR67402 |
C00496294
483286001255 |
Belt SPAX 3000 | Na dotaz | Zadat poptávku | |
| C29 WHR67402 |
C00524689
483286008457 |
Nozzle For Valve | Na dotaz | Zadat poptávku | |
| C30 WHR67402 |
C00501087
483286008285 |
Steam hose | Na dotaz | Zadat poptávku | |
| C31 WHR67402 |
C00524325
483286001256 |
Spout | Na dotaz | Zadat poptávku | |
| C32 WHR67402 |
C00524597
483286008287 |
Screw Hexagonal head M20x90 | Na dotaz | Zadat poptávku | |
| C34 WHR67402 |
C00524617
483286008315 |
Counternut self-blocked | Na dotaz | Zadat poptávku | |
| C35 WHR67402 |
C00524355
483286001367 |
Blocking M 30 | Na dotaz | Zadat poptávku | |
| C36 WHR67402 |
C00524328
483286001259 |
Nut M10 | Na dotaz | Zadat poptávku | |
| C37 WHR67402 |
C00524326
483286001257 |
Nut M20 | Na dotaz | Zadat poptávku | |
| C38 WHR67402 |
C00524327
483286001258 |
Clamp fixation 26-38 | Na dotaz | Zadat poptávku | |
| C40 WHR67402 |
C00524378
483286001421 |
Dowel M10X25 | Na dotaz | Zadat poptávku | |
| C41 WHR67402 |
C00524333
483286001265 |
Gib 18X11X4 | Na dotaz | Zadat poptávku | |
| C42 WHR67402 |
C00524329
483286001261 |
Washer,toothed 12 | Na dotaz | Zadat poptávku | |
| C44 WHR67402 |
C00524330
483286001262 |
Washer,toothed 6 | Na dotaz | Zadat poptávku | |
| C45 WHR67402 |
C00524331
483286001263 |
Disc 20X60 | Na dotaz | Zadat poptávku | |
| C46 WHR67402 |
C00524893
483286009508 |
Washer 10X20 INOX UNI 6592 | Na dotaz | Zadat poptávku | |
| C47 WHR67402 |
C00524603
483286008294 |
Rosette 8x16 | Na dotaz | Zadat poptávku | |
| C48 WHR67402 |
C00524655
483286008395 |
Rosette 12x24 | Na dotaz | Zadat poptávku | |
| C49 WHR67402 |
C00524894
483286009509 |
Washer 5X15 Zn UNI 9021 | Na dotaz | Zadat poptávku | |
| C50 WHR67402 |
C00524332
483286001264 |
Disc 6X18 | Na dotaz | Zadat poptávku | |
| C51 WHR67402 |
C00524605
483286008296 |
Rosette 20x37 | Na dotaz | Zadat poptávku | |
| C52 WHR67402 |
C00524379
483286001422 |
Screw M 5X12 | Na dotaz | Zadat poptávku | |
| C53 WHR67402 |
C00524380
483286001423 |
Screw M 6X14 | Na dotaz | Zadat poptávku | |
| C54 WHR67402 |
C00524175
483286000781 |
Screw cap. M8X20 | Na dotaz | Zadat poptávku | |
| C56 WHR67402 |
C00524762
483286008607 |
Screw Hexa. 12x30 | Na dotaz | Zadat poptávku | |
| C57 WHR67402 |
C00524675
483286008434 |
Screw hexa. M5x20 | Na dotaz | Zadat poptávku | |
| C58 WHR67402 |
C00524381
483286001424 |
Screw hexa. M 20X70 | Na dotaz | Zadat poptávku | |
| C59 WHR67402 |
C00524334
483286001266 |
Ring,locking SP 130 | Na dotaz | Zadat poptávku | |
| C60 WHR67402 |
C00524335
483286001267 |
Counternut | Na dotaz | Zadat poptávku | |
| C61 WHR67402 |
C00524336
483286001268 |
Ring circlip | Na dotaz | Zadat poptávku | |
| D01 WHR67402 |
C00581197
483286001269 |
rukojeť | Na dotaz | Zadat poptávku | |
| D02 WHR67402 |
C00502643
483286001271 |
kontramatice rukojeť | Na dotaz | Zadat poptávku | |
| D03 WHR67402 |
C00524337
483286001272 |
Nut f. Handle | Na dotaz | Zadat poptávku | |
| D04 WHR67402 |
C00524338
483286001273 |
Window | Na dotaz | Zadat poptávku | |
| D05 WHR67402 |
C00524339
483286001274 |
Seal | Na dotaz | Zadat poptávku | |
| D06 WHR67402 |
C00524340
483286001275 |
Silicon Ring | Na dotaz | Zadat poptávku | |
| D07 WHR67402 |
C00524341
483286001276 |
Hinge Window | Na dotaz | Zadat poptávku | |
| D08 WHR67402 |
C00524342
483286001277 |
Ring Door glass cpl. | Na dotaz | Zadat poptávku | |
| D09 WHR67402 |
C00524343
483286001278 |
Device,locking | Na dotaz | Zadat poptávku | |
| D10 WHR67402 |
C00524547
483286001803 |
Door handle | Na dotaz | Zadat poptávku | |
| D11 WHR67402 |
C00502644
483286001281 |
kroužek závitový | Na dotaz | Zadat poptávku | |
| D12 WHR67402 |
C00524344
483286001282 |
Door glass | Na dotaz | Zadat poptávku | |
| D13 WHR67402 |
C00524599
483286008289 |
Nut M8 | Na dotaz | Zadat poptávku | |
| D15 WHR67402 |
C00524345
483286001283 |
Screw M6X20 | Na dotaz | Zadat poptávku | |
| E01 WHR67402 |
C00524346
483286001284 |
Block Door | Na dotaz | Zadat poptávku | |
| E02 WHR67402 |
C00524356
483286001368 |
Locking lever Door | Na dotaz | Zadat poptávku | |
| E03 WHR67402 |
C00503463
483286001804 |
Coil Door Opener | Na dotaz | Zadat poptávku | |
| E04 WHR67402 |
C00524350
483286001289 |
Microswitch | Na dotaz | Zadat poptávku | |
| E05 WHR67402 |
C00503443
483286001288 |
Cover hinge | Na dotaz | Zadat poptávku | |
| E06 WHR67402 |
C00524347
483286001285 |
Spring,compres. | Na dotaz | Zadat poptávku | |
| E07 WHR67402 |
C00524348
483286001286 |
Dowel | Na dotaz | Zadat poptávku | |
| E08 WHR67402 |
C00524349
483286001287 |
Ring circlip | Na dotaz | Zadat poptávku | |
| E09 WHR67402 |
C00524382
483286001425 |
Screw,selftap 3,5X9,5 | Na dotaz | Zadat poptávku | |
| E10 WHR67402 |
C00524635
483286008361 |
Screw M4x6 | Na dotaz | Zadat poptávku | |
| F01 WHR67402 |
C00503445
483286001371 |
Bearing,ball NU 2226 | Na dotaz | Zadat poptávku | |
| F02 WHR67402 |
C00503446
483286001372 |
Bearing,ball NUP 2220 | Na dotaz | Zadat poptávku | |
| F03 WHR67402 |
C00524357
483286001373 |
Hub | Na dotaz | Zadat poptávku | |
| F04 WHR67402 |
C00524358
483286001374 |
Flange below | Na dotaz | Zadat poptávku | |
| F05 WHR67402 |
C00524695
483286008466 |
Ring,adjusting O-Ring | Na dotaz | Zadat poptávku | |
| F06 WHR67402 |
C00503448
483286001426 |
Seal 130/160/12 | Na dotaz | Zadat poptávku | |
| F07 WHR67402 |
C00503449
483286001427 |
Seal 160/190/15 | Na dotaz | Zadat poptávku | |
| F08 WHR67402 |
C00524361
483286001377 |
Flange front | Na dotaz | Zadat poptávku | |
| F09 WHR67402 |
C00524697
483286008471 |
Pin threaded OMR 8X1,25 | Na dotaz | Zadat poptávku | |
| F10 WHR67402 |
C00524698
483286008472 |
Rosette 8X16 | Na dotaz | Zadat poptávku | |
| F12 WHR67402 |
C00524699
483286008473 |
Screw hexa.M 8X30 | Na dotaz | Zadat poptávku | |
| G01 WHR67402 |
C00524359
483286001375 |
Motor S160IN270.30 | Na dotaz | Zadat poptávku | |
| G02 WHR67402 |
C00524360
483286001376 |
Support Motor | Na dotaz | Zadat poptávku | |
| G03 WHR67402 |
C00524649
483286008388 |
Counternut M12 | Na dotaz | Zadat poptávku | |
| G05 WHR67402 |
C00524728
483286008541 |
Screw M12x50 hexa. | Na dotaz | Zadat poptávku | |
| H01 WHR67402 |
C00524362
483286001378 |
Holder Timer | Na dotaz | Zadat poptávku | |
| H02 WHR67402 |
C00524701
483286008475 |
Distance sleeve | Na dotaz | Zadat poptávku | |
| H03 WHR67402 |
C00501084
483286008249 |
Control board IM6 | Na dotaz | Zadat poptávku | |
| H04 WHR67402 |
C00501099
483286008476 |
Řídící elektronika profesionální myčky nádobí Whirlpool | Na dotaz | Zadat poptávku | |
| H05 WHR67402 |
C00524702
483286008477 |
Nut M3 | Na dotaz | Zadat poptávku | |
| I01 WHR67402 |
C00524363
483286001379 |
Holder Microswitch | Na dotaz | Zadat poptávku | |
| I02 WHR67402 |
C00524488
483286001693 |
Microswitch | Na dotaz | Zadat poptávku | |
| I03 WHR67402 |
C00524660
483286008402 |
Fastener. | Na dotaz | Zadat poptávku | |
| I04 WHR67402 |
C00524661
483286008403 |
Screw Inbus M5x35 | Na dotaz | Zadat poptávku | |
| J01 WHR67402 |
C00524364
483286001382 |
Soap dispenser | Na dotaz | Zadat poptávku | |
| J02 WHR67402 |
C00524365
483286001383 |
Nozzle Dispenser | Na dotaz | Zadat poptávku | |
| J03 WHR67402 |
C00524383
483286001428 |
Locking lever Carafe | Na dotaz | Zadat poptávku | |
| J04 WHR67402 |
C00524384
483286001429 |
Holder Carafe | Na dotaz | Zadat poptávku | |
| J05 WHR67402 |
C00524385
483286001431 |
Pin | Na dotaz | Zadat poptávku | |
| J06 WHR67402 |
C00524386
483286001432 |
Cover | Na dotaz | Zadat poptávku | |
| J07 WHR67402 |
C00524387
483286001433 |
Bushing | Na dotaz | Zadat poptávku | |
| J08 WHR67402 |
C00524388
483286001434 |
Carafe | Na dotaz | Zadat poptávku | |
| J09 WHR67402 |
C00524389
483286001435 |
Hinge | Na dotaz | Zadat poptávku | |
| J10 WHR67402 |
C00421058
483286002908 |
Gasket | Na dotaz | Zadat poptávku | |
| J11 WHR67402 |
C00524595
483286008284 |
Rubber joint | Na dotaz | Zadat poptávku | |
| J12 WHR67402 |
C00524390
483286001436 |
Ring,rubber | Na dotaz | Zadat poptávku | |
| J13 WHR67402 |
C00524391
483286001437 |
Lockingmechn. | Na dotaz | Zadat poptávku | |
| J14 WHR67402 |
C00524405
483286001453 |
Nut | Na dotaz | Zadat poptávku | |
| J15 WHR67402 |
C00524392
483286001438 |
Nut M4 | Na dotaz | Zadat poptávku | |
| J16 WHR67402 |
C00524393
483286001439 |
Washer 5X10 | Na dotaz | Zadat poptávku | |
| J17 WHR67402 |
C00524138
483286000707 |
Rosette 16X30 INOX | Na dotaz | Zadat poptávku | |
| J19 WHR67402 |
C00524394
483286001441 |
Screw M 5X8 | Na dotaz | Zadat poptávku | |
| J20 WHR67402 |
C00524636
483286008362 |
Screw M4x8 | Na dotaz | Zadat poptávku | |
| J22 WHR67402 |
C00524395
483286001442 |
Fastener elastic | Na dotaz | Zadat poptávku | |
| J23 WHR67402 |
C00524396
483286001443 |
Nut | Na dotaz | Zadat poptávku | |
| K01 WHR67402 |
C00524406
483286001454 |
Holder | Na dotaz | Zadat poptávku | |
| K02 WHR67402 |
C00524098
483286000604 |
Coupler | Na dotaz | Zadat poptávku | |
| K03 WHR67402 |
C00524397
483286001444 |
Housing right | Na dotaz | Zadat poptávku | |
| K04 WHR67402 |
C00524398
483286001445 |
Pipe 3/4 L=200 | Na dotaz | Zadat poptávku | |
| K07 WHR67402 |
C00524633
483286008358 |
Rosette 6x12 | Na dotaz | Zadat poptávku | |
| K10 WHR67402 |
C00524399
483286001446 |
Screw M 8X30 | Na dotaz | Zadat poptávku | |
| K11 WHR67402 |
C00524400
483286001447 |
Tube finale | Na dotaz | Zadat poptávku | |
| L01 WHR67402 |
C00524401
483286001448 |
Tube bend 3/4 " | Na dotaz | Zadat poptávku | |
| L02 WHR67402 |
C00524402
483286001449 |
Screwed joint 1 1/2 " | Na dotaz | Zadat poptávku | |
| L03 WHR67402 |
C00524403
483286001451 |
Tube bend 1 1/2 " | Na dotaz | Zadat poptávku | |
| L04 WHR67402 |
C00524404
483286001452 |
Gasket 1 1/2 " | Na dotaz | Zadat poptávku | |
| L05 WHR67402 |
C00524407
483286001455 |
Nipple M/M 1 1/2 " | Na dotaz | Zadat poptávku | |
| L06 WHR67402 |
C00524408
483286001456 |
Reductor M/F 1 1/2 " | Na dotaz | Zadat poptávku | |
| L07 WHR67402 |
C00524410
483286001458 |
T-adapter 1 1/2 " | Na dotaz | Zadat poptávku | |
| L08 WHR67402 |
C00524409
483286001457 |
Holder | Na dotaz | Zadat poptávku | |
| L09 WHR67402 |
C00524411
483286001459 |
Valve magnet Servo controled | Na dotaz | Zadat poptávku | |
| L10 WHR67402 |
C00621167
483286008326 |
Valve magnet 3/4 " 240V | Na dotaz | Zadat poptávku | |
| L11 WHR67402 |
C00503450
483286001461 |
Valve magnet one way 3/4" | Na dotaz | Zadat poptávku | |
| L12 WHR67402 |
C00524776
483286008635 |
Valve magnet 3/4 " | Na dotaz | Zadat poptávku | |
| L13 WHR67402 |
C00524412
483286001466 |
Connection Tube | Na dotaz | Zadat poptávku | |
| M03 WHR67402 |
C00524413
483286001468 |
Holder Unit | Na dotaz | Zadat poptávku | |
| M04 WHR67402 |
C00524416
483286001473 |
Cover | Na dotaz | Zadat poptávku | |
| M05 WHR67402 |
C00524415
483286001472 |
Housing left | Na dotaz | Zadat poptávku | |
| M06 WHR67402 |
C00524414
483286001471 |
Unit control | Na dotaz | Zadat poptávku | |
| M07 WHR67402 |
C00524130
483286000684 |
Spacer | Na dotaz | Zadat poptávku | |
| N01 WHR67402 |
C00524417
483286001474 |
Cabinet | Na dotaz | Zadat poptávku | |
| N02 WHR67402 |
C00524245
483286001018 |
Connector 9 way | Na dotaz | Zadat poptávku | |
| N03 WHR67402 |
C00524944
483286009735 |
Connection 12 way | Na dotaz | Zadat poptávku | |
| N04 WHR67402 |
C00524208
483286000932 |
Contact | Na dotaz | Zadat poptávku | |
| N05 WHR67402 |
C00524613
483286008311 |
Pressure piece plastic | Na dotaz | Zadat poptávku | |
| N06 WHR67402 |
C00524418
483286001475 |
Pressure piece plastic | Na dotaz | Zadat poptávku | |
| N07 WHR67402 |
C00524419
483286001476 |
Nut f. Pressure piece | Na dotaz | Zadat poptávku | |
| N08 WHR67402 |
C00524420
483286001477 |
Nut f. Pressure piece | Na dotaz | Zadat poptávku | |
| N09 WHR67402 |
C00422777
483286010448 |
Contactor Inverter | Na dotaz | Zadat poptávku | |
| N10 WHR67402 |
C00581201
483286001479 |
Transformer I17 F5 B1G | Na dotaz | Zadat poptávku | |
| N11 WHR67402 |
C00524421
483286001481 |
Side panel | Na dotaz | Zadat poptávku | |
| N13 WHR67402 |
C00524745
483286008572 |
Rosette 6x12 | Na dotaz | Zadat poptávku | |
| N14 WHR67402 |
C00524422
483286001482 |
Screw M 6X16 | Na dotaz | Zadat poptávku | |
| O01 WHR67402 |
C00524423
483286001483 |
Holder | Na dotaz | Zadat poptávku | |
| O02 WHR67402 |
C00503464
483286008309 |
Fuse Glass 5x20 1A | Na dotaz | Zadat poptávku | |
| O04 WHR67402 |
C00524209
483286000933 |
Screwed joint | Na dotaz | Zadat poptávku | |
| O05 WHR67402 |
C00524210
483286000934 |
Nut f. Screwed joint | Na dotaz | Zadat poptávku | |
| O07 WHR67402 |
C00524615
483286008313 |
Holder fuse | Na dotaz | Zadat poptávku | |
| O08 WHR67402 |
C00524667
483286008411 |
Switch OT25 | Na dotaz | Zadat poptávku | |
| O09 WHR67402 |
C00524424
483286001484 |
Switch QT 45 | Na dotaz | Zadat poptávku | |
| O10 WHR67402 |
C00501096
483286008412 |
Switch,toggle OHY 2RJ | Na dotaz | Zadat poptávku | |
| O11 WHR67402 |
C00524213
483286000937 |
Nut M6 | Na dotaz | Zadat poptávku | |
| O13 WHR67402 |
C00524637
483286008363 |
Screw socket M6x25 | Na dotaz | Zadat poptávku | |
| P01 WHR67402 |
C00524425
483286001485 |
Side panel left | Na dotaz | Zadat poptávku | |
| P02 WHR67402 |
C00524104
483286000639 |
Handle black | Na dotaz | Zadat poptávku | |
| Q01 WHR67402 |
C00524426
483286001486 |
Side panel right | Na dotaz | Zadat poptávku | |
| R01 WHR67402 |
C00524477
483286001671 |
Ball Joint SAKB 12 F | Na dotaz | Zadat poptávku | |
| R02 WHR67402 |
C00524478
483286001672 |
Ball Joint SIKB 12 F | Na dotaz | Zadat poptávku | |
| R03 WHR67402 |
C00524427
483286001487 |
Spring D10 | Na dotaz | Zadat poptávku | |
| R04 WHR67402 |
C00524428
483286001488 |
Tie rod middle cpl. | Na dotaz | Zadat poptávku | |
| R05 WHR67402 |
C00524479
483286001673 |
Tie rod extern cpl. | Na dotaz | Zadat poptávku | |
| R06 WHR67402 |
C00524480
483286001674 |
Plate cpl. | Na dotaz | Zadat poptávku | |
| R08 WHR67402 |
C00524651
483286008391 |
Nut M12 | Na dotaz | Zadat poptávku | |
| R09 WHR67402 |
C00524670
483286008427 |
Screw M6x10 | Na dotaz | Zadat poptávku | |
| 999 WHR67413 |
C00686481 | Mounting Instruction WHP | Na dotaz | Zadat poptávku | |