WHIRLPOOL AGB 784/WP Glass washer with square bask
Zeptejte se. Rádi poradíme.
Marek Proche
Zákaznická podpora
Po–Čt 8:00—17:00
Pá 8:00—15:00
poradna@servis-whirlpool.cz
| Komerční kód: | AGB 784/WP Glass washer with square bask |
| Kód 12NC/I.C. kód: | 851278401000 |
| Značka: | WHIRLPOOL |
| Typ produktu: | Profesionální domácí čištění |
Potřebujete servis? Jsme tady pro Vás
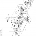
Nabídka náhradních dílů
| Číslo | Kód | Název | Cena | ||
|---|---|---|---|---|---|
| A01 WHR62903 |
C00581755
483286001198 |
Cabinet | Na dotaz | Zadat poptávku | |
| A02 WHR62903 |
C00340807
483286008087 |
Foot | Na dotaz | Zadat poptávku | |
| A03 WHR62903 |
C00581756
483286001199 |
Door | Na dotaz | Zadat poptávku | |
| A04 WHR62903 |
C00338315
483286008861 |
Magnet ,cover | Na dotaz | Zadat poptávku | |
| A05 WHR62903 |
C00342109
483286008118 |
Door catch | Na dotaz | Zadat poptávku | |
| A06 WHR62903 |
C00338000
483286008119 |
Nut catch | Na dotaz | Zadat poptávku | |
| A07 WHR62903 |
C00341442
483286008121 |
Pin hinge | Na dotaz | Zadat poptávku | |
| A08 WHR62903 |
C00339856
483286008122 |
Hinge | Na dotaz | Zadat poptávku | |
| A09 WHR62903 |
C00581757
483286001201 |
Side panel ,RIGHT | Na dotaz | Zadat poptávku | |
| A10 WHR62903 |
C00581758
483286001202 |
Side panel ,LEFT | Na dotaz | Zadat poptávku | |
| A11 WHR62903 |
C00503477
483286008968 |
Cover plate | Na dotaz | Zadat poptávku | |
| A12 WHR62903 |
C00581759
483286001203 |
Panel ,BACK | Na dotaz | Zadat poptávku | |
| A13 WHR62903 |
C00581760
483286001204 |
Panel ,LOWER | Na dotaz | Zadat poptávku | |
| A14 WHR62903 |
C00340116
483286008862 |
Handle | Na dotaz | Zadat poptávku | |
| B01 WHR62903 |
C00524087
483286000483 |
Boiler | Na dotaz | Zadat poptávku | |
| B02 WHR62903 |
C00337970
483286008137 |
O-Ring | Na dotaz | Zadat poptávku | |
| B03 WHR62903 |
C00336567
483286008138 |
Screw M8x12 | Na dotaz | Zadat poptávku | |
| B04 WHR62903 |
C00337971
483286008139 |
Těsnění, O kroužek topení profesionální myčky Whirlpool | 645 Kč
€ 26.50 |
||
| B05 WHR62903 |
C00497169
483286001205 |
Heating element | Na dotaz | Zadat poptávku | |
| B06 WHR62903 |
C00497166
483286000125 |
Valve ,ELECTRIC | Na dotaz | Zadat poptávku | |
| B07 WHR62903 |
C00340204
483286008919 |
Grommet | Na dotaz | Zadat poptávku | |
| B08 WHR62903 |
C00337237
483286008757 |
Washer 10mm | Na dotaz | Zadat poptávku | |
| B09 WHR62903 |
C00497112
483286008414 |
OVER FLOW SPC | Na dotaz | Zadat poptávku | |
| B10 WHR62903 |
C00341270
483286008144 |
Drainpipe | Na dotaz | Zadat poptávku | |
| B11 WHR62903 |
C00337972
483286008145 |
O-Ring | Na dotaz | Zadat poptávku | |
| B12 WHR62903 |
C00338017
483286008146 |
Nut ,RING | Na dotaz | Zadat poptávku | |
| B13 WHR62903 |
C00335975
483286008147 |
Strap | Na dotaz | Zadat poptávku | |
| B14 WHR62903 |
C00339400
483286008798 |
Hose ,pressostat | Na dotaz | Zadat poptávku | |
| B15 WHR62903 |
C00335535
483286008149 |
Thermostat | Na dotaz | Zadat poptávku | |
| B16 WHR62903 |
C00335477
483286008151 |
Thermostat TANK | Na dotaz | Zadat poptávku | |
| B17 WHR62903 |
C00335524
483286008871 |
Teermostat myčky nádobí Whirlpool | 1 213 Kč
€ 49.90 |
||
| B18 WHR62903 |
C00338536
483286008153 |
Knob | Na dotaz | Zadat poptávku | |
| B19 WHR62903 |
C00336548
483286008416 |
Screwed joint cable | Na dotaz | Zadat poptávku | |
| B20 WHR62903 |
C00339444
483286008155 |
TRANSPARENT HOSE 4X7 length 1 m | Na dotaz | Zadat poptávku | |
| B21 WHR62903 |
C00335965
483286008156 |
Strap 13 - 20mm | Na dotaz | Zadat poptávku | |
| B22 WHR62903 |
C00318788
483286008816 |
Dávkovač oplachu | 1 779 Kč
€ 73.10 |
||
| B23 WHR62903 |
C00337991
483286008903 |
Nut M10 | Na dotaz | Zadat poptávku | |
| B24 WHR62903 |
C00340539
483286008902 |
Gasket | Na dotaz | Zadat poptávku | |
| B25 WHR62903 |
C00336682
483286008974 |
Screw | Na dotaz | Zadat poptávku | |
| B26 WHR62903 |
C00500407
483286008975 |
Airtrap | Na dotaz | Zadat poptávku | |
| B27 WHR62903 |
C00340540
483286008162 |
Gasket | Na dotaz | Zadat poptávku | |
| B28 WHR62903 |
C00338006
483286008374 |
Nut 3/8 inch | Na dotaz | Zadat poptávku | |
| B29 WHR62903 |
C00337387
483286008163 |
Tube bend inlet | Na dotaz | Zadat poptávku | |
| B30 WHR62903 |
C00497216
483286008165 |
Hose draining | Na dotaz | Zadat poptávku | |
| B31 WHR62903 |
C00335614
483286008166 |
T-adapter | Na dotaz | Zadat poptávku | |
| B32 WHR62903 |
C00339249
483286008167 |
Hose rubber 12x19,5 | Na dotaz | Zadat poptávku | |
| B33 WHR62903 |
C00338013
483286008873 |
Nut 1¼'' | Na dotaz | Zadat poptávku | |
| B34 WHR62903 |
C00339937
483286008142 |
Topení myčky | 1 760 Kč
€ 72.40 |
||
| B35 WHR62903 |
C00335862
483286008937 |
Support ,thermostat. | Na dotaz | Zadat poptávku | |
| B36 WHR62903 |
C00500400
483286008872 |
Gasket | Na dotaz | Zadat poptávku | |
| C01 WHR62903 |
C00337050
483286008976 |
Čerpadlo oběhové | Na dotaz | Zadat poptávku | |
| C02 WHR62903 |
C00337390
483286008169 |
Tube bend | Na dotaz | Zadat poptávku | |
| C04 WHR62903 |
C00343385
483286008171 |
Clamp 38-50mmm | Na dotaz | Zadat poptávku | |
| C05 WHR62903 |
C00338016
483286008172 |
Nut 1" | Na dotaz | Zadat poptávku | |
| C06 WHR62903 |
C00337973
483286008173 |
O-Ring | Na dotaz | Zadat poptávku | |
| C07 WHR62903 |
C00341021
483286008174 |
Fastener | Na dotaz | Zadat poptávku | |
| C08 WHR62903 |
C00524301
483286001206 |
Filter | Na dotaz | Zadat poptávku | |
| C09 WHR62903 |
C00337986
483286008176 |
Nut ring | Na dotaz | Zadat poptávku | |
| C10 WHR62903 |
C00524824
483286008978 |
OUTLET ELBOW | Na dotaz | Zadat poptávku | |
| C11 WHR62903 |
C00339248
483286008177 |
Hose rubber 10x17mm | Na dotaz | Zadat poptávku | |
| C13 WHR62903 |
C00524302
483286001207 |
OUTLET ELBOW | Na dotaz | Zadat poptávku | |
| C14 WHR62903 |
C00373914
483286001208 |
Hub ,UPPER | Na dotaz | Zadat poptávku | |
| C15 WHR62903 |
C00497105
483286001209 |
Gasket | Na dotaz | Zadat poptávku | |
| C16 WHR62903 |
C00524303
483286001211 |
Flange | Na dotaz | Zadat poptávku | |
| C17 WHR62903 |
C00517724
483286008826 |
Screw M6x10 | Na dotaz | Zadat poptávku | |
| C18 WHR62903 |
C00340916
483286008183 |
natrubek | 1 463 Kč
€ 60.10 |
||
| C19 WHR62903 |
C00337238
483286008981 |
Washer | Na dotaz | Zadat poptávku | |
| C20 WHR62903 |
C00339182
483286008982 |
Hub ,inferior | Na dotaz | Zadat poptávku | |
| C21 WHR62903 |
C00340542
483286008185 |
Gasket | Na dotaz | Zadat poptávku | |
| C23 WHR62903 |
C00335863
483286000498 |
Support ,pump | Na dotaz | Zadat poptávku | |
| D01 WHR62903 |
C00339184
483286008189 |
Nátrubek mycího ramene | 2 048 Kč
€ 84.20 |
||
| D02 WHR62903 |
C00501123
483286008983 |
Rinse arm | Na dotaz | Zadat poptávku | |
| D03 WHR62903 |
C00340917
483286008179 |
naboj | Na dotaz | Zadat poptávku | |
| D04 WHR62903 |
C00339185
483286008192 |
Hub | Na dotaz | Zadat poptávku | |
| D05 WHR62903 |
C00336816
483286008418 |
Tryska mycího ramene poloprofesionální myčky | Na dotaz | Zadat poptávku | |
| D06 WHR62903 |
C00336575
483286008317 |
Screw M4 X 8 | Na dotaz | Zadat poptávku | |
| D07 WHR62903 |
C00337974
483286008318 |
O-RING3 | Na dotaz | Zadat poptávku | |
| D08 WHR62903 |
C00335606
483286008322 |
Tailpiece rinse arm | Na dotaz | Zadat poptávku | |
| D09 WHR62903 |
C00337987
483286008323 |
Šroub ramene | 2 027 Kč
€ 83.30 |
||
| D10 WHR62903 |
C00520153
483286008984 |
Rinse arm ,right | Na dotaz | Zadat poptávku | |
| D11 WHR62903 |
C00520154
483286008985 |
Rinse arm ,left | Na dotaz | Zadat poptávku | |
| D12 WHR62903 |
C00337975
483286008324 |
Těsnění | Na dotaz | Zadat poptávku | |
| D13 WHR62903 |
C00501124
483286008986 |
rameno spodní | Na dotaz | Zadat poptávku | |
| D14 WHR62903 |
C00501125
483286008987 |
Rinse arm cpl. | Na dotaz | Zadat poptávku | |
| D15 WHR62903 |
C00337636
483286008834 |
Plug | Na dotaz | Zadat poptávku | |
| D16 WHR62903 |
C00337976
483286008835 |
O-Ring | Na dotaz | Zadat poptávku | |
| E01 WHR62903 |
C00502941
483286000497 |
Control panel | Na dotaz | Zadat poptávku | |
| E02 WHR62903 |
C00581761
483286001212 |
Plate | Na dotaz | Zadat poptávku | |
| E03 WHR62903 |
C00341828
483286008331 |
Lamp control | Na dotaz | Zadat poptávku | |
| E04 WHR62903 |
C00341826
483286008333 |
světlo | Na dotaz | Zadat poptávku | |
| E05 WHR62903 |
C00342725
483286008341 |
Contact inductive | Na dotaz | Zadat poptávku | |
| E06 WHR62903 |
C00337564
483286008334 |
Pressostat | Na dotaz | Zadat poptávku | |
| E07 WHR62903 |
C00335575
483286008335 |
Terminal Board | Na dotaz | Zadat poptávku | |
| E08 WHR62903 |
C00335437
483286008337 |
hodiny | Na dotaz | Zadat poptávku | |
| E09 WHR62903 |
C00581919
483286008336 |
Relay | Na dotaz | Zadat poptávku | |
| E10 WHR62903 |
C00344047
483286008921 |
tlačítko | 635 Kč
€ 26.10 |
||
| E11 WHR62903 |
C00341012
483286008922 |
pouzdro tlacitka | 744 Kč
€ 30.60 |
||
| E12 WHR62903 |
C00335757
483286008908 |
Switch | Na dotaz | Zadat poptávku | |
| E13 WHR62903 |
C00337024
483286008917 |
Spínač | 612 Kč
€ 25.20 |
||