WHIRLPOOL AKG 247/NB/WP/01
 
             
                
    Zeptejte se. Rádi poradíme.
    
        
            
                
                     
              
        
        
            
    
    
             
            Marek Proche
                    
Zákaznická podpora
            
Po–Čt 8:00—17:00
                
Pá 8:00—15:00             
            
        
            
        poradna@servis-whirlpool.cz     
    
    
| Komerční kód: | AKG 247/NB/WP/01 | 
| Kód 12NC/I.C. kód: | 853524738080 | 
| Značka: | WHIRLPOOL | 
| Typ produktu: | 
Potřebujete servis? Jsme tady pro Vás
Nabídka náhradních dílů
| Číslo | Kód | Název | Cena | ||
|---|---|---|---|---|---|
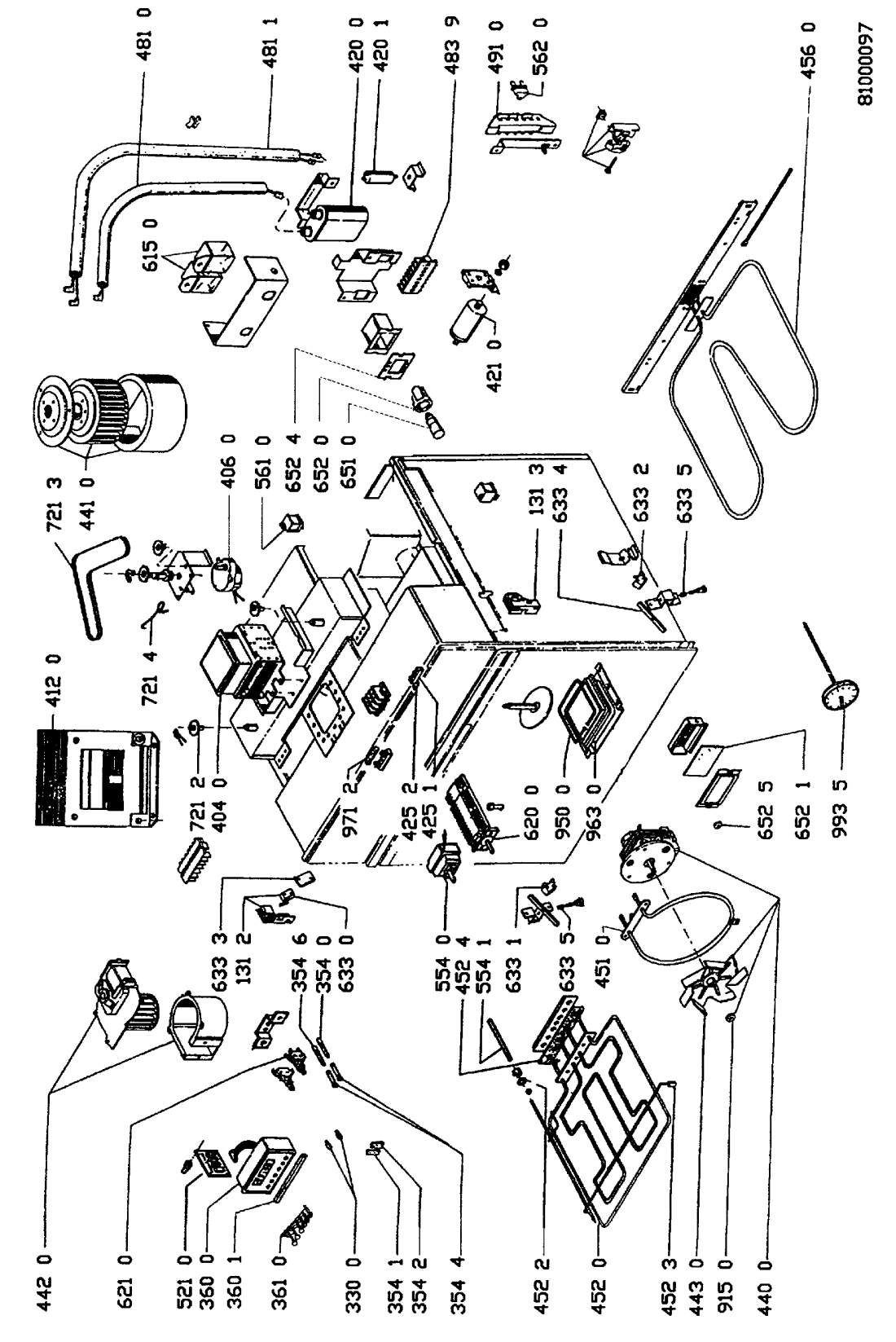
| 013 0 WHR110559 | C00585213 481953258183 | SPACER.. | Na dotaz | Zadat poptávku | |
| 025 0 WHR110559 | C00499307 481945928259 | Frame oven | Na dotaz | Zadat poptávku | |
| 041 0 WHR110559 | C00585130 481941719002 | HINGE COMPLET LEFT.. | Na dotaz | Zadat poptávku | |
| 041 1 WHR110559 | C00585129 481941719001 | HINGE.. | Na dotaz | Zadat poptávku | |
| 041 2 WHR110559 | C00492467 481946688755 | HOOP | Na dotaz | Zadat poptávku | |
| 041 3 WHR110559 | C00492468 481946688756 | HOOP | Na dotaz | Zadat poptávku | |
| 111 0 WHR110559 | C00748067 481949869465 | Handle door WH | Na dotaz | Zadat poptávku | |
| 111 3 WHR110559 | C00340905 481946698738 | prichytka uchy.skla | Na dotaz | Zadat poptávku | |
| 111 4 WHR110559 | C00585113 481940478098 | Bearer.. | Na dotaz | Zadat poptávku | |
| 121 0 WHR110559 | C00585195 481950218263 | Screw not shown.. | Na dotaz | Zadat poptávku | |
| 121 0 WHR110559 | C00585141 481944058557 | Door inner.. | Na dotaz | Zadat poptávku | |
| 121 1 WHR110559 | C00531959 481945928244 | DOOR MW PROTECTION MW protection | Na dotaz | Zadat poptávku | |
| 121 2 WHR110559 | C00335252 481940478097 | Trim door | Na dotaz | Zadat poptávku | |
| 131 0 WHR110559 | C00585215 481953588074 | Switch door.. | Na dotaz | Zadat poptávku | |
| 131 2 WHR110559 | C00531302 481927138086 | SWITCH DOOR S3 door S3 | Na dotaz | Zadat poptávku | |
| 131 3 WHR110559 | C00585111 481940449722 | DOOR.. | Na dotaz | Zadat poptávku | |
| 141 0 WHR110559 | C00748080 481945069964 | Oven glass | Na dotaz | Zadat poptávku | |
| 141 1 WHR110559 | C00585160 481945858702 | GLASS.. | Na dotaz | Zadat poptávku | |
| 142 0 WHR110559 | C00486624 481945068782 | OVEN GLASS INNER | Na dotaz | Zadat poptávku | |
| 142 1 WHR110559 | C00336684 481950218253 | SCREW | Na dotaz | Zadat poptávku | |
| 142 2 WHR110559 | C00585110 481940449721 | ANGLE IRON.. | Na dotaz | Zadat poptávku | |
| 191 0 WHR110559 | C00378090 481946669582 | GASKET BORDER | Na dotaz | Zadat poptávku | |
| 195 0 WHR110559 | C00584914 481946669525 | SEAL,GLASS. | Na dotaz | Zadat poptávku | |
| 196 0 WHR110559 | C00585169 481945928348 | FRAME.. | Na dotaz | Zadat poptávku | |
| 201 0 WHR110559 | C00585142 481944058647 | PANEL, REAR.. | Na dotaz | Zadat poptávku | |
| 245 0 WHR110559 | C00503199 481945819532 | rost trouby | Na dotaz | Zadat poptávku | |
| 246 0 WHR110559 | C00490615 481941838299 | Baking tray sweets | Na dotaz | Zadat poptávku | |
| 247 0 WHR110559 | C00340978 481941838328 | Fat pan | Na dotaz | Zadat poptávku | |
| 247 2 WHR110559 | C00585137 481941838297 | FAT PAN GLAS 45,5X35.2.. | Na dotaz | Zadat poptávku | |
| 301 1 WHR110559 | C00531633 481940478311 | BRACKET SWITCH SUPPORT SWITCH SUPPORT | Na dotaz | Zadat poptávku | |
| 320 0 WHR110559 | C00484434 481945349122 | CONTROL PANEL | Na dotaz | Zadat poptávku | |
| 320 1 WHR110559 | C00499613 481953268721 | OKRASN? MATICA PLAST. N | Na dotaz | Zadat poptávku | |
| 320 3 WHR110559 | C00486801 481946669527 | GASKET BORDER | Na dotaz | Zadat poptávku | |
| 322 0 WHR110559 | C00748079 481945069933 | Glass panel | Na dotaz | Zadat poptávku | |
| 330 0 WHR110559 | C00599820 481941028726 | TLACITKO N | Na dotaz | Zadat poptávku | |
| 334 0 WHR110559 | C00748071 481941249968 | Knob | Na dotaz | Zadat poptávku | |
| 341 1 WHR110559 | C00748074 481941378721 | Indication disc thermostat | Na dotaz | Zadat poptávku | |
| 341 2 WHR110559 | C00748073 481941378718 | Indication disc oven | Na dotaz | Zadat poptávku | |
| 354 0 WHR110559 | C00585059 481913448202 | PILOT LAMP.. | Na dotaz | Zadat poptávku | |
| 354 1 WHR110559 | C00498972 481938118086 | signalka cervena | Na dotaz | Zadat poptávku | |
| 354 2 WHR110559 | C00636142 481938118116 | LENS. | Na dotaz | Zadat poptávku | |
| 354 4 WHR110559 | C00499607 481953268415 | PRICHYTKA SIGNALKY N | Na dotaz | Zadat poptávku | |
| 354 6 WHR110559 | C00490297 481913448203 | PILOT LAMP | Na dotaz | Zadat poptávku | |
| 360 0 WHR110559 | C00555802 481928218571 | Timer.. | Na dotaz | Zadat poptávku | |
| 360 1 WHR110559 | C00584916 481946669565 | tesneni panelu | Na dotaz | Zadat poptávku | |
| 361 0 WHR110559 | C00373380 481941028503 | Tlačítko trouby - bílé | Na dotaz | Zadat poptávku | |
| 404 0 WHR110559 | C00555676 481913158011 | Magnetron MA.. | Na dotaz | Zadat poptávku | |
| 406 0 WHR110559 | C00585108 481936178131 | Motor small M5.. | Na dotaz | Zadat poptávku | |
| 412 0 WHR110559 | C00585063 481914868051 | z4ANSFORMER.. | Na dotaz | Zadat poptávku | |
| 420 0 WHR110559 | C00378997 481912148003 | Capacitor C2 | Na dotaz | Zadat poptávku | |
| 420 1 WHR110559 | C00484200 481912118131 | Capacitor C1 | Na dotaz | Zadat poptávku | |
| 421 0 WHR110559 | C00498811 481921838023 | Interf.filter IF | Na dotaz | Zadat poptávku | |
| 425 1 WHR110559 | C00585058 481911518001 | RESISTOR F1.. | Na dotaz | Zadat poptávku | |
| 425 2 WHR110559 | C00492304 481940449216 | Holder resistance | Na dotaz | Zadat poptávku | |
| 440 0 WHR110559 | C00555888 481936118109 | ventilator kompletni | Na dotaz | Zadat poptávku | |
| 441 0 WHR110559 | C00490384 481936118262 | MOTOR | Na dotaz | Zadat poptávku | |
| 442 0 WHR110559 | C00490383 481936118236 | Motor M7 | Na dotaz | Zadat poptávku | |
| 443 0 WHR110559 | C00341046 481951528115 | Fan wheel | Na dotaz | Zadat poptávku | |
| 451 0 WHR110559 | C00481319 481925928479 | Heat.elem. HE4 HE4 | Na dotaz | Zadat poptávku | |
| 452 0 WHR110559 | C00481290 481925928607 | OHRIEVACIE TELESO HE1+HE2GRIL (1100+800W | Na dotaz | Zadat poptávku | |
| 452 2 WHR110559 | C00585211 481953218181 | GLASS.. | Na dotaz | Zadat poptávku | |
| 452 3 WHR110559 | C00492242 481932558022 | BUSHING | Na dotaz | Zadat poptávku | |
| 452 4 WHR110559 | C00585178 481946688757 | Heating element protection.. | Na dotaz | Zadat poptávku | |
| 456 0 WHR110559 | C00490320 481925928606 | Heating element HE3 | Na dotaz | Zadat poptávku | |
| 467 0 WHR110559 | C00585196 481950218336 | Screw n. shown | Na dotaz | Zadat poptávku | |
| 481 0 WHR110559 | C00585089 481932028004 | Cable HT.. | Na dotaz | Zadat poptávku | |
| 481 1 WHR110559 | C00585090 481932028005 | Cable HT.. | Na dotaz | Zadat poptávku | |
| 483 9 WHR110559 | C00585077 481929068319 | TERMINAL BLOCK.. | Na dotaz | Zadat poptávku | |
| 491 0 WHR110559 | C00343507 481929068173 | svorkovnice | 81 Kč € 3.30 | ||
| 491 1 WHR110559 | C00585085 481931088056 | TERMINAL STRIP.. | Na dotaz | Zadat poptávku | |
| 491 2 WHR110559 | C00490377 481931088594 | INSULATION | Na dotaz | Zadat poptávku | |
| 521 0 WHR110559 | C00382232 481921478345 | Panel rear timer | Na dotaz | Zadat poptávku | |
| 554 0 WHR110559 | C00373405 481927128469 | Termostat třícestný trouby Whirlpool, Bauknecht | Na dotaz | Zadat poptávku | |
| 554 1 WHR110559 | C00585204 481952938089 | SPACER.. | Na dotaz | Zadat poptávku | |
| 561 0 WHR110559 | C00338650 481928228466 | KLIXON MAGNETRON TH3 | Na dotaz | Zadat poptávku | |
| 562 0 WHR110559 | C00319630 481925228091 | Thermal fuse TL | Na dotaz | Zadat poptávku | |
| 615 0 WHR110559 | C00585073 481928068356 | Relay RE1-2-3.. | Na dotaz | Zadat poptávku | |
| 620 0 WHR110559 | C00494297 481927328339 | Switch,oven | Na dotaz | Zadat poptávku | |
| 620 1 WHR110559 | C00585206 481953038004 | DISTANCE PIN | Na dotaz | Zadat poptávku | |
| 621 0 WHR110559 | C00378027 481927618108 | Spínač zapalovače | 140 Kč € 5.70 | ||
| 633 0 WHR110559 | C00585069 481927138098 | Switch complet S2.. | Na dotaz | Zadat poptávku | |
| 633 1 WHR110559 | C00585067 481927138096 | Switch door S4.. | Na dotaz | Zadat poptávku | |
| 633 2 WHR110559 | C00585068 481927138097 | SWITCH S3.. | Na dotaz | Zadat poptávku | |
| 633 3 WHR110559 | C00585091 481932528014 | INSULATION.. | Na dotaz | Zadat poptávku | |
| 633 4 WHR110559 | C00585112 481940449791 | LEVER.. | Na dotaz | Zadat poptávku | |
| 633 5 WHR110559 | C00585185 481949258097 | SPRING.. | Na dotaz | Zadat poptávku | |
| 651 0 WHR110559 | C00311519 481913488153 | Oven lamp 25W 230V | Na dotaz | Zadat poptávku | |
| 652 0 WHR110559 | C00585064 481925518155 | Holder lamp.. | Na dotaz | Zadat poptávku | |
| 652 1 WHR110559 | C00486625 481945068784 | Cover for lamp (glass) | Na dotaz | Zadat poptávku | |
| 652 4 WHR110559 | C00486650 481945928234 | PROTECTOR FOR LAMP | Na dotaz | Zadat poptávku | |
| 652 5 WHR110559 | C00585199 481950518203 | NUT.. | Na dotaz | Zadat poptávku | |
| 653 0 WHR110559 | C00531217 481913448268 | Pilot lamp multiple multiple | Na dotaz | Zadat poptávku | |
| 653 1 WHR110559 | C00585060 481913448248 | Pilot lamp.. | Na dotaz | Zadat poptávku | |
| 721 2 WHR110559 | C00585202 481952238014 | WHEEL,COG.. | Na dotaz | Zadat poptávku | |
| 721 3 WHR110559 | C00585093 481935858005 | CHAIN.. | Na dotaz | Zadat poptávku | |
| 721 4 WHR110559 | C00585186 481949268454 | SPRING.. | Na dotaz | Zadat poptávku | |
| 762 0 WHR110559 | C00340932 481948048133 | Filter grease | Na dotaz | Zadat poptávku | |
| 912 1 WHR110559 | C00585197 481950218395 | SCREW.. | Na dotaz | Zadat poptávku | |
| 915 0 WHR110559 | C00314899 481950518145 | NUT PROPELLER CAVITY FAN | Na dotaz | Zadat poptávku | |
| 915 1 WHR110559 | C00585200 481950518299 | NUT.. | Na dotaz | Zadat poptávku | |
| 950 0 WHR110559 | C00584915 481946669531 | GASKET BORDER. | Na dotaz | Zadat poptávku | |
| 963 0 WHR110559 | C00585140 481944058391 | COVER PLATE.. | Na dotaz | Zadat poptávku | |
| 971 2 WHR110559 | C00373413 481925358001 | Fuse F2F2 | Na dotaz | Zadat poptávku | |
| 993 0 WHR110559 | C00498903 481931038512 | sroubky upevnovaci | Na dotaz | Zadat poptávku | |
| 993 0 WHR110559 | C00585109 481939568004 | TOOL.. | Na dotaz | Zadat poptávku | |
| 993 5 WHR110559 | C00585092 481934938118 | Teploměr na maso | Na dotaz | Zadat poptávku | |