WHIRLPOOL AKM995/BA/01
Zeptejte se. Rádi poradíme.
Marek Proche

Marek Proche
Zákaznická podpora

227 191 733

Po–Čt 8:00—17:00
Pá 8:00—15:00

poradna@servis-whirlpool.cz

Položit dotaz

Komerční kód: AKM995/BA/01
Kód 12NC: 857199501100
I.C. kód: Q0918710003
Značka: WHIRLPOOL
Typ produktu:Vestavné trouby a varné desky
Další podobné modely:857199501100, Q0918710000, 857199501101, Q0918710001, 857199501102, Q0918710002, 857199501103

Potřebujete servis? Jsme tady pro Vás

Nabídka náhradních dílů

Číslo Kód Název Cena    
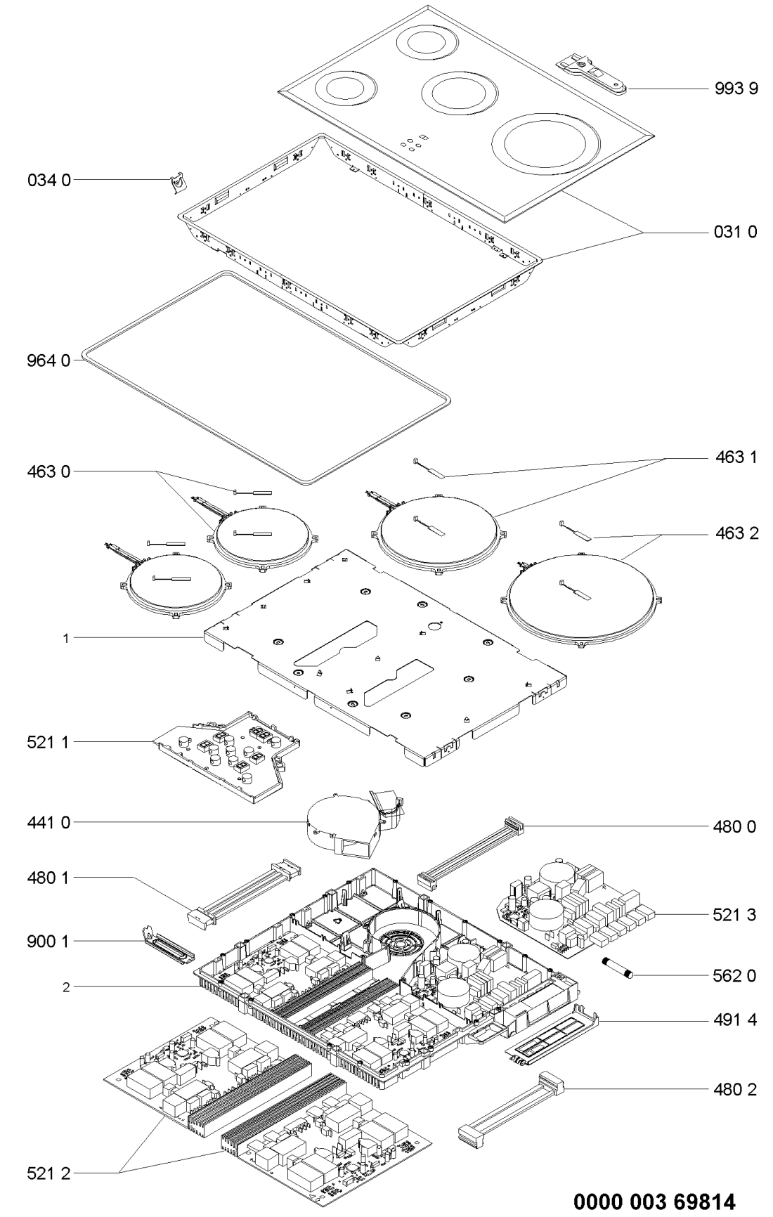
031 0
WHR02633
C00328249
481244039962
Cer.glass plate Touch Control Na dotaz Zadat poptávku
034 0
WHR02633
C00332865
481931038947
prichytka sklokeram-sada 1 021 Kč
€ 42.10
441 0
WHR02633
C00328805
481236118502
Blower Na dotaz Zadat poptávku
463 0
WHR02633
C00317235
481225998504
Heating element 145mm 1800W Na dotaz Zadat poptávku
463 1
WHR02633
C00327187
481225998499
Heating element 180mm 1850W Na dotaz Zadat poptávku
463 2
WHR02633
C00327189
481225998503
Heating element 260mm 3200W Na dotaz Zadat poptávku
480 0
WHR02633
C00328508
481232128439
Cable Na dotaz Zadat poptávku
480 1
WHR02633
C00328509
481232128441
Cable harness Na dotaz Zadat poptávku
480 2
WHR02633
C00313687
481232128442
Cable harness Na dotaz Zadat poptávku
491 4
WHR02633
C00330543
481246228746
Cover connection block Na dotaz Zadat poptávku
521 1
WHR02633
C00326964
481221458609
Unit control TC Easy Touch Na dotaz Zadat poptávku
521 2
WHR02633
C00314638
481221458537
jednotka kontrolni 9 680 Kč
€ 399.20
521 3
WHR02633
C00314357
481221458536
Odrušovací filtr indukční varné desky Whirlpool 6 867 Kč
€ 283.20
562 0
WHR02633
C00320714
481228038161
Fuse Na dotaz Zadat poptávku
900 1
WHR02633
C00328978
481240418498
drzak desky+srouby Na dotaz Zadat poptávku
964 0
WHR02633
C00316995
481246688969
Těsnění varné desky Whirlpool , Whirlpool Ikea 61 Kč
€ 2.50
993 9
WHR02633
C00332758
481269048017
stěrač Na dotaz Zadat poptávku
994 0
WHR02633
C00332907
481939588003
Šablona AKM Na dotaz Zadat poptávku
999
WHR02633
C00363571 SERVICE MANUAL WHP Na dotaz Zadat poptávku
999
WHR02633
C00363572 SERVICE MANUAL WHP Na dotaz Zadat poptávku
999
WHR02633
C00363573 SERVICE MANUAL WHP Na dotaz Zadat poptávku
Autorizované servisní centrum

Veškerý servis rodiny Whirlpool

Kamenná prodejna a sklad

Otevřená 5 dní v týdnu

Originální díly a příslušenství

Veškeré zboží přímo od výrobce

Odborný personál

Pomůžeme lajkům i odborníkům

Jednou za čas posíláme informace o speciální akcích, slevách a výprodejích. Nudné a zbytečné obchodní e-maily neposíláme.

×