WHIRLPOOL ARG 772 wh REFRIGERATORS WP
Zeptejte se. Rádi poradíme.
Marek Proche
Zákaznická podpora
Po–Čt 8:00—17:00
Pá 8:00—15:00
poradna@servis-whirlpool.cz
| Komerční kód: | ARG 772 wh REFRIGERATORS WP |
| Kód 12NC/I.C. kód: | 853477210000 |
| Značka: | WHIRLPOOL |
| Typ produktu: | Volně stojící lednice s mrazákem |
| Další podobné modely: | 853477201000 |
Potřebujete servis? Jsme tady pro Vás
Nabídka náhradních dílů
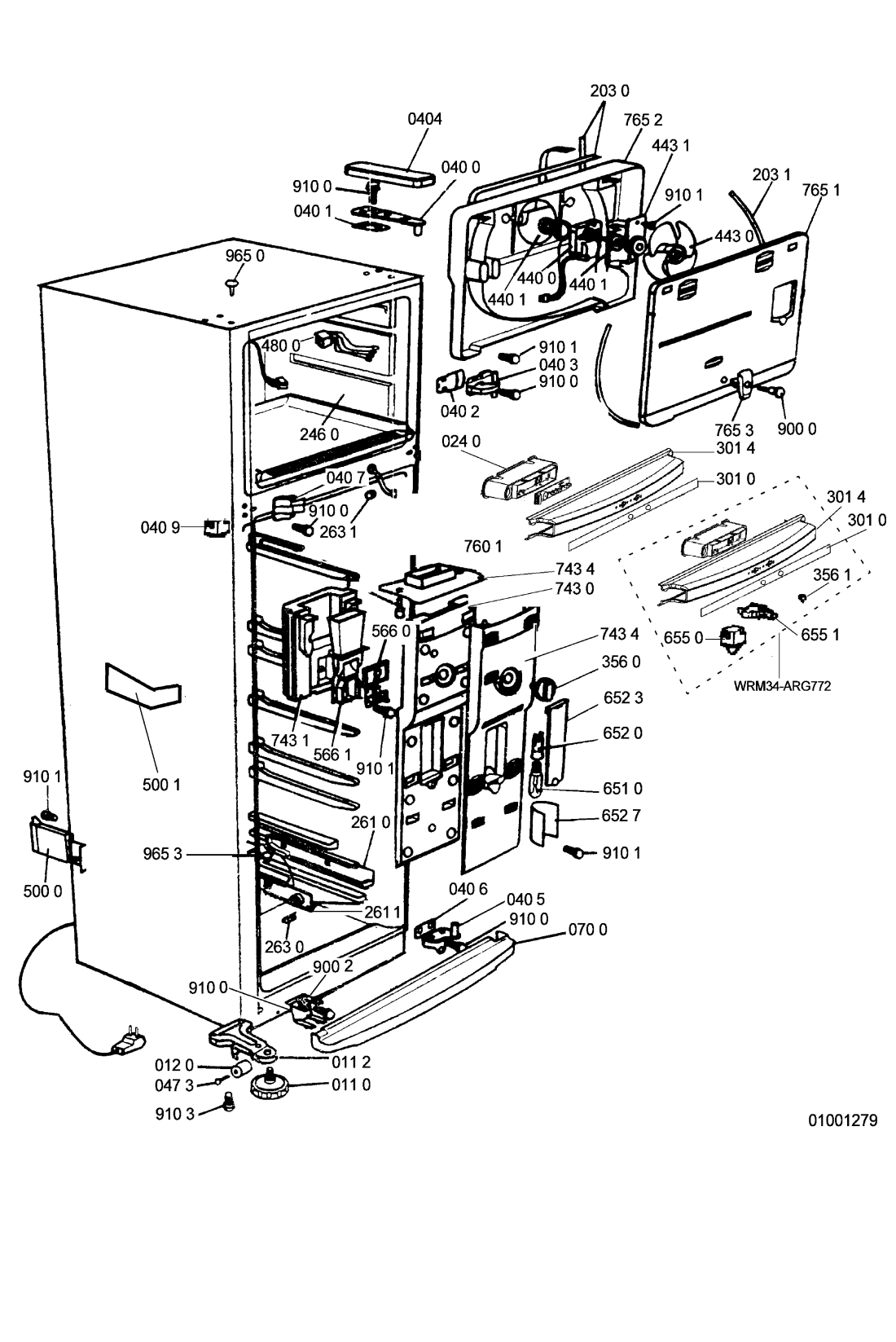
| Číslo | Kód | Název | Cena | ||
|---|---|---|---|---|---|
| 011 0 WHR60232 |
C00330451
481246218246 |
Foot | Na dotaz | Zadat poptávku | |
| 011 2 WHR60232 |
C00336238
481246218185 |
Small plate | Na dotaz | Zadat poptávku | |
| 012 0 WHR60232 |
C00336795
481252878048 |
Roller | Na dotaz | Zadat poptávku | |
| 024 0 WHR60232 |
C00344521
481246418082 |
Base | Na dotaz | Zadat poptávku | |
| 040 0 WHR60232 |
C00583842
481241778019 |
Hinge upper. | Na dotaz | Zadat poptávku | |
| 040 1 WHR60232 |
C00336360
481241778021 |
Shim hinge | Na dotaz | Zadat poptávku | |
| 040 2 WHR60232 |
C00492120
481253538084 |
Shim | Na dotaz | Zadat poptávku | |
| 040 3 WHR60232 |
C00339789
481241719092 |
Hinge middle | Na dotaz | Zadat poptávku | |
| 040 4 WHR60232 |
C00342472
481246228054 |
Cover hinge | Na dotaz | Zadat poptávku | |
| 040 5 WHR60232 |
C00339800
481241718854 |
Hinge lower | Na dotaz | Zadat poptávku | |
| 040 6 WHR60232 |
C00336366
481241778022 |
Shim | Na dotaz | Zadat poptávku | |
| 040 7 WHR60232 |
C00339846
481241719094 |
Hinge | Na dotaz | Zadat poptávku | |
| 040 9 WHR60232 |
C00339737
481241719093 |
Hinge,middleleft version | Na dotaz | Zadat poptávku | |
| 047 3 WHR60232 |
C00336455
481253548009 |
Shaft | Na dotaz | Zadat poptávku | |
| 070 0 WHR60232 |
C00379733
481246228402 |
Plinth | Na dotaz | Zadat poptávku | |
| 101 0 WHR60232 |
C00584467
481241618539 |
Door freezer. | Na dotaz | Zadat poptávku | |
| 102 0 WHR60232 |
C00384900
481244229143 |
Flap evap.door | Na dotaz | Zadat poptávku | |
| 102 1 WHR60232 |
C00385109
481244229145 |
Flap | Na dotaz | Zadat poptávku | |
| 104 0 WHR60232 |
C00484804
481241618538 |
Door refriger. | Na dotaz | Zadat poptávku | |
| 105 0 WHR60232 |
C00344080
481253288011 |
Bushing | Na dotaz | Zadat poptávku | |
| 105 1 WHR60232 |
C00336004
481253288012 |
zaslepka | Na dotaz | Zadat poptávku | |
| 105 2 WHR60232 |
C00344061
481246228181 |
Bushing white | Na dotaz | Zadat poptávku | |
| 105 3 WHR60232 |
C00498375
481246228179 |
Bushing right,white. | Na dotaz | Zadat poptávku | |
| 111 0 WHR60232 |
C00487765
481249818224 |
Handle | Na dotaz | Zadat poptávku | |
| 111 1 WHR60232 |
C00621464
481249818225 |
Insert handle/right. | Na dotaz | Zadat poptávku | |
| 111 2 WHR60232 |
C00490178
481249818226 |
Insert handle/left | Na dotaz | Zadat poptávku | |
| 111 3 WHR60232 |
C00621457
481246818228 |
kryt rukojete | Na dotaz | Zadat poptávku | |
| 111 7 WHR60232 |
C00584667
481245918217 |
Nameplate. | Na dotaz | Zadat poptávku | |
| 153 0 WHR60232 |
C00574468
481241879759 |
Door dairy. | Na dotaz | Zadat poptávku | |
| 153 1 WHR60232 |
C00485988
481246228405 |
Shelf | Na dotaz | Zadat poptávku | |
| 153 6 WHR60232 |
C00490096
481246228404 |
Separator | Na dotaz | Zadat poptávku | |
| 154 0 WHR60232 |
C00485989
481246228406 |
Shelf | Na dotaz | Zadat poptávku | |
| 155 1 WHR60232 |
C00495599
481246228403 |
Door,dairy | Na dotaz | Zadat poptávku | |
| 156 0 WHR60232 |
C00489022
481241828343 |
miska na led | Na dotaz | Zadat poptávku | |
| 156 1 WHR60232 |
C00555496
481246088254 |
Holder, eggs.. | Na dotaz | Zadat poptávku | |
| 191 0 WHR60232 |
C00529781
481246818132 |
Magnetic seal freezing | Na dotaz | Zadat poptávku | |
| 191 1 WHR60232 |
C00584793
481246818227 |
Magnetic seal refr.. | Na dotaz | Zadat poptávku | |
| 203 0 WHR60232 |
C00338714
481232518003 |
Insulation ,rear | Na dotaz | Zadat poptávku | |
| 203 1 WHR60232 |
C00527316
481232518004 |
Insulation front | Na dotaz | Zadat poptávku | |
| 242 0 WHR60232 |
C00574466
481241879652 |
Crisper. | Na dotaz | Zadat poptávku | |
| 242 1 WHR60232 |
C00377718
481244229149 |
Front crisper | Na dotaz | Zadat poptávku | |
| 242 3 WHR60232 |
C00336788
481240448673 |
Roller vegetables drawer | Na dotaz | Zadat poptávku | |
| 244 1 WHR60232 |
C00553594
481244229146 |
Shelf | Na dotaz | Zadat poptávku | |
| 244 2 WHR60232 |
C00584597
481244229147 |
Glass shelf. | Na dotaz | Zadat poptávku | |
| 244 3 WHR60232 |
C00584598
481244229148 |
Cover Crisper Crisper. | Na dotaz | Zadat poptávku | |
| 246 0 WHR60232 |
C00491688
481241848492 |
Bottom freezer | Na dotaz | Zadat poptávku | |
| 246 1 WHR60232 |
C00485191
481244229144 |
Shelf freezer | Na dotaz | Zadat poptávku | |
| 261 0 WHR60232 |
C00336930
481246818014 |
Rail right | Na dotaz | Zadat poptávku | |
| 261 1 WHR60232 |
C00336932
481246218183 |
Rail left | Na dotaz | Zadat poptávku | |
| 263 0 WHR60232 |
C00336264
481246218184 |
Slide | Na dotaz | Zadat poptávku | |
| 263 1 WHR60232 |
C00335790
481240448671 |
drzak | Na dotaz | Zadat poptávku | |
| 301 0 WHR60232 |
C00584642
481245310054 |
Reflector. | Na dotaz | Zadat poptávku | |
| 301 4 WHR60232 |
C00491949
481246428026 |
Panel | Na dotaz | Zadat poptávku | |
| 356 0 WHR60232 |
C00487161
481241218028 |
Knob ,damper | Na dotaz | Zadat poptávku | |
| 356 1 WHR60232 |
C00487007
481215818002 |
Knob | Na dotaz | Zadat poptávku | |
| 402 0 WHR60232 |
C00584419
481236038801 |
Compressor FFV 8,5 HAK. | Na dotaz | Zadat poptávku | |
| 402 1 WHR60232 |
C00335359
481241879646 |
Tray | Na dotaz | Zadat poptávku | |
| 402 3 WHR60232 |
C00574570
481246698946 |
Fastener compressor. | Na dotaz | Zadat poptávku | |
| 402 4 WHR60232 |
C00500771
481236038783 |
Strap ,compressor | Na dotaz | Zadat poptávku | |
| 440 0 WHR60232 |
C00574714
481236138051 |
MOTOR VENTILATORA 220V/60HZ | Na dotaz | Zadat poptávku | |
| 440 1 WHR60232 |
C00315086
481246638021 |
Damper fan | Na dotaz | Zadat poptávku | |
| 443 0 WHR60232 |
C00315305
481236118282 |
Fan | Na dotaz | Zadat poptávku | |
| 443 1 WHR60232 |
C00335783
481246048881 |
Support Ventilator | Na dotaz | Zadat poptávku | |
| 451 0 WHR60232 |
C00377847
481251158013 |
Element defrost 220V - 190W | Na dotaz | Zadat poptávku | |
| 480 0 WHR60232 |
C00574332
481232058096 |
Cable harness | Na dotaz | Zadat poptávku | |
| 491 0 WHR60232 |
C00498415
481246279703 |
Cover Relay. | Na dotaz | Zadat poptávku | |
| 500 0 WHR60232 |
C00377467
481221838152 |
Control board | Na dotaz | Zadat poptávku | |
| 500 1 WHR60232 |
C00342539
481244028945 |
Cover Control board | Na dotaz | Zadat poptávku | |
| 566 0 WHR60232 |
C00319312
481228238041 |
Thermostat | Na dotaz | Zadat poptávku | |
| 566 1 WHR60232 |
C00339546
481246048885 |
Holder Thermostat | Na dotaz | Zadat poptávku | |
| 566 2 WHR60232 |
C00314686
481228238042 |
termostat | Na dotaz | Zadat poptávku | |
| 614 0 WHR60232 |
C00490942
481221818021 |
Relay + Overload | Na dotaz | Zadat poptávku | |
| 651 0 WHR60232 |
C00341807
481213428061 |
Lamp220V | Na dotaz | Zadat poptávku | |
| 652 0 WHR60232 |
C00339579
481225528011 |
Holder lamp | Na dotaz | Zadat poptávku | |
| 652 3 WHR60232 |
C00342514
481246098006 |
Cover f. lamp | Na dotaz | Zadat poptávku | |
| 652 7 WHR60232 |
C00342198
481246228057 |
Deflector | Na dotaz | Zadat poptávku | |
| 655 0 WHR60232 |
C00574311
481227138411 |
Switch lamp. | Na dotaz | Zadat poptávku | |
| 655 1 WHR60232 |
C00574312
481227158165 |
Switch | Na dotaz | Zadat poptávku | |
| 691 0 WHR60232 |
C00336525
481228268021 |
Sensor kit | Na dotaz | Zadat poptávku | |
| 740 0 WHR60232 |
C00583970
481251148217 |
Condenser. | Na dotaz | Zadat poptávku | |
| 740 1 WHR60232 |
C00330489
481246228394 |
Holder Condenser | Na dotaz | Zadat poptávku | |
| 740 2 WHR60232 |
C00343291
481240418112 |
Clip Condenserr | Na dotaz | Zadat poptávku | |
| 743 0 WHR60232 |
C00498501
481248028035 |
difuzor | Na dotaz | Zadat poptávku | |
| 743 1 WHR60232 |
C00335877
481246048884 |
Support | Na dotaz | Zadat poptávku | |
| 743 4 WHR60232 |
C00484617
481215818001 |
Cover air diffuser | Na dotaz | Zadat poptávku | |
| 745 0 WHR60232 |
C00486257
481251138148 |
Evaporator | Na dotaz | Zadat poptávku | |
| 745 1 WHR60232 |
C00489321
481244228968 |
Heat shield Evaporator | Na dotaz | Zadat poptávku | |
| 745 2 WHR60232 |
C00583803
481232588007 |
Insulation. | Na dotaz | Zadat poptávku | |
| 745 3 WHR60232 |
C00583801
481232518005 |
Cover rubber. | Na dotaz | Zadat poptávku | |
| 745 4 WHR60232 |
C00335834
481253598061 |
Support Evaporator | Na dotaz | Zadat poptávku | |
| 760 1 WHR60232 |
C00319191
481246048883 |
Support Air clean filt. | Na dotaz | Zadat poptávku | |
| 764 0 WHR60232 |
C00345711
481248028051 |
Dryer | Na dotaz | Zadat poptávku | |
| 765 1 WHR60232 |
C00574444
481241828252 |
Bottom. | Na dotaz | Zadat poptávku | |
| 765 2 WHR60232 |
C00574476
481244069032 |
Separator rear/evaporator. | Na dotaz | Zadat poptávku | |
| 765 3 WHR60232 |
C00343377
481246048882 |
Clamp Cover | Na dotaz | Zadat poptávku | |
| 781 0 WHR60232 |
C00337398
481217088005 |
Tube | Na dotaz | Zadat poptávku | |
| 900 0 WHR60232 |
C00332711
481253538083 |
Pin | Na dotaz | Zadat poptávku | |
| 900 2 WHR60232 |
C00343300
481253578042 |
Clip | Na dotaz | Zadat poptávku | |
| 910 0 WHR60232 |
C00336665
481256018026 |
Screw | Na dotaz | Zadat poptávku | |
| 910 1 WHR60232 |
C00584835
481252388005 |
Screw. | Na dotaz | Zadat poptávku | |
| 910 3 WHR60232 |
C00336570
481256018025 |
Screw M5x10mm | Na dotaz | Zadat poptávku | |
| 910 5 WHR60232 |
C00492140
481256018024 |
Screw | Na dotaz | Zadat poptávku | |
| 910 7 WHR60232 |
C00336667
481256018022 |
Screw | Na dotaz | Zadat poptávku | |
| 910 8 WHR60232 |
C00336668
481256018023 |
Screw | Na dotaz | Zadat poptávku | |
| 965 0 WHR60232 |
C00342336
481244229065 |
Cover white | Na dotaz | Zadat poptávku | |
| 965 3 WHR60232 |
C00330243
481246048886 |
Cover | Na dotaz | Zadat poptávku | |
| 999 WHR60232 |
C00674831 | Circuit/Wiring Diagram WHP | Na dotaz | Zadat poptávku | |