ARISTON AVXXF129/1 (EX)
Zeptejte se. Rádi poradíme.
Marek Proche
Zákaznická podpora
Po–Čt 8:00—17:00
Pá 8:00—15:00
poradna@servis-whirlpool.cz
| Komerční kód: | AVXXF129/1 (EX) |
| Kód 12NC: | 869990391270 |
| I.C. kód: | 94391270000 |
| Značka: | ARISTON |
| Typ produktu: | Pračky |
Potřebujete servis? Jsme tady pro Vás
Nabídka náhradních dílů
| Číslo | Kód | Název | Cena | ||
|---|---|---|---|---|---|
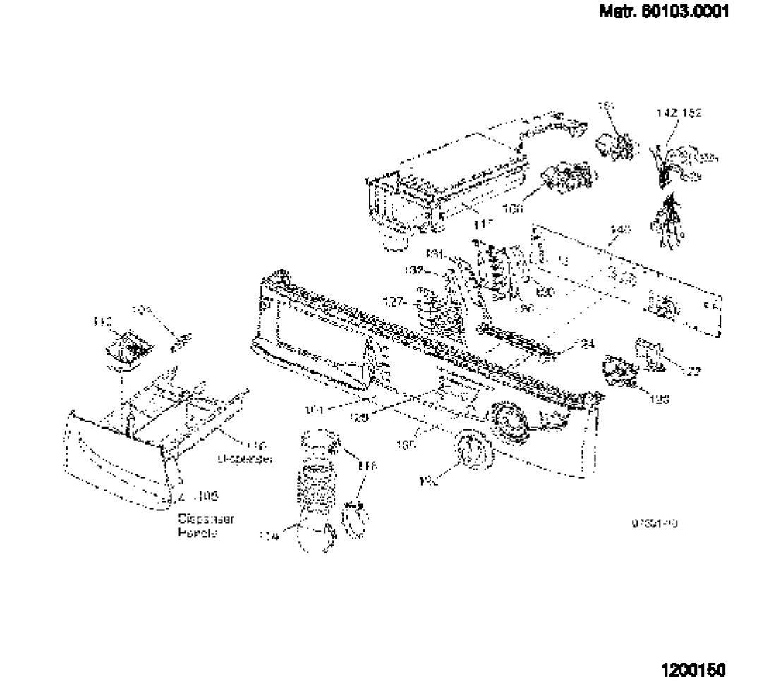
| 001 1200150 |
C00113916
482000080015 |
CONTROL PANEL AVXXF129EX | Na dotaz | Zadat poptávku | |
| 104 1200150 |
C00112601
482000069949 |
DRAWER LATCH | Na dotaz | Zadat poptávku | |
| 105 1200150 |
C00113923
482000080016 |
DETERGENT HANDLE AVXXF137FR | Na dotaz | Zadat poptávku | |
| 110 1200150 |
C00112564
482000079814 |
SOAP DISPENSER DRAWER | Na dotaz | Zadat poptávku | |
| 113 1200150 |
C00117136
482000022873 |
VANIČKA ADITIVA OTOČNÁ SCHRÁNKA 'AB | Na dotaz | Zadat poptávku | |
| 114 1200150 |
C00144132
482000082087 |
TRUBKA NAPOUŠTĚNÍ SAPONÁTU | Na dotaz | Zadat poptávku | |
| 116 1200150 |
C00112605 | HERBIE CLIP | Na dotaz | Zadat poptávku | |
| 117 1200150 |
C00290783
482000031904 |
SHALLOW DISPENSER KIT (WMA/WD-V4) | Na dotaz | Zadat poptávku | |
| 120 1200150 |
C00112565
482000079815 |
WASH TIMER KNOB AVXXL105EX | Na dotaz | Zadat poptávku | |
| 122 1200150 |
C00112566
482000069963 |
KLÁVESA ZAPNUTO/VYPNUTO - START | Na dotaz | Zadat poptávku | |
| 123 1200150 |
C00112608
482000028600 |
SVĚTLOVOD ON-OFF | Na dotaz | Zadat poptávku | |
| 124 1200150 |
C00112609
482000079821 |
SVĚTLOVOD | Na dotaz | Zadat poptávku | |
| 126 1200150 |
C00112613
482000079823 |
SVĚTLOVOD PROGRAMY | Na dotaz | Zadat poptávku | |
| 127 1200150 |
C00112615
482000079824 |
KLÁVESA (5) | Na dotaz | Zadat poptávku | |
| 129 1200150 |
C00113834 | LENS DISPLAY | Na dotaz | Zadat poptávku | |
| 132 1200150 |
C00142393 | FOAM BLACK | Na dotaz | Zadat poptávku | |
| 135 1200150 |
C00113954 | KNOB PROGRAMMER AVXXF | Na dotaz | Zadat poptávku | |
| 140 1200150 |
C00140792
482000081580 |
KARTA DISPLAY | Na dotaz | Zadat poptávku | |
| 142 1200150 |
C00112775
482000079853 |
KABELÁŽE MAINS / FILTER | Na dotaz | Zadat poptávku | |
| 142 1200150 |
C00113005
482000071276 |
HARNESS PRESSURE SWITCH / HEATER | Na dotaz | Zadat poptávku | |
| 142 1200150 |
C00113007
482000079871 |
KABELÁŽ MTR ČERPADLO ODPADU | Na dotaz | Zadat poptávku | |
| 142 1200150 |
C00113010 | HARNESS MOTOR | Na dotaz | Zadat poptávku | |
| 142 1200150 |
C00113543
482000079939 |
HEART LEAD BASE | Na dotaz | Zadat poptávku | |
| 142 1200150 |
C00113957
482000080030 |
HARNESS CTRL/CONSOLE (HL) | Na dotaz | Zadat poptávku | |
| 142 1200150 |
C00113956
482000080029 |
HARNESS VALVES / NTC | Na dotaz | Zadat poptávku | |
| 160 1200150 |
C00112661
482000028605 |
ELMAG.VENTIL HC | Na dotaz | Zadat poptávku | |
| 160 1200150 |
C00201982 | COLD WATER INLET VALVE (DOUBLE) | Na dotaz | Zadat poptávku | |
| 201 1200150B |
C00112567
482000079816 |
PANEL ČELNÍ BÍLÁ | Na dotaz | Zadat poptávku | |
| 202 1200150B |
C00112582 | SCREW NO 8 x 1/2 | Na dotaz | Zadat poptávku | |
| 203 1200150B |
C00117326
482000028947 |
PATICE | Na dotaz | Zadat poptávku | |
| 210 1200150B |
C00091911
482000027889 |
MIKROSP.BLOKOVÁNÍ DVÍŘEK AVD 5 KONTAKTŮ | Na dotaz | Zadat poptávku | |
| 211 1200150B |
C00112583 | SCREW PAN POZI | Na dotaz | Zadat poptávku | |
| 213 1200150B |
C00112587
482000067754 |
LATCH DOOR | Na dotaz | Zadat poptávku | |
| 214 1200150B |
C00095992
482000078277 |
LATCH PIVOT PIN | Na dotaz | Zadat poptávku | |
| 215 1200150B |
C00112588
482000070093 |
LATCH SPRING | Na dotaz | Zadat poptávku | |
| 216 1200150B |
C00113820
482000079969 |
MADLO KUL. DVÍŘKA | Na dotaz | Zadat poptávku | |
| 220 1200150B |
C00144134
482000029862 |
TĚSNĚNÍ KUL. DVÍŘEK PRAČKY | Na dotaz | Zadat poptávku | |
| 221 1200150B |
C00112571
482000070109 |
BELLOWS CLAMP (TANK FRONT) AVXXL105EX | Na dotaz | Zadat poptávku | |
| 221 1200150B |
C00264305
482000085790 |
NAPĚŤOVÝ KROUŽEK ZADNÍ PRUŽINOVÝ | Na dotaz | Zadat poptávku | |
| 222 1200150B |
C00112572
482000070102 |
CLAMPING RING - BELLOWS SEAL FRONT | Na dotaz | Zadat poptávku | |
| 230 1200150B |
C00112193
482000079769 |
DOOR HINGE 'AS60VEX' | Na dotaz | Zadat poptávku | |
| 230 1200150B |
C00112593
482000070060 |
SCREW 4.5 X 8 ZN | Na dotaz | Zadat poptávku | |
| 240 1200150B |
C00113961
482000069830 |
DOOR BOWL AVXXF | Na dotaz | Zadat poptávku | |
| 241 1200150B |
C00112190
482000079767 |
RÁM OKÉNKO 'AS60VEX' | Na dotaz | Zadat poptávku | |
| 242 1200150B |
C00113962
482000069951 |
DOOR TRIM-REAR AVXXF | Na dotaz | Zadat poptávku | |
| 243 1200150B |
C00039537
482000073799 |
SCREW (M6 X 12) | Na dotaz | Zadat poptávku | |
| 301 1200230 |
C00117329
482000028948 |
KŘIŽÁK ROTOR 35MM | Na dotaz | Zadat poptávku | |
| 301 1200230 |
C00201310
482000083905 |
TORX SCREW M8 | Na dotaz | Zadat poptávku | |
| 301 1200230 |
C00202418
482000030296 |
35MM BEARING KIT | Na dotaz | Zadat poptávku | |
| 301 1200230 |
C00254590
482000030387 |
DRUM BEARING KIT (30MM) | Na dotaz | Zadat poptávku | |
| 302 1200230 |
C00144135
482000082088 |
VANA PLASTOVÁ | Na dotaz | Zadat poptávku | |
| 303 1200230 |
C00144137
482000082089 |
JEDNOTKA VANY KIT 35 MM | Na dotaz | Zadat poptávku | |
| 304 1200230 |
C00144138
482000082090 |
ROTOR | Na dotaz | Zadat poptávku | |
| 305 1200230 |
C00112681
482000022823 |
LIFTER | Na dotaz | Zadat poptávku | |
| 306 1200230 |
C00112682
482000028611 |
DRUM SEAL | Na dotaz | Zadat poptávku | |
| 307 1200230 |
C00051737
482000074649 |
ŠROUB TORX M8 PRO 27 DRI-LOC'ALS748TX' | Na dotaz | Zadat poptávku | |
| 310 1200230 |
C00144141 | PROTIZÁVAŽÍ HORNÍ AVXXL109/1EX | Na dotaz | Zadat poptávku | |
| 311 1200230 |
C00144142 | PROTIZÁVAŽÍ PŘEDNÍ DOLNÍ LITINA AVXXL109 | Na dotaz | Zadat poptávku | |
| 312 1200230 |
C00112683
482000070517 |
COUNTERWEIGHT FIXING | Na dotaz | Zadat poptávku | |
| 315 1200230 |
C00112684 | THIMBLE SPACER | Na dotaz | Zadat poptávku | |
| 320 1200230 |
C00112575
482000028596 |
ŘEMENICE VEDENÍ AVXXL105EX | Na dotaz | Zadat poptávku | |
| 321 1200230 |
C00112685
482000079838 |
PULLEY WASHER 4 MM THICK | Na dotaz | Zadat poptávku | |
| 323 1200230 |
C00112576
482000028597 |
ŘEMEN J5 - 1158 | Na dotaz | Zadat poptávku | |
| 330 1200230 |
C00144157
482000082094 |
MOTOR TROJFÁZOVÝ (STATOR 60) | Na dotaz | Zadat poptávku | |
| 332 1200230 |
C00112687
482000072437 |
FLEXIBLE MOTOR MOUNT | Na dotaz | Zadat poptávku | |
| 333 1200230 |
C00112686
482000079839 |
DRUM PULLEY RETAINING BOLT | Na dotaz | Zadat poptávku | |
| 334 1200230 |
C00112688
482000069458 |
PULLEY RETAIN BOLT | Na dotaz | Zadat poptávku | |
| 335 1200230 |
C00112689
482000079840 |
LOCKWASHER | Na dotaz | Zadat poptávku | |
| 340 1200230 |
C00112578
482000028598 |
TOPNÉ TĚLÍSKO + SONDA AVXXL105EX | Na dotaz | Zadat poptávku | |
| 341 1200230 |
C00112690
482000079841 |
HEATER BRACKET | Na dotaz | Zadat poptávku | |
| 350 1200230 |
C00112691
482000022824 |
TANK SPRING | Na dotaz | Zadat poptávku | |
| 351 1200230 |
C00144143 | OBJÍMKA PŘIPEVNĚNÍ DOLNÍHO SEŘÍZ. | Na dotaz | Zadat poptávku | |
| 352 1200230 |
C00271755
482000023120 |
SUSPENSION DAMPER KIT (6 & 7KG) | Na dotaz | Zadat poptávku | |
| 353 1200230 |
C00112694 | SCREW | Na dotaz | Zadat poptávku | |
| 353 1200230 |
C00195796 | ŠROUB NO8 X 1/2 AB | Na dotaz | Zadat poptávku | |
| 354 1200230 |
C00112695
482000028613 |
PLASTIC DAMPER PAG | Na dotaz | Zadat poptávku | |
| 363 1200230 |
C00112697
482000079842 |
AIR TRAP HOSE | Na dotaz | Zadat poptávku | |
| 363 1200230 |
C00112698 | CABINET HOSE CLIP | Na dotaz | Zadat poptávku | |
| 365 1200230 |
C00112696
482000028614 |
SUMP ASSEMBLY | Na dotaz | Zadat poptávku | |
| 366 1200230 |
C00112699 | FIX CLIP DRUM / SUMP HOSE | Na dotaz | Zadat poptávku | |
| 367 1200230 |
C00112656
482000079836 |
DRAIN HOSE CLIP | Na dotaz | Zadat poptávku | |
| 370 1200230 |
C00112700
482000079843 |
CABLE TIE | Na dotaz | Zadat poptávku | |
| 372 1200230 |
C00118503 | TĚSNĚNÍ ŠROUBU | Na dotaz | Zadat poptávku | |
| 373 1200230 |
C00118502
482000080784 |
WEIGHT FIXING | Na dotaz | Zadat poptávku | |
| 401 1200350 |
C00112630
482000079828 |
TOP COVER | Na dotaz | Zadat poptávku | |
| 402 1200350 |
C00112631
482000071390 |
SCREW TOP COVER | Na dotaz | Zadat poptávku | |
| 408 1200350 |
C00112633 | FRONT PANEL RETAINER | Na dotaz | Zadat poptávku | |
| 410 1200350 |
C00144147
482000069750 |
SKŘÍŇ BÍLÝ | Na dotaz | Zadat poptávku | |
| 412 1200350 |
C00112637
482000079831 |
PANEL ZADNÍ | Na dotaz | Zadat poptávku | |
| 416 1200350 |
C00112640
482000079832 |
ADJUSTABLE FOOT ASSEMBLY | Na dotaz | Zadat poptávku | |
| 418 1200350 |
C00254530
482000023032 |
Modul pračky 3PH inc EEP | 3 652 Kč
€ 149.90 |
||
| 419 1200350 |
C00112735
488000112735 |
CAP SERIAL PORT | Na dotaz | Zadat poptávku | |
| 420 1200350 |
C00112646 | CABINET HOSE CLIP | Na dotaz | Zadat poptávku | |
| 421 1200350 |
C00112647 | CLIP | Na dotaz | Zadat poptávku | |
| 430 1200350 |
C00141983
482000081765 |
ZESTAW OPAKOW. AVXXF147FR | Na dotaz | Zadat poptávku | |
| 440 1200350 |
C00112653
482000028602 |
ČERPADLO ODPADU | Na dotaz | Zadat poptávku | |
| 440 1200350 |
C00112654
482000079835 |
PUMP FLAP VALVE | Na dotaz | Zadat poptávku | |
| 441 1200350 |
C00112655
482000028603 |
TUBO SCARICO SPIRALATO L=1600MM | Na dotaz | Zadat poptávku | |
| 444 1200350 |
C00112658
482000068362 |
DRAIN HOSE HOOK | Na dotaz | Zadat poptávku | |
| 450 1200350 |
C00194160
482000083121 |
REGULAČNÍ TLAKOMĚR 7 KG | Na dotaz | Zadat poptávku | |
| 450 1200350 |
C00144165
482000071027 |
REGULAČNÍ TLAKOMĚR | Na dotaz | Zadat poptávku | |
| 463 1200350 |
C00112667
482000079837 |
TRUBKA NAPOUŠTĚNÍ TEPLÉ 2M | Na dotaz | Zadat poptávku | |
| 464 1200350 |
C00143652
482000082024 |
PODPĚRA ELEKTROVENTILU 1 EV | Na dotaz | Zadat poptávku | |
| 470 1200350 |
C00144149
482000070216 |
VEDENÍ PŘÍVODNÍHO KABELU TROJFÁZOVÁ | Na dotaz | Zadat poptávku | |
| 472 1200350 |
C00095586
482000078209 |
SCREW | Na dotaz | Zadat poptávku | |
| 475 1200350 |
C00112673 | CABLE CLAMP | Na dotaz | Zadat poptávku | |
| 476 1200350 |
C00112675 | WIRING STOP | Na dotaz | Zadat poptávku | |
| 477 1200350 |
C00112677
482000028608 |
BEARING SPRING TOP | Na dotaz | Zadat poptávku | |
| 478 1200350 |
C00112676
482000028607 |
BEARING KEEPER PLATE | Na dotaz | Zadat poptávku | |
| 480 1200350 |
C00142555 | ZÁTKA FILTRU | Na dotaz | Zadat poptávku | |
| 481 1200350 |
C00112770
482000079850 |
ACOUSTIC SIDE PANEL | Na dotaz | Zadat poptávku | |
| 499 1200350 |
C00113941 | USER INSTRUCTIONS 1GB-IT-F-E-PL-CZ-RU-AR | Na dotaz | Zadat poptávku | |
| 499 1200350 |
C00260392 | USER INSTRUCTIONS 2GB-IT-F-E-PL-CZ-RU-AR | Na dotaz | Zadat poptávku | |
| 500 1200350 |
C00274243
488000274243 |
CARD AVXXF129/1EXEVOII 50MM MOTOR STACK | Na dotaz | Zadat poptávku | |
| 500 1200350 |
C00274244
488000274244 |
CARD AVXXF129/1EX 60MM MOTOR STACK | Na dotaz | Zadat poptávku | |
| 501 1200350 |
C00272306
488000272306 |
SMART READER FOR CARD 8KB 32KB + HOOD | Na dotaz | Zadat poptávku | |