WHIRLPOOL AWG418/WP WASHING MACHINES WP
Zeptejte se. Rádi poradíme.
Marek Proche
Zákaznická podpora
Po–Čt 8:00—17:00
Pá 8:00—15:00
poradna@servis-whirlpool.cz
| Komerční kód: | AWG418/WP WASHING MACHINES WP |
| Kód 12NC/I.C. kód: | 853741829150 |
| Značka: | WHIRLPOOL |
| Typ produktu: | Pračky |
Potřebujete servis? Jsme tady pro Vás
Nabídka náhradních dílů
| Číslo | Kód | Název | Cena | ||
|---|---|---|---|---|---|
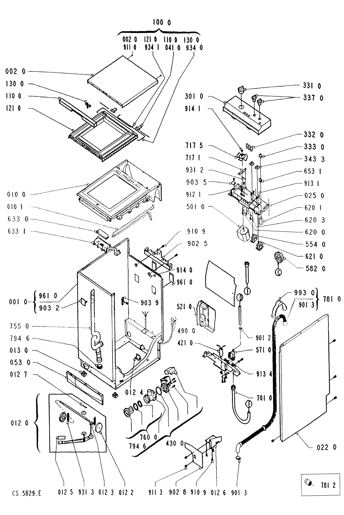
| 001 0 WHR72314 |
C00343935
481944019493 |
skrin pracky T12 | Na dotaz | Zadat poptávku | |
| 002 0 WHR72314 |
C00556012
481944018975 |
nahradene 481944019809 | Na dotaz | Zadat poptávku | |
| 010 0 WHR72314 |
C00621107
481944019601 |
Horna doska | Na dotaz | Zadat poptávku | |
| 010 1 WHR72314 |
C00582296
481940478394 |
Zliabok pre vodice N | Na dotaz | Zadat poptávku | |
| 012 0 WHR72314 |
C00498899
481931018304 |
podvozek vysuvny | Na dotaz | Zadat poptávku | |
| 012 2 WHR72314 |
C00337191
481952878044 |
WHEEL | Na dotaz | Zadat poptávku | |
| 012 3 WHR72314 |
C00344180
481953268171 |
pouzdro | Na dotaz | Zadat poptávku | |
| 012 4 WHR72314 |
C00336789
481952878045 |
kolecko zadni T12 | Na dotaz | Zadat poptávku | |
| 012 5 WHR72314 |
C00340031
481949868976 |
krytka paky podvozku | Na dotaz | Zadat poptávku | |
| 012 6 WHR72314 |
C00335784
481946279426 |
Support trolley | Na dotaz | Zadat poptávku | |
| 012 7 WHR72314 |
C00499585
481953078037 |
spona podvozku | Na dotaz | Zadat poptávku | |
| 013 0 WHR72314 |
C00384633
481946248485 |
Adjust. foot | Na dotaz | Zadat poptávku | |
| 022 0 WHR72314 |
C00341536
481944018976 |
stena bocni skrine | Na dotaz | Zadat poptávku | |
| 025 0 WHR72314 |
C00484403
481944019651 |
nosic elektrodilu | Na dotaz | Zadat poptávku | |
| 041 0 WHR72314 |
C00490607
481941719616 |
ZAVES DVIEROK PRACKY AWG695 N | Na dotaz | Zadat poptávku | |
| 053 0 WHR72314 |
C00582332
481944019876 |
SOKEL AWG695 N | Na dotaz | Zadat poptávku | |
| 061 0 WHR72314 |
C00499451
481946689041 |
HORNE PROTIZAVAZIE BETON | Na dotaz | Zadat poptávku | |
| 061 1 WHR72314 |
C00499450
481946688978 |
Dolne protizavazie S | Na dotaz | Zadat poptávku | |
| 061 2 WHR72314 |
C00341032
481946688752 |
Fastener | Na dotaz | Zadat poptávku | |
| 080 0 WHR72314 |
C00384634
481952918054 |
Shock absorber | Na dotaz | Zadat poptávku | |
| 100 0 WHR72314 |
C00486548
481944019877 |
dvere pracky kompl. | Na dotaz | Zadat poptávku | |
| 110 0 WHR72314 |
C00585565
481949878359 |
RUKOVAT DVIEROK PRACKY plast N | Na dotaz | Zadat poptávku | |
| 121 0 WHR72314 |
C00582331
481944019875 |
SPODOK DVIEROK PR??KY (KD) | Na dotaz | Zadat poptávku | |
| 130 0 WHR72314 |
C00492698
481953578144 |
Kolík uzamykací T12 | 169 Kč
€ 7.00 |
||
| 141 0 WHR72314 |
C00557444
481941878964 |
VRCH DVIEROK N?DR#E - BIELY | Na dotaz | Zadat poptávku | |
| 143 0 WHR72314 |
C00621129
481945948602 |
hrdlo nadrze bileT12 | Na dotaz | Zadat poptávku | |
| 200 0 WHR72314 |
C00337448
481941818275 |
Tub | Na dotaz | Zadat poptávku | |
| 201 0 WHR72314 |
C00499138
481944019606 |
Bo#nica n#dr#e komplet NDA | Na dotaz | Zadat poptávku | |
| 220 0 WHR72314 |
C00341196
481941818306 |
Drum | Na dotaz | Zadat poptávku | |
| 223 0 WHR72314 |
C00315124
481941849713 |
Drum lifter | Na dotaz | Zadat poptávku | |
| 252 0 WHR72314 |
C00343395
481940478686 |
Clamp | Na dotaz | Zadat poptávku | |
| 271 0 WHR72314 |
C00375174
481935818134 |
Řemen PV 1310 J5 pračky Whirlpool, Ignis | 558 Kč
€ 23.00 |
||
| 272 0 WHR72314 |
C00492625
481952888118 |
remenice bubnu | Na dotaz | Zadat poptávku | |
| 272 1 WHR72314 |
C00336840
481953228263 |
Ring Cone 10 degres | Na dotaz | Zadat poptávku | |
| 292 0 WHR72314 |
C00499596
481953268244 |
TESNENIE NADRZE UM/PLOCHE | Na dotaz | Zadat poptávku | |
| 301 0 WHR72314 |
C00585535
481945328326 |
Control panel. | Na dotaz | Zadat poptávku | |
| 303 0 WHR72314 |
C00621141
481949869853 |
Rukovat dvierok N?DRŤE - BIELA | Na dotaz | Zadat poptávku | |
| 331 0 WHR72314 |
C00490491
481941258706 |
knoflik programatoru | Na dotaz | Zadat poptávku | |
| 332 0 WHR72314 |
C00494548
481941028653 |
kryt tlacitka | Na dotaz | Zadat poptávku | |
| 333 0 WHR72314 |
C00494553
481941028758 |
Krytka tlacidla so signßlkou *** N | Na dotaz | Zadat poptávku | |
| 337 0 WHR72314 |
C00585469
481941258708 |
knoflik ovladaci | Na dotaz | Zadat poptávku | |
| 343 3 WHR72314 |
C00494691
481952838131 |
unasec knofliku tep. | Na dotaz | Zadat poptávku | |
| 401 0 WHR72314 |
C00498967
481936158141 |
motor komutatorovy | Na dotaz | Zadat poptávku | |
| 401 1 WHR72314 |
C00312014
481931088529 |
Uhlíky motoru - pár 13,6x5x32 mm | 208 Kč
€ 8.60 |
||
| 421 0 WHR72314 |
C00338673
481921838031 |
Filtr odrušovací | 677 Kč
€ 27.90 |
||
| 430 0 WHR72314 |
C00337049
481936018203 |
Pump, draining - 7818.48914 | Na dotaz | Zadat poptávku | |
| 451 0 WHR72314 |
C00339920
481925928459 |
Heating element 1850 W | Na dotaz | Zadat poptávku | |
| 451 2 WHR72314 |
C00343373
481940449558 |
drzak topeni | Na dotaz | Zadat poptávku | |
| 490 0 WHR72314 |
C00582269
481932118292 |
PR?VODOV? ŽN?RA 3x1 mm2 - 2 m | Na dotaz | Zadat poptávku | |
| 501 0 WHR72314 |
C00494400
481928218679 |
programator 680.1 | Na dotaz | Zadat poptávku | |
| 501 1 WHR72314 |
C00498873
481928168026 |
TACHODYNAMO N | Na dotaz | Zadat poptávku | |
| 521 0 WHR72314 |
C00337357
481921478406 |
regulator motoru | Na dotaz | Zadat poptávku | |
| 551 6 WHR72314 |
C00335527
481928248255 |
Termostat pračky Whirlpool 60 °C | Na dotaz | Zadat poptávku | |
| 554 0 WHR72314 |
C00498885
481928248082 |
TERMOSTAT KAPIL?RNY | Na dotaz | Zadat poptávku | |
| 571 0 WHR72314 |
C00582259
481928128265 |
ventil jednocestny | Na dotaz | Zadat poptávku | |
| 582 0 WHR72314 |
C00620486
481927128926 |
presostat 680.1 | Na dotaz | Zadat poptávku | |
| 620 0 WHR72314 |
C00494318
481927618265 |
tlacitko 1/2 T12 | 205 Kč
€ 8.40 |
||
| 620 1 WHR72314 |
C00555789
481927618286 |
nahradene 481941029126 | Na dotaz | Zadat poptávku | |
| 620 3 WHR72314 |
C00503175
481927138047 |
tlacitko 1/2 T12 | Na dotaz | Zadat poptávku | |
| 621 0 WHR72314 |
C00337598
481927328406 |
potenciometr | Na dotaz | Zadat poptávku | |
| 633 0 WHR72314 |
C00555778
481927138149 |
Nahradene 481927138287 | Na dotaz | Zadat poptávku | |
| 633 1 WHR72314 |
C00484376
481940478969 |
Držák zámku dveří vrchem plněné pračky Whirlpool, Ignis | Na dotaz | Zadat poptávku | |
| 653 1 WHR72314 |
C00582532
481940478971 |
DRŤIAK TLA?. SP?NA?A 0/I (so signßlkou) | Na dotaz | Zadat poptávku | |
| 701 0 WHR72314 |
C00314542
481953028932 |
60Bars 25# WRC,VDE, IMQ straight/curved | Na dotaz | Zadat poptávku | |
| 702 0 WHR72314 |
C00582415
481953028896 |
Hadica od ventilu gum. S | Na dotaz | Zadat poptávku | |
| 710 0 WHR72314 |
C00481875
481945948613 |
HRDLO S DVIERKAMI 4 KOM.BIELE | Na dotaz | Zadat poptávku | |
| 712 0 WHR72314 |
C00557445
481941878965 |
DVIERKA NADRZ.4KOM.BIELE PLAST. N | Na dotaz | Zadat poptávku | |
| 712 1 WHR72314 |
C00492715
481953598514 |
Oska dvierok nadrze W S | Na dotaz | Zadat poptávku | |
| 712 2 WHR72314 |
C00627167
481953598278 |
Pružina dveří násypky | Na dotaz | Zadat poptávku | |
| 712 3 WHR72314 |
C00557472
481944019602 |
SPODOK DVIER.NADRZ.4KOM. | Na dotaz | Zadat poptávku | |
| 717 0 WHR72314 |
C00344282
481932328009 |
Bowden cable | Na dotaz | Zadat poptávku | |
| 717 1 WHR72314 |
C00582393
481946698972 |
Paka distribucie vody plast. N | Na dotaz | Zadat poptávku | |
| 717 5 WHR72314 |
C00582411
481952838432 |
vacka distribuce vod | Na dotaz | Zadat poptávku | |
| 753 0 WHR72314 |
C00499573
481953028811 |
vzdusnik T12 | Na dotaz | Zadat poptávku | |
| 754 0 WHR72314 |
C00341272
481953028504 |
Hadice nádrž - čerpadlo pračky Whirlpool, Bauknecht, Ignis | 242 Kč
€ 10.00 |
||
| 755 0 WHR72314 |
C00339269
481953048443 |
trubka prepadu | Na dotaz | Zadat poptávku | |
| 760 0 WHR72314 |
C00338355
481936078363 |
Těleso vypouštěcího čerpadla (včetně filtru) pračky Whirlpool AWG 650 WP, AWG 681 WP. | 334 Kč
€ 13.70 |
||
| 781 0 WHR72314 |
C00339212
481953028783 |
HOSE,DRAINING | Na dotaz | Zadat poptávku | |
| 781 2 WHR72314 |
C00336275
481953268554 |
Spojka výtokovej had | Na dotaz | Zadat poptávku | |
| 794 5 WHR72314 |
C00340486
481953058026 |
Těsnění vzdušníku | 79 Kč
€ 3.30 |
||
| 794 6 WHR72314 |
C00340558
481953058031 |
Těsnění trubice přepadu pračky Whirlpool | 63 Kč
€ 2.60 |
||
| 901 0 WHR72314 |
C00582293
481940118806 |
Strap. | Na dotaz | Zadat poptávku | |
| 901 1 WHR72314 |
C00335979
481949268337 |
spona | Na dotaz | Zadat poptávku | |
| 901 2 WHR72314 |
C00335940
481940118362 |
Spona plastová SNP8 | Na dotaz | Zadat poptávku | |
| 901 3 WHR72314 |
C00498984
481940118563 |
SPONA PLASTOV? 24 | Na dotaz | Zadat poptávku | |
| 901 5 WHR72314 |
C00343292
481953538038 |
Clip bearing | Na dotaz | Zadat poptávku | |
| 902 1 WHR72314 |
C00498985
481940118579 |
Prichytka hadiciek N | Na dotaz | Zadat poptávku | |
| 902 5 WHR72314 |
C00339593
481940118572 |
Holder hose | Na dotaz | Zadat poptávku | |
| 902 8 WHR72314 |
C00337376
481940478396 |
Tube,stabilizer over flow | Na dotaz | Zadat poptávku | |
| 903 2 WHR72314 |
C00335805
481940449431 |
drzak prepadove trub | Na dotaz | Zadat poptávku | |
| 903 3 WHR72314 |
C00343267
481949268338 |
Clip tub | Na dotaz | Zadat poptávku | |
| 903 5 WHR72314 |
C00340986
481940118585 |
Fastener sleeve | Na dotaz | Zadat poptávku | |
| 903 7 WHR72314 |
C00499493
481949268381 |
Sponka ohrievacieho telesa S | Na dotaz | Zadat poptávku | |
| 903 9 WHR72314 |
C00335785
481940449688 |
Support Top | Na dotaz | Zadat poptávku | |
| 910 0 WHR72314 |
C00336704
481950238231 |
Screw | Na dotaz | Zadat poptávku | |
| 910 1 WHR72314 |
C00336705
481950218417 |
sroub remenice NT | Na dotaz | Zadat poptávku | |
| 910 5 WHR72314 |
C00336551
481950238265 |
sroub VAB 4,5*20 | Na dotaz | Zadat poptávku | |
| 910 9 WHR72314 |
C00336564
481950238286 |
Screw PLASGOB ST 45 | Na dotaz | Zadat poptávku | |
| 911 0 WHR72314 |
C00582405
481950218465 |
Screw. | Na dotaz | Zadat poptávku | |
| 911 2 WHR72314 |
C00336558
481950218343 |
Screw TF 5x30 | Na dotaz | Zadat poptávku | |
| 911 3 WHR72314 |
C00336565
481950238233 |
skroub HES CF 5,5×1 | Na dotaz | Zadat poptávku | |
| 911 4 WHR72314 |
C00582407
481950238289 |
SKRUTKA T 45 CBL 6x25 P | Na dotaz | Zadat poptávku | |
| 911 5 WHR72314 |
C00336595
481950218202 |
Screw CHC 6x25 | Na dotaz | Zadat poptávku | |
| 911 6 WHR72314 |
C00336559
481950238232 |
Screw TF 4x20TF 4x20 | Na dotaz | Zadat poptávku | |
| 912 0 WHR72314 |
C00336556
481950018108 |
Screw TH 8x60 | Na dotaz | Zadat poptávku | |
| 912 1 WHR72314 |
C00336560
481950218206 |
Screw TF 4x12TF 4x12 | Na dotaz | Zadat poptávku | |
| 912 7 WHR72314 |
C00336582
481950218209 |
sroub JAPY8*160 | Na dotaz | Zadat poptávku | |
| 912 8 WHR72314 |
C00336583
481950218208 |
sroub JAPY 8*110 | Na dotaz | Zadat poptávku | |
| 913 1 WHR72314 |
C00492583
481950238288 |
Skrutka SPT 45 RLZ 3,5x10 (036S) | Na dotaz | Zadat poptávku | |
| 913 4 WHR72314 |
C00336587
481950218211 |
Screw earthearth | Na dotaz | Zadat poptávku | |
| 914 0 WHR72314 |
C00499603
481953268363 |
kolik vodici-matice | Na dotaz | Zadat poptávku | |
| 914 1 WHR72314 |
C00499529
481950518283 |
Matica M5 samopoistn# N | Na dotaz | Zadat poptávku | |
| 915 1 WHR72314 |
C00335150
482250510547 |
Nut | Na dotaz | Zadat poptávku | |
| 923 0 WHR72314 |
C00499592
481953238095 |
PODLO#KA 8,4x35x4 | Na dotaz | Zadat poptávku | |
| 923 5 WHR72314 |
C00337233
481953258107 |
podlozka 8,3×30 | Na dotaz | Zadat poptávku | |
| 923 6 WHR72314 |
C00582517
482250510148 |
Podlozka AZ 8 S | Na dotaz | Zadat poptávku | |
| 923 7 WHR72314 |
C00336244
481953218174 |
podlozka ctvercova | Na dotaz | Zadat poptávku | |
| 931 2 WHR72314 |
C00336074
481949238084 |
pruzina posouvace | Na dotaz | Zadat poptávku | |
| 931 3 WHR72314 |
C00336119
481949238085 |
Pružina podvozku | Na dotaz | Zadat poptávku | |
| 932 3 WHR72314 |
C00582396
481949248131 |
pruzina zamku | Na dotaz | Zadat poptávku | |
| 934 0 WHR72314 |
C00582432
481953548005 |
Spring torque - right. | Na dotaz | Zadat poptávku | |
| 934 1 WHR72314 |
C00582431
481953548004 |
Spring torque - left. | Na dotaz | Zadat poptávku | |
| 941 0 WHR72314 |
C00496746
481952028029 |
tesnenie +lozisko bocnice | Na dotaz | Zadat poptávku | |
| 941 1 WHR72314 |
C00344400
481952028026 |
Ložisko s pouzdrem (ložiskový domek) pro vrchem plněné pračky Whirlpool AWG 680, Ignis | 261 Kč
€ 10.70 |
||
| 951 0 WHR72314 |
C00340559
481953058029 |
Gasket | Na dotaz | Zadat poptávku | |
| 952 0 WHR72314 |
C00486758
481946279347 |
záslepka otvoru tep. | Na dotaz | Zadat poptávku | |
| 953 0 WHR72314 |
C00340413
481932568041 |
Těsnění bubnu VS 25 | 206 Kč
€ 8.50 |
||
| 961 0 WHR72314 |
C00336347
481944019472 |
Shutter | Na dotaz | Zadat poptávku | |
| 962 2 WHR72314 |
C00337084
481946279336 |
Protector motor | Na dotaz | Zadat poptávku | |
| 993 0 WHR72314 |
C00316831
481953029028 |
Ohyb plastový/držák vypouštěcí hadice pračky | Na dotaz | Zadat poptávku | |