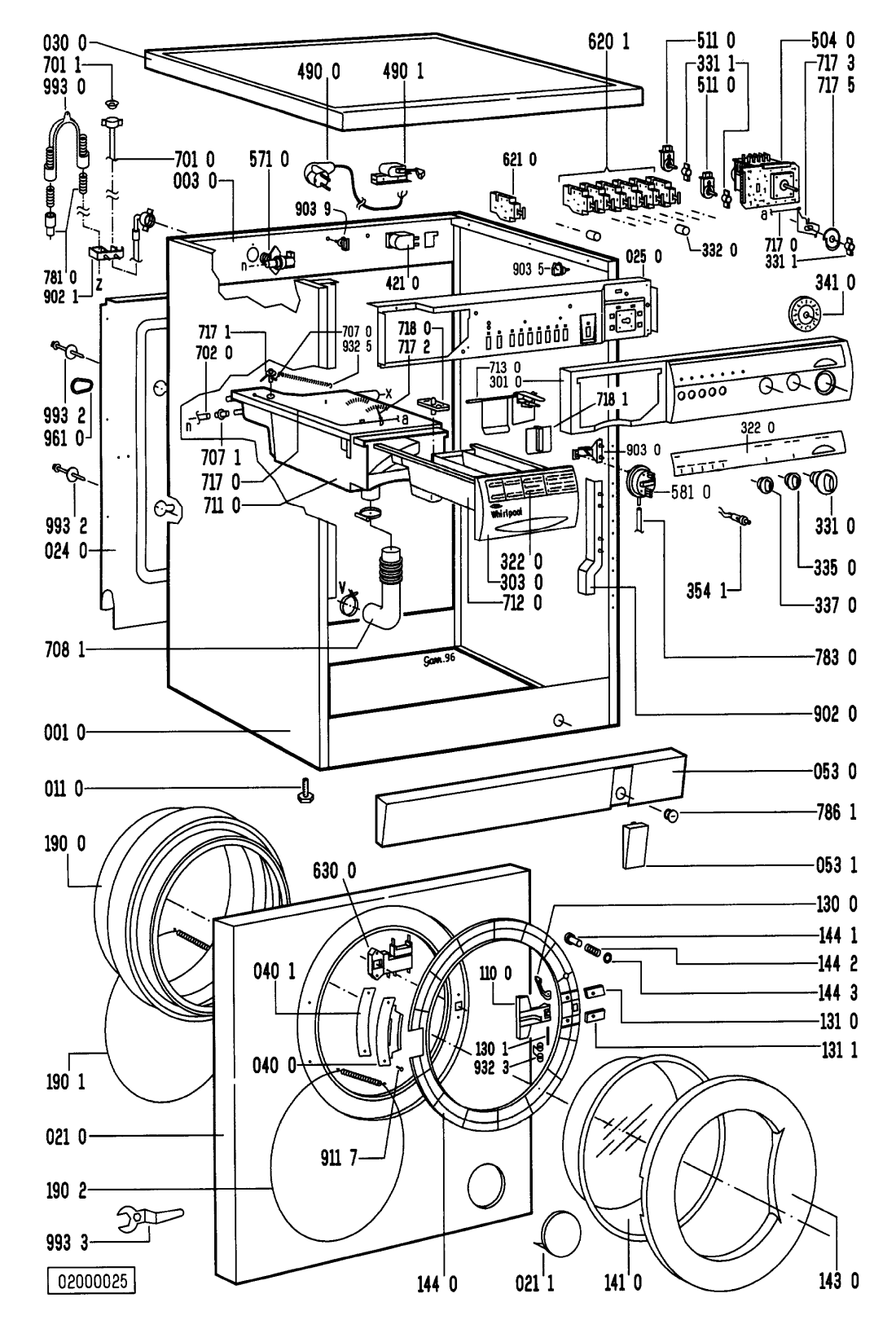
WHIRLPOOL AWM 016/WS-OTTO VERS
 
             
                 
                
    Zeptejte se. Rádi poradíme.
    
        
            
                
                     
              
        
        
            
    
    
             
            Marek Proche
                    
Zákaznická podpora
            
Po–Čt 8:00—17:00
                
Pá 8:00—15:00             
            
        
            
        poradna@servis-whirlpool.cz     
    
    
| Komerční kód: | AWM 016/WS-OTTO VERS | 
| Kód 12NC/I.C. kód: | 857004403000 | 
| Značka: | WHIRLPOOL | 
| Typ produktu: | Pračky | 
Potřebujete servis? Jsme tady pro Vás
Nabídka náhradních dílů
| Číslo | Kód | Název | Cena | ||
|---|---|---|---|---|---|
| 001 0 WHR102075 | C00343946 481244018996 | Cabinet | Na dotaz | Zadat poptávku | |
| 003 0 WHR102075 | C00335370 481246448099 | Traverse | Na dotaz | Zadat poptávku | |
| 011 0 WHR102075 | C00340775 481250018068 | Nastavitelná noha pračky | Na dotaz | Zadat poptávku | |
| 021 0 WHR102075 | C00558001 481244019344 | Front.. | Na dotaz | Zadat poptávku | |
| 021 1 WHR102075 | C00340881 481244019343 | kryt filtru | Na dotaz | Zadat poptávku | |
| 024 0 WHR102075 | C00341521 481244018997 | PANEL, REAR | Na dotaz | Zadat poptávku | |
| 025 0 WHR102075 | C00497925 481244019345 | LI?TA PREDNA AWM242 *** plast. N | Na dotaz | Zadat poptávku | |
| 030 0 WHR102075 | C00335637 481244019341 | TABLE TOP | Na dotaz | Zadat poptávku | |
| 040 0 WHR102075 | C00339842 481241718793 | HINGE | Na dotaz | Zadat poptávku | |
| 040 1 WHR102075 | C00497791 481241728009 | PODLOZKA ZAVESU AWM 242 N | Na dotaz | Zadat poptávku | |
| 053 0 WHR102075 | C00555478 481245938012 | PLINTH.. | Na dotaz | Zadat poptávku | |
| 053 1 WHR102075 | C00498299 481245938013 | VLOZKA SOKLA AWM248 N | Na dotaz | Zadat poptávku | |
| 061 0 WHR102075 | C00343070 481246688458 | zavazi horni | Na dotaz | Zadat poptávku | |
| 061 1 WHR102075 | C00343085 481246688459 | Counter weight front | Na dotaz | Zadat poptávku | |
| 080 0 WHR102075 | C00556314 481952918103 | NAHRADENE 481252918036 N | Na dotaz | Zadat poptávku | |
| 084 0 WHR102075 | C00330907 481246658001 | drzak pruziny agreg. | Na dotaz | Zadat poptávku | |
| 086 0 WHR102075 | C00316610 481240118409 | Holder Shock Absorber | Na dotaz | Zadat poptávku | |
| 086 1 WHR102075 | C00312274 481240118413 | Čep tlumiče | 1 772 Kč € 72.70 | ||
| 086 2 WHR102075 | C00314527 481240118412 | pojistka tlumice | 333 Kč € 13.70 | ||
| 110 0 WHR102075 | C00339968 481249818139 | Handle,door white | Na dotaz | Zadat poptávku | |
| 130 0 WHR102075 | C00312433 481241728046 | Lock Door | Na dotaz | Zadat poptávku | |
| 130 1 WHR102075 | C00312243 481241728045 | osa uzaveru dveri | 143 Kč € 5.90 | ||
| 131 0 WHR102075 | C00318057 481241728047 | desticka uzaveru dv. | 27 Kč € 1.10 | ||
| 131 1 WHR102075 | C00329782 481241728048 | Plate Doorlock LowerDoorlock Lower | Na dotaz | Zadat poptávku | |
| 141 0 WHR102075 | C00320431 481245068219 | Door glass | Na dotaz | Zadat poptávku | |
| 143 0 WHR102075 | C00340323 481244019342 | ram dveri | Na dotaz | Zadat poptávku | |
| 144 0 WHR102075 | C00340711 481245928043 | Frame,door glas | Na dotaz | Zadat poptávku | |
| 144 1 WHR102075 | C00345878 481249818137 | Knob Door safetyDoor safety | Na dotaz | Zadat poptávku | |
| 144 2 WHR102075 | C00318221 481249258023 | Spring Door Safety | Na dotaz | Zadat poptávku | |
| 144 3 WHR102075 | C00313732 481229068153 | drzak pojistky | Na dotaz | Zadat poptávku | |
| 190 0 WHR102075 | C00342114 481246668527 | DOOR BELLOW | Na dotaz | Zadat poptávku | |
| 190 1 WHR102075 | C00313764 481249218017 | spona TVO - vnitřní | 149 Kč € 6.10 | ||
| 190 2 WHR102075 | C00311875 481249298011 | spona TVO - přední stěna | 111 Kč € 4.60 | ||
| 200 1 WHR102075 | C00317773 481241818188 | TUB FRONT PART 48L,120 | Na dotaz | Zadat poptávku | |
| 200 2 WHR102075 | C00337431 481241818192 | Tub rear part | Na dotaz | Zadat poptávku | |
| 200 3 WHR102075 | C00339179 481252018065 | Ložiskový domek AWM 250 | Na dotaz | Zadat poptávku | |
| 200 4 WHR102075 | C00314317 481229088054 | Spona nádrže | 378 Kč € 15.50 | ||
| 220 0 WHR102075 | C00341199 481241818201 | Drum | Na dotaz | Zadat poptávku | |
| 223 0 WHR102075 | C00341177 481951528244 | Drum lifter | Na dotaz | Zadat poptávku | |
| 271 0 WHR102075 | C00311078 481235818056 | Řemen PV 1250 J4 EL pračky Whirlpool | 100 Kč € 4.10 | ||
| 272 0 WHR102075 | C00337067 481252858027 | pulley DIAM.298DIAM.298 | Na dotaz | Zadat poptávku | |
| 292 0 WHR102075 | C00340418 481253058094 | GASKET TUB | Na dotaz | Zadat poptávku | |
| 301 0 WHR102075 | C00498144 481245219246 | panel ovladaci | Na dotaz | Zadat poptávku | |
| 303 0 WHR102075 | C00760966 481249818141 | Handle drawer | Na dotaz | Zadat poptávku | |
| 322 0 WHR102075 | C00761023 481245219456 | Insert panel AWM 016-D | Na dotaz | Zadat poptávku | |
| 331 0 WHR102075 | C00760968 481241348227 | Knob 2A | Na dotaz | Zadat poptávku | |
| 331 1 WHR102075 | C00344646 481241318198 | Adapter f. button | Na dotaz | Zadat poptávku | |
| 332 0 WHR102075 | C00337033 481241028547 | Push button | Na dotaz | Zadat poptávku | |
| 335 0 WHR102075 | C00338527 481241348228 | Knob | Na dotaz | Zadat poptávku | |
| 337 0 WHR102075 | C00760990 481241348233 | Knob Spin Speed 1200 | Na dotaz | Zadat poptávku | |
| 341 0 WHR102075 | C00761020 481241318203 | Disc,indication Timer2A/2A- | Na dotaz | Zadat poptávku | |
| 354 1 WHR102075 | C00341485 481213448196 | Pilot lamp | Na dotaz | Zadat poptávku | |
| 401 0 WHR102075 | C00315331 481236158094 | Motor 1000,1200 MCA52/ | Na dotaz | Zadat poptávku | |
| 401 1 WHR102075 | C00311127 481236248004 | Brush,carbon, Motor CESET | Na dotaz | Zadat poptávku | |
| 421 0 WHR102075 | C00326769 481212118142 | Interf.filter 1,00 uF1,00 uF. | Na dotaz | Zadat poptávku | |
| 430 0 WHR102075 | C00337062 481236018362 | PUMP | Na dotaz | Zadat poptávku | |
| 451 0 WHR102075 | C00339950 481225928662 | Heating element 2050W + NTC PROBE | Na dotaz | Zadat poptávku | |
| 490 0 WHR102075 | C00316393 481932118136 | Flexo kabel 2 m, konektory | Na dotaz | Zadat poptávku | |
| 490 1 WHR102075 | C00309418 481232128367 | Přechodka | 324 Kč € 13.30 | ||
| 504 0 WHR102075 | C00335421 481228218458 | Timer MASK 3 2A | Na dotaz | Zadat poptávku | |
| 511 0 WHR102075 | C00336534 481241348223 | Selector Temp./Spin | Na dotaz | Zadat poptávku | |
| 571 0 WHR102075 | C00337287 481228128368 | VALVE,MAGNET SINGLE | Na dotaz | Zadat poptávku | |
| 581 0 WHR102075 | C00337555 481227128366 | PRESSOSTAT | Na dotaz | Zadat poptávku | |
| 620 1 WHR102075 | C00335726 481227618238 | Switch Options | Na dotaz | Zadat poptávku | |
| 621 0 WHR102075 | C00554937 481227618245 | NAHRADENE 481941029004 N | Na dotaz | Zadat poptávku | |
| 630 0 WHR102075 | C00320776 481228058023 | Door lock | Na dotaz | Zadat poptávku | |
| 701 0 WHR102075 | C00339221 481253028082 | Hose, inlet 3/8Z cpl. | Na dotaz | Zadat poptávku | |
| 701 0 WHR102075 | C00339222 481953028283 | Hose, inlet.2m | Na dotaz | Zadat poptávku | |
| 701 0 WHR102075 | C00498607 481253028081 | HADICA | Na dotaz | Zadat poptávku | |
| 701 1 WHR102075 | C00555573 481248058076 | SIEVE INLET.. | Na dotaz | Zadat poptávku | |
| 702 0 WHR102075 | C00339219 481253028828 | Hose, inlet intern | Na dotaz | Zadat poptávku | |
| 707 0 WHR102075 | C00317102 481252648031 | Tryska násypky pračky | 104 Kč € 4.30 | ||
| 707 1 WHR102075 | C00332324 481252648028 | Tryska násypky pračky | Na dotaz | Zadat poptávku | |
| 708 1 WHR102075 | C00313009 481253048143 | hadice k násypce pračky Whirlpool uz nebude !!!! | Na dotaz | Zadat poptávku | |
| 711 0 WHR102075 | C00317871 481241888025 | teleso nasypky | Na dotaz | Zadat poptávku | |
| 712 0 WHR102075 | C00341235 481241878036 | DRAWER DETERGENT | Na dotaz | Zadat poptávku | |
| 713 0 WHR102075 | C00317121 481241888019 | vlozka nasypky klap. | Na dotaz | Zadat poptávku | |
| 717 0 WHR102075 | C00344284 481232128377 | Bowden cable | Na dotaz | Zadat poptávku | |
| 717 1 WHR102075 | C00328523 481232138013 | Páčka trysky násypky | Na dotaz | Zadat poptávku | |
| 717 2 WHR102075 | C00328522 481232138012 | drzak | 26 Kč € 1.10 | ||
| 717 3 WHR102075 | C00336270 481227888007 | posouvac | Na dotaz | Zadat poptávku | |
| 717 5 WHR102075 | C00497352 481228218459 | VACKA AWM031 N | Na dotaz | Zadat poptávku | |
| 718 0 WHR102075 | C00318585 481252648027 | viko prepadu nasypky | 54 Kč € 2.20 | ||
| 718 1 WHR102075 | C00314031 481241888018 | ovladac | 396 Kč € 16.20 | ||
| 753 1 WHR102075 | C00342745 481241868143 | vzdusnik | Na dotaz | Zadat poptávku | |
| 754 0 WHR102075 | C00312061 481253028826 | Hadice nádrž-čerpadlo | Na dotaz | Zadat poptávku | |
| 754 1 WHR102075 | C00309391 481253028832 | Kulička hadice mezi vanou a čerpadlem pračky Whirpool | 894 Kč € 36.70 | ||
| 754 2 WHR102075 | C00332413 481253028829 | Flange eco | Na dotaz | Zadat poptávku | |
| 760 0 WHR102075 | C00340935 481248058075 | Filter Set Pump | Na dotaz | Zadat poptávku | |
| 760 1 WHR102075 | C00340427 481241868138 | Gasket Sieve / Rough | Na dotaz | Zadat poptávku | |
| 781 0 WHR102075 | C00339372 481253028831 | HOSE,DRAINING | Na dotaz | Zadat poptávku | |
| 783 0 WHR102075 | C00317136 481253028827 | Hose Pressostat | Na dotaz | Zadat poptávku | |
| 786 0 WHR102075 | C00314984 481253028812 | Hadice vypouštěcího čerpadla pračky Whirlpool, Bauknecht, Ignis | 584 Kč € 24.00 | ||
| 786 1 WHR102075 | C00317781 481246278179 | threaded cap | Na dotaz | Zadat poptávku | |
| 787 0 WHR102075 | C00315511 481253028813 | hadice odparovaci | 447 Kč € 18.30 | ||
| 794 5 WHR102075 | C00319466 481253058098 | tesneni vzdusniku Náhrada 481010395017 | Na dotaz | Zadat poptávku | |
| 901 0 WHR102075 | C00343335 481240118415 | CLAMP,HOSE TUB | Na dotaz | Zadat poptávku | |
| 901 2 WHR102075 | C00335973 481240118401 | Strap | Na dotaz | Zadat poptávku | |
| 901 3 WHR102075 | C00316612 481240118414 | SPONA39,7 | 37 Kč € 1.50 | ||
| 902 0 WHR102075 | C00327311 481229088049 | Bracket | Na dotaz | Zadat poptávku | |
| 902 1 WHR102075 | C00327119 481225518204 | Vnější držák hadic pračky Whirlpool | Na dotaz | Zadat poptávku | |
| 903 0 WHR102075 | C00327120 481225518205 | Držák presostatu pračky Whirlpool | Na dotaz | Zadat poptávku | |
| 903 5 WHR102075 | C00327310 481229088048 | Cable clamp | Na dotaz | Zadat poptávku | |
| 903 9 WHR102075 | C00343868 481229088046 | Cable clamp | Na dotaz | Zadat poptávku | |
| 910 0 WHR102075 | C00336553 481250218383 | sroub M8*25loz.domu | 70 Kč € 2.90 | ||
| 911 7 WHR102075 | C00332781 481290308014 | sroub M5x16 H | Na dotaz | Zadat poptávku | |
| 912 0 WHR102075 | C00345895 481250218382 | Screw M8 X 35 | Na dotaz | Zadat poptávku | |
| 915 2 WHR102075 | C00313776 481250518371 | matice remenice | Na dotaz | Zadat poptávku | |
| 923 0 WHR102075 | C00337249 481253218024 | PODLOZKA | Na dotaz | Zadat poptávku | |
| 931 0 WHR102075 | C00336129 481249238363 | Spring | Na dotaz | Zadat poptávku | |
| 932 3 WHR102075 | C00312651 481249258022 | Pružina uzávěru dveří | 237 Kč € 9.70 | ||
| 932 5 WHR102075 | C00312356 481249238359 | Pružina trysky násypky | 13 Kč € 0.50 | ||
| 941 0 WHR102075 | C00344371 481231018366 | Bearing, kit KD Set Ag KD Set Agg2 | Na dotaz | Zadat poptávku | |
| 941 5 WHR102075 | C00339180 481252018067 | Hub 1200,48L | Na dotaz | Zadat poptávku | |
| 953 0 WHR102075 | C00313798 481253058099 | Shaft seal 1200 | Na dotaz | Zadat poptávku | |
| 953 1 WHR102075 | C00337964 481253058096 | krouzek lozisk.domu | Na dotaz | Zadat poptávku | |
| 961 0 WHR102075 | C00330912 481246668545 | Záslepka otvoru po zajišťovacím šroubu bubnu pračky Whirlpool | 206 Kč € 8.40 | ||
| 990 0 WHR102075 | C00332868 481931039227 | sroub do zavazi sada | Na dotaz | Zadat poptávku | |
| 990 1 WHR102075 | C00320457 481931039228 | Mounting kit Weight bottom | Na dotaz | Zadat poptávku | |
| 993 0 WHR102075 | C00344289 481253048017 | Bow | Na dotaz | Zadat poptávku | |
| 993 2 WHR102075 | C00338394 481226818015 | Lever,security | Na dotaz | Zadat poptávku | |
| 993 3 WHR102075 | C00328868 481239558004 | klic montazni | 64 Kč € 2.60 | ||