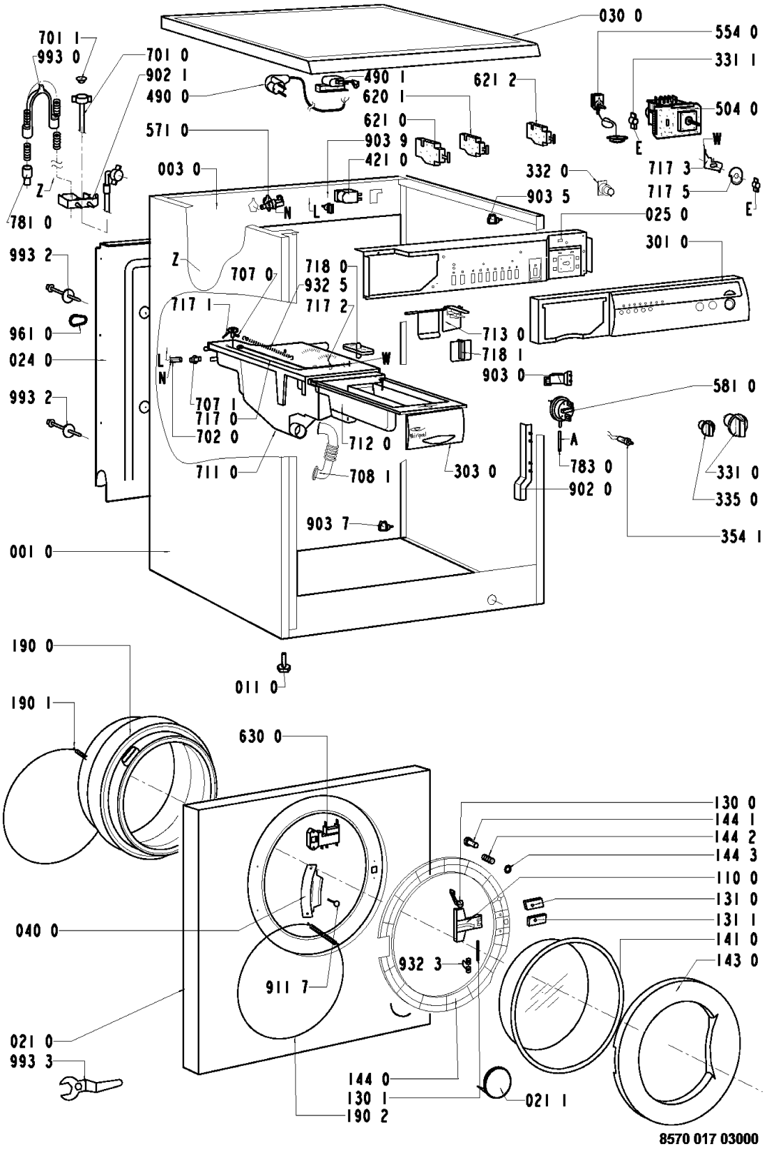
WHIRLPOOL AWM 017
 
             
                 
                
    Zeptejte se. Rádi poradíme.
    
        
            
                
                     
              
        
        
            
    
    
             
            Marek Proche
                    
Zákaznická podpora
            
Po–Čt 8:00—17:00
                
Pá 8:00—15:00             
            
        
            
        poradna@servis-whirlpool.cz     
    
    
| Komerční kód: | AWM 017 | 
| Kód 12NC/I.C. kód: | 857001703000 | 
| Značka: | WHIRLPOOL | 
| Typ produktu: | Pračky | 
| Další podobné modely: | 857001703500, 857031703000 | 
Potřebujete servis? Jsme tady pro Vás
Nabídka náhradních dílů
| Číslo | Kód | Název | Cena | ||
|---|---|---|---|---|---|
| 001 0 WHR101991 | C00343944 481944019716 | skrin pracky | Na dotaz | Zadat poptávku | |
| 003 0 WHR101991 | C00594457 481246448101 | PRIEAKA SKRINE - ZADN? N | Na dotaz | Zadat poptávku | |
| 011 0 WHR101991 | C00340814 481946248472 | Foot | Na dotaz | Zadat poptávku | |
| 021 0 WHR101991 | C00760995 481944019858 | Front | Na dotaz | Zadat poptávku | |
| 021 1 WHR101991 | C00340881 481244019343 | kryt filtru | Na dotaz | Zadat poptávku | |
| 024 0 WHR101991 | C00341522 481944019844 | Panel, rear | Na dotaz | Zadat poptávku | |
| 025 0 WHR101991 | C00497925 481244019345 | LI?TA PREDNA AWM242 *** plast. N | Na dotaz | Zadat poptávku | |
| 030 0 WHR101991 | C00335655 481944019788 | deska horni | Na dotaz | Zadat poptávku | |
| 040 0 WHR101991 | C00339842 481241718793 | HINGE | Na dotaz | Zadat poptávku | |
| 061 0 WHR101991 | C00343070 481246688458 | zavazi horni | Na dotaz | Zadat poptávku | |
| 061 1 WHR101991 | C00343085 481246688459 | Counter weight front | Na dotaz | Zadat poptávku | |
| 080 0 WHR101991 | C00313744 481252918036 | Shock absorber 600-120 | Na dotaz | Zadat poptávku | |
| 084 0 WHR101991 | C00330907 481246658001 | drzak pruziny agreg. | Na dotaz | Zadat poptávku | |
| 086 2 WHR101991 | C00314527 481240118412 | pojistka tlumice | 333 Kč € 13.70 | ||
| 110 0 WHR101991 | C00339968 481249818139 | Handle,door white | Na dotaz | Zadat poptávku | |
| 130 0 WHR101991 | C00312433 481241728046 | Lock Door | Na dotaz | Zadat poptávku | |
| 130 1 WHR101991 | C00312243 481241728045 | osa uzaveru dveri | 143 Kč € 5.90 | ||
| 131 0 WHR101991 | C00318057 481241728047 | desticka uzaveru dv. | 27 Kč € 1.10 | ||
| 131 1 WHR101991 | C00329782 481241728048 | Plate Doorlock LowerDoorlock Lower | Na dotaz | Zadat poptávku | |
| 141 0 WHR101991 | C00320431 481245068219 | Door glass | Na dotaz | Zadat poptávku | |
| 143 0 WHR101991 | C00340323 481244019342 | ram dveri | Na dotaz | Zadat poptávku | |
| 144 0 WHR101991 | C00340711 481245928043 | Frame,door glas | Na dotaz | Zadat poptávku | |
| 144 1 WHR101991 | C00345878 481249818137 | Knob Door safetyDoor safety | Na dotaz | Zadat poptávku | |
| 144 2 WHR101991 | C00318221 481249258023 | Spring Door Safety | Na dotaz | Zadat poptávku | |
| 144 3 WHR101991 | C00313732 481229068153 | drzak pojistky | Na dotaz | Zadat poptávku | |
| 190 0 WHR101991 | C00313381 481246068527 | Door bellow standard | Na dotaz | Zadat poptávku | |
| 190 1 WHR101991 | C00313764 481249218017 | spona TVO - vnitřní | 149 Kč € 6.10 | ||
| 190 2 WHR101991 | C00318256 481953058059 | spona TVO predni st. | Na dotaz | Zadat poptávku | |
| 200 1 WHR101991 | C00337454 481941818332 | nadrz predni cast | Na dotaz | Zadat poptávku | |
| 200 2 WHR101991 | C00337423 481941818312 | Tub, half rear | Na dotaz | Zadat poptávku | |
| 200 3 WHR101991 | C00339178 481252018068 | Ložiskový domek AWM 248 | 2 035 Kč € 83.50 | ||
| 200 4 WHR101991 | C00314317 481229088054 | Spona nádrže | 378 Kč € 15.50 | ||
| 220 0 WHR101991 | C00319950 481941818356 | DRUM | Na dotaz | Zadat poptávku | |
| 271 0 WHR101991 | C00311078 481235818056 | Řemen PV 1250 J4 EL pračky Whirlpool | 100 Kč € 4.10 | ||
| 272 0 WHR101991 | C00337067 481252858027 | pulley DIAM.298DIAM.298 | Na dotaz | Zadat poptávku | |
| 292 0 WHR101991 | C00311501 481253058101 | těsnění bočnice | 694 Kč € 28.50 | ||
| 301 0 WHR101991 | C00760996 481945328024 | Control panel | Na dotaz | Zadat poptávku | |
| 303 0 WHR101991 | C00760997 481949878322 | Handle | Na dotaz | Zadat poptávku | |
| 331 0 WHR101991 | C00378074 481941258673 | knoflik programatoru | Na dotaz | Zadat poptávku | |
| 331 1 WHR101991 | C00344646 481241318198 | Adapter f. button | Na dotaz | Zadat poptávku | |
| 332 0 WHR101991 | C00337034 481241028562 | Tlačítko - plast | Na dotaz | Zadat poptávku | |
| 335 0 WHR101991 | C00338439 481941258534 | knoflik termostatu | Na dotaz | Zadat poptávku | |
| 354 1 WHR101991 | C00341487 481913448497 | SIGNALKA | Na dotaz | Zadat poptávku | |
| 401 0 WHR101991 | C00312113 481936158259 | motor pračky | 4 344 Kč € 178.20 | ||
| 401 1 WHR101991 | C00311127 481236248004 | Brush,carbon, Motor CESET | Na dotaz | Zadat poptávku | |
| 421 0 WHR101991 | C00326769 481212118142 | Interf.filter 1,00 uF1,00 uF. | Na dotaz | Zadat poptávku | |
| 430 0 WHR101991 | C00555893 481936118436 | NAHRADENE 481236018383 N | Na dotaz | Zadat poptávku | |
| 451 0 WHR101991 | C00555737 481925928868 | NAHRADENE 481925928932 N | Na dotaz | Zadat poptávku | |
| 490 0 WHR101991 | C00316393 481932118136 | Flexo kabel 2 m, konektory | Na dotaz | Zadat poptávku | |
| 490 1 WHR101991 | C00309418 481232128367 | Přechodka | 324 Kč € 13.30 | ||
| 504 0 WHR101991 | C00760998 481928218737 | Timer | Na dotaz | Zadat poptávku | |
| 554 0 WHR101991 | C00315966 481928248313 | Thermostat TL-0126 | Na dotaz | Zadat poptávku | |
| 571 0 WHR101991 | C00312238 481227128375 | Napouštěcí ventil pračky - jednocestný, boční vývod | 546 Kč € 22.40 | ||
| 581 0 WHR101991 | C00555773 481927129019 | NAHRADENE 481227128381 N | Na dotaz | Zadat poptávku | |
| 620 1 WHR101991 | C00335725 481941029005 | spinac tlacitkovy | 772 Kč € 31.70 | ||
| 621 0 WHR101991 | C00311780 481941029004 | Spínač síťový | 128 Kč € 5.30 | ||
| 621 2 WHR101991 | C00335721 481941029006 | spinac tlacitkovy | Na dotaz | Zadat poptávku | |
| 630 0 WHR101991 | C00320776 481228058023 | Door lock | Na dotaz | Zadat poptávku | |
| 701 0 WHR101991 | C00314963 481953028848 | hadicenapousteci | Na dotaz | Zadat poptávku | |
| 701 1 WHR101991 | C00316490 481946669704 | tesneni + sitko | 173 Kč € 7.10 | ||
| 702 0 WHR101991 | C00313911 481953029019 | Hadice ventil - násypka pračky Whirlpool, Ignis, Bauknecht | 105 Kč € 4.30 | ||
| 707 0 WHR101991 | C00317102 481252648031 | Tryska násypky pračky | 104 Kč € 4.30 | ||
| 707 1 WHR101991 | C00332324 481252648028 | Tryska násypky pračky | Na dotaz | Zadat poptávku | |
| 708 1 WHR101991 | C00313009 481253048143 | hadice k násypce pračky Whirlpool uz nebude !!!! | Na dotaz | Zadat poptávku | |
| 711 0 WHR101991 | C00317871 481241888025 | teleso nasypky | Na dotaz | Zadat poptávku | |
| 712 0 WHR101991 | C00317123 481241888029 | Drawer DetergentDetergent | Na dotaz | Zadat poptávku | |
| 713 0 WHR101991 | C00317121 481241888019 | vlozka nasypky klap. | Na dotaz | Zadat poptávku | |
| 717 0 WHR101991 | C00311569 481932128092 | Bovden komplet | 398 Kč € 16.30 | ||
| 717 1 WHR101991 | C00328523 481232138013 | Páčka trysky násypky | Na dotaz | Zadat poptávku | |
| 717 2 WHR101991 | C00328522 481232138012 | drzak | 26 Kč € 1.10 | ||
| 717 3 WHR101991 | C00336270 481227888007 | posouvac | Na dotaz | Zadat poptávku | |
| 717 5 WHR101991 | C00556312 481952838442 | NAHRADENE 481952838455 N | Na dotaz | Zadat poptávku | |
| 718 0 WHR101991 | C00318585 481252648027 | viko prepadu nasypky | 54 Kč € 2.20 | ||
| 718 1 WHR101991 | C00314031 481241888018 | ovladac | 396 Kč € 16.20 | ||
| 753 1 WHR101991 | C00312723 481941868234 | vzdusnik | Na dotaz | Zadat poptávku | |
| 754 0 WHR101991 | C00312061 481253028826 | Hadice nádrž-čerpadlo | Na dotaz | Zadat poptávku | |
| 754 1 WHR101991 | C00309391 481253028832 | Kulička hadice mezi vanou a čerpadlem pračky Whirpool | 894 Kč € 36.70 | ||
| 754 2 WHR101991 | C00332413 481253028829 | Flange eco | Na dotaz | Zadat poptávku | |
| 760 0 WHR101991 | C00340935 481248058075 | Filter Set Pump | Na dotaz | Zadat poptávku | |
| 760 1 WHR101991 | C00340427 481241868138 | Gasket Sieve / Rough | Na dotaz | Zadat poptávku | |
| 781 0 WHR101991 | C00339372 481253028831 | HOSE,DRAINING | Na dotaz | Zadat poptávku | |
| 783 0 WHR101991 | C00317136 481253028827 | Hose Pressostat | Na dotaz | Zadat poptávku | |
| 787 0 WHR101991 | C00315511 481253028813 | hadice odparovaci | 447 Kč € 18.30 | ||
| 794 5 WHR101991 | C00340485 481253058095 | tesneni vzdusniku | 16 Kč € 0.70 | ||
| 901 0 WHR101991 | C00309461 481940118529 | Spona nádrž-čerpadlo | 105 Kč € 4.30 | ||
| 901 2 WHR101991 | C00335973 481240118401 | Strap | Na dotaz | Zadat poptávku | |
| 901 3 WHR101991 | C00316612 481240118414 | SPONA39,7 | 37 Kč € 1.50 | ||
| 902 0 WHR101991 | C00327311 481229088049 | Bracket | Na dotaz | Zadat poptávku | |
| 902 1 WHR101991 | C00327119 481225518204 | Vnější držák hadic pračky Whirlpool | Na dotaz | Zadat poptávku | |
| 903 0 WHR101991 | C00327120 481225518205 | Držák presostatu pračky Whirlpool | Na dotaz | Zadat poptávku | |
| 903 5 WHR101991 | C00327310 481229088048 | Cable clamp | Na dotaz | Zadat poptávku | |
| 903 7 WHR101991 | C00332928 481940118823 | SPONA | Na dotaz | Zadat poptávku | |
| 903 9 WHR101991 | C00343868 481229088046 | Cable clamp | Na dotaz | Zadat poptávku | |
| 910 0 WHR101991 | C00336743 481950218445 | sroub | Na dotaz | Zadat poptávku | |
| 910 1 WHR101991 | C00337990 481250518368 | Nut M10M10 | Na dotaz | Zadat poptávku | |
| 911 7 WHR101991 | C00332781 481290308014 | sroub M5x16 H | Na dotaz | Zadat poptávku | |
| 923 0 WHR101991 | C00337249 481253218024 | PODLOZKA | Na dotaz | Zadat poptávku | |
| 931 0 WHR101991 | C00320162 481949238139 | pruzina | Na dotaz | Zadat poptávku | |
| 932 3 WHR101991 | C00312651 481249258022 | Pružina uzávěru dveří | 237 Kč € 9.70 | ||
| 932 5 WHR101991 | C00312356 481249238359 | Pružina trysky násypky | 13 Kč € 0.50 | ||
| 941 0 WHR101991 | C00318543 481252028001 | Bearing,ball BB1-0625 DD | Na dotaz | Zadat poptávku | |
| 941 1 WHR101991 | C00315098 481252028002 | Ložisko 6203 SKF 2Z C3 | 173 Kč € 7.10 | ||
| 941 5 WHR101991 | C00343450 481952648464 | Connector | Na dotaz | Zadat poptávku | |
| 952 0 WHR101991 | C00340421 481946669882 | tesneni termostatu | Na dotaz | Zadat poptávku | |
| 953 0 WHR101991 | C00373715 481953278223 | Gufero 22x45x10 | 145 Kč € 5.90 | ||
| 953 1 WHR101991 | C00336860 481953278222 | Těsnící kroužek ložiskového domku | Na dotaz | Zadat poptávku | |
| 961 0 WHR101991 | C00343009 481232148004 | Cover | Na dotaz | Zadat poptávku | |
| 990 0 WHR101991 | C00332868 481931039227 | sroub do zavazi sada | Na dotaz | Zadat poptávku | |
| 990 1 WHR101991 | C00320457 481931039228 | Mounting kit Weight bottom | Na dotaz | Zadat poptávku | |
| 993 0 WHR101991 | C00344289 481253048017 | Bow | Na dotaz | Zadat poptávku | |
| 993 2 WHR101991 | C00338399 481226818016 | Lever,security | Na dotaz | Zadat poptávku | |
| 993 3 WHR101991 | C00328868 481239558004 | klic montazni | 64 Kč € 2.60 | ||