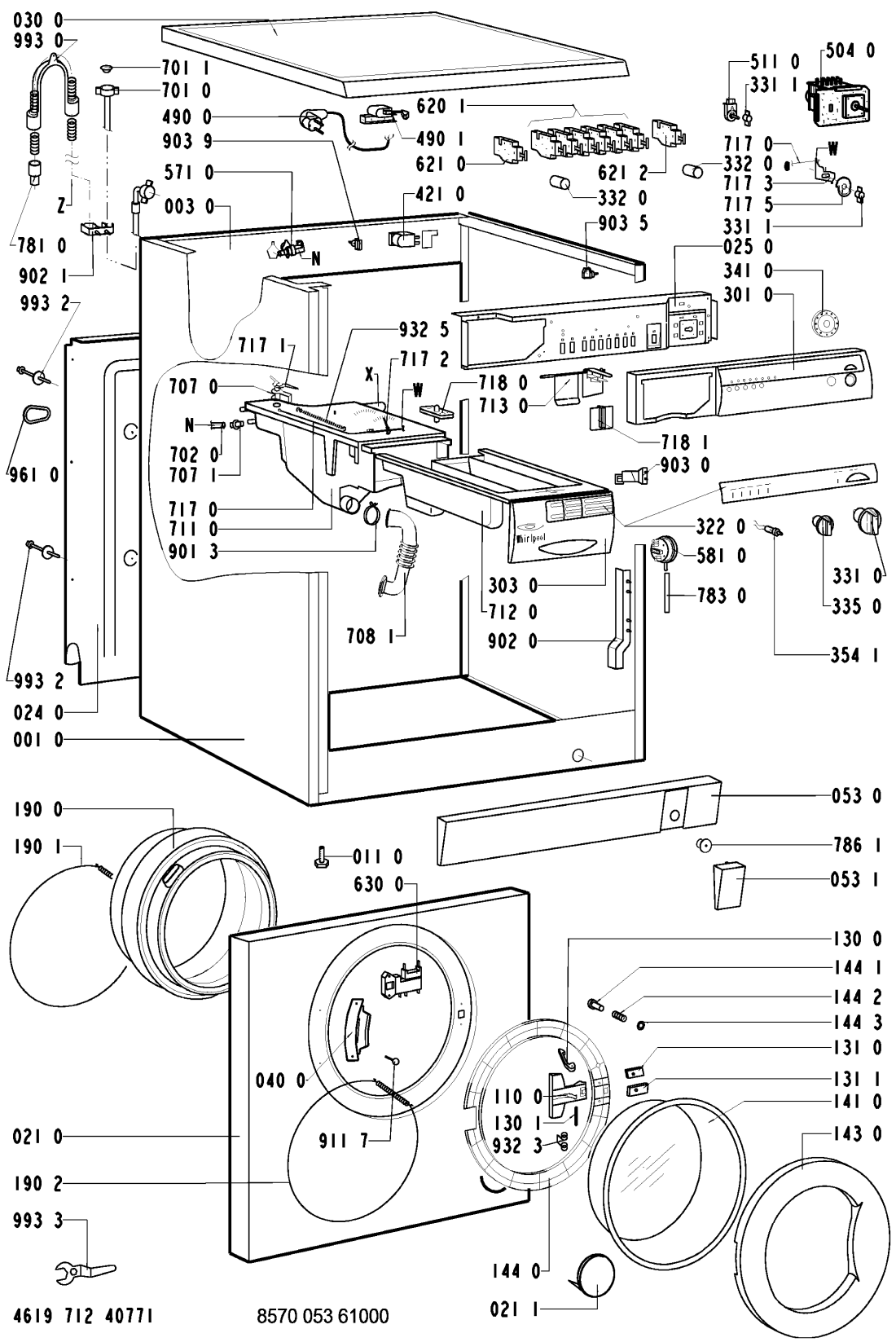
WHIRLPOOL AWM 053/3/WS-NORDIC
 
             
                 
                
    Zeptejte se. Rádi poradíme.
    
        
            
                
                     
              
        
        
            
    
    
             
            Marek Proche
                    
Zákaznická podpora
            
Po–Čt 8:00—17:00
                
Pá 8:00—15:00             
            
        
            
        poradna@servis-whirlpool.cz     
    
    
| Komerční kód: | AWM 053/3/WS-NORDIC | 
| Kód 12NC/I.C. kód: | 857005361000 | 
| Značka: | WHIRLPOOL | 
| Typ produktu: | Pračky | 
Potřebujete servis? Jsme tady pro Vás
Nabídka náhradních dílů
| Číslo | Kód | Název | Cena | ||
|---|---|---|---|---|---|
| 001 0 WHR102093 | C00343946 481244018996 | Cabinet | Na dotaz | Zadat poptávku | |
| 003 0 WHR102093 | C00594457 481246448101 | PRIEAKA SKRINE - ZADN? N | Na dotaz | Zadat poptávku | |
| 011 0 WHR102093 | C00340775 481250018068 | Nastavitelná noha pračky | Na dotaz | Zadat poptávku | |
| 021 0 WHR102093 | C00558001 481244019344 | Front.. | Na dotaz | Zadat poptávku | |
| 021 1 WHR102093 | C00340881 481244019343 | kryt filtru | Na dotaz | Zadat poptávku | |
| 024 0 WHR102093 | C00341521 481244018997 | PANEL, REAR | Na dotaz | Zadat poptávku | |
| 025 0 WHR102093 | C00497925 481244019345 | LI?TA PREDNA AWM242 *** plast. N | Na dotaz | Zadat poptávku | |
| 030 0 WHR102093 | C00342437 481231018396 | deska horni | Na dotaz | Zadat poptávku | |
| 040 0 WHR102093 | C00312018 481241718787 | Hinge BK | Na dotaz | Zadat poptávku | |
| 053 0 WHR102093 | C00555478 481245938012 | PLINTH.. | Na dotaz | Zadat poptávku | |
| 053 1 WHR102093 | C00498299 481245938013 | VLOZKA SOKLA AWM248 N | Na dotaz | Zadat poptávku | |
| 061 0 WHR102093 | C00343070 481246688458 | zavazi horni | Na dotaz | Zadat poptávku | |
| 061 1 WHR102093 | C00343085 481246688459 | Counter weight front | Na dotaz | Zadat poptávku | |
| 080 0 WHR102093 | C00313744 481252918036 | Shock absorber 600-120 | Na dotaz | Zadat poptávku | |
| 084 0 WHR102093 | C00330907 481246658001 | drzak pruziny agreg. | Na dotaz | Zadat poptávku | |
| 086 0 WHR102093 | C00316610 481240118409 | Holder Shock Absorber | Na dotaz | Zadat poptávku | |
| 086 1 WHR102093 | C00312274 481240118413 | Čep tlumiče | 1 772 Kč € 72.80 | ||
| 086 2 WHR102093 | C00314527 481240118412 | pojistka tlumice | 333 Kč € 13.70 | ||
| 110 0 WHR102093 | C00339968 481249818139 | Handle,door white | Na dotaz | Zadat poptávku | |
| 130 0 WHR102093 | C00312433 481241728046 | Lock Door | Na dotaz | Zadat poptávku | |
| 130 1 WHR102093 | C00312243 481241728045 | osa uzaveru dveri | 143 Kč € 5.90 | ||
| 131 0 WHR102093 | C00318057 481241728047 | desticka uzaveru dv. | 27 Kč € 1.10 | ||
| 131 1 WHR102093 | C00329782 481241728048 | Plate Doorlock LowerDoorlock Lower | Na dotaz | Zadat poptávku | |
| 141 0 WHR102093 | C00320431 481245068219 | Door glass | Na dotaz | Zadat poptávku | |
| 143 0 WHR102093 | C00594264 481244019461 | Glassdoor frame printe printed WH. | Na dotaz | Zadat poptávku | |
| 144 0 WHR102093 | C00340711 481245928043 | Frame,door glas | Na dotaz | Zadat poptávku | |
| 144 1 WHR102093 | C00345878 481249818137 | Knob Door safetyDoor safety | Na dotaz | Zadat poptávku | |
| 144 2 WHR102093 | C00318221 481249258023 | Spring Door Safety | Na dotaz | Zadat poptávku | |
| 144 3 WHR102093 | C00313732 481229068153 | drzak pojistky | Na dotaz | Zadat poptávku | |
| 190 0 WHR102093 | C00313168 481246068532 | DOOR BELLOW grease resistance | Na dotaz | Zadat poptávku | |
| 190 1 WHR102093 | C00313764 481249218017 | spona TVO - vnitřní | 149 Kč € 6.10 | ||
| 190 2 WHR102093 | C00311875 481249298011 | spona TVO - přední stěna | 111 Kč € 4.60 | ||
| 200 1 WHR102093 | C00555228 481241818209 | Tub.. | Na dotaz | Zadat poptávku | |
| 200 2 WHR102093 | C00344324 481241818211 | BOTTICHHAELFTE HINTEN | Na dotaz | Zadat poptávku | |
| 200 3 WHR102093 | C00339179 481252018065 | Ložiskový domek AWM 250 | Na dotaz | Zadat poptávku | |
| 200 4 WHR102093 | C00314317 481229088054 | Spona nádrže | 378 Kč € 15.50 | ||
| 220 0 WHR102093 | C00312242 481241818191 | Drum 1200 0,5MM PP 48L | Na dotaz | Zadat poptávku | |
| 271 0 WHR102093 | C00311078 481235818056 | Řemen PV 1250 J4 EL pračky Whirlpool | 100 Kč € 4.10 | ||
| 272 0 WHR102093 | C00337067 481252858027 | pulley DIAM.298DIAM.298 | Na dotaz | Zadat poptávku | |
| 292 0 WHR102093 | C00311501 481253058101 | těsnění bočnice | 694 Kč € 28.50 | ||
| 301 0 WHR102093 | C00499241 481945319778 | CONTROL PANEL | Na dotaz | Zadat poptávku | |
| 303 0 WHR102093 | C00621256 481249818147 | CELO NASYPKY PLAST. AWG 248 N | Na dotaz | Zadat poptávku | |
| 322 0 WHR102093 | C00761033 481245219656 | VLOZKA PANELU AWM053 | Na dotaz | Zadat poptávku | |
| 331 0 WHR102093 | C00557975 481241348273 | knoflik programatoru | Na dotaz | Zadat poptávku | |
| 331 1 WHR102093 | C00555181 481241318217 | Adapter WH.. | Na dotaz | Zadat poptávku | |
| 332 0 WHR102093 | C00337034 481241028562 | Tlačítko - plast | Na dotaz | Zadat poptávku | |
| 335 0 WHR102093 | C00338438 481941258742 | knoflik termostatu | Na dotaz | Zadat poptávku | |
| 341 0 WHR102093 | C00339145 481941379239 | krouzek knofliku | Na dotaz | Zadat poptávku | |
| 354 1 WHR102093 | C00497251 481213448221 | SIGNALKA AWM248 | Na dotaz | Zadat poptávku | |
| 401 0 WHR102093 | C00315331 481236158094 | Motor 1000,1200 MCA52/ | Na dotaz | Zadat poptávku | |
| 401 1 WHR102093 | C00311127 481236248004 | Brush,carbon, Motor CESET | Na dotaz | Zadat poptávku | |
| 421 0 WHR102093 | C00326769 481212118142 | Interf.filter 1,00 uF1,00 uF. | Na dotaz | Zadat poptávku | |
| 430 0 WHR102093 | C00337062 481236018362 | PUMP | Na dotaz | Zadat poptávku | |
| 451 0 WHR102093 | C00339950 481225928662 | Heating element 2050W + NTC PROBE | Na dotaz | Zadat poptávku | |
| 490 0 WHR102093 | C00316393 481932118136 | Flexo kabel 2 m, konektory | Na dotaz | Zadat poptávku | |
| 490 1 WHR102093 | C00309418 481232128367 | Přechodka | 324 Kč € 13.30 | ||
| 504 0 WHR102093 | C00555002 481231018439 | TIMER 2A MASK 4.. | Na dotaz | Zadat poptávku | |
| 511 0 WHR102093 | C00336785 481241348279 | Rotary selector + potentiometer. | Na dotaz | Zadat poptávku | |
| 571 0 WHR102093 | C00312238 481227128375 | Napouštěcí ventil pračky - jednocestný, boční vývod | 546 Kč € 22.40 | ||
| 581 0 WHR102093 | C00373832 481227128379 | presostat | Na dotaz | Zadat poptávku | |
| 620 1 WHR102093 | C00332969 481941028998 | spinac | Na dotaz | Zadat poptávku | |
| 621 0 WHR102093 | C00497334 481227618252 | Switch On / Off | Na dotaz | Zadat poptávku | |
| 621 2 WHR102093 | C00491080 481227618266 | spinac tlacitkovy | Na dotaz | Zadat poptávku | |
| 630 0 WHR102093 | C00315131 481228058019 | Door lock | Na dotaz | Zadat poptávku | |
| 701 0 WHR102093 | C00309500 481953028928 | hadice napousteci | Na dotaz | Zadat poptávku | |
| 701 1 WHR102093 | C00316490 481946669704 | tesneni + sitko | 173 Kč € 7.10 | ||
| 702 0 WHR102093 | C00556323 481953029017 | HADICA AWM248/10000 GUM. N | Na dotaz | Zadat poptávku | |
| 707 0 WHR102093 | C00317102 481252648031 | Tryska násypky pračky | 104 Kč € 4.30 | ||
| 707 1 WHR102093 | C00332324 481252648028 | Tryska násypky pračky | Na dotaz | Zadat poptávku | |
| 708 1 WHR102093 | C00313009 481253048143 | hadice k násypce pračky Whirlpool uz nebude !!!! | Na dotaz | Zadat poptávku | |
| 711 0 WHR102093 | C00317871 481241888025 | teleso nasypky | Na dotaz | Zadat poptávku | |
| 712 0 WHR102093 | C00317123 481241888029 | Drawer DetergentDetergent | Na dotaz | Zadat poptávku | |
| 713 0 WHR102093 | C00317121 481241888019 | vlozka nasypky klap. | Na dotaz | Zadat poptávku | |
| 717 0 WHR102093 | C00311569 481932128092 | Bovden komplet | 398 Kč € 16.40 | ||
| 717 1 WHR102093 | C00328523 481232138013 | Páčka trysky násypky | Na dotaz | Zadat poptávku | |
| 717 2 WHR102093 | C00328522 481232138012 | drzak | 26 Kč € 1.10 | ||
| 717 3 WHR102093 | C00336270 481227888007 | posouvac | Na dotaz | Zadat poptávku | |
| 717 5 WHR102093 | C00497352 481228218459 | VACKA AWM031 N | Na dotaz | Zadat poptávku | |
| 718 0 WHR102093 | C00318585 481252648027 | viko prepadu nasypky | 54 Kč € 2.20 | ||
| 718 1 WHR102093 | C00314031 481241888018 | ovladac | 396 Kč € 16.30 | ||
| 753 1 WHR102093 | C00342743 481241868153 | CHAMBER,AIR | Na dotaz | Zadat poptávku | |
| 754 0 WHR102093 | C00312061 481253028826 | Hadice nádrž-čerpadlo | Na dotaz | Zadat poptávku | |
| 754 1 WHR102093 | C00309391 481253028832 | Kulička hadice mezi vanou a čerpadlem pračky Whirpool | 894 Kč € 36.70 | ||
| 754 2 WHR102093 | C00332413 481253028829 | Flange eco | Na dotaz | Zadat poptávku | |
| 760 0 WHR102093 | C00340935 481248058075 | Filter Set Pump | Na dotaz | Zadat poptávku | |
| 760 1 WHR102093 | C00340427 481241868138 | Gasket Sieve / Rough | Na dotaz | Zadat poptávku | |
| 781 0 WHR102093 | C00339372 481253028831 | HOSE,DRAINING | Na dotaz | Zadat poptávku | |
| 783 0 WHR102093 | C00317136 481253028827 | Hose Pressostat | Na dotaz | Zadat poptávku | |
| 786 0 WHR102093 | C00555639 481253028852 | HOSE BK,WH,BI.. | Na dotaz | Zadat poptávku | |
| 786 1 WHR102093 | C00317781 481246278179 | threaded cap | Na dotaz | Zadat poptávku | |
| 787 0 WHR102093 | C00315511 481253028813 | hadice odparovaci | 447 Kč € 18.40 | ||
| 794 5 WHR102093 | C00319466 481253058098 | tesneni vzdusniku Náhrada 481010395017 | Na dotaz | Zadat poptávku | |
| 901 0 WHR102093 | C00309461 481940118529 | Spona nádrž-čerpadlo | 105 Kč € 4.30 | ||
| 901 2 WHR102093 | C00311047 481240118157 | spona 33-55 | 117 Kč € 4.80 | ||
| 901 3 WHR102093 | C00316612 481240118414 | SPONA39,7 | 37 Kč € 1.50 | ||
| 902 0 WHR102093 | C00327311 481229088049 | Bracket | Na dotaz | Zadat poptávku | |
| 902 1 WHR102093 | C00327119 481225518204 | Vnější držák hadic pračky Whirlpool | Na dotaz | Zadat poptávku | |
| 903 0 WHR102093 | C00327120 481225518205 | Držák presostatu pračky Whirlpool | Na dotaz | Zadat poptávku | |
| 903 5 WHR102093 | C00327310 481229088048 | Cable clamp | Na dotaz | Zadat poptávku | |
| 903 9 WHR102093 | C00343868 481229088046 | Cable clamp | Na dotaz | Zadat poptávku | |
| 910 0 WHR102093 | C00336553 481250218383 | sroub M8*25loz.domu | 70 Kč € 2.90 | ||
| 911 7 WHR102093 | C00332781 481290308014 | sroub M5x16 H | Na dotaz | Zadat poptávku | |
| 912 0 WHR102093 | C00345895 481250218382 | Screw M8 X 35 | Na dotaz | Zadat poptávku | |
| 915 2 WHR102093 | C00313776 481250518371 | matice remenice | Na dotaz | Zadat poptávku | |
| 923 0 WHR102093 | C00337249 481253218024 | PODLOZKA | Na dotaz | Zadat poptávku | |
| 931 0 WHR102093 | C00336129 481249238363 | Spring | Na dotaz | Zadat poptávku | |
| 932 3 WHR102093 | C00312651 481249258022 | Pružina uzávěru dveří | 237 Kč € 9.70 | ||
| 932 5 WHR102093 | C00312356 481249238359 | Pružina trysky násypky | 13 Kč € 0.50 | ||
| 941 0 WHR102093 | C00314732 481252028004 | Ložisko 6206 2Z C3 GJN (SKF) | 236 Kč € 9.70 | ||
| 941 1 WHR102093 | C00315230 481252028066 | Ložisko 6204 2Z C3 GJN (SKF) | 173 Kč € 7.10 | ||
| 941 5 WHR102093 | C00339180 481252018067 | Hub 1200,48L | Na dotaz | Zadat poptávku | |
| 953 0 WHR102093 | C00313798 481253058099 | Shaft seal 1200 | Na dotaz | Zadat poptávku | |
| 953 1 WHR102093 | C00337964 481253058096 | krouzek lozisk.domu | Na dotaz | Zadat poptávku | |
| 961 0 WHR102093 | C00330912 481246668545 | Záslepka otvoru po zajišťovacím šroubu bubnu pračky Whirlpool | 206 Kč € 8.50 | ||
| 990 0 WHR102093 | C00332868 481931039227 | sroub do zavazi sada | Na dotaz | Zadat poptávku | |
| 990 1 WHR102093 | C00320457 481931039228 | Mounting kit Weight bottom | Na dotaz | Zadat poptávku | |
| 993 0 WHR102093 | C00344289 481253048017 | Bow | Na dotaz | Zadat poptávku | |
| 993 2 WHR102093 | C00338399 481226818016 | Lever,security | Na dotaz | Zadat poptávku | |
| 993 3 WHR102093 | C00328868 481239558004 | klic montazni | 64 Kč € 2.60 | ||