WHIRLPOOL AWM 5081/A      WASHING MACHINES      WP
 
             
                 
                
    Zeptejte se. Rádi poradíme.
    
        
            
                
                     
              
        
        
            
    
    
             
            Marek Proche
                    
Zákaznická podpora
            
Po–Čt 8:00—17:00
                
Pá 8:00—15:00             
            
        
            
        poradna@servis-whirlpool.cz     
    
    
| Komerční kód: | AWM 5081/A WASHING MACHINES WP | 
| Kód 12NC/I.C. kód: | 857050838910 | 
| Značka: | WHIRLPOOL | 
| Typ produktu: | Pračky | 
| Další podobné modely: | 857050838911, 857050838913, 857050838914, 857050838915 | 
Potřebujete servis? Jsme tady pro Vás
Nabídka náhradních dílů
| Číslo | Kód | Název | Cena | ||
|---|---|---|---|---|---|
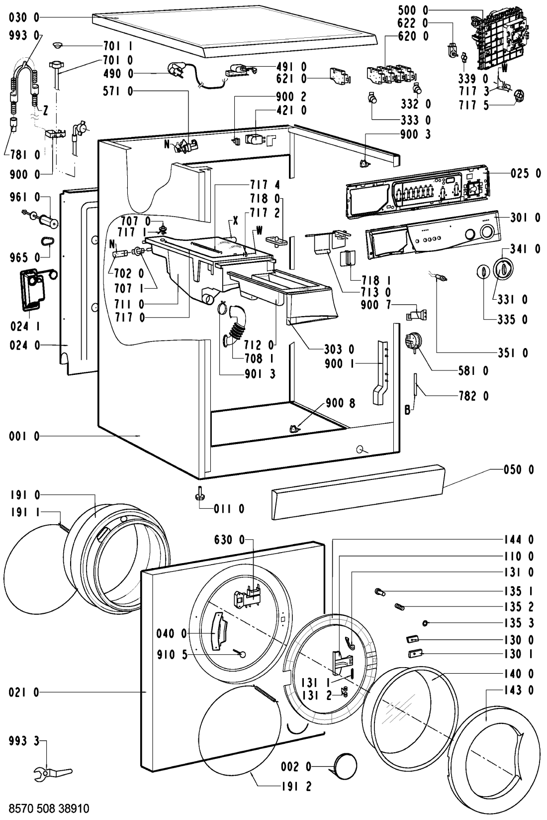
| 001 0 WHR41036 | C00343944 481944019716 | skrin pracky | Na dotaz | Zadat poptávku | |
| 002 0 WHR41036 | C00340881 481244019343 | kryt filtru | Na dotaz | Zadat poptávku | |
| 011 0 WHR41036 | C00340814 481946248472 | Foot | Na dotaz | Zadat poptávku | |
| 021 0 WHR41036 | C00340691 481944019715 | stena predni | Na dotaz | Zadat poptávku | |
| 024 0 WHR41036 | C00341563 481944019892 | Panel rear | Na dotaz | Zadat poptávku | |
| 024 1 WHR41036 | C00344275 481941879837 | Box hose | Na dotaz | Zadat poptávku | |
| 025 0 WHR41036 | C00335855 481244019817 | Support control board | Na dotaz | Zadat poptávku | |
| 030 0 WHR41036 | C00538517 481231018619 | deska horni | Na dotaz | Zadat poptávku | |
| 040 0 WHR41036 | C00312018 481241718787 | Hinge BK | Na dotaz | Zadat poptávku | |
| 050 0 WHR41036 | C00337726 481944019714 | Plinth | Na dotaz | Zadat poptávku | |
| 061 0 WHR41036 | C00343070 481246688458 | zavazi horni | Na dotaz | Zadat poptávku | |
| 061 1 WHR41036 | C00316001 481246688607 | Counter weight front, bottom | Na dotaz | Zadat poptávku | |
| 061 2 WHR41036 | C00332868 481931039227 | sroub do zavazi sada | Na dotaz | Zadat poptávku | |
| 061 3 WHR41036 | C00320457 481931039228 | Mounting kit Weight bottom | Na dotaz | Zadat poptávku | |
| 081 0 WHR41036 | C00312055 481252918038 | Shock absorber until 1200 | Na dotaz | Zadat poptávku | |
| 084 0 WHR41036 | C00330907 481246658001 | drzak pruziny agreg. | Na dotaz | Zadat poptávku | |
| 086 2 WHR41036 | C00314527 481240118412 | pojistka tlumice | 333 Kč € 13.70 | ||
| 110 0 WHR41036 | C00339968 481249818139 | Handle,door white | Na dotaz | Zadat poptávku | |
| 130 0 WHR41036 | C00318057 481241728047 | desticka uzaveru dv. | 27 Kč € 1.10 | ||
| 130 1 WHR41036 | C00329782 481241728048 | Plate Doorlock LowerDoorlock Lower | Na dotaz | Zadat poptávku | |
| 131 0 WHR41036 | C00312433 481241728046 | Lock Door | Na dotaz | Zadat poptávku | |
| 131 1 WHR41036 | C00312243 481241728045 | osa uzaveru dveri | 143 Kč € 5.90 | ||
| 131 2 WHR41036 | C00312651 481249258022 | Pružina uzávěru dveří | 237 Kč € 9.70 | ||
| 135 1 WHR41036 | C00345878 481249818137 | Knob Door safetyDoor safety | Na dotaz | Zadat poptávku | |
| 135 2 WHR41036 | C00317024 481249148004 | Pružina | 220 Kč € 9.00 | ||
| 135 3 WHR41036 | C00313732 481229068153 | drzak pojistky | Na dotaz | Zadat poptávku | |
| 140 0 WHR41036 | C00320431 481245068219 | Door glass | Na dotaz | Zadat poptávku | |
| 143 0 WHR41036 | C00314079 481244019782 | Glassdoor frame VBL WH | Na dotaz | Zadat poptávku | |
| 144 0 WHR41036 | C00314075 481244019589 | priruba dveri | 1 184 Kč € 48.70 | ||
| 191 0 WHR41036 | C00313168 481246068532 | DOOR BELLOW grease resistance | Na dotaz | Zadat poptávku | |
| 191 0 WHR41036 | C00313381 481246068527 | Door bellow standard | Na dotaz | Zadat poptávku | |
| 191 1 WHR41036 | C00313764 481249218017 | spona TVO - vnitřní | 149 Kč € 6.10 | ||
| 191 2 WHR41036 | C00318256 481953058059 | spona TVO predni st. | Na dotaz | Zadat poptávku | |
| 200 1 WHR41036 | C00337439 481241818296 | Tub 42l front | Na dotaz | Zadat poptávku | |
| 200 2 WHR41036 | C00311607 481941818377 | Nádrž - zadní část | Na dotaz | Zadat poptávku | |
| 200 4 WHR41036 | C00314317 481229088054 | Spona nádrže | 378 Kč € 15.50 | ||
| 220 0 WHR41036 | C00315593 481941818333 | Drum | Na dotaz | Zadat poptávku | |
| 271 0 WHR41036 | C00311078 481235818056 | Řemen PV 1250 J4 EL pračky Whirlpool | 100 Kč € 4.10 | ||
| 272 0 WHR41036 | C00337067 481252858027 | pulley DIAM.298DIAM.298 | Na dotaz | Zadat poptávku | |
| 272 2 WHR41036 | C00337249 481253218024 | PODLOZKA | Na dotaz | Zadat poptávku | |
| 272 3 WHR41036 | C00313776 481250518371 | matice remenice | Na dotaz | Zadat poptávku | |
| 292 0 WHR41036 | C00311501 481253058101 | těsnění bočnice | 694 Kč € 28.50 | ||
| 301 0 WHR41036 | C00545013 481245211666 | Control panel AWM 5081. | Na dotaz | Zadat poptávku | |
| 303 0 WHR41036 | C00545051 481249878205 | Handle, drawer. | Na dotaz | Zadat poptávku | |
| 331 0 WHR41036 | C00341906 481241458104 | Knob Timer | Na dotaz | Zadat poptávku | |
| 332 0 WHR41036 | C00343996 481251318103 | TLACITKO | Na dotaz | Zadat poptávku | |
| 333 0 WHR41036 | C00545062 481251318124 | Buttonon/off **. | Na dotaz | Zadat poptávku | |
| 335 0 WHR41036 | C00338440 481241458107 | knoflik termostatu | Na dotaz | Zadat poptávku | |
| 339 0 WHR41036 | C00317982 481223318006 | unasec knofliku | 311 Kč € 12.80 | ||
| 341 0 WHR41036 | C00488879 481241458171 | Indication disc | Na dotaz | Zadat poptávku | |
| 351 0 WHR41036 | C00341488 481213448289 | Žárovka kontrolní | Na dotaz | Zadat poptávku | |
| 400 0 WHR41036 | C00312113 481936158259 | motor pračky | 4 344 Kč € 178.50 | ||
| 409 0 WHR41036 | C00311127 481236248004 | Brush,carbon, Motor CESET | Na dotaz | Zadat poptávku | |
| 421 0 WHR41036 | C00326769 481212118142 | Interf.filter 1,00 uF1,00 uF. | Na dotaz | Zadat poptávku | |
| 430 0 WHR41036 | C00312598 481231018458 | Pump SERVICE SET | Na dotaz | Zadat poptávku | |
| 451 0 WHR41036 | C00557941 481225928758 | NAHRADENE 481225928835 N | Na dotaz | Zadat poptávku | |
| 480 0 WHR41036 | C00311380 481232178109 | vodice svazek motor | Na dotaz | Zadat poptávku | |
| 490 0 WHR41036 | C00316393 481932118136 | Flexo kabel 2 m, konektory | Na dotaz | Zadat poptávku | |
| 491 0 WHR41036 | C00309418 481232128367 | Přechodka | 324 Kč € 13.30 | ||
| 500 0 WHR41036 | C00501348 481228219315 | Timer SC1 (HL,RH,NS,SR) | Na dotaz | Zadat poptávku | |
| 571 0 WHR41036 | C00312238 481227128375 | Napouštěcí ventil pračky - jednocestný, boční vývod | 546 Kč € 22.40 | ||
| 581 0 WHR41036 | C00313403 481227128441 | presostat | 998 Kč € 41.00 | ||
| 620 0 WHR41036 | C00332969 481941028998 | spinac | Na dotaz | Zadat poptávku | |
| 621 0 WHR41036 | C00311780 481941029004 | Spínač síťový | 128 Kč € 5.30 | ||
| 622 0 WHR41036 | C00336785 481241348279 | Rotary selector + potentiometer. | Na dotaz | Zadat poptávku | |
| 630 0 WHR41036 | C00315131 481228058019 | Door lock | Na dotaz | Zadat poptávku | |
| 691 0 WHR41036 | C00317366 481228218702 | senzor NTC | Na dotaz | Zadat poptávku | |
| 701 0 WHR41036 | C00314963 481953028848 | hadicenapousteci | Na dotaz | Zadat poptávku | |
| 701 1 WHR41036 | C00316490 481946669704 | tesneni + sitko | 173 Kč € 7.10 | ||
| 702 0 WHR41036 | C00313911 481953029019 | Hadice ventil - násypka pračky Whirlpool, Ignis, Bauknecht | 105 Kč € 4.30 | ||
| 707 0 WHR41036 | C00341584 481252648033 | Tryska násypky pračky | Na dotaz | Zadat poptávku | |
| 707 1 WHR41036 | C00332324 481252648028 | Tryska násypky pračky | Na dotaz | Zadat poptávku | |
| 708 1 WHR41036 | C00313009 481253048143 | hadice k násypce pračky Whirlpool uz nebude !!!! | Na dotaz | Zadat poptávku | |
| 711 0 WHR41036 | C00379110 481241888052 | teleso nasypky | 1 720 Kč € 70.70 | ||
| 712 0 WHR41036 | C00373782 481241879703 | Drawer 4 VBL ASS | Na dotaz | Zadat poptávku | |
| 713 0 WHR41036 | C00538524 481241888028 | vlozka nasypky klap. | Na dotaz | Zadat poptávku | |
| 717 0 WHR41036 | C00311569 481932128092 | Bovden komplet | 398 Kč € 16.40 | ||
| 717 1 WHR41036 | C00328523 481232138013 | Páčka trysky násypky | Na dotaz | Zadat poptávku | |
| 717 2 WHR41036 | C00328522 481232138012 | drzak | 26 Kč € 1.10 | ||
| 717 3 WHR41036 | C00318843 481227888018 | posouvac | Na dotaz | Zadat poptávku | |
| 717 4 WHR41036 | C00312356 481249238359 | Pružina trysky násypky | 13 Kč € 0.50 | ||
| 717 5 WHR41036 | C00342857 481223318003 | vacka | 83 Kč € 3.40 | ||
| 718 0 WHR41036 | C00332332 481252648051 | sifon do nasypky | 462 Kč € 19.00 | ||
| 718 1 WHR41036 | C00344665 481241888024 | Accessory 4ch | Na dotaz | Zadat poptávku | |
| 753 1 WHR41036 | C00312723 481941868234 | vzdusnik | Na dotaz | Zadat poptávku | |
| 754 0 WHR41036 | C00312061 481253028826 | Hadice nádrž-čerpadlo | Na dotaz | Zadat poptávku | |
| 754 1 WHR41036 | C00309391 481253028832 | Kulička hadice mezi vanou a čerpadlem pračky Whirpool | 894 Kč € 36.70 | ||
| 754 2 WHR41036 | C00332413 481253028829 | Flange eco | Na dotaz | Zadat poptávku | |
| 760 0 WHR41036 | C00314625 481248058105 | Filtr čerpadla DELTA | 697 Kč € 28.60 | ||
| 781 0 WHR41036 | C00318230 481953028847 | Hose,draining | Na dotaz | Zadat poptávku | |
| 782 0 WHR41036 | C00317136 481253028827 | Hose Pressostat | Na dotaz | Zadat poptávku | |
| 787 0 WHR41036 | C00315511 481253028813 | hadice odparovaci | 447 Kč € 18.40 | ||
| 787 2 WHR41036 | C00332932 481940118868 | SPONA HADICE AW | Na dotaz | Zadat poptávku | |
| 794 5 WHR41036 | C00340485 481253058095 | tesneni vzdusniku | 16 Kč € 0.70 | ||
| 900 0 WHR41036 | C00327119 481225518204 | Vnější držák hadic pračky Whirlpool | Na dotaz | Zadat poptávku | |
| 900 1 WHR41036 | C00327311 481229088049 | Bracket | Na dotaz | Zadat poptávku | |
| 900 2 WHR41036 | C00327313 481229088077 | Cable clamp | Na dotaz | Zadat poptávku | |
| 900 3 WHR41036 | C00328874 481240118446 | Cable clamp | Na dotaz | Zadat poptávku | |
| 900 4 WHR41036 | C00332933 481940118872 | SPONA HADICE AW | 67 Kč € 2.80 | ||
| 900 5 WHR41036 | C00316612 481240118414 | SPONA39,7 | 37 Kč € 1.50 | ||
| 900 6 WHR41036 | C00317960 481240118444 | Držák topení pračky Whirlpool, Ignis | Na dotaz | Zadat poptávku | |
| 900 7 WHR41036 | C00327120 481225518205 | Držák presostatu pračky Whirlpool | Na dotaz | Zadat poptávku | |
| 900 8 WHR41036 | C00332928 481940118823 | SPONA | Na dotaz | Zadat poptávku | |
| 901 3 WHR41036 | C00318107 481240118549 | Clamp hose | Na dotaz | Zadat poptávku | |
| 910 5 WHR41036 | C00332081 481250218516 | Screw 4,2 x 13 | Na dotaz | Zadat poptávku | |
| 930 0 WHR41036 | C00320162 481949238139 | pruzina | Na dotaz | Zadat poptávku | |
| 941 0 WHR41036 | C00315230 481252028066 | Ložisko 6204 2Z C3 GJN (SKF) | 173 Kč € 7.10 | ||
| 941 1 WHR41036 | C00315098 481252028002 | Ložisko 6203 SKF 2Z C3 | 173 Kč € 7.10 | ||
| 953 0 WHR41036 | C00333336 481953278224 | Ring | Na dotaz | Zadat poptávku | |
| 961 0 WHR41036 | C00333324 481953268829 | Vložka vymezovací | 305 Kč € 12.50 | ||
| 965 0 WHR41036 | C00330912 481246668545 | Záslepka otvoru po zajišťovacím šroubu bubnu pračky Whirlpool | 206 Kč € 8.50 | ||
| 993 0 WHR41036 | C00316831 481953029028 | Ohyb plastový/držák vypouštěcí hadice pračky | Na dotaz | Zadat poptávku | |
| 993 3 WHR41036 | C00328868 481239558004 | klic montazni | 64 Kč € 2.60 | ||