WHIRLPOOL AWM 5100
 
             
                 
                
    Zeptejte se. Rádi poradíme.
    
        
            
                
                     
              
        
        
            
    
    
             
            Marek Proche
                    
Zákaznická podpora
            
Po–Čt 8:00—17:00
                
Pá 8:00—15:00             
            
        
            
        poradna@servis-whirlpool.cz     
    
    
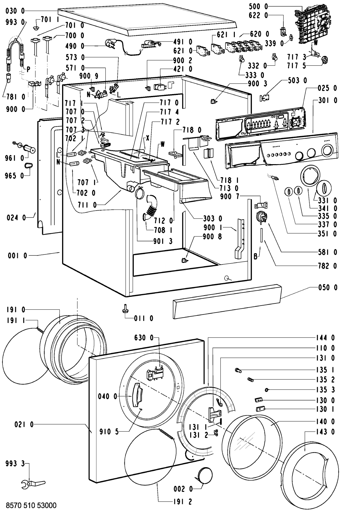
| Komerční kód: | AWM 5100 | 
| Kód 12NC/I.C. kód: | 857051053000 | 
| Značka: | WHIRLPOOL | 
| Typ produktu: | Pračky | 
| Další podobné modely: | 857051053004, 857051053003, 857051016000, 857051016003, 857051020000, 857051020003 | 
Potřebujete servis? Jsme tady pro Vás
Nabídka náhradních dílů
| Číslo | Kód | Název | Cena | ||
|---|---|---|---|---|---|
| 001 0 WHR94355 | C00343944 481944019716 | skrin pracky | Na dotaz | Zadat poptávku | |
| 002 0 WHR94355 | C00340881 481244019343 | kryt filtru | Na dotaz | Zadat poptávku | |
| 011 0 WHR94355 | C00340814 481946248472 | Foot | Na dotaz | Zadat poptávku | |
| 021 0 WHR94355 | C00340691 481944019715 | stena predni | Na dotaz | Zadat poptávku | |
| 024 0 WHR94355 | C00328103 481244018998 | Stěna přední AWM250 | Na dotaz | Zadat poptávku | |
| 025 0 WHR94355 | C00335855 481244019817 | Support control board | Na dotaz | Zadat poptávku | |
| 030 0 WHR94355 | C00335656 481244019816 | deska horni | Na dotaz | Zadat poptávku | |
| 040 0 WHR94355 | C00312018 481241718787 | Hinge BK | Na dotaz | Zadat poptávku | |
| 050 0 WHR94355 | C00337726 481944019714 | Plinth | Na dotaz | Zadat poptávku | |
| 061 0 WHR94355 | C00343070 481246688458 | zavazi horni | Na dotaz | Zadat poptávku | |
| 061 1 WHR94355 | C00343085 481246688459 | Counter weight front | Na dotaz | Zadat poptávku | |
| 061 2 WHR94355 | C00332868 481931039227 | sroub do zavazi sada | Na dotaz | Zadat poptávku | |
| 061 3 WHR94355 | C00320457 481931039228 | Mounting kit Weight bottom | Na dotaz | Zadat poptávku | |
| 081 0 WHR94355 | C00312055 481252918038 | Shock absorber until 1200 | Na dotaz | Zadat poptávku | |
| 084 0 WHR94355 | C00330907 481246658001 | drzak pruziny agreg. | Na dotaz | Zadat poptávku | |
| 086 1 WHR94355 | C00312274 481240118413 | Čep tlumiče | 1 772 Kč € 72.70 | ||
| 086 2 WHR94355 | C00314527 481240118412 | pojistka tlumice | 333 Kč € 13.70 | ||
| 110 0 WHR94355 | C00339968 481249818139 | Handle,door white | Na dotaz | Zadat poptávku | |
| 130 0 WHR94355 | C00318057 481241728047 | desticka uzaveru dv. | 27 Kč € 1.10 | ||
| 130 1 WHR94355 | C00329782 481241728048 | Plate Doorlock LowerDoorlock Lower | Na dotaz | Zadat poptávku | |
| 131 0 WHR94355 | C00312433 481241728046 | Lock Door | Na dotaz | Zadat poptávku | |
| 131 1 WHR94355 | C00312243 481241728045 | osa uzaveru dveri | 143 Kč € 5.90 | ||
| 131 2 WHR94355 | C00312651 481249258022 | Pružina uzávěru dveří | 237 Kč € 9.70 | ||
| 135 1 WHR94355 | C00345878 481249818137 | Knob Door safetyDoor safety | Na dotaz | Zadat poptávku | |
| 135 2 WHR94355 | C00317024 481249148004 | Pružina | 220 Kč € 9.00 | ||
| 135 3 WHR94355 | C00313732 481229068153 | drzak pojistky | Na dotaz | Zadat poptávku | |
| 140 0 WHR94355 | C00320431 481245068219 | Door glass | Na dotaz | Zadat poptávku | |
| 143 0 WHR94355 | C00314079 481244019782 | Glassdoor frame VBL WH | Na dotaz | Zadat poptávku | |
| 144 0 WHR94355 | C00314075 481244019589 | priruba dveri | 1 184 Kč € 48.60 | ||
| 191 0 WHR94355 | C00313168 481246068532 | DOOR BELLOW grease resistance | Na dotaz | Zadat poptávku | |
| 191 0 WHR94355 | C00313381 481246068527 | Door bellow standard | Na dotaz | Zadat poptávku | |
| 191 1 WHR94355 | C00313764 481249218017 | spona TVO - vnitřní | 149 Kč € 6.10 | ||
| 191 2 WHR94355 | C00318256 481953058059 | spona TVO predni st. | Na dotaz | Zadat poptávku | |
| 200 1 WHR94355 | C00337436 481241818226 | Tub front | Na dotaz | Zadat poptávku | |
| 200 2 WHR94355 | C00311334 481241818228 | nadrz zadni cast | Na dotaz | Zadat poptávku | |
| 200 4 WHR94355 | C00314317 481229088054 | Spona nádrže | 378 Kč € 15.50 | ||
| 220 0 WHR94355 | C00312773 481941818339 | Drum | Na dotaz | Zadat poptávku | |
| 271 0 WHR94355 | C00311078 481235818056 | Řemen PV 1250 J4 EL pračky Whirlpool | 100 Kč € 4.10 | ||
| 272 0 WHR94355 | C00337067 481252858027 | pulley DIAM.298DIAM.298 | Na dotaz | Zadat poptávku | |
| 272 2 WHR94355 | C00337249 481253218024 | PODLOZKA | Na dotaz | Zadat poptávku | |
| 272 3 WHR94355 | C00313776 481250518371 | matice remenice | Na dotaz | Zadat poptávku | |
| 292 0 WHR94355 | C00311501 481253058101 | těsnění bočnice | 694 Kč € 28.50 | ||
| 301 0 WHR94355 | C00538546 481245211103 | Control panel. | Na dotaz | Zadat poptávku | |
| 303 0 WHR94355 | C00759331 481249878177 | Handle drawer | Na dotaz | Zadat poptávku | |
| 331 0 WHR94355 | C00341906 481241458104 | Knob Timer | Na dotaz | Zadat poptávku | |
| 332 0 WHR94355 | C00343996 481251318103 | TLACITKO | Na dotaz | Zadat poptávku | |
| 333 0 WHR94355 | C00344007 481251318104 | TLACITKO ZAP/VY | Na dotaz | Zadat poptávku | |
| 335 0 WHR94355 | C00338440 481241458107 | knoflik termostatu | Na dotaz | Zadat poptávku | |
| 337 0 WHR94355 | C00538591 481210148002 | OCHRANA GOMBIKOV PLAST N | Na dotaz | Zadat poptávku | |
| 339 0 WHR94355 | C00318387 481241348305 | Adapter f. button | Na dotaz | Zadat poptávku | |
| 341 0 WHR94355 | C00488873 481241458132 | krouzek knofliku | Na dotaz | Zadat poptávku | |
| 351 0 WHR94355 | C00314291 481213418011 | Lamp | Na dotaz | Zadat poptávku | |
| 400 0 WHR94355 | C00311965 481936158264 | motor | 3 912 Kč € 160.50 | ||
| 409 0 WHR94355 | C00311127 481236248004 | Brush,carbon, Motor CESET | Na dotaz | Zadat poptávku | |
| 421 0 WHR94355 | C00326769 481212118142 | Interf.filter 1,00 uF1,00 uF. | Na dotaz | Zadat poptávku | |
| 430 0 WHR94355 | C00759332 481231038525 | Pump,draining with th.prot. | Na dotaz | Zadat poptávku | |
| 451 0 WHR94355 | C00312815 481225928765 | Heating element | Na dotaz | Zadat poptávku | |
| 480 0 WHR94355 | C00311380 481232178109 | vodice svazek motor | Na dotaz | Zadat poptávku | |
| 490 0 WHR94355 | C00338659 481231018404 | Kit cable, mains 1.62 m x3 | Na dotaz | Zadat poptávku | |
| 491 0 WHR94355 | C00309418 481232128367 | Přechodka | 324 Kč € 13.30 | ||
| 500 0 WHR94355 | C00501320 481228218981 | Timer SC1 (DL,EC,RW,IR,RH,EI) | Na dotaz | Zadat poptávku | |
| 503 0 WHR94355 | C00538594 481223958004 | Indication unit time d | Na dotaz | Zadat poptávku | |
| 571 0 WHR94355 | C00313050 481228128382 | Valve,magnet cold cold. | Na dotaz | Zadat poptávku | |
| 573 0 WHR94355 | C00312072 481227128449 | Valve magnet hot | Na dotaz | Zadat poptávku | |
| 581 0 WHR94355 | C00313403 481227128441 | presostat | 998 Kč € 40.90 | ||
| 620 0 WHR94355 | C00332969 481941028998 | spinac | Na dotaz | Zadat poptávku | |
| 621 0 WHR94355 | C00311780 481941029004 | Spínač síťový | 128 Kč € 5.30 | ||
| 621 1 WHR94355 | C00316375 481927618366 | Switch Start Rold SE05201111 | Na dotaz | Zadat poptávku | |
| 622 0 WHR94355 | C00336785 481241348279 | Rotary selector + potentiometer. | Na dotaz | Zadat poptávku | |
| 630 0 WHR94355 | C00313814 481228058026 | Door lock 3 TABS | Na dotaz | Zadat poptávku | |
| 691 0 WHR94355 | C00317366 481228218702 | senzor NTC | Na dotaz | Zadat poptávku | |
| 700 0 WHR94355 | C00339339 481253028869 | HOSE INLET HOT | Na dotaz | Zadat poptávku | |
| 701 0 WHR94355 | C00314963 481953028848 | hadicenapousteci | Na dotaz | Zadat poptávku | |
| 701 1 WHR94355 | C00316490 481946669704 | tesneni + sitko | 173 Kč € 7.10 | ||
| 702 0 WHR94355 | C00313911 481953029019 | Hadice ventil - násypka pračky Whirlpool, Ignis, Bauknecht | 105 Kč € 4.30 | ||
| 702 1 WHR94355 | C00314283 481953028971 | Hose intern | Na dotaz | Zadat poptávku | |
| 707 0 WHR94355 | C00317102 481252648031 | Tryska násypky pračky | 104 Kč € 4.30 | ||
| 707 1 WHR94355 | C00332324 481252648028 | Tryska násypky pračky | Na dotaz | Zadat poptávku | |
| 707 2 WHR94355 | C00332325 481252648034 | Nozzle hot | Na dotaz | Zadat poptávku | |
| 707 3 WHR94355 | C00332326 481252648035 | Nozzle warm | Na dotaz | Zadat poptávku | |
| 708 1 WHR94355 | C00313009 481253048143 | hadice k násypce pračky Whirlpool uz nebude !!!! | Na dotaz | Zadat poptávku | |
| 711 0 WHR94355 | C00311924 481941879434 | Dispenser | Na dotaz | Zadat poptávku | |
| 712 0 WHR94355 | C00313433 481241868198 | zasuvka nasypky | 1 157 Kč € 47.50 | ||
| 713 0 WHR94355 | C00317121 481241888019 | vlozka nasypky klap. | Na dotaz | Zadat poptávku | |
| 717 0 WHR94355 | C00311569 481932128092 | Bovden komplet | 398 Kč € 16.30 | ||
| 717 1 WHR94355 | C00328523 481232138013 | Páčka trysky násypky | Na dotaz | Zadat poptávku | |
| 717 2 WHR94355 | C00328522 481232138012 | drzak | 26 Kč € 1.10 | ||
| 717 3 WHR94355 | C00318843 481227888018 | posouvac | Na dotaz | Zadat poptávku | |
| 717 4 WHR94355 | C00312356 481249238359 | Pružina trysky násypky | 13 Kč € 0.50 | ||
| 717 5 WHR94355 | C00317980 481223318004 | vacka | Na dotaz | Zadat poptávku | |
| 718 0 WHR94355 | C00332332 481252648051 | sifon do nasypky | 462 Kč € 18.90 | ||
| 718 1 WHR94355 | C00314031 481241888018 | ovladac | 396 Kč € 16.20 | ||
| 753 1 WHR94355 | C00312723 481941868234 | vzdusnik | Na dotaz | Zadat poptávku | |
| 754 0 WHR94355 | C00312061 481253028826 | Hadice nádrž-čerpadlo | Na dotaz | Zadat poptávku | |
| 754 1 WHR94355 | C00309391 481253028832 | Kulička hadice mezi vanou a čerpadlem pračky Whirpool | 894 Kč € 36.70 | ||
| 754 2 WHR94355 | C00332413 481253028829 | Flange eco | Na dotaz | Zadat poptávku | |
| 760 0 WHR94355 | C00314625 481248058105 | Filtr čerpadla DELTA | 697 Kč € 28.60 | ||
| 781 0 WHR94355 | C00318230 481953028847 | Hose,draining | Na dotaz | Zadat poptávku | |
| 782 0 WHR94355 | C00317136 481253028827 | Hose Pressostat | Na dotaz | Zadat poptávku | |
| 787 0 WHR94355 | C00315511 481253028813 | hadice odparovaci | 447 Kč € 18.30 | ||
| 787 2 WHR94355 | C00332932 481940118868 | SPONA HADICE AW | Na dotaz | Zadat poptávku | |
| 794 5 WHR94355 | C00340485 481253058095 | tesneni vzdusniku | 16 Kč € 0.70 | ||
| 900 0 WHR94355 | C00327119 481225518204 | Vnější držák hadic pračky Whirlpool | Na dotaz | Zadat poptávku | |
| 900 1 WHR94355 | C00327311 481229088049 | Bracket | Na dotaz | Zadat poptávku | |
| 900 2 WHR94355 | C00327313 481229088077 | Cable clamp | Na dotaz | Zadat poptávku | |
| 900 3 WHR94355 | C00328874 481240118446 | Cable clamp | Na dotaz | Zadat poptávku | |
| 900 4 WHR94355 | C00332933 481940118872 | SPONA HADICE AW | 67 Kč € 2.70 | ||
| 900 5 WHR94355 | C00309461 481940118529 | Spona nádrž-čerpadlo | 105 Kč € 4.30 | ||
| 900 6 WHR94355 | C00317960 481240118444 | Držák topení pračky Whirlpool, Ignis | Na dotaz | Zadat poptávku | |
| 900 7 WHR94355 | C00327120 481225518205 | Držák presostatu pračky Whirlpool | Na dotaz | Zadat poptávku | |
| 900 8 WHR94355 | C00332928 481940118823 | SPONA | Na dotaz | Zadat poptávku | |
| 900 9 WHR94355 | C00332940 481940478449 | Support | Na dotaz | Zadat poptávku | |
| 901 3 WHR94355 | C00318107 481240118549 | Clamp hose | Na dotaz | Zadat poptávku | |
| 910 5 WHR94355 | C00332081 481250218516 | Screw 4,2 x 13 | Na dotaz | Zadat poptávku | |
| 930 0 WHR94355 | C00320162 481949238139 | pruzina | Na dotaz | Zadat poptávku | |
| 941 0 WHR94355 | C00318543 481252028001 | Bearing,ball BB1-0625 DD | Na dotaz | Zadat poptávku | |
| 941 1 WHR94355 | C00315098 481252028002 | Ložisko 6203 SKF 2Z C3 | 173 Kč € 7.10 | ||
| 953 0 WHR94355 | C00317160 481253058097 | gufero | Na dotaz | Zadat poptávku | |
| 961 0 WHR94355 | C00333324 481953268829 | Vložka vymezovací | 305 Kč € 12.50 | ||
| 965 0 WHR94355 | C00330912 481246668545 | Záslepka otvoru po zajišťovacím šroubu bubnu pračky Whirlpool | 206 Kč € 8.40 | ||
| 993 0 WHR94355 | C00316831 481953029028 | Ohyb plastový/držák vypouštěcí hadice pračky | Na dotaz | Zadat poptávku | |
| 993 3 WHR94355 | C00328868 481239558004 | klic montazni | 64 Kč € 2.60 | ||