WHIRLPOOL AWM 5106 WASHING MACHINES WP
Zeptejte se. Rádi poradíme.
Marek Proche
Zákaznická podpora
Po–Čt 8:00—17:00
Pá 8:00—15:00
poradna@servis-whirlpool.cz
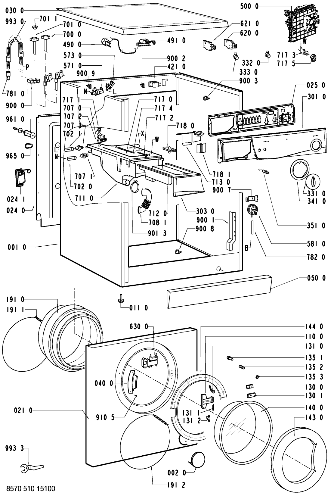
| Komerční kód: | AWM 5106 WASHING MACHINES WP |
| Kód 12NC: | 857051015100 |
| I.C. kód: | 857051015103 |
| Značka: | WHIRLPOOL |
| Typ produktu: | Pračky |
| Další podobné modely: | 857051015104, 857051015100 |
Potřebujete servis? Jsme tady pro Vás
Nabídka náhradních dílů
| Číslo | Kód | Název | Cena | ||
|---|---|---|---|---|---|
| 001 0 WHR51076 |
C00327957
481244010784 |
Cabinet GW | Na dotaz | Zadat poptávku | |
| 002 0 WHR51076 |
C00340831
481244010778 |
kryt filtru | Na dotaz | Zadat poptávku | |
| 011 0 WHR51076 |
C00340814
481946248472 |
Foot | Na dotaz | Zadat poptávku | |
| 021 0 WHR51076 |
C00314059
481244010783 |
stena predni | 2 766 Kč
€ 113.20 |
||
| 024 0 WHR51076 |
C00341563
481944019892 |
Panel rear | Na dotaz | Zadat poptávku | |
| 024 1 WHR51076 |
C00344275
481941879837 |
Box hose | Na dotaz | Zadat poptávku | |
| 025 0 WHR51076 |
C00335855
481244019817 |
Support control board | Na dotaz | Zadat poptávku | |
| 030 0 WHR51076 |
C00316312
481231018936 |
Horní deska pračky Whirlpool | Na dotaz | Zadat poptávku | |
| 040 0 WHR51076 |
C00312018
481241718787 |
Závěs dveří pračky | 625 Kč
€ 25.60 |
||
| 050 0 WHR51076 |
C00312706
481244010779 |
sokl pracky GW | Na dotaz | Zadat poptávku | |
| 061 0 WHR51076 |
C00343070
481246688458 |
zavazi horni | Na dotaz | Zadat poptávku | |
| 061 1 WHR51076 |
C00316001
481246688607 |
Counter weight front, bottom | Na dotaz | Zadat poptávku | |
| 061 2 WHR51076 |
C00332868
481931039227 |
sroub do zavazi sada | Na dotaz | Zadat poptávku | |
| 061 3 WHR51076 |
C00320457
481931039228 |
Mounting kit Weight bottom | Na dotaz | Zadat poptávku | |
| 081 0 WHR51076 |
C00312055
481252918038 |
Shock absorber until 1200 | Na dotaz | Zadat poptávku | |
| 084 0 WHR51076 |
C00330907
481246658001 |
drzak pruziny agreg. | Na dotaz | Zadat poptávku | |
| 086 2 WHR51076 |
C00314527
481240118412 |
pojistka tlumice | 333 Kč
€ 13.60 |
||
| 110 0 WHR51076 |
C00316653
481249818261 |
Rukojeť dveří GW UZ NEBUDE !!!!!!! | Na dotaz | Zadat poptávku | |
| 130 0 WHR51076 |
C00318057
481241728047 |
desticka uzaveru dv. | 27 Kč
€ 1.10 |
||
| 130 1 WHR51076 |
C00329782
481241728048 |
Plate Doorlock LowerDoorlock Lower | Na dotaz | Zadat poptávku | |
| 131 0 WHR51076 |
C00312433
481241728046 |
Lock Door | Na dotaz | Zadat poptávku | |
| 131 1 WHR51076 |
C00312243
481241728045 |
osa uzaveru dveri | 43 Kč
€ 1.80 |
||
| 131 2 WHR51076 |
C00312651
481249258022 |
Pružina uzávěru dveří | 237 Kč
€ 9.70 |
||
| 135 1 WHR51076 |
C00317048
481249818262 |
pojistka dveri | 227 Kč
€ 9.30 |
||
| 135 2 WHR51076 |
C00317024
481249148004 |
Pružina | 220 Kč
€ 9.00 |
||
| 135 3 WHR51076 |
C00313732
481229068153 |
drzak pojistky | Na dotaz | Zadat poptávku | |
| 140 0 WHR51076 |
C00320431
481245068219 |
Door glass | Na dotaz | Zadat poptávku | |
| 143 0 WHR51076 |
C00311758
481244010817 |
Rám dveří vnější GW | 1 337 Kč
€ 54.70 |
||
| 144 0 WHR51076 |
C00340712
481244010785 |
Frame door glas | Na dotaz | Zadat poptávku | |
| 191 0 WHR51076 |
C00313168
481246068532 |
DOOR BELLOW grease resistance | Na dotaz | Zadat poptávku | |
| 191 0 WHR51076 |
C00313381
481246068527 |
Door bellow standard | Na dotaz | Zadat poptávku | |
| 191 1 WHR51076 |
C00313764
481249218017 |
spona TVO - vnitřní | 149 Kč
€ 6.10 |
||
| 191 2 WHR51076 |
C00318256
481953058059 |
spona TVO predni st. | Na dotaz | Zadat poptávku | |
| 200 1 WHR51076 |
C00337440
481941818378 |
nadrz predni cast | Na dotaz | Zadat poptávku | |
| 200 2 WHR51076 |
C00311607
481941818377 |
Nádrž - zadní část | Na dotaz | Zadat poptávku | |
| 200 4 WHR51076 |
C00314317
481229088054 |
Spona nádrže | 378 Kč
€ 15.50 |
||
| 220 0 WHR51076 |
C00315593
481941818333 |
Drum | Na dotaz | Zadat poptávku | |
| 271 0 WHR51076 |
C00311078
481235818056 |
Řemen PV 1250 J4 EL pračky Whirlpool | 100 Kč
€ 4.10 |
||
| 272 0 WHR51076 |
C00337067
481252858027 |
pulley DIAM.298DIAM.298 | Na dotaz | Zadat poptávku | |
| 272 2 WHR51076 |
C00337249
481253218024 |
PODLOZKA | Na dotaz | Zadat poptávku | |
| 272 3 WHR51076 |
C00337990
481250518368 |
Nut M10M10 | Na dotaz | Zadat poptávku | |
| 292 0 WHR51076 |
C00311501
481253058101 |
těsnění bočnice | 694 Kč
€ 28.40 |
||
| 301 0 WHR51076 |
C00507693
481245213463 |
Control panel + handle GW. | Na dotaz | Zadat poptávku | |
| 303 0 WHR51076 |
C00529836
481249878447 |
Handle, drawer GW | Na dotaz | Zadat poptávku | |
| 331 0 WHR51076 |
C00315435
481241458239 |
knoflik programatoru | Na dotaz | Zadat poptávku | |
| 332 0 WHR51076 |
C00344000
481251318133 |
Button Options GW | Na dotaz | Zadat poptávku | |
| 333 0 WHR51076 |
C00344010
481251318136 |
krytka tlacitka | Na dotaz | Zadat poptávku | |
| 341 0 WHR51076 |
C00488889
481241458214 |
Indication disc GW | Na dotaz | Zadat poptávku | |
| 351 0 WHR51076 |
C00341473
481213448243 |
Pilot lamp BK-SC1 | Na dotaz | Zadat poptávku | |
| 400 0 WHR51076 |
C00312113
481936158259 |
motor pračky | 4 344 Kč
€ 177.80 |
||
| 409 0 WHR51076 |
C00311127
481236248004 |
Brush,carbon, Motor CESET | Na dotaz | Zadat poptávku | |
| 421 0 WHR51076 |
C00326769
481212118142 |
Interf.filter 1,00 uF1,00 uF. | Na dotaz | Zadat poptávku | |
| 430 0 WHR51076 |
C00311139
481231028144 |
Vypouštěcí čerpadlo pračky Whirlpool / Bauknecht | 576 Kč
€ 23.60 |
||
| 451 0 WHR51076 |
C00312815
481225928765 |
Heating element | Na dotaz | Zadat poptávku | |
| 490 0 WHR51076 |
C00319506
481232118043 |
Connect.cable 5m | Na dotaz | Zadat poptávku | |
| 491 0 WHR51076 |
C00309418
481232128367 |
Přechodka | 324 Kč
€ 13.30 |
||
| 500 0 WHR51076 |
C00491240
481228218862 |
Timer SC1 (RW) | Na dotaz | Zadat poptávku | |
| 571 0 WHR51076 |
C00313050
481228128382 |
Valve,magnet cold cold. | Na dotaz | Zadat poptávku | |
| 573 0 WHR51076 |
C00312072
481227128449 |
Valve magnet hot | Na dotaz | Zadat poptávku | |
| 581 0 WHR51076 |
C00313403
481227128441 |
presostat | 998 Kč
€ 40.80 |
||
| 620 0 WHR51076 |
C00332969
481941028998 |
spinac | Na dotaz | Zadat poptávku | |
| 621 0 WHR51076 |
C00311780
481941029004 |
Spínač síťový | 128 Kč
€ 5.20 |
||
| 630 0 WHR51076 |
C00315131
481228058019 |
Door lock | Na dotaz | Zadat poptávku | |
| 691 0 WHR51076 |
C00317366
481228218702 |
senzor NTC | Na dotaz | Zadat poptávku | |
| 700 0 WHR51076 |
C00309500
481953028928 |
hadice napousteci | Na dotaz | Zadat poptávku | |
| 701 0 WHR51076 |
C00314963
481953028848 |
hadicenapousteci | Na dotaz | Zadat poptávku | |
| 701 1 WHR51076 |
C00316490
481946669704 |
tesneni + sitko | 173 Kč
€ 7.10 |
||
| 702 0 WHR51076 |
C00313911
481953029019 |
Hadice ventil - násypka pračky Whirlpool, Ignis, Bauknecht | 105 Kč
€ 4.30 |
||
| 702 1 WHR51076 |
C00314283
481953028971 |
Hose intern | Na dotaz | Zadat poptávku | |
| 707 0 WHR51076 |
C00317102
481252648031 |
Tryska násypky pračky | 104 Kč
€ 4.30 |
||
| 707 1 WHR51076 |
C00332324
481252648028 |
Tryska násypky pračky | Na dotaz | Zadat poptávku | |
| 707 2 WHR51076 |
C00341599
481252648029 |
Nozzle | Na dotaz | Zadat poptávku | |
| 707 3 WHR51076 |
C00332326
481252648035 |
Nozzle warm | Na dotaz | Zadat poptávku | |
| 708 1 WHR51076 |
C00313009
481253048143 |
hadice k násypce pračky Whirlpool uz nebude !!!! | Na dotaz | Zadat poptávku | |
| 711 0 WHR51076 |
C00311924
481941879434 |
Dispenser | Na dotaz | Zadat poptávku | |
| 712 0 WHR51076 |
C00313433
481241868198 |
zasuvka nasypky | 1 157 Kč
€ 47.40 |
||
| 713 0 WHR51076 |
C00340880
481241889009 |
Flap | Na dotaz | Zadat poptávku | |
| 717 0 WHR51076 |
C00311569
481932128092 |
Bovden komplet | 398 Kč
€ 16.30 |
||
| 717 1 WHR51076 |
C00328523
481232138013 |
Páčka trysky násypky | Na dotaz | Zadat poptávku | |
| 717 2 WHR51076 |
C00328522
481232138012 |
drzak | 26 Kč
€ 1.10 |
||
| 717 3 WHR51076 |
C00336270
481227888007 |
posouvac | Na dotaz | Zadat poptávku | |
| 717 4 WHR51076 |
C00312356
481249238359 |
Pružina trysky násypky | 13 Kč
€ 0.50 |
||
| 717 5 WHR51076 |
C00317980
481223318004 |
vacka | Na dotaz | Zadat poptávku | |
| 718 0 WHR51076 |
C00332332
481252648051 |
sifon do nasypky | 462 Kč
€ 18.90 |
||
| 718 1 WHR51076 |
C00314031
481241888018 |
ovladac | 396 Kč
€ 16.20 |
||
| 753 1 WHR51076 |
C00312723
481941868234 |
vzdusnik | Na dotaz | Zadat poptávku | |
| 754 0 WHR51076 |
C00312061
481253028826 |
Hadice nádrž-čerpadlo | Na dotaz | Zadat poptávku | |
| 754 1 WHR51076 |
C00309391
481253028832 |
Kulička hadice mezi vanou a čerpadlem pračky Whirpool | 894 Kč
€ 36.60 |
||
| 754 2 WHR51076 |
C00332413
481253028829 |
Flange eco | Na dotaz | Zadat poptávku | |
| 760 0 WHR51076 |
C00314625
481248058105 |
Filtr čerpadla DELTA | 697 Kč
€ 28.50 |
||
| 781 0 WHR51076 |
C00318230
481953028847 |
Hose,draining | Na dotaz | Zadat poptávku | |
| 782 0 WHR51076 |
C00317136
481253028827 |
Hose Pressostat | Na dotaz | Zadat poptávku | |
| 787 0 WHR51076 |
C00315511
481253028813 |
hadice odparovaci | 447 Kč
€ 18.30 |
||
| 787 2 WHR51076 |
C00332932
481940118868 |
SPONA HADICE AW | Na dotaz | Zadat poptávku | |
| 794 5 WHR51076 |
C00340485
481253058095 |
tesneni vzdusniku | 16 Kč
€ 0.70 |
||
| 900 0 WHR51076 |
C00327119
481225518204 |
Vnější držák hadic pračky Whirlpool | Na dotaz | Zadat poptávku | |
| 900 1 WHR51076 |
C00327311
481229088049 |
Bracket | Na dotaz | Zadat poptávku | |
| 900 2 WHR51076 |
C00343868
481229088046 |
Cable clamp | Na dotaz | Zadat poptávku | |
| 900 3 WHR51076 |
C00327310
481229088048 |
Cable clamp | Na dotaz | Zadat poptávku | |
| 900 4 WHR51076 |
C00332933
481940118872 |
SPONA HADICE AW | 67 Kč
€ 2.70 |
||
| 900 5 WHR51076 |
C00309461
481940118529 |
Spona nádrž-čerpadlo | 105 Kč
€ 4.30 |
||
| 900 6 WHR51076 |
C00317960
481240118444 |
Držák topení pračky Whirlpool, Ignis | Na dotaz | Zadat poptávku | |
| 900 7 WHR51076 |
C00327120
481225518205 |
Držák presostatu pračky Whirlpool | Na dotaz | Zadat poptávku | |
| 900 8 WHR51076 |
C00332928
481940118823 |
SPONA | Na dotaz | Zadat poptávku | |
| 900 9 WHR51076 |
C00332940
481940478449 |
Support | Na dotaz | Zadat poptávku | |
| 901 3 WHR51076 |
C00316612
481240118414 |
SPONA39,7 | 37 Kč
€ 1.50 |
||
| 910 5 WHR51076 |
C00332781
481290308014 |
sroub M5x16 H | Na dotaz | Zadat poptávku | |
| 930 0 WHR51076 |
C00320162
481949238139 |
pruzina | Na dotaz | Zadat poptávku | |
| 941 0 WHR51076 |
C00315230
481252028066 |
Ložisko 6204 2Z C3 GJN (SKF) | 173 Kč
€ 7.10 |
||
| 941 1 WHR51076 |
C00315098
481252028002 |
Ložisko 6203 SKF 2Z C3 | 173 Kč
€ 7.10 |
||
| 953 0 WHR51076 |
C00333336
481953278224 |
Ring | Na dotaz | Zadat poptávku | |
| 961 0 WHR51076 |
C00333324
481953268829 |
Vložka vymezovací | 305 Kč
€ 12.50 |
||
| 965 0 WHR51076 |
C00330912
481246668545 |
Záslepka otvoru po zajišťovacím šroubu bubnu pračky Whirlpool | 206 Kč
€ 8.40 |
||
| 993 0 WHR51076 |
C00316831
481953029028 |
Ohyb plastový/držák vypouštěcí hadice pračky | Na dotaz | Zadat poptávku | |
| 993 3 WHR51076 |
C00328868
481239558004 |
klic montazni | Na dotaz | Zadat poptávku | |