WHIRLPOOL AWM 5140/4
Zeptejte se. Rádi poradíme.
Marek Proche
Zákaznická podpora
Po–Čt 8:00—17:00
Pá 8:00—15:00
poradna@servis-whirlpool.cz
| Komerční kód: | AWM 5140/4 |
| Kód 12NC: | 857051461800 |
| I.C. kód: | 857051461806 |
| Značka: | WHIRLPOOL |
| Typ produktu: | Pračky |
| Další podobné modely: | 857051461801, 857051461808, 857051461800 |
Potřebujete servis? Jsme tady pro Vás
Nabídka náhradních dílů
| Číslo | Kód | Název | Cena | ||
|---|---|---|---|---|---|
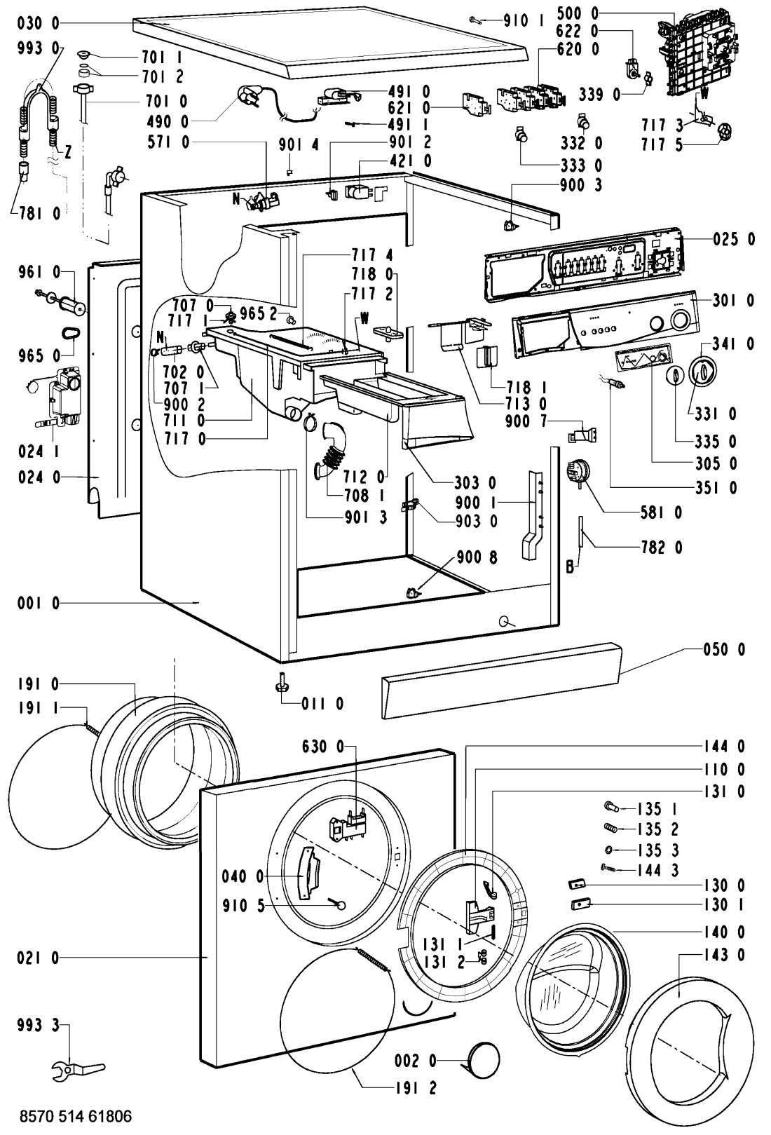
| 001 0 WHR09301 |
C00328039
481244011538 |
skrin | Na dotaz | Zadat poptávku | |
| 002 0 WHR09301 |
C00340831
481244010778 |
kryt filtru | Na dotaz | Zadat poptávku | |
| 011 0 WHR09301 |
C00330679
481246248421 |
Adjust.foot | Na dotaz | Zadat poptávku | |
| 021 0 WHR09301 |
C00314059
481244010783 |
stena predni | 2 766 Kč
€ 113.20 |
||
| 024 0 WHR09301 |
C00328004
481244011445 |
PANEL | Na dotaz | Zadat poptávku | |
| 024 1 WHR09301 |
C00327881
481241870019 |
Box outlet hose left | Na dotaz | Zadat poptávku | |
| 025 0 WHR09301 |
C00335855
481244019817 |
Support control board | Na dotaz | Zadat poptávku | |
| 030 0 WHR09301 |
C00316312
481231018936 |
Horní deska pračky Whirlpool | Na dotaz | Zadat poptávku | |
| 040 0 WHR09301 |
C00312018
481241718787 |
Závěs dveří pračky | 625 Kč
€ 25.60 |
||
| 050 0 WHR09301 |
C00312706
481244010779 |
sokl pracky GW | Na dotaz | Zadat poptávku | |
| 061 0 WHR09301 |
C00331527
481246688936 |
Counter weight upper | Na dotaz | Zadat poptávku | |
| 061 1 WHR09301 |
C00316001
481246688607 |
Counter weight front, bottom | Na dotaz | Zadat poptávku | |
| 061 2 WHR09301 |
C00320419
481231039135 |
Mounting kit weight top | Na dotaz | Zadat poptávku | |
| 081 0 WHR09301 |
C00313104
481246648088 |
Tlumič třecí pro předem plněné pračky Whirlpool | 766 Kč
€ 31.30 |
||
| 084 0 WHR09301 |
C00330907
481246658001 |
drzak pruziny agreg. | Na dotaz | Zadat poptávku | |
| 086 2 WHR09301 |
C00314527
481240118412 |
pojistka tlumice | 333 Kč
€ 13.60 |
||
| 110 0 WHR09301 |
C00316653
481249818261 |
Rukojeť dveří GW UZ NEBUDE !!!!!!! | Na dotaz | Zadat poptávku | |
| 130 0 WHR09301 |
C00318057
481241728047 |
desticka uzaveru dv. | 27 Kč
€ 1.10 |
||
| 130 1 WHR09301 |
C00318073
481241728108 |
podlozka | 380 Kč
€ 15.60 |
||
| 131 0 WHR09301 |
C00312433
481241728046 |
Lock Door | Na dotaz | Zadat poptávku | |
| 131 1 WHR09301 |
C00312243
481241728045 |
osa uzaveru dveri | 43 Kč
€ 1.80 |
||
| 131 2 WHR09301 |
C00312651
481249258022 |
Pružina uzávěru dveří | 237 Kč
€ 9.70 |
||
| 135 1 WHR09301 |
C00317048
481249818262 |
pojistka dveri | 227 Kč
€ 9.30 |
||
| 135 2 WHR09301 |
C00317024
481249148004 |
Pružina | 220 Kč
€ 9.00 |
||
| 135 3 WHR09301 |
C00313732
481229068153 |
drzak pojistky | Na dotaz | Zadat poptávku | |
| 140 0 WHR09301 |
C00311241
481245059812 |
Sklo dveří | 2 067 Kč
€ 84.60 |
||
| 143 0 WHR09301 |
C00311758
481244010817 |
Rám dveří vnější GW | 1 337 Kč
€ 54.70 |
||
| 144 0 WHR09301 |
C00340747
481244010833 |
priruba dveri GW | Na dotaz | Zadat poptávku | |
| 144 3 WHR09301 |
C00318393
481250218669 |
sroub pojistka dv. | 267 Kč
€ 10.90 |
||
| 191 0 WHR09301 |
C00311137
481246068617 |
Těsnění dveří, manžeta (TVO) pračky Whirlpool Delta | 1 147 Kč
€ 46.90 |
||
| 191 1 WHR09301 |
C00313764
481249218017 |
spona TVO - vnitřní | 149 Kč
€ 6.10 |
||
| 191 2 WHR09301 |
C00318256
481953058059 |
spona TVO predni st. | Na dotaz | Zadat poptávku | |
| 200 1 WHR09301 |
C00314619
481241818638 |
Tub 42l, front | Na dotaz | Zadat poptávku | |
| 200 2 WHR09301 |
C00458621
481241818592 |
Tub, half rear 48l, 1400 | Na dotaz | Zadat poptávku | |
| 200 4 WHR09301 |
C00314317
481229088054 |
Spona nádrže | 378 Kč
€ 15.50 |
||
| 220 0 WHR09301 |
C00311478
481241818466 |
buben | Na dotaz | Zadat poptávku | |
| 271 0 WHR09301 |
C00311078
481235818056 |
Řemen PV 1250 J4 EL pračky Whirlpool | 100 Kč
€ 4.10 |
||
| 272 0 WHR09301 |
C00313543
481252858041 |
remenice bubnu | 1 104 Kč
€ 45.20 |
||
| 272 2 WHR09301 |
C00337249
481253218024 |
PODLOZKA | Na dotaz | Zadat poptávku | |
| 272 3 WHR09301 |
C00317076
481250518423 |
matice remenice | 221 Kč
€ 9.00 |
||
| 292 0 WHR09301 |
C00311501
481253058101 |
těsnění bočnice | 694 Kč
€ 28.40 |
||
| 301 0 WHR09301 |
C00460713
481245215772 |
Control panel + handle drawer | Na dotaz | Zadat poptávku | |
| 303 0 WHR09301 |
C00487887
481249878515 |
VLOZKA CELA AWG324/1 | Na dotaz | Zadat poptávku | |
| 305 0 WHR09301 |
C00489625
481245214391 |
Insert panel Set | Na dotaz | Zadat poptávku | |
| 331 0 WHR09301 |
C00315435
481241458239 |
knoflik programatoru | Na dotaz | Zadat poptávku | |
| 332 0 WHR09301 |
C00344000
481251318133 |
Button Options GW | Na dotaz | Zadat poptávku | |
| 333 0 WHR09301 |
C00344009
481251318138 |
Button on/off GW | Na dotaz | Zadat poptávku | |
| 335 0 WHR09301 |
C00487563
481241458213 |
knoflik termostatu | Na dotaz | Zadat poptávku | |
| 339 0 WHR09301 |
C00317982
481223318006 |
unasec knofliku | 311 Kč
€ 12.70 |
||
| 341 0 WHR09301 |
C00488897
481241458232 |
Indication disc GW | Na dotaz | Zadat poptávku | |
| 351 0 WHR09301 |
C00341488
481213448289 |
Žárovka kontrolní | Na dotaz | Zadat poptávku | |
| 400 0 WHR09301 |
C00311300
481236158507 |
Motor pračky Whirlpool, Bauknecht | 4 267 Kč
€ 174.60 |
||
| 400 1 WHR09301 |
C00332114
481250218737 |
Screw 8x38 | Na dotaz | Zadat poptávku | |
| 409 0 WHR09301 |
C00311255
481236248442 |
Brush,carbon ACC sub 481281719419 | Na dotaz | Zadat poptávku | |
| 421 0 WHR09301 |
C00311350
481212118285 |
Filtr odrušovací 1 uF | 294 Kč
€ 12.00 |
||
| 430 0 WHR09301 |
C00311139
481231028144 |
Vypouštěcí čerpadlo pračky Whirlpool / Bauknecht | 576 Kč
€ 23.60 |
||
| 451 0 WHR09301 |
C00318278
481225928919 |
Heating element 2050W, 230V + NTC | Na dotaz | Zadat poptávku | |
| 480 0 WHR09301 |
C00311380
481232178109 |
vodice svazek motor | Na dotaz | Zadat poptávku | |
| 490 0 WHR09301 |
C00316393
481932118136 |
Flexo kabel 2 m, konektory | Na dotaz | Zadat poptávku | |
| 491 0 WHR09301 |
C00309418
481232128367 |
Přechodka | 324 Kč
€ 13.30 |
||
| 491 1 WHR09301 |
C00318425
481250238152 |
Screw 4.8x19 | Na dotaz | Zadat poptávku | |
| 500 0 WHR09301 |
C00311629
481228219399 |
programator | Na dotaz | Zadat poptávku | |
| 500 0 WHR09301 |
C00456671
481228210173 |
Timer SC1 programmed | Na dotaz | Zadat poptávku | |
| 571 0 WHR09301 |
C00312238
481227128375 |
Napouštěcí ventil pračky - jednocestný, boční vývod | 546 Kč
€ 22.30 |
||
| 581 0 WHR09301 |
C00313403
481227128441 |
presostat | 998 Kč
€ 40.80 |
||
| 620 0 WHR09301 |
C00332969
481941028998 |
spinac | Na dotaz | Zadat poptávku | |
| 621 0 WHR09301 |
C00311780
481941029004 |
Spínač síťový | 128 Kč
€ 5.20 |
||
| 622 0 WHR09301 |
C00379185
481227348005 |
Selector Temp./Spin | Na dotaz | Zadat poptávku | |
| 630 0 WHR09301 |
C00311146
481228058044 |
Blokování dveří předem plněné pračky Whirlpool | Na dotaz | Zadat poptávku | |
| 691 0 WHR09301 |
C00313117
481228219485 |
senzor NTC | 857 Kč
€ 35.10 |
||
| 701 0 WHR09301 |
C00314963
481953028848 |
hadicenapousteci | Na dotaz | Zadat poptávku | |
| 701 1 WHR09301 |
C00316490
481946669704 |
tesneni + sitko | 173 Kč
€ 7.10 |
||
| 701 2 WHR09301 |
C00332476
481253029456 |
Hose inlet KIT ADAPTOR | Na dotaz | Zadat poptávku | |
| 702 0 WHR09301 |
C00313911
481953029019 |
Hadice ventil - násypka pračky Whirlpool, Ignis, Bauknecht | 105 Kč
€ 4.30 |
||
| 707 0 WHR09301 |
C00317102
481252648031 |
Tryska násypky pračky | 104 Kč
€ 4.30 |
||
| 707 1 WHR09301 |
C00332324
481252648028 |
Tryska násypky pračky | Na dotaz | Zadat poptávku | |
| 708 1 WHR09301 |
C00313009
481253048143 |
hadice k násypce pračky Whirlpool uz nebude !!!! | Na dotaz | Zadat poptávku | |
| 711 0 WHR09301 |
C00317871
481241888025 |
teleso nasypky | Na dotaz | Zadat poptávku | |
| 712 0 WHR09301 |
C00313433
481241868198 |
zasuvka nasypky | 1 157 Kč
€ 47.40 |
||
| 713 0 WHR09301 |
C00314041
481241889037 |
vlozka nasypky klap. | Na dotaz | Zadat poptávku | |
| 717 0 WHR09301 |
C00311569
481932128092 |
Bovden komplet | 398 Kč
€ 16.30 |
||
| 717 1 WHR09301 |
C00328523
481232138013 |
Páčka trysky násypky | Na dotaz | Zadat poptávku | |
| 717 2 WHR09301 |
C00328522
481232138012 |
drzak | 26 Kč
€ 1.10 |
||
| 717 3 WHR09301 |
C00318843
481227888018 |
posouvac | Na dotaz | Zadat poptávku | |
| 717 4 WHR09301 |
C00345870
481249238407 |
Spring Nozzle | Na dotaz | Zadat poptávku | |
| 717 5 WHR09301 |
C00317980
481223318004 |
vacka | Na dotaz | Zadat poptávku | |
| 718 0 WHR09301 |
C00332332
481252648051 |
sifon do nasypky | 462 Kč
€ 18.90 |
||
| 718 1 WHR09301 |
C00314031
481241888018 |
ovladac | 396 Kč
€ 16.20 |
||
| 753 1 WHR09301 |
C00312723
481941868234 |
vzdusnik | Na dotaz | Zadat poptávku | |
| 754 0 WHR09301 |
C00312061
481253028826 |
Hadice nádrž-čerpadlo | Na dotaz | Zadat poptávku | |
| 754 1 WHR09301 |
C00309391
481253028832 |
Kulička hadice mezi vanou a čerpadlem pračky Whirpool | 894 Kč
€ 36.60 |
||
| 754 2 WHR09301 |
C00332452
481253029352 |
Příruba eco AWT,AWO/D | 317 Kč
€ 13.00 |
||
| 760 0 WHR09301 |
C00314625
481248058105 |
Filtr čerpadla DELTA | 697 Kč
€ 28.50 |
||
| 781 0 WHR09301 |
C00332470
481253029438 |
Vypouštěcí hadice pračky Whirlpool, Bauknecht, Ignis | 302 Kč
€ 12.40 |
||
| 782 0 WHR09301 |
C00317136
481253028827 |
Hose Pressostat | Na dotaz | Zadat poptávku | |
| 794 5 WHR09301 |
C00319466
481253058098 |
tesneni vzdusniku Náhrada 481010395017 |
Na dotaz | Zadat poptávku | |
| 900 1 WHR09301 |
C00327311
481229088049 |
Bracket | Na dotaz | Zadat poptávku | |
| 900 2 WHR09301 |
C00328881
481240118501 |
Svorka hadice 1 | 69 Kč
€ 2.80 |
||
| 900 3 WHR09301 |
C00328874
481240118446 |
Cable clamp | Na dotaz | Zadat poptávku | |
| 900 4 WHR09301 |
C00332933
481940118872 |
SPONA HADICE AW | 67 Kč
€ 2.70 |
||
| 900 5 WHR09301 |
C00309461
481940118529 |
Spona nádrž-čerpadlo | 105 Kč
€ 4.30 |
||
| 900 6 WHR09301 |
C00317960
481240118444 |
Držák topení pračky Whirlpool, Ignis | Na dotaz | Zadat poptávku | |
| 900 7 WHR09301 |
C00327120
481225518205 |
Držák presostatu pračky Whirlpool | Na dotaz | Zadat poptávku | |
| 900 8 WHR09301 |
C00332928
481940118823 |
SPONA | Na dotaz | Zadat poptávku | |
| 901 2 WHR09301 |
C00327313
481229088077 |
Cable clamp | Na dotaz | Zadat poptávku | |
| 901 3 WHR09301 |
C00316612
481240118414 |
SPONA39,7 | 37 Kč
€ 1.50 |
||
| 901 4 WHR09301 |
C00327319
481229088107 |
Cable clamp | Na dotaz | Zadat poptávku | |
| 903 0 WHR09301 |
C00328928
481240118834 |
Clamp hose fixation int. | Na dotaz | Zadat poptávku | |
| 910 1 WHR09301 |
C00332163
481250248344 |
Šroub | Na dotaz | Zadat poptávku | |
| 910 5 WHR09301 |
C00312157
481250218815 |
Šroub | 62 Kč
€ 2.50 |
||
| 930 0 WHR09301 |
C00320162
481949238139 |
pruzina | Na dotaz | Zadat poptávku | |
| 941 0 WHR09301 |
C00314254
481252028003 |
BEARING 6306 2Z C3 GJN | Na dotaz | Zadat poptávku | |
| 941 1 WHR09301 |
C00315491
481252028005 |
BEARING 6304 2Z C3 | Na dotaz | Zadat poptávku | |
| 953 0 WHR09301 |
C00314432
481253058142 |
gufero 35x75x12 | 430 Kč
€ 17.60 |
||
| 961 0 WHR09301 |
C00333324
481953268829 |
Vložka vymezovací | 305 Kč
€ 12.50 |
||
| 965 0 WHR09301 |
C00330912
481246668545 |
Záslepka otvoru po zajišťovacím šroubu bubnu pračky Whirlpool | 206 Kč
€ 8.40 |
||
| 965 1 WHR09301 |
C00330742
481246278165 |
Threaded cap | Na dotaz | Zadat poptávku | |
| 965 2 WHR09301 |
C00319391
481246228678 |
Stopper dispenser | Na dotaz | Zadat poptávku | |
| 993 0 WHR09301 |
C00316831
481953029028 |
Ohyb plastový/držák vypouštěcí hadice pračky | Na dotaz | Zadat poptávku | |
| 993 3 WHR09301 |
C00328868
481239558004 |
klic montazni | Na dotaz | Zadat poptávku | |
| 999 WHR09302 |
C00360118 | Timer WHP | Na dotaz | Zadat poptávku | |