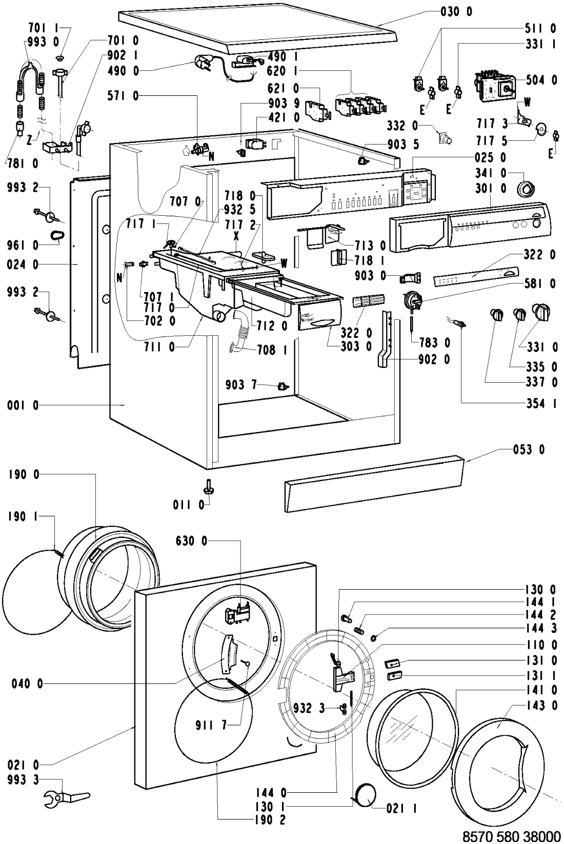
WHIRLPOOL AWM 580/3
 
             
                 
                
    Zeptejte se. Rádi poradíme.
    
        
            
                
                     
              
        
        
            
    
    
             
            Marek Proche
                    
Zákaznická podpora
            
Po–Čt 8:00—17:00
                
Pá 8:00—15:00             
            
        
            
        poradna@servis-whirlpool.cz     
    
    
| Komerční kód: | AWM 580/3 | 
| Kód 12NC/I.C. kód: | 857058038000 | 
| Značka: | WHIRLPOOL | 
| Typ produktu: | 
Potřebujete servis? Jsme tady pro Vás
Nabídka náhradních dílů
| Číslo | Kód | Název | Cena | ||
|---|---|---|---|---|---|
| 001 0 WHR110012 | C00343944 481944019716 | skrin pracky | Na dotaz | Zadat poptávku | |
| 011 0 WHR110012 | C00340814 481946248472 | Foot | Na dotaz | Zadat poptávku | |
| 021 0 WHR110012 | C00340691 481944019715 | stena predni | Na dotaz | Zadat poptávku | |
| 021 1 WHR110012 | C00340881 481244019343 | kryt filtru | Na dotaz | Zadat poptávku | |
| 024 0 WHR110012 | C00328103 481244018998 | Stěna přední AWM250 | Na dotaz | Zadat poptávku | |
| 025 0 WHR110012 | C00339637 481244019346 | Holder Control Device | Na dotaz | Zadat poptávku | |
| 030 0 WHR110012 | C00342437 481231018396 | deska horni | Na dotaz | Zadat poptávku | |
| 040 0 WHR110012 | C00312018 481241718787 | Hinge BK | Na dotaz | Zadat poptávku | |
| 053 0 WHR110012 | C00337727 481944019791 | Plinth | Na dotaz | Zadat poptávku | |
| 061 0 WHR110012 | C00343070 481246688458 | zavazi horni | Na dotaz | Zadat poptávku | |
| 061 1 WHR110012 | C00343085 481246688459 | Counter weight front | Na dotaz | Zadat poptávku | |
| 080 0 WHR110012 | C00312055 481252918038 | Shock absorber until 1200 | Na dotaz | Zadat poptávku | |
| 084 0 WHR110012 | C00330907 481246658001 | drzak pruziny agreg. | Na dotaz | Zadat poptávku | |
| 086 2 WHR110012 | C00314527 481240118412 | pojistka tlumice | 333 Kč € 13.70 | ||
| 110 0 WHR110012 | C00339968 481249818139 | Handle,door white | Na dotaz | Zadat poptávku | |
| 130 0 WHR110012 | C00312433 481241728046 | Lock Door | Na dotaz | Zadat poptávku | |
| 130 1 WHR110012 | C00312243 481241728045 | osa uzaveru dveri | 143 Kč € 5.90 | ||
| 131 0 WHR110012 | C00318057 481241728047 | desticka uzaveru dv. | 27 Kč € 1.10 | ||
| 131 1 WHR110012 | C00329782 481241728048 | Plate Doorlock LowerDoorlock Lower | Na dotaz | Zadat poptávku | |
| 141 0 WHR110012 | C00320431 481245068219 | Door glass | Na dotaz | Zadat poptávku | |
| 143 0 WHR110012 | C00340324 481953228286 | ram dveri | Na dotaz | Zadat poptávku | |
| 144 0 WHR110012 | C00340711 481245928043 | Frame,door glas | Na dotaz | Zadat poptávku | |
| 144 1 WHR110012 | C00345878 481249818137 | Knob Door safetyDoor safety | Na dotaz | Zadat poptávku | |
| 144 2 WHR110012 | C00318221 481249258023 | Spring Door Safety | Na dotaz | Zadat poptávku | |
| 144 3 WHR110012 | C00313732 481229068153 | drzak pojistky | Na dotaz | Zadat poptávku | |
| 190 0 WHR110012 | C00313168 481246068532 | DOOR BELLOW grease resistance | Na dotaz | Zadat poptávku | |
| 190 1 WHR110012 | C00313764 481249218017 | spona TVO - vnitřní | 149 Kč € 6.10 | ||
| 190 2 WHR110012 | C00318256 481953058059 | spona TVO predni st. | Na dotaz | Zadat poptávku | |
| 200 1 WHR110012 | C00337428 481941818313 | nadrz predni cast | Na dotaz | Zadat poptávku | |
| 200 2 WHR110012 | C00337423 481941818312 | Tub, half rear | Na dotaz | Zadat poptávku | |
| 200 3 WHR110012 | C00339178 481252018068 | Ložiskový domek AWM 248 | 2 035 Kč € 83.50 | ||
| 200 4 WHR110012 | C00314317 481229088054 | Spona nádrže | 378 Kč € 15.50 | ||
| 220 0 WHR110012 | C00312773 481941818339 | Drum | Na dotaz | Zadat poptávku | |
| 271 0 WHR110012 | C00311078 481235818056 | Řemen PV 1250 J4 EL pračky Whirlpool | 100 Kč € 4.10 | ||
| 272 0 WHR110012 | C00337067 481252858027 | pulley DIAM.298DIAM.298 | Na dotaz | Zadat poptávku | |
| 292 0 WHR110012 | C00311501 481253058101 | těsnění bočnice | 694 Kč € 28.50 | ||
| 301 0 WHR110012 | C00498144 481245219246 | panel ovladaci | Na dotaz | Zadat poptávku | |
| 303 0 WHR110012 | C00621256 481249818147 | CELO NASYPKY PLAST. AWG 248 N | Na dotaz | Zadat poptávku | |
| 322 0 WHR110012 | C00759375 481945919612 | Insert | Na dotaz | Zadat poptávku | |
| 331 0 WHR110012 | C00373796 481241348272 | knoflik programatoru | 267 Kč € 11.00 | ||
| 331 1 WHR110012 | C00344646 481241318198 | Adapter f. button | Na dotaz | Zadat poptávku | |
| 332 0 WHR110012 | C00337034 481241028562 | Tlačítko - plast | Na dotaz | Zadat poptávku | |
| 335 0 WHR110012 | C00338438 481941258742 | knoflik termostatu | Na dotaz | Zadat poptávku | |
| 337 0 WHR110012 | C00594524 481941129565 | knoflik regulatoru | Na dotaz | Zadat poptávku | |
| 341 0 WHR110012 | C00339145 481941379239 | krouzek knofliku | Na dotaz | Zadat poptávku | |
| 354 1 WHR110012 | C00497251 481213448221 | SIGNALKA AWM248 | Na dotaz | Zadat poptávku | |
| 401 0 WHR110012 | C00492273 481936158273 | motor | 3 615 Kč € 148.30 | ||
| 401 1 WHR110012 | C00311127 481236248004 | Brush,carbon, Motor CESET | Na dotaz | Zadat poptávku | |
| 421 0 WHR110012 | C00326769 481212118142 | Interf.filter 1,00 uF1,00 uF. | Na dotaz | Zadat poptávku | |
| 430 0 WHR110012 | C00555034 481236018383 | NAHRADENE 481231018458 N | Na dotaz | Zadat poptávku | |
| 451 0 WHR110012 | C00339950 481225928662 | Heating element 2050W + NTC PROBE | Na dotaz | Zadat poptávku | |
| 490 0 WHR110012 | C00316393 481932118136 | Flexo kabel 2 m, konektory | Na dotaz | Zadat poptávku | |
| 490 1 WHR110012 | C00309418 481232128367 | Přechodka | 324 Kč € 13.30 | ||
| 504 0 WHR110012 | C00315569 481931039725 | Timer KIT 4477-MASK.5 | Na dotaz | Zadat poptávku | |
| 511 0 WHR110012 | C00336785 481241348279 | Rotary selector + potentiometer. | Na dotaz | Zadat poptávku | |
| 571 0 WHR110012 | C00312238 481227128375 | Napouštěcí ventil pračky - jednocestný, boční vývod | 546 Kč € 22.40 | ||
| 581 0 WHR110012 | C00373832 481227128379 | presostat | Na dotaz | Zadat poptávku | |
| 620 1 WHR110012 | C00332969 481941028998 | spinac | Na dotaz | Zadat poptávku | |
| 621 0 WHR110012 | C00311780 481941029004 | Spínač síťový | 128 Kč € 5.30 | ||
| 630 0 WHR110012 | C00315131 481228058019 | Door lock | Na dotaz | Zadat poptávku | |
| 701 0 WHR110012 | C00314963 481953028848 | hadicenapousteci | Na dotaz | Zadat poptávku | |
| 701 1 WHR110012 | C00316490 481946669704 | tesneni + sitko | 173 Kč € 7.10 | ||
| 702 0 WHR110012 | C00313911 481953029019 | Hadice ventil - násypka pračky Whirlpool, Ignis, Bauknecht | 105 Kč € 4.30 | ||
| 707 0 WHR110012 | C00317102 481252648031 | Tryska násypky pračky | 104 Kč € 4.30 | ||
| 707 1 WHR110012 | C00332324 481252648028 | Tryska násypky pračky | Na dotaz | Zadat poptávku | |
| 708 1 WHR110012 | C00313009 481253048143 | hadice k násypce pračky Whirlpool uz nebude !!!! | Na dotaz | Zadat poptávku | |
| 711 0 WHR110012 | C00379106 481241888026 | Těleso násypky | 1 715 Kč € 70.30 | ||
| 712 0 WHR110012 | C00555263 481241878047 | NAHRADENE 481241879655 N | Na dotaz | Zadat poptávku | |
| 713 0 WHR110012 | C00538524 481241888028 | vlozka nasypky klap. | Na dotaz | Zadat poptávku | |
| 717 0 WHR110012 | C00311569 481932128092 | Bovden komplet | 398 Kč € 16.30 | ||
| 717 1 WHR110012 | C00328523 481232138013 | Páčka trysky násypky | Na dotaz | Zadat poptávku | |
| 717 2 WHR110012 | C00328522 481232138012 | drzak | 26 Kč € 1.10 | ||
| 717 3 WHR110012 | C00336270 481227888007 | posouvac | Na dotaz | Zadat poptávku | |
| 717 5 WHR110012 | C00594205 481241318197 | VACKA AWM250 N | Na dotaz | Zadat poptávku | |
| 718 0 WHR110012 | C00490231 481252648032 | viko prepadu nasypky | Na dotaz | Zadat poptávku | |
| 718 1 WHR110012 | C00344665 481241888024 | Accessory 4ch | Na dotaz | Zadat poptávku | |
| 753 1 WHR110012 | C00312723 481941868234 | vzdusnik | Na dotaz | Zadat poptávku | |
| 754 0 WHR110012 | C00312061 481253028826 | Hadice nádrž-čerpadlo | Na dotaz | Zadat poptávku | |
| 754 1 WHR110012 | C00309391 481253028832 | Kulička hadice mezi vanou a čerpadlem pračky Whirpool | 894 Kč € 36.70 | ||
| 754 2 WHR110012 | C00332413 481253028829 | Flange eco | Na dotaz | Zadat poptávku | |
| 760 0 WHR110012 | C00340969 481248058085 | Filter | Na dotaz | Zadat poptávku | |
| 781 0 WHR110012 | C00318230 481953028847 | Hose,draining | Na dotaz | Zadat poptávku | |
| 783 0 WHR110012 | C00317136 481253028827 | Hose Pressostat | Na dotaz | Zadat poptávku | |
| 787 0 WHR110012 | C00315511 481253028813 | hadice odparovaci | 447 Kč € 18.30 | ||
| 794 5 WHR110012 | C00340485 481253058095 | tesneni vzdusniku | 16 Kč € 0.70 | ||
| 901 0 WHR110012 | C00309461 481940118529 | Spona nádrž-čerpadlo | 105 Kč € 4.30 | ||
| 901 2 WHR110012 | C00332932 481940118868 | SPONA HADICE AW | Na dotaz | Zadat poptávku | |
| 901 3 WHR110012 | C00316612 481240118414 | SPONA39,7 | 37 Kč € 1.50 | ||
| 902 0 WHR110012 | C00327311 481229088049 | Bracket | Na dotaz | Zadat poptávku | |
| 902 1 WHR110012 | C00327119 481225518204 | Vnější držák hadic pračky Whirlpool | Na dotaz | Zadat poptávku | |
| 903 0 WHR110012 | C00327120 481225518205 | Držák presostatu pračky Whirlpool | Na dotaz | Zadat poptávku | |
| 903 5 WHR110012 | C00327310 481229088048 | Cable clamp | Na dotaz | Zadat poptávku | |
| 903 7 WHR110012 | C00332928 481940118823 | SPONA | Na dotaz | Zadat poptávku | |
| 903 9 WHR110012 | C00343868 481229088046 | Cable clamp | Na dotaz | Zadat poptávku | |
| 910 0 WHR110012 | C00336553 481250218383 | sroub M8*25loz.domu | 70 Kč € 2.90 | ||
| 910 1 WHR110012 | C00337990 481250518368 | Nut M10M10 | Na dotaz | Zadat poptávku | |
| 911 7 WHR110012 | C00332781 481290308014 | sroub M5x16 H | Na dotaz | Zadat poptávku | |
| 923 0 WHR110012 | C00337249 481253218024 | PODLOZKA | Na dotaz | Zadat poptávku | |
| 931 0 WHR110012 | C00320162 481949238139 | pruzina | Na dotaz | Zadat poptávku | |
| 932 3 WHR110012 | C00312651 481249258022 | Pružina uzávěru dveří | 237 Kč € 9.70 | ||
| 932 5 WHR110012 | C00312356 481249238359 | Pružina trysky násypky | 13 Kč € 0.50 | ||
| 941 0 WHR110012 | C00318543 481252028001 | Bearing,ball BB1-0625 DD | Na dotaz | Zadat poptávku | |
| 941 1 WHR110012 | C00315098 481252028002 | Ložisko 6203 SKF 2Z C3 | 173 Kč € 7.10 | ||
| 941 5 WHR110012 | C00339180 481252018067 | Hub 1200,48L | Na dotaz | Zadat poptávku | |
| 953 0 WHR110012 | C00317160 481253058097 | gufero | Na dotaz | Zadat poptávku | |
| 953 1 WHR110012 | C00337964 481253058096 | krouzek lozisk.domu | Na dotaz | Zadat poptávku | |
| 961 0 WHR110012 | C00343009 481232148004 | Cover | Na dotaz | Zadat poptávku | |
| 990 0 WHR110012 | C00332868 481931039227 | sroub do zavazi sada | Na dotaz | Zadat poptávku | |
| 990 1 WHR110012 | C00320457 481931039228 | Mounting kit Weight bottom | Na dotaz | Zadat poptávku | |
| 993 0 WHR110012 | C00344290 481253048149 | BOW | Na dotaz | Zadat poptávku | |
| 993 2 WHR110012 | C00338399 481226818016 | Lever,security | Na dotaz | Zadat poptávku | |
| 993 3 WHR110012 | C00328868 481239558004 | klic montazni | 64 Kč € 2.60 | ||