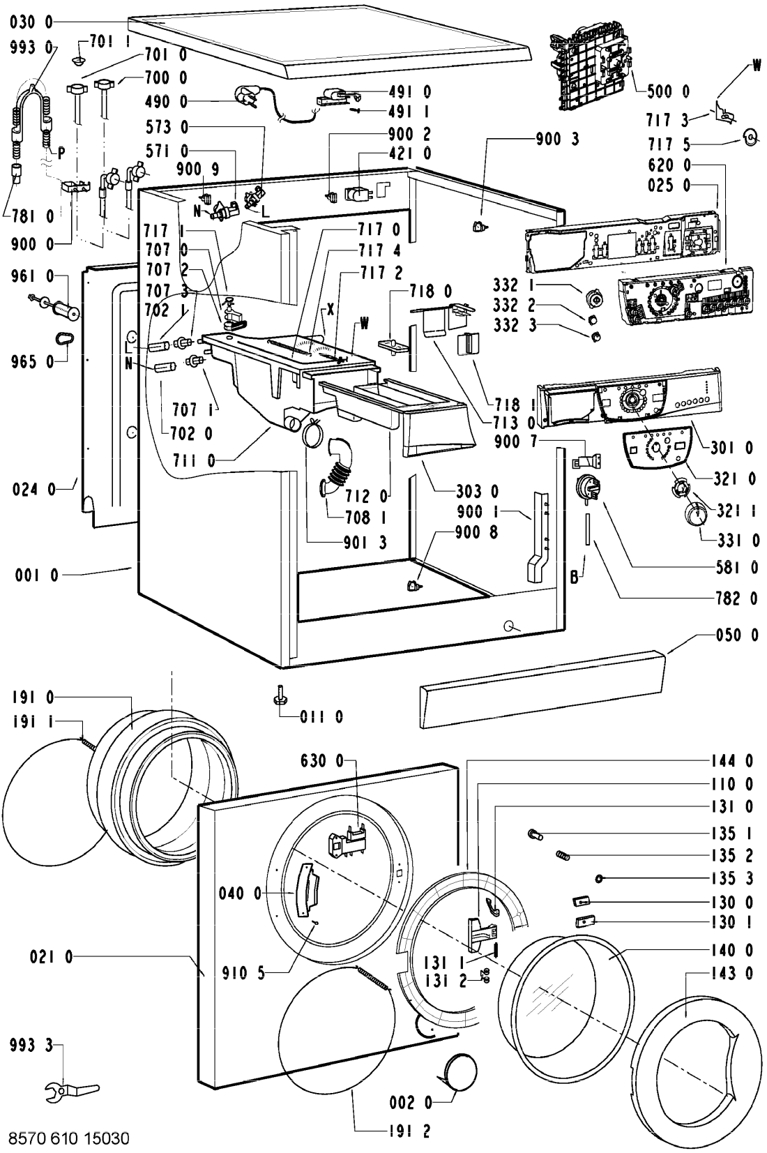
WHIRLPOOL AWM 6100/3 WASHING MACHINES WP
Zeptejte se. Rádi poradíme.
Marek Proche
Zákaznická podpora
Po–Čt 8:00—17:00
Pá 8:00—15:00
poradna@servis-whirlpool.cz
| Komerční kód: | AWM 6100/3 WASHING MACHINES WP |
| Kód 12NC: | 857061015030 |
| I.C. kód: | 857061015031 |
| Značka: | WHIRLPOOL |
| Typ produktu: | Pračky |
| Další podobné modely: | 857061015900, 857061015901 |
Potřebujete servis? Jsme tady pro Vás
Nabídka náhradních dílů
| Číslo | Kód | Název | Cena | ||
|---|---|---|---|---|---|
| 9999 WHR89196 |
C00309500
481953028928 |
hadice napousteci | Na dotaz | Zadat poptávku | |
| 9999 WHR89196 |
C00309418
481232128367 |
Přechodka | 324 Kč
€ 13.30 |
||
| 9999 WHR89196 |
C00309391
481253028832 |
Kulička hadice mezi vanou a čerpadlem pračky Whirpool | 894 Kč
€ 36.60 |
||
| 9999 WHR89196 |
C00309461
481940118529 |
Spona nádrž-čerpadlo | 105 Kč
€ 4.30 |
||
| 9999 WHR89196 |
C00313117
481228219485 |
senzor NTC | 857 Kč
€ 35.10 |
||
| 9999 WHR89196 |
C00315098
481252028002 |
Ložisko 6203 SKF 2Z C3 | 173 Kč
€ 7.10 |
||
| 9999 WHR89196 |
C00316831
481953029028 |
Ohyb plastový/držák vypouštěcí hadice pračky | Na dotaz | Zadat poptávku | |
| 9999 WHR89196 |
C00336568
481250218401 |
sroub do zavazi | Na dotaz | Zadat poptávku | |
| 9999 WHR89196 |
C00318425
481250238152 |
Screw 4.8x19 | Na dotaz | Zadat poptávku | |
| 9999 WHR89196 |
C00311143
481225928823 |
Heating element 240 V + NTC | Na dotaz | Zadat poptávku | |
| 9999 WHR89196 |
C00328103
481244018998 |
Stěna přední AWM250 | Na dotaz | Zadat poptávku | |
| 9999 WHR89196 |
C00312055
481252918038 |
Shock absorber until 1200 | Na dotaz | Zadat poptávku | |
| 9999 WHR89196 |
C00330907
481246658001 |
drzak pruziny agreg. | Na dotaz | Zadat poptávku | |
| 9999 WHR89196 |
C00312243
481241728045 |
osa uzaveru dveri | 43 Kč
€ 1.80 |
||
| 9999 WHR89196 |
C00311350
481212118285 |
Filtr odrušovací 1 uF | 294 Kč
€ 12.00 |
||
| 9999 WHR89196 |
C00314527
481240118412 |
pojistka tlumice | 333 Kč
€ 13.60 |
||
| 9999 WHR89196 |
C00312274
481240118413 |
Čep tlumiče | 1 772 Kč
€ 72.50 |
||
| 9999 WHR89196 |
C00313764
481249218017 |
spona TVO - vnitřní | 149 Kč
€ 6.10 |
||
| 9999 WHR89196 |
C00314317
481229088054 |
Spona nádrže | 378 Kč
€ 15.50 |
||
| 9999 WHR89196 |
C00312773
481941818339 |
Drum | Na dotaz | Zadat poptávku | |
| 9999 WHR89196 |
C00311078
481235818056 |
Řemen PV 1250 J4 EL pračky Whirlpool | 100 Kč
€ 4.10 |
||
| 9999 WHR89196 |
C00311501
481253058101 |
těsnění bočnice | 694 Kč
€ 28.40 |
||
| 9999 WHR89196 |
C00311965
481936158264 |
motor | 3 912 Kč
€ 160.10 |
||
| 9999 WHR89196 |
C00311127
481236248004 |
Brush,carbon, Motor CESET | Na dotaz | Zadat poptávku | |
| 9999 WHR89196 |
C00319506
481232118043 |
Connect.cable 5m | Na dotaz | Zadat poptávku | |
| 9999 WHR89196 |
C00313050
481228128382 |
Valve,magnet cold cold. | Na dotaz | Zadat poptávku | |
| 9999 WHR89196 |
C00316490
481946669704 |
tesneni + sitko | 173 Kč
€ 7.10 |
||
| 9999 WHR89196 |
C00332324
481252648028 |
Tryska násypky pračky | Na dotaz | Zadat poptávku | |
| 9999 WHR89196 |
C00332326
481252648035 |
Nozzle warm | Na dotaz | Zadat poptávku | |
| 9999 WHR89196 |
C00332325
481252648034 |
Nozzle hot | Na dotaz | Zadat poptávku | |
| 9999 WHR89196 |
C00317121
481241888019 |
vlozka nasypky klap. | Na dotaz | Zadat poptávku | |
| 9999 WHR89196 |
C00328522
481232138012 |
drzak | 26 Kč
€ 1.10 |
||
| 9999 WHR89196 |
C00313911
481953029019 |
Hadice ventil - násypka pračky Whirlpool, Ignis, Bauknecht | 105 Kč
€ 4.30 |
||
| 9999 WHR89196 |
C00317102
481252648031 |
Tryska násypky pračky | 104 Kč
€ 4.30 |
||
| 9999 WHR89196 |
C00313009
481253048143 |
hadice k násypce pračky Whirlpool uz nebude !!!! | Na dotaz | Zadat poptávku | |
| 9999 WHR89196 |
C00311569
481932128092 |
Bovden komplet | 398 Kč
€ 16.30 |
||
| 9999 WHR89196 |
C00328523
481232138013 |
Páčka trysky násypky | Na dotaz | Zadat poptávku | |
| 9999 WHR89196 |
C00314031
481241888018 |
ovladac | 396 Kč
€ 16.20 |
||
| 9999 WHR89196 |
C00312061
481253028826 |
Hadice nádrž-čerpadlo | Na dotaz | Zadat poptávku | |
| 9999 WHR89196 |
C00317136
481253028827 |
Hose Pressostat | Na dotaz | Zadat poptávku | |
| 9999 WHR89196 |
C00317960
481240118444 |
Držák topení pračky Whirlpool, Ignis | Na dotaz | Zadat poptávku | |
| 9999 WHR89196 |
C00327311
481229088049 |
Bracket | Na dotaz | Zadat poptávku | |
| 9999 WHR89196 |
C00332940
481940478449 |
Support | Na dotaz | Zadat poptávku | |
| 9999 WHR89196 |
C00313776
481250518371 |
matice remenice | Na dotaz | Zadat poptávku | |
| 9999 WHR89196 |
C00337249
481253218024 |
PODLOZKA | Na dotaz | Zadat poptávku | |
| 9999 WHR89196 |
C00320162
481949238139 |
pruzina | Na dotaz | Zadat poptávku | |
| 9999 WHR89196 |
C00315511
481253028813 |
hadice odparovaci | 447 Kč
€ 18.30 |
||
| 9999 WHR89196 |
C00327119
481225518204 |
Vnější držák hadic pračky Whirlpool | Na dotaz | Zadat poptávku | |
| 9999 WHR89196 |
C00327120
481225518205 |
Držák presostatu pračky Whirlpool | Na dotaz | Zadat poptávku | |
| 9999 WHR89196 |
C00312356
481249238359 |
Pružina trysky násypky | 13 Kč
€ 0.50 |
||
| 9999 WHR89196 |
C00318543
481252028001 |
Bearing,ball BB1-0625 DD | Na dotaz | Zadat poptávku | |
| 9999 WHR89196 |
C00317160
481253058097 |
gufero | Na dotaz | Zadat poptávku | |
| 9999 WHR89196 |
C00330912
481246668545 |
Záslepka otvoru po zajišťovacím šroubu bubnu pračky Whirlpool | 206 Kč
€ 8.40 |
||
| 9999 WHR89196 |
C00332868
481931039227 |
sroub do zavazi sada | Na dotaz | Zadat poptávku | |
| 9999 WHR89196 |
C00320457
481931039228 |
Mounting kit Weight bottom | Na dotaz | Zadat poptávku | |
| 9999 WHR89196 |
C00315540
481241818369 |
Tub, half front 48 l | Na dotaz | Zadat poptávku | |
| 9999 WHR89196 |
C00311380
481232178109 |
vodice svazek motor | Na dotaz | Zadat poptávku | |
| 9999 WHR89196 |
C00312072
481227128449 |
Valve magnet hot | Na dotaz | Zadat poptávku | |
| 9999 WHR89196 |
C00313403
481227128441 |
presostat | 998 Kč
€ 40.80 |
||
| 9999 WHR89196 |
C00318843
481227888018 |
posouvac | Na dotaz | Zadat poptávku | |
| 9999 WHR89196 |
C00312723
481941868234 |
vzdusnik | Na dotaz | Zadat poptávku | |
| 9999 WHR89196 |
C00318107
481240118549 |
Clamp hose | Na dotaz | Zadat poptávku | |
| 9999 WHR89196 |
C00333324
481953268829 |
Vložka vymezovací | 305 Kč
€ 12.50 |
||
| 9999 WHR89196 |
C00328868
481239558004 |
klic montazni | Na dotaz | Zadat poptávku | |
| 9999 WHR89196 |
C00320755
481246688833 |
zavazi horni | 1 512 Kč
€ 61.90 |
||
| 9999 WHR89196 |
C00317618
481245058981 |
Door glass | Na dotaz | Zadat poptávku | |
| 9999 WHR89196 |
C00311137
481246068617 |
Těsnění dveří, manžeta (TVO) pračky Whirlpool Delta | 1 147 Kč
€ 46.90 |
||
| 9999 WHR89196 |
C00311334
481241818228 |
nadrz zadni cast | Na dotaz | Zadat poptávku | |
| 9999 WHR89196 |
C00313543
481252858041 |
remenice bubnu | 1 104 Kč
€ 45.20 |
||
| 9999 WHR89196 |
C00311146
481228058044 |
Blokování dveří předem plněné pračky Whirlpool | Na dotaz | Zadat poptávku | |
| 9999 WHR89196 |
C00313093
481241879985 |
teleso nasypky komp. | 1 941 Kč
€ 79.40 |
||
| 9999 WHR89196 |
C00332452
481253029352 |
Příruba eco AWT,AWO/D | 317 Kč
€ 13.00 |
||
| 9999 WHR89196 |
C00311154
481940118174 |
Spona odparov.hadica | 122 Kč
€ 5.00 |
||
| 9999 WHR89196 |
C00311705
481250018099 |
noha pracky M8*34/A | Na dotaz | Zadat poptávku | |
| 9999 WHR89196 |
C00328874
481240118446 |
Cable clamp | Na dotaz | Zadat poptávku | |
| 9999 WHR89196 |
C00332332
481252648051 |
sifon do nasypky | 462 Kč
€ 18.90 |
||
| 9999 WHR89196 |
C00312018
481241718787 |
Závěs dveří pračky | 625 Kč
€ 25.60 |
||
| 9999 WHR89196 |
C00318057
481241728047 |
desticka uzaveru dv. | 27 Kč
€ 1.10 |
||
| 9999 WHR89196 |
C00312433
481241728046 |
Lock Door | Na dotaz | Zadat poptávku | |
| 9999 WHR89196 |
C00312651
481249258022 |
Pružina uzávěru dveří | 237 Kč
€ 9.70 |
||
| 9999 WHR89196 |
C00317024
481249148004 |
Pružina | 220 Kč
€ 9.00 |
||
| 9999 WHR89196 |
C00313732
481229068153 |
drzak pojistky | Na dotaz | Zadat poptávku | |
| 9999 WHR89196 |
C00313381
481246068527 |
Door bellow standard | Na dotaz | Zadat poptávku | |
| 9999 WHR89196 |
C00318256
481953058059 |
spona TVO predni st. | Na dotaz | Zadat poptávku | |
| 9999 WHR89196 |
C00314963
481953028848 |
hadicenapousteci | Na dotaz | Zadat poptávku | |
| 9999 WHR89196 |
C00314283
481953028971 |
Hose intern | Na dotaz | Zadat poptávku | |
| 9999 WHR89196 |
C00314625
481248058105 |
Filtr čerpadla DELTA | 697 Kč
€ 28.50 |
||
| 9999 WHR89196 |
C00318230
481953028847 |
Hose,draining | Na dotaz | Zadat poptávku | |
| 9999 WHR89196 |
C00340485
481253058095 |
tesneni vzdusniku | 16 Kč
€ 0.70 |
||
| 9999 WHR89196 |
C00327313
481229088077 |
Cable clamp | Na dotaz | Zadat poptávku | |
| 9999 WHR89196 |
C00332933
481940118872 |
SPONA HADICE AW | 67 Kč
€ 2.70 |
||
| 9999 WHR89196 |
C00332928
481940118823 |
SPONA | Na dotaz | Zadat poptávku | |
| 9999 WHR89196 |
C00332081
481250218516 |
Screw 4,2 x 13 | Na dotaz | Zadat poptávku | |
| 9999 WHR89196 |
C00327957
481244010784 |
Cabinet GW | Na dotaz | Zadat poptávku | |
| 9999 WHR89196 |
C00340831
481244010778 |
kryt filtru | Na dotaz | Zadat poptávku | |
| 9999 WHR89196 |
C00314059
481244010783 |
stena predni | 2 766 Kč
€ 113.20 |
||
| 9999 WHR89196 |
C00312706
481244010779 |
sokl pracky GW | Na dotaz | Zadat poptávku | |
| 9999 WHR89196 |
C00316001
481246688607 |
Counter weight front, bottom | Na dotaz | Zadat poptávku | |
| 9999 WHR89196 |
C00317048
481249818262 |
pojistka dveri | 227 Kč
€ 9.30 |
||
| 9999 WHR89196 |
C00340747
481244010833 |
priruba dveri GW | Na dotaz | Zadat poptávku | |
| 9999 WHR89196 |
C00316653
481249818261 |
Rukojeť dveří GW UZ NEBUDE !!!!!!! | Na dotaz | Zadat poptávku | |
| 9999 WHR89196 |
C00311139
481231028144 |
Vypouštěcí čerpadlo pračky Whirlpool / Bauknecht | 576 Kč
€ 23.60 |
||
| 9999 WHR89196 |
C00335629
481244010818 |
deska horni GW | Na dotaz | Zadat poptávku | |
| 9999 WHR89196 |
C00311758
481244010817 |
Rám dveří vnější GW | 1 337 Kč
€ 54.70 |
||
| 9999 WHR89196 |
C00313433
481241868198 |
zasuvka nasypky | 1 157 Kč
€ 47.40 |
||
| 9999 WHR89196 |
C00318073
481241728108 |
podlozka | 380 Kč
€ 15.60 |
||
| 9999 WHR89196 |
C00341002
481253298011 |
unasec knofliku | Na dotaz | Zadat poptávku | |
| 9999 WHR89196 |
C00316494
481228218807 |
SOSOVKA PLAST | Na dotaz | Zadat poptávku | |
| 9999 WHR89196 |
C00335853
481240438559 |
Support control board 25 mm | Na dotaz | Zadat poptávku | |
| 9999 WHR89196 |
C00343630
481245212338 |
Control panel AWM 6100/3 | Na dotaz | Zadat poptávku | |
| 9999 WHR89196 |
C00340042
481249878296 |
Handle drawer GW | Na dotaz | Zadat poptávku | |
| 9999 WHR89196 |
C00338817
481245212339 |
Insert panel | Na dotaz | Zadat poptávku | |
| 9999 WHR89196 |
C00317086
481251318126 |
tlacitko | 56 Kč
€ 2.30 |
||
| 9999 WHR89196 |
C00336968
481251318127 |
tlacitko | Na dotaz | Zadat poptávku | |
| 9999 WHR89196 |
C00336971
481251318128 |
tlacitko | Na dotaz | Zadat poptávku | |
| 9999 WHR89196 |
C00319088
481228219536 |
Timer SC1 (EC,PW,IR,RH) | Na dotaz | Zadat poptávku | |
| 9999 WHR89196 |
C00373770
481245215918 |
Module 3953 XM | Na dotaz | Zadat poptávku | |
| 9999 WHR89196 |
C00341875
481241458201 |
Knoflík programátoru VBL | 439 Kč
€ 18.00 |
||