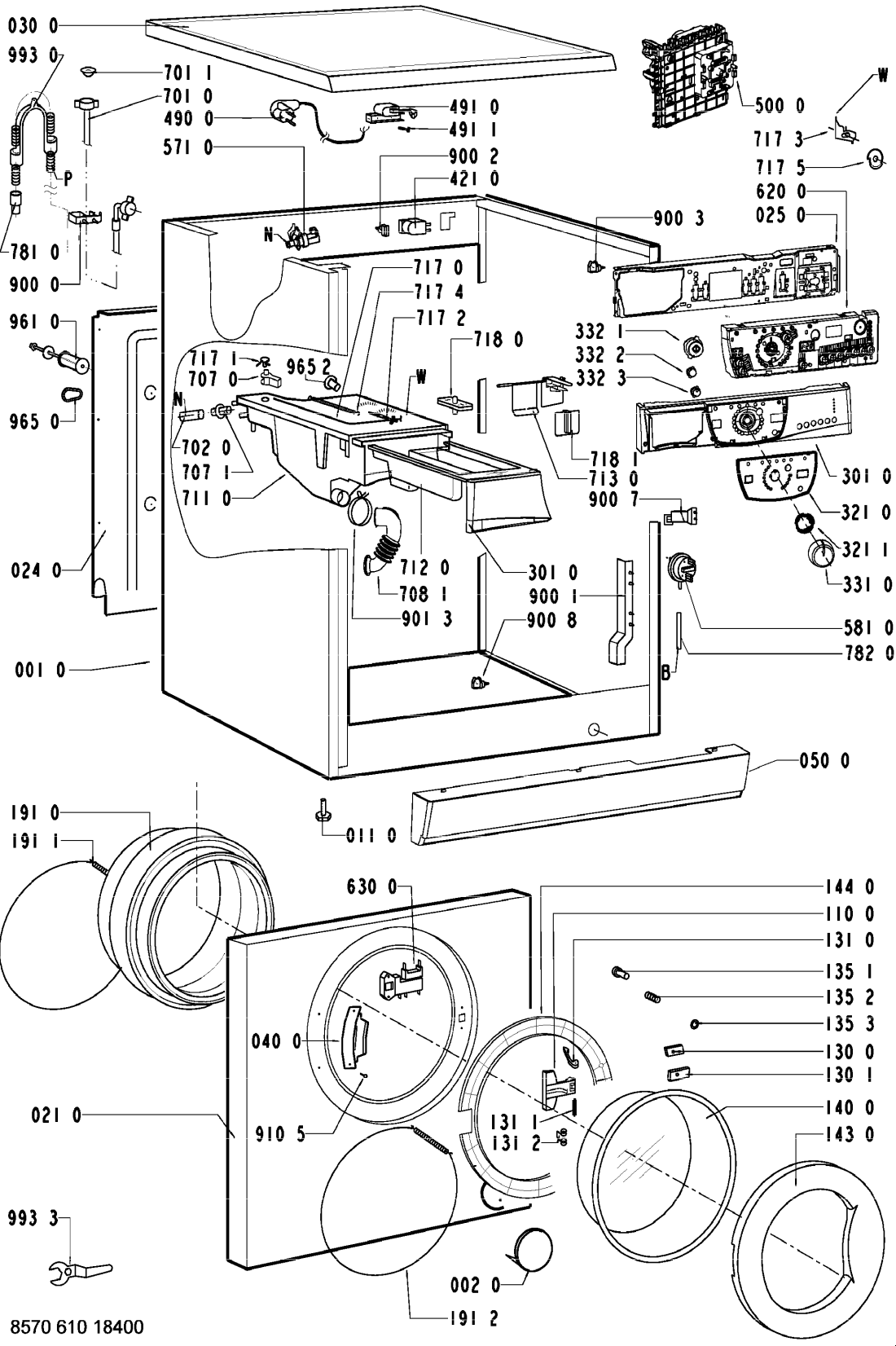
WHIRLPOOL AWM 6300 WASHINGMACHINES WP
Zeptejte se. Rádi poradíme.
Marek Proche
Zákaznická podpora
Po–Čt 8:00—17:00
Pá 8:00—15:00
poradna@servis-whirlpool.cz
| Komerční kód: | AWM 6300 WASHINGMACHINES WP |
| Kód 12NC: | 857061018400 |
| I.C. kód: | 857061018401 |
| Značka: | WHIRLPOOL |
| Typ produktu: | Pračky |
| Další podobné modely: | 857061018400 |
Potřebujete servis? Jsme tady pro Vás
Nabídka náhradních dílů
| Číslo | Kód | Název | Cena | ||
|---|---|---|---|---|---|
| 001 0 WHR41190 |
C00327957
481244010784 |
Cabinet GW | Na dotaz | Zadat poptávku | |
| 002 0 WHR41190 |
C00340844
481244010876 |
Flap Filter round + Holder GW | Na dotaz | Zadat poptávku | |
| 011 0 WHR41190 |
C00330679
481246248421 |
Adjust.foot | Na dotaz | Zadat poptávku | |
| 021 0 WHR41190 |
C00340652
481244010897 |
stena predni | Na dotaz | Zadat poptávku | |
| 024 0 WHR41190 |
C00328103
481244018998 |
Stěna přední AWM250 | Na dotaz | Zadat poptávku | |
| 025 0 WHR41190 |
C00335851
481240438551 |
Support control board VBL WH | Na dotaz | Zadat poptávku | |
| 030 0 WHR41190 |
C00316328
481231018937 |
deska horni vyřazeno | Na dotaz | Zadat poptávku | |
| 040 0 WHR41190 |
C00312018
481241718787 |
Závěs dveří pračky | 625 Kč
€ 25.60 |
||
| 050 0 WHR41190 |
C00337676
481244010823 |
sokl pracky GW | Na dotaz | Zadat poptávku | |
| 061 0 WHR41190 |
C00320755
481246688833 |
zavazi horni | 1 512 Kč
€ 61.90 |
||
| 061 1 WHR41190 |
C00316001
481246688607 |
Counter weight front, bottom | Na dotaz | Zadat poptávku | |
| 061 2 WHR41190 |
C00332868
481931039227 |
sroub do zavazi sada | Na dotaz | Zadat poptávku | |
| 061 3 WHR41190 |
C00320457
481931039228 |
Mounting kit Weight bottom | Na dotaz | Zadat poptávku | |
| 081 0 WHR41190 |
C00313104
481246648088 |
Tlumič třecí pro předem plněné pračky Whirlpool | 766 Kč
€ 31.30 |
||
| 084 0 WHR41190 |
C00330907
481246658001 |
drzak pruziny agreg. | Na dotaz | Zadat poptávku | |
| 086 2 WHR41190 |
C00314527
481240118412 |
pojistka tlumice | 333 Kč
€ 13.60 |
||
| 110 0 WHR41190 |
C00316653
481249818261 |
Rukojeť dveří GW UZ NEBUDE !!!!!!! | Na dotaz | Zadat poptávku | |
| 130 0 WHR41190 |
C00318057
481241728047 |
desticka uzaveru dv. | 27 Kč
€ 1.10 |
||
| 130 1 WHR41190 |
C00318073
481241728108 |
podlozka | 380 Kč
€ 15.60 |
||
| 131 0 WHR41190 |
C00312433
481241728046 |
Lock Door | Na dotaz | Zadat poptávku | |
| 131 1 WHR41190 |
C00312243
481241728045 |
osa uzaveru dveri | 43 Kč
€ 1.80 |
||
| 131 2 WHR41190 |
C00312651
481249258022 |
Pružina uzávěru dveří | 237 Kč
€ 9.70 |
||
| 135 1 WHR41190 |
C00317048
481249818262 |
pojistka dveri | 227 Kč
€ 9.30 |
||
| 135 2 WHR41190 |
C00317024
481249148004 |
Pružina | 220 Kč
€ 9.00 |
||
| 135 3 WHR41190 |
C00313732
481229068153 |
drzak pojistky | Na dotaz | Zadat poptávku | |
| 140 0 WHR41190 |
C00317618
481245058981 |
Door glass | Na dotaz | Zadat poptávku | |
| 143 0 WHR41190 |
C00311758
481244010817 |
Rám dveří vnější GW | 1 337 Kč
€ 54.70 |
||
| 144 0 WHR41190 |
C00340747
481244010833 |
priruba dveri GW | Na dotaz | Zadat poptávku | |
| 191 0 WHR41190 |
C00311137
481246068617 |
Těsnění dveří, manžeta (TVO) pračky Whirlpool Delta | 1 147 Kč
€ 46.90 |
||
| 191 0 WHR41190 |
C00313381
481246068527 |
Door bellow standard | Na dotaz | Zadat poptávku | |
| 191 1 WHR41190 |
C00313764
481249218017 |
spona TVO - vnitřní | 149 Kč
€ 6.10 |
||
| 191 2 WHR41190 |
C00318256
481953058059 |
spona TVO predni st. | Na dotaz | Zadat poptávku | |
| 200 1 WHR41190 |
C00314121
481241818516 |
nadrz predni cast | Na dotaz | Zadat poptávku | |
| 200 2 WHR41190 |
C00311099
481241818318 |
Nádrž - zadní část | Na dotaz | Zadat poptávku | |
| 200 4 WHR41190 |
C00314317
481229088054 |
Spona nádrže | 378 Kč
€ 15.50 |
||
| 220 0 WHR41190 |
C00316593
481241818281 |
Drum 53l, 1000 | Na dotaz | Zadat poptávku | |
| 271 0 WHR41190 |
C00311514
481935818152 |
Řemen PV 1248 J5 pračky Whirlpool | 145 Kč
€ 5.90 |
||
| 272 0 WHR41190 |
C00313543
481252858041 |
remenice bubnu | 1 104 Kč
€ 45.20 |
||
| 272 3 WHR41190 |
C00313776
481250518371 |
matice remenice | Na dotaz | Zadat poptávku | |
| 292 0 WHR41190 |
C00311501
481253058101 |
těsnění bočnice | 694 Kč
€ 28.40 |
||
| 301 0 WHR41190 |
C00594874
481245214712 |
Control panel + handle drawer | Na dotaz | Zadat poptávku | |
| 321 0 WHR41190 |
C00489630
481245214414 |
Insert panel | Na dotaz | Zadat poptávku | |
| 321 1 WHR41190 |
C00341002
481253298011 |
unasec knofliku | Na dotaz | Zadat poptávku | |
| 331 0 WHR41190 |
C00341889
481241318293 |
Knob timer CR. VBL | Na dotaz | Zadat poptávku | |
| 332 1 WHR41190 |
C00317086
481251318126 |
tlacitko | 56 Kč
€ 2.30 |
||
| 332 2 WHR41190 |
C00336968
481251318127 |
tlacitko | Na dotaz | Zadat poptávku | |
| 332 3 WHR41190 |
C00336971
481251318128 |
tlacitko | Na dotaz | Zadat poptávku | |
| 400 0 WHR41190 |
C00314675
481236118301 |
Motor 52/64-148 WHE14 - 9699.A3209 - WM | Na dotaz | Zadat poptávku | |
| 409 0 WHR41190 |
C00311127
481236248004 |
Brush,carbon, Motor CESET | Na dotaz | Zadat poptávku | |
| 421 0 WHR41190 |
C00311350
481212118285 |
Filtr odrušovací 1 uF | 294 Kč
€ 12.00 |
||
| 430 0 WHR41190 |
C00311139
481231028144 |
Vypouštěcí čerpadlo pračky Whirlpool / Bauknecht | 576 Kč
€ 23.60 |
||
| 451 0 WHR41190 |
C00373838
481225928905 |
Topné těleso + NTC | 1 272 Kč
€ 52.10 |
||
| 480 0 WHR41190 |
C00311380
481232178109 |
vodice svazek motor | Na dotaz | Zadat poptávku | |
| 490 0 WHR41190 |
C00316393
481932118136 |
Flexo kabel 2 m, konektory | Na dotaz | Zadat poptávku | |
| 491 0 WHR41190 |
C00309418
481232128367 |
Přechodka | 324 Kč
€ 13.30 |
||
| 491 1 WHR41190 |
C00318425
481250238152 |
Screw 4.8x19 | Na dotaz | Zadat poptávku | |
| 500 0 WHR41190 |
C00501507
481228219728 |
programator SC1 | Na dotaz | Zadat poptávku | |
| 571 0 WHR41190 |
C00312238
481227128375 |
Napouštěcí ventil pračky - jednocestný, boční vývod | 546 Kč
€ 22.30 |
||
| 581 0 WHR41190 |
C00313889
481227618327 |
presostat | 983 Kč
€ 40.20 |
||
| 620 0 WHR41190 |
C00374133
481223958051 |
modul B C/DS | 2 282 Kč
€ 93.40 |
||
| 630 0 WHR41190 |
C00311146
481228058044 |
Blokování dveří předem plněné pračky Whirlpool | Na dotaz | Zadat poptávku | |
| 691 0 WHR41190 |
C00313117
481228219485 |
senzor NTC | 857 Kč
€ 35.10 |
||
| 701 0 WHR41190 |
C00314963
481953028848 |
hadicenapousteci | Na dotaz | Zadat poptávku | |
| 701 1 WHR41190 |
C00316490
481946669704 |
tesneni + sitko | 173 Kč
€ 7.10 |
||
| 702 0 WHR41190 |
C00313911
481953029019 |
Hadice ventil - násypka pračky Whirlpool, Ignis, Bauknecht | 105 Kč
€ 4.30 |
||
| 707 0 WHR41190 |
C00341584
481252648033 |
Tryska násypky pračky | Na dotaz | Zadat poptávku | |
| 707 1 WHR41190 |
C00332324
481252648028 |
Tryska násypky pračky | Na dotaz | Zadat poptávku | |
| 708 1 WHR41190 |
C00313009
481253048143 |
hadice k násypce pračky Whirlpool uz nebude !!!! | Na dotaz | Zadat poptávku | |
| 711 0 WHR41190 |
C00377698
481241888055 |
teleso nasypky | Na dotaz | Zadat poptávku | |
| 712 0 WHR41190 |
C00373782
481241879703 |
Drawer 4 VBL ASS | Na dotaz | Zadat poptávku | |
| 713 0 WHR41190 |
C00538524
481241888028 |
vlozka nasypky klap. | Na dotaz | Zadat poptávku | |
| 717 0 WHR41190 |
C00344286
481241878925 |
Bovden komplet | Na dotaz | Zadat poptávku | |
| 717 1 WHR41190 |
C00328523
481232138013 |
Páčka trysky násypky | Na dotaz | Zadat poptávku | |
| 717 2 WHR41190 |
C00328522
481232138012 |
drzak | 26 Kč
€ 1.10 |
||
| 717 3 WHR41190 |
C00318843
481227888018 |
posouvac | Na dotaz | Zadat poptávku | |
| 717 4 WHR41190 |
C00312356
481249238359 |
Pružina trysky násypky | 13 Kč
€ 0.50 |
||
| 717 5 WHR41190 |
C00491228
481228218806 |
vacka | Na dotaz | Zadat poptávku | |
| 718 0 WHR41190 |
C00332332
481252648051 |
sifon do nasypky | 462 Kč
€ 18.90 |
||
| 718 1 WHR41190 |
C00336507
481241889022 |
Přepážka do násypky pračky Whirlpool, Bauknecht | 99 Kč
€ 4.10 |
||
| 753 1 WHR41190 |
C00312723
481941868234 |
vzdusnik | Na dotaz | Zadat poptávku | |
| 754 0 WHR41190 |
C00312061
481253028826 |
Hadice nádrž-čerpadlo | Na dotaz | Zadat poptávku | |
| 754 1 WHR41190 |
C00309391
481253028832 |
Kulička hadice mezi vanou a čerpadlem pračky Whirpool | 894 Kč
€ 36.60 |
||
| 754 2 WHR41190 |
C00332452
481253029352 |
Příruba eco AWT,AWO/D | 317 Kč
€ 13.00 |
||
| 760 0 WHR41190 |
C00314625
481248058105 |
Filtr čerpadla DELTA | 697 Kč
€ 28.50 |
||
| 781 0 WHR41190 |
C00318230
481953028847 |
Hose,draining | Na dotaz | Zadat poptávku | |
| 782 0 WHR41190 |
C00317136
481253028827 |
Hose Pressostat | Na dotaz | Zadat poptávku | |
| 794 5 WHR41190 |
C00319466
481253058098 |
tesneni vzdusniku Náhrada 481010395017 |
Na dotaz | Zadat poptávku | |
| 900 0 WHR41190 |
C00327119
481225518204 |
Vnější držák hadic pračky Whirlpool | Na dotaz | Zadat poptávku | |
| 900 1 WHR41190 |
C00327315
481229088086 |
Bracket | Na dotaz | Zadat poptávku | |
| 900 2 WHR41190 |
C00327313
481229088077 |
Cable clamp | Na dotaz | Zadat poptávku | |
| 900 3 WHR41190 |
C00328874
481240118446 |
Cable clamp | Na dotaz | Zadat poptávku | |
| 900 4 WHR41190 |
C00332933
481940118872 |
SPONA HADICE AW | 67 Kč
€ 2.70 |
||
| 900 5 WHR41190 |
C00309461
481940118529 |
Spona nádrž-čerpadlo | 105 Kč
€ 4.30 |
||
| 900 6 WHR41190 |
C00317960
481240118444 |
Držák topení pračky Whirlpool, Ignis | Na dotaz | Zadat poptávku | |
| 900 7 WHR41190 |
C00327148
481225698031 |
Holder pressostat | Na dotaz | Zadat poptávku | |
| 900 8 WHR41190 |
C00332928
481940118823 |
SPONA | Na dotaz | Zadat poptávku | |
| 901 3 WHR41190 |
C00316612
481240118414 |
SPONA39,7 | 37 Kč
€ 1.50 |
||
| 910 0 WHR41190 |
C00336553
481250218383 |
sroub M8*25loz.domu | 70 Kč
€ 2.90 |
||
| 910 5 WHR41190 |
C00332781
481290308014 |
sroub M5x16 H | Na dotaz | Zadat poptávku | |
| 930 0 WHR41190 |
C00320162
481949238139 |
pruzina | Na dotaz | Zadat poptávku | |
| 941 0 WHR41190 |
C00314732
481252028004 |
Ložisko 6206 2Z C3 GJN (SKF) | 236 Kč
€ 9.70 |
||
| 941 1 WHR41190 |
C00315230
481252028066 |
Ložisko 6204 2Z C3 GJN (SKF) | 173 Kč
€ 7.10 |
||
| 953 0 WHR41190 |
C00313798
481253058099 |
Shaft seal 1200 | Na dotaz | Zadat poptávku | |
| 961 0 WHR41190 |
C00333324
481953268829 |
Vložka vymezovací | 305 Kč
€ 12.50 |
||
| 965 0 WHR41190 |
C00330912
481246668545 |
Záslepka otvoru po zajišťovacím šroubu bubnu pračky Whirlpool | 206 Kč
€ 8.40 |
||
| 965 1 WHR41190 |
C00330742
481246278165 |
Threaded cap | Na dotaz | Zadat poptávku | |
| 965 2 WHR41190 |
C00319391
481246228678 |
Stopper dispenser | Na dotaz | Zadat poptávku | |
| 993 0 WHR41190 |
C00316831
481953029028 |
Ohyb plastový/držák vypouštěcí hadice pračky | Na dotaz | Zadat poptávku | |
| 993 3 WHR41190 |
C00328868
481239558004 |
klic montazni | Na dotaz | Zadat poptávku | |