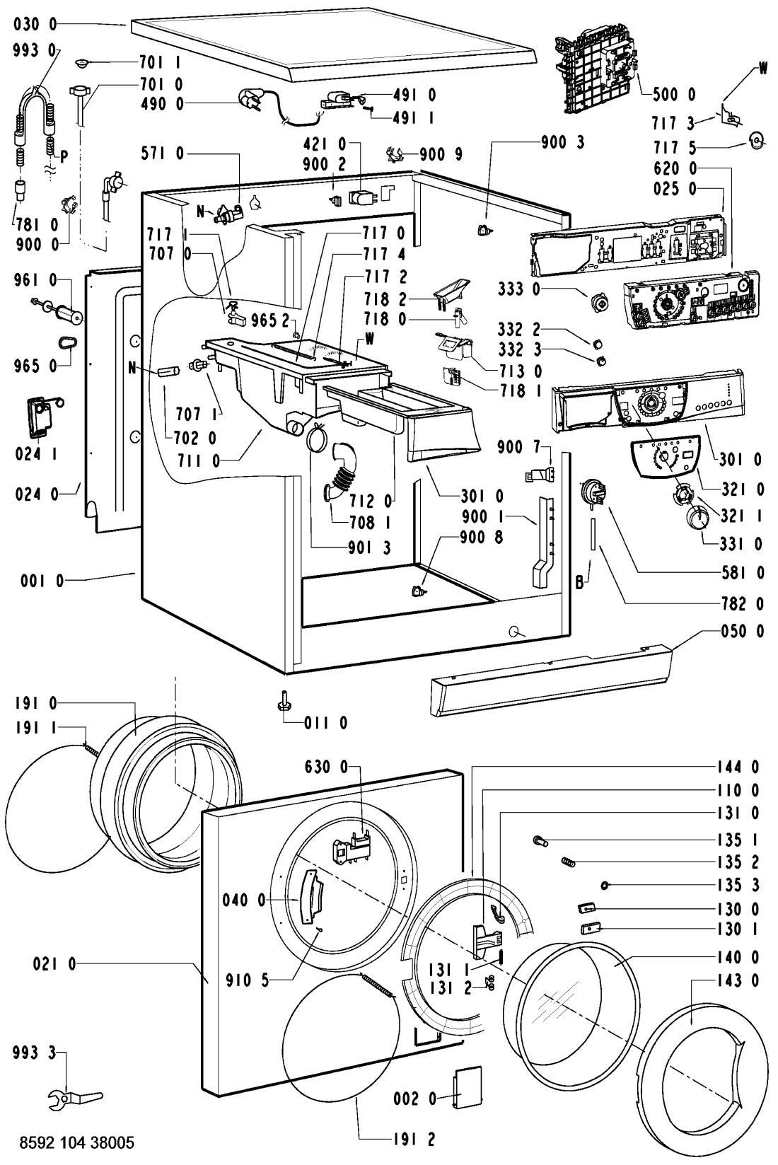
WHIRLPOOL AWM 7100 WASHING MACHINES WP
Zeptejte se. Rádi poradíme.
Marek Proche
Zákaznická podpora
Po–Čt 8:00—17:00
Pá 8:00—15:00
poradna@servis-whirlpool.cz
| Komerční kód: | AWM 7100 WASHING MACHINES WP |
| Kód 12NC: | 859210438000 |
| I.C. kód: | 859210438005 |
| Značka: | WHIRLPOOL |
| Typ produktu: | Pračky |
| Další podobné modely: | 859210438000, 859210438001, 859210438006 |
Potřebujete servis? Jsme tady pro Vás
Nabídka náhradních dílů
| Číslo | Kód | Název | Cena | ||
|---|---|---|---|---|---|
| 0010 WHR42008 |
C00327957
481244010784 |
Cabinet GW | Na dotaz | Zadat poptávku | |
| 0020 WHR42008 |
C00316479
481244011131 |
kryt filtru | Na dotaz | Zadat poptávku | |
| 0110 WHR42008 |
C00330679
481246248421 |
Adjust.foot | Na dotaz | Zadat poptávku | |
| 0210 WHR42008 |
C00497913
481244011132 |
stena predni | Na dotaz | Zadat poptávku | |
| 0240 WHR42008 |
C00341563
481944019892 |
Panel rear | Na dotaz | Zadat poptávku | |
| 0241 WHR42008 |
C00344275
481941879837 |
Box hose | Na dotaz | Zadat poptávku | |
| 0250 WHR42008 |
C00329016
481240438737 |
Support EBL | Na dotaz | Zadat poptávku | |
| 0300 WHR42008 |
C00316477
481244011129 |
Table top EBL | Na dotaz | Zadat poptávku | |
| 0400 WHR42008 |
C00312018
481241718787 |
Závěs dveří pračky | 625 Kč
€ 25.60 |
||
| 0500 WHR42008 |
C00313304
481244089097 |
sokl pracky EBL | Na dotaz | Zadat poptávku | |
| 0610 WHR42008 |
C00343070
481246688458 |
zavazi horni | Na dotaz | Zadat poptávku | |
| 0611 WHR42008 |
C00316001
481246688607 |
Counter weight front, bottom | Na dotaz | Zadat poptávku | |
| 0612 WHR42008 |
C00332868
481931039227 |
sroub do zavazi sada | Na dotaz | Zadat poptávku | |
| 0613 WHR42008 |
C00320457
481931039228 |
Mounting kit Weight bottom | Na dotaz | Zadat poptávku | |
| 0810 WHR42008 |
C00312055
481252918038 |
Shock absorber until 1200 | Na dotaz | Zadat poptávku | |
| 0840 WHR42008 |
C00330907
481246658001 |
drzak pruziny agreg. | Na dotaz | Zadat poptávku | |
| 0862 WHR42008 |
C00314527
481240118412 |
pojistka tlumice | 333 Kč
€ 13.60 |
||
| 1100 WHR42008 |
C00314821
481249818361 |
Handle door | Na dotaz | Zadat poptávku | |
| 1300 WHR42008 |
C00318057
481241728047 |
desticka uzaveru dv. | 27 Kč
€ 1.10 |
||
| 1301 WHR42008 |
C00329782
481241728048 |
Plate Doorlock LowerDoorlock Lower | Na dotaz | Zadat poptávku | |
| 1310 WHR42008 |
C00312433
481241728046 |
Lock Door | Na dotaz | Zadat poptávku | |
| 1311 WHR42008 |
C00312243
481241728045 |
osa uzaveru dveri | 43 Kč
€ 1.80 |
||
| 1312 WHR42008 |
C00312651
481249258022 |
Pružina uzávěru dveří | 237 Kč
€ 9.70 |
||
| 1351 WHR42008 |
C00317048
481249818262 |
pojistka dveri | 227 Kč
€ 9.30 |
||
| 1352 WHR42008 |
C00318221
481249258023 |
Spring Door Safety | Na dotaz | Zadat poptávku | |
| 1353 WHR42008 |
C00313732
481229068153 |
drzak pojistky | Na dotaz | Zadat poptávku | |
| 1400 WHR42008 |
C00317618
481245058981 |
Door glass | Na dotaz | Zadat poptávku | |
| 1430 WHR42008 |
C00317155
481244011141 |
Glassdoor frame | Na dotaz | Zadat poptávku | |
| 1440 WHR42008 |
C00313481
481244011139 |
Frame door glas | Na dotaz | Zadat poptávku | |
| 1910 WHR42008 |
C00311374
481246668729 |
TVO | 1 192 Kč
€ 48.80 |
||
| 1911 WHR42008 |
C00313764
481249218017 |
spona TVO - vnitřní | 149 Kč
€ 6.10 |
||
| 1912 WHR42008 |
C00318256
481953058059 |
spona TVO predni st. | Na dotaz | Zadat poptávku | |
| 2001 WHR42008 |
C00311480
481241818475 |
Tub 42l front | Na dotaz | Zadat poptávku | |
| 2002 WHR42008 |
C00311607
481941818377 |
Nádrž - zadní část | Na dotaz | Zadat poptávku | |
| 2004 WHR42008 |
C00314317
481229088054 |
Spona nádrže | 378 Kč
€ 15.50 |
||
| 2200 WHR42008 |
C00315593
481941818333 |
Drum | Na dotaz | Zadat poptávku | |
| 2710 WHR42008 |
C00311078
481235818056 |
Řemen PV 1250 J4 EL pračky Whirlpool | 100 Kč
€ 4.10 |
||
| 2720 WHR42008 |
C00313543
481252858041 |
remenice bubnu | 1 104 Kč
€ 45.20 |
||
| 2723 WHR42008 |
C00313776
481250518371 |
matice remenice | Na dotaz | Zadat poptávku | |
| 2920 WHR42008 |
C00311501
481253058101 |
těsnění bočnice | 694 Kč
€ 28.40 |
||
| 3010 WHR42008 |
C00606654
481245215187 |
Control panel + handle drawer | Na dotaz | Zadat poptávku | |
| 3210 WHR42008 |
C00489735
481245215186 |
Insert panel | Na dotaz | Zadat poptávku | |
| 3211 WHR42008 |
C00341002
481253298011 |
unasec knofliku | Na dotaz | Zadat poptávku | |
| 3310 WHR42008 |
C00341886
481241458264 |
Knoflík časovače | Na dotaz | Zadat poptávku | |
| 3322 WHR42008 |
C00336970
481251318146 |
Push button without LED EBL | Na dotaz | Zadat poptávku | |
| 3323 WHR42008 |
C00336973
481251318145 |
Push button with LED EBL | Na dotaz | Zadat poptávku | |
| 3330 WHR42008 |
C00336982
481251318147 |
Push button Start EBL | Na dotaz | Zadat poptávku | |
| 4000 WHR42008 |
C00312113
481936158259 |
motor pračky | 4 344 Kč
€ 177.80 |
||
| 4090 WHR42008 |
C00311127
481236248004 |
Brush,carbon, Motor CESET | Na dotaz | Zadat poptávku | |
| 4210 WHR42008 |
C00326769
481212118142 |
Interf.filter 1,00 uF1,00 uF. | Na dotaz | Zadat poptávku | |
| 4300 WHR42008 |
C00311139
481231028144 |
Vypouštěcí čerpadlo pračky Whirlpool / Bauknecht | 576 Kč
€ 23.60 |
||
| 4510 WHR42008 |
C00538515
481225928835 |
nahradene 481225928919 | Na dotaz | Zadat poptávku | |
| 4800 WHR42008 |
C00311380
481232178109 |
vodice svazek motor | Na dotaz | Zadat poptávku | |
| 4900 WHR42008 |
C00316393
481932118136 |
Flexo kabel 2 m, konektory | Na dotaz | Zadat poptávku | |
| 4910 WHR42008 |
C00309418
481232128367 |
Přechodka | 324 Kč
€ 13.30 |
||
| 4911 WHR42008 |
C00318425
481250238152 |
Screw 4.8x19 | Na dotaz | Zadat poptávku | |
| 5000 WHR42008 |
C00456832
481228219984 |
Timer ALPHA (EI,EC,PW,IR,RH) | Na dotaz | Zadat poptávku | |
| 5710 WHR42008 |
C00492928
481227128543 |
ventil jednocestny | 1 013 Kč
€ 41.50 |
||
| 5810 WHR42008 |
C00314441
481227128518 |
presostat 60/35 | 1 159 Kč
€ 47.40 |
||
| 6200 WHR42008 |
C00456436
481223958035 |
Module | Na dotaz | Zadat poptávku | |
| 6300 WHR42008 |
C00311146
481228058044 |
Blokování dveří předem plněné pračky Whirlpool | Na dotaz | Zadat poptávku | |
| 6910 WHR42008 |
C00317366
481228218702 |
senzor NTC | Na dotaz | Zadat poptávku | |
| 7010 WHR42008 |
C00314963
481953028848 |
hadicenapousteci | Na dotaz | Zadat poptávku | |
| 7011 WHR42008 |
C00316490
481946669704 |
tesneni + sitko | 173 Kč
€ 7.10 |
||
| 7020 WHR42008 |
C00313911
481953029019 |
Hadice ventil - násypka pračky Whirlpool, Ignis, Bauknecht | 105 Kč
€ 4.30 |
||
| 7070 WHR42008 |
C00317102
481252648031 |
Tryska násypky pračky | 104 Kč
€ 4.30 |
||
| 7071 WHR42008 |
C00332324
481252648028 |
Tryska násypky pračky | Na dotaz | Zadat poptávku | |
| 7081 WHR42008 |
C00313009
481253048143 |
hadice k násypce pračky Whirlpool uz nebude !!!! | Na dotaz | Zadat poptávku | |
| 7110 WHR42008 |
C00373783
481241868321 |
teleso nasypky | Na dotaz | Zadat poptávku | |
| 7120 WHR42008 |
C00311698
481241868319 |
zasuvka nasypky | 1 220 Kč
€ 49.90 |
||
| 7130 WHR42008 |
C00317129
481241889042 |
Přepážka násypky pračky Whirlpool | 545 Kč
€ 22.30 |
||
| 7170 WHR42008 |
C00311569
481932128092 |
Bovden komplet | 398 Kč
€ 16.30 |
||
| 7171 WHR42008 |
C00328523
481232138013 |
Páčka trysky násypky | Na dotaz | Zadat poptávku | |
| 7172 WHR42008 |
C00328522
481232138012 |
drzak | 26 Kč
€ 1.10 |
||
| 7173 WHR42008 |
C00318843
481227888018 |
posouvac | Na dotaz | Zadat poptávku | |
| 7174 WHR42008 |
C00312356
481249238359 |
Pružina trysky násypky | 13 Kč
€ 0.50 |
||
| 7175 WHR42008 |
C00316494
481228218807 |
SOSOVKA PLAST | Na dotaz | Zadat poptávku | |
| 7180 WHR42008 |
C00332332
481252648051 |
sifon do nasypky | 462 Kč
€ 18.90 |
||
| 7181 WHR42008 |
C00327911
481241889041 |
Separator 3 C. EBL | Na dotaz | Zadat poptávku | |
| 7182 WHR42008 |
C00327912
481241889043 |
Grille drawer 3 C. EBL | Na dotaz | Zadat poptávku | |
| 7531 WHR42008 |
C00312723
481941868234 |
vzdusnik | Na dotaz | Zadat poptávku | |
| 7540 WHR42008 |
C00312061
481253028826 |
Hadice nádrž-čerpadlo | Na dotaz | Zadat poptávku | |
| 7541 WHR42008 |
C00309391
481253028832 |
Kulička hadice mezi vanou a čerpadlem pračky Whirpool | 894 Kč
€ 36.60 |
||
| 7542 WHR42008 |
C00332413
481253028829 |
Flange eco | Na dotaz | Zadat poptávku | |
| 7600 WHR42008 |
C00314625
481248058105 |
Filtr čerpadla DELTA | 697 Kč
€ 28.50 |
||
| 7810 WHR42008 |
C00318230
481953028847 |
Hose,draining | Na dotaz | Zadat poptávku | |
| 7820 WHR42008 |
C00317136
481253028827 |
Hose Pressostat | Na dotaz | Zadat poptávku | |
| 7945 WHR42008 |
C00319466
481253058098 |
tesneni vzdusniku Náhrada 481010395017 |
Na dotaz | Zadat poptávku | |
| 9000 WHR42008 |
C00318811
481225518287 |
Holder Hose outlet right | Na dotaz | Zadat poptávku | |
| 9001 WHR42008 |
C00327315
481229088086 |
Bracket | Na dotaz | Zadat poptávku | |
| 9002 WHR42008 |
C00327313
481229088077 |
Cable clamp | Na dotaz | Zadat poptávku | |
| 9003 WHR42008 |
C00328874
481240118446 |
Cable clamp | Na dotaz | Zadat poptávku | |
| 9004 WHR42008 |
C00318107
481240118549 |
Clamp hose | Na dotaz | Zadat poptávku | |
| 9005 WHR42008 |
C00309461
481940118529 |
Spona nádrž-čerpadlo | 105 Kč
€ 4.30 |
||
| 9006 WHR42008 |
C00317960
481240118444 |
Držák topení pračky Whirlpool, Ignis | Na dotaz | Zadat poptávku | |
| 9007 WHR42008 |
C00327148
481225698031 |
Holder pressostat | Na dotaz | Zadat poptávku | |
| 9008 WHR42008 |
C00332928
481940118823 |
SPONA | Na dotaz | Zadat poptávku | |
| 9009 WHR42008 |
C00327126
481225518286 |
Holder Hose outlet left | Na dotaz | Zadat poptávku | |
| 9013 WHR42008 |
C00316612
481240118414 |
SPONA39,7 | 37 Kč
€ 1.50 |
||
| 9105 WHR42008 |
C00332081
481250218516 |
Screw 4,2 x 13 | Na dotaz | Zadat poptávku | |
| 9300 WHR42008 |
C00320162
481949238139 |
pruzina | Na dotaz | Zadat poptávku | |
| 9410 WHR42008 |
C00315230
481252028066 |
Ložisko 6204 2Z C3 GJN (SKF) | 173 Kč
€ 7.10 |
||
| 9411 WHR42008 |
C00315098
481252028002 |
Ložisko 6203 SKF 2Z C3 | 173 Kč
€ 7.10 |
||
| 9530 WHR42008 |
C00333336
481953278224 |
Ring | Na dotaz | Zadat poptávku | |
| 9610 WHR42008 |
C00333324
481953268829 |
Vložka vymezovací | 305 Kč
€ 12.50 |
||
| 9650 WHR42008 |
C00330912
481246668545 |
Záslepka otvoru po zajišťovacím šroubu bubnu pračky Whirlpool | 206 Kč
€ 8.40 |
||
| 9651 WHR42008 |
C00330742
481246278165 |
Threaded cap | Na dotaz | Zadat poptávku | |
| 9652 WHR42008 |
C00319391
481246228678 |
Stopper dispenser | Na dotaz | Zadat poptávku | |
| 9930 WHR42008 |
C00344296
481253029341 |
Bow | Na dotaz | Zadat poptávku | |
| 9933 WHR42008 |
C00328868
481239558004 |
klic montazni | Na dotaz | Zadat poptávku | |