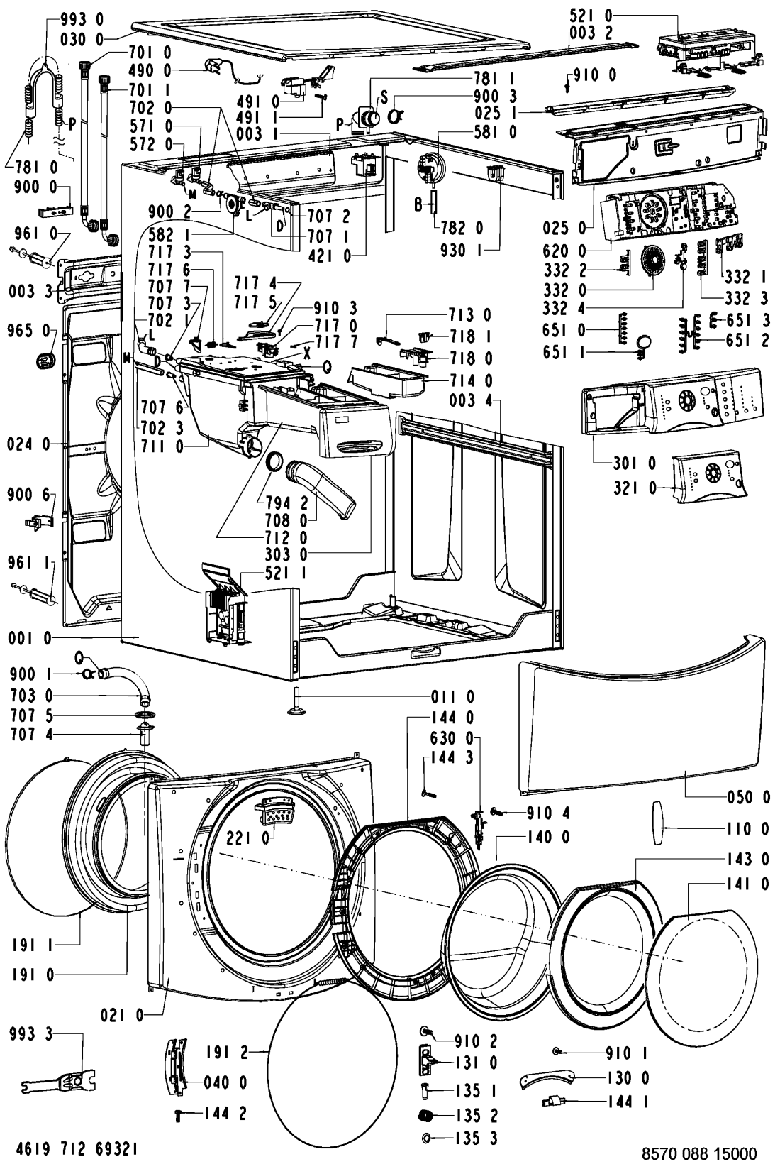
WHIRLPOOL AWM9100/1 WASHING MACHINES KM
Zeptejte se. Rádi poradíme.
Marek Proche
Zákaznická podpora
Po–Čt 8:00—17:00
Pá 8:00—15:00
poradna@servis-whirlpool.cz
| Komerční kód: | AWM9100/1 WASHING MACHINES KM |
| Kód 12NC/I.C. kód: | 857008815000 |
| Značka: | WHIRLPOOL |
| Typ produktu: | Pračky |
| Další podobné modely: | 857008815001, 857008815002 |
Potřebujete servis? Jsme tady pro Vás
Nabídka náhradních dílů
| Číslo | Kód | Název | Cena | ||
|---|---|---|---|---|---|
| 001 0 WHR60703 |
C00327945
481244010725 |
Cabinet Service-Kit silv. calypso | Na dotaz | Zadat poptávku | |
| 003 1 WHR60703 |
C00330831
481246448169 |
Crossbar rear | Na dotaz | Zadat poptávku | |
| 003 2 WHR60703 |
C00330833
481246448175 |
Crossbar table top | Na dotaz | Zadat poptávku | |
| 003 3 WHR60703 |
C00330834
481246448176 |
Crossbar transport | Na dotaz | Zadat poptávku | |
| 003 4 WHR60703 |
C00330835
481246448177 |
Brace side | Na dotaz | Zadat poptávku | |
| 004 0 WHR60703 |
C00327958
481244010786 |
Drip tray assy | Na dotaz | Zadat poptávku | |
| 011 0 WHR60703 |
C00330454
481246218261 |
noha nastavitelna | Na dotaz | Zadat poptávku | |
| 021 0 WHR60703 |
C00327944
481244010724 |
Front panel silv. calypso | Na dotaz | Zadat poptávku | |
| 024 0 WHR60703 |
C00327960
481244010788 |
Panel, rear | Na dotaz | Zadat poptávku | |
| 025 0 WHR60703 |
C00327961
481244010789 |
Bracket control board | Na dotaz | Zadat poptávku | |
| 025 1 WHR60703 |
C00327962
481244010791 |
TRUBKA PLAST | Na dotaz | Zadat poptávku | |
| 030 0 WHR60703 |
C00327975
481244010988 |
Table top silv. calypso | Na dotaz | Zadat poptávku | |
| 040 0 WHR60703 |
C00315496
481241719178 |
Hinge kit door | Na dotaz | Zadat poptávku | |
| 050 0 WHR60703 |
C00330216
481245938055 |
Plinth silv.calypso | Na dotaz | Zadat poptávku | |
| 061 0 WHR60703 |
C00331009
481246688705 |
Counter weight rear | Na dotaz | Zadat poptávku | |
| 061 1 WHR60703 |
C00331494
481246688706 |
zavazi predni | 1 291 Kč
€ 53.00 |
||
| 081 0 WHR60703 |
C00311627
481246648095 |
Tlumič pračky Whirlpool | 687 Kč
€ 28.20 |
||
| 086 0 WHR60703 |
C00331290
481245218994 |
Screw M8x20 A2F | Na dotaz | Zadat poptávku | |
| 086 1 WHR60703 |
C00345896
481250218399 |
Nut Push in M 8Push in M 8 | Na dotaz | Zadat poptávku | |
| 110 0 WHR60703 |
C00345881
481249818263 |
Handle,door foam | Na dotaz | Zadat poptávku | |
| 130 0 WHR60703 |
C00329783
481241728086 |
Plate door lock | Na dotaz | Zadat poptávku | |
| 131 0 WHR60703 |
C00316912
481241728087 |
hak uzaveru dveri | 448 Kč
€ 18.40 |
||
| 135 1 WHR60703 |
C00345882
481249818264 |
Pin door safety | Na dotaz | Zadat poptávku | |
| 135 2 WHR60703 |
C00345874
481249258044 |
Spring doof safety | Na dotaz | Zadat poptávku | |
| 135 3 WHR60703 |
C00332658
481253218068 |
Washer door safety | Na dotaz | Zadat poptávku | |
| 140 0 WHR60703 |
C00331180
481245078019 |
SKLO DVERI | Na dotaz | Zadat poptávku | |
| 141 0 WHR60703 |
C00315453
481246688692 |
Protector door grey | Na dotaz | Zadat poptávku | |
| 143 0 WHR60703 |
C00316425
481244010718 |
Frame,door glas grey | Na dotaz | Zadat poptávku | |
| 144 0 WHR60703 |
C00497893
481244010794 |
Frame,door glas | Na dotaz | Zadat poptávku | |
| 144 1 WHR60703 |
C00497565
481240148585 |
Clamp | Na dotaz | Zadat poptávku | |
| 144 2 WHR60703 |
C00332749
481256018068 |
ScrewDIN 7500, CM 5x14 | Na dotaz | Zadat poptávku | |
| 144 3 WHR60703 |
C00316665
481250248015 |
Šroub 4x16 | 68 Kč
€ 2.80 |
||
| 191 0 WHR60703 |
C00312778
481231018865 |
TVO 8000 | Na dotaz | Zadat poptávku | |
| 191 1 WHR60703 |
C00328900
481240118619 |
Strap | Na dotaz | Zadat poptávku | |
| 191 2 WHR60703 |
C00313447
481240118621 |
spona TVO | Na dotaz | Zadat poptávku | |
| 200 1 WHR60703 |
C00316934
481241818439 |
Tub, half front | Na dotaz | Zadat poptávku | |
| 200 2 WHR60703 |
C00318150
481241818404 |
Tub, halfrear part | Na dotaz | Zadat poptávku | |
| 200 4 WHR60703 |
C00314317
481229088054 |
Spona nádrže | 378 Kč
€ 15.50 |
||
| 220 0 WHR60703 |
C00316936
481241818451 |
Drum | Na dotaz | Zadat poptávku | |
| 221 0 WHR60703 |
C00330925
481246668736 |
Deflector | Na dotaz | Zadat poptávku | |
| 223 0 WHR60703 |
C00317051
481241848647 |
Drum lifter | Na dotaz | Zadat poptávku | |
| 271 0 WHR60703 |
C00318179
481235818187 |
BeltJ7 | Na dotaz | Zadat poptávku | |
| 272 0 WHR60703 |
C00314756
481252858037 |
Řemenice bubnu | 3 018 Kč
€ 124.00 |
||
| 272 1 WHR60703 |
C00332661
481253228941 |
NutM16 f.pulley, drum | Na dotaz | Zadat poptávku | |
| 290 0 WHR60703 |
C00312613
481253268124 |
tesneni bocnice | 622 Kč
€ 25.60 |
||
| 301 0 WHR60703 |
C00594408
481245214246 |
Control panel + handle, cpl.. | Na dotaz | Zadat poptávku | |
| 303 0 WHR60703 |
C00594478
481249818337 |
Handle drawer silv. calypso | Na dotaz | Zadat poptávku | |
| 321 0 WHR60703 |
C00498136
481245214245 |
Insert panel grey | Na dotaz | Zadat poptávku | |
| 332 0 WHR60703 |
C00344033
481241029168 |
Button assy program | Na dotaz | Zadat poptávku | |
| 332 1 WHR60703 |
C00493400
481241029137 |
Button assy temperatur silv.calypso | Na dotaz | Zadat poptávku | |
| 332 2 WHR60703 |
C00329277
481241028999 |
Button assy cycle | Na dotaz | Zadat poptávku | |
| 332 3 WHR60703 |
C00493401
481241029138 |
Button assy options silv.calypso | Na dotaz | Zadat poptávku | |
| 332 4 WHR60703 |
C00344036
481241029167 |
Button assy cancel | Na dotaz | Zadat poptávku | |
| 400 0 WHR60703 |
C00328829
481236158375 |
Motor | Na dotaz | Zadat poptávku | |
| 421 0 WHR60703 |
C00326769
481212118142 |
Interf.filter 1,00 uF1,00 uF. | Na dotaz | Zadat poptávku | |
| 430 0 WHR60703 |
C00312671
481236018533 |
Pump | Na dotaz | Zadat poptávku | |
| 430 1 WHR60703 |
C00330928
481246668757 |
Damper rubber gear - 92516200 | Na dotaz | Zadat poptávku | |
| 430 2 WHR60703 |
C00330929
481246668758 |
Damper rubber front | Na dotaz | Zadat poptávku | |
| 451 0 WHR60703 |
C00311364
481225928854 |
Heating element 2050W, 240V | Na dotaz | Zadat poptávku | |
| 451 1 WHR60703 |
C00328887
481240118581 |
drzak topeni | Na dotaz | Zadat poptávku | |
| 451 2 WHR60703 |
C00332750
481256018069 |
Screw MP 1951, M4x14 SS | Na dotaz | Zadat poptávku | |
| 480 0 WHR60703 |
C00497482
481232178165 |
Cable harness motor | Na dotaz | Zadat poptávku | |
| 480 1 WHR60703 |
C00319067
481232178167 |
Cable harness main | Na dotaz | Zadat poptávku | |
| 480 2 WHR60703 |
C00328530
481232178166 |
Cable harness valve | Na dotaz | Zadat poptávku | |
| 490 0 WHR60703 |
C00319506
481232118043 |
Connect.cable 5m | Na dotaz | Zadat poptávku | |
| 491 0 WHR60703 |
C00309418
481232128367 |
Přechodka | 324 Kč
€ 13.30 |
||
| 491 1 WHR60703 |
C00318425
481250238152 |
Screw 4.8x19 | Na dotaz | Zadat poptávku | |
| 521 0 WHR60703 |
C00312075
481221479827 |
programator | Na dotaz | Zadat poptávku | |
| 521 0 WHR60703 |
C00327007
481221479014 |
control board | Na dotaz | Zadat poptávku | |
| 521 1 WHR60703 |
C00313832
481221478867 |
Control unit motor motor | Na dotaz | Zadat poptávku | |
| 571 0 WHR60703 |
C00311295
481228128429 |
ventil | 984 Kč
€ 40.40 |
||
| 572 0 WHR60703 |
C00311352
481228128432 |
ventil napousteci | 1 013 Kč
€ 41.60 |
||
| 581 0 WHR60703 |
C00497320
481227128521 |
pressostat | Na dotaz | Zadat poptávku | |
| 582 1 WHR60703 |
C00311355
481227128522 |
prutokomer | 1 666 Kč
€ 68.40 |
||
| 620 0 WHR60703 |
C00327428
481227628408 |
Unit,pushbutton | Na dotaz | Zadat poptávku | |
| 630 0 WHR60703 |
C00311292
481228058041 |
Blokování dveří pračky | 5 204 Kč
€ 213.80 |
||
| 651 0 WHR60703 |
C00497252
481213448297 |
guide,light status | Na dotaz | Zadat poptávku | |
| 651 1 WHR60703 |
C00326835
481213448298 |
Guide,light+ window | Na dotaz | Zadat poptávku | |
| 651 2 WHR60703 |
C00497253
481213448299 |
Guide,light 12x | Na dotaz | Zadat poptávku | |
| 651 3 WHR60703 |
C00326837
481213448301 |
Guide,light3x | Na dotaz | Zadat poptávku | |
| 691 0 WHR60703 |
C00327154
481225928692 |
Resistor,NTC | Na dotaz | Zadat poptávku | |
| 701 0 WHR60703 |
C00332419
481253029127 |
Hose inlet with Filter 1.5 m | Na dotaz | Zadat poptávku | |
| 701 1 WHR60703 |
C00309500
481953028928 |
hadice napousteci | Na dotaz | Zadat poptávku | |
| 702 0 WHR60703 |
C00318813
481253029264 |
Hose flowmeter | Na dotaz | Zadat poptávku | |
| 702 1 WHR60703 |
C00332433
481253029276 |
Hose Y-part, dispenser | Na dotaz | Zadat poptávku | |
| 702 3 WHR60703 |
C00332428
481253029263 |
Hose valve-dispenser | Na dotaz | Zadat poptávku | |
| 703 0 WHR60703 |
C00332514
481253048625 |
Hose box to bellow | Na dotaz | Zadat poptávku | |
| 707 1 WHR60703 |
C00332341
481252648159 |
Nozzle inlet cold with Y-part | Na dotaz | Zadat poptávku | |
| 707 2 WHR60703 |
C00317192
481263058102 |
O-Ring 8,1 x 1,6 mm | Na dotaz | Zadat poptávku | |
| 707 3 WHR60703 |
C00498600
481252648161 |
Nozzle window rinse | Na dotaz | Zadat poptávku | |
| 707 4 WHR60703 |
C00332343
481252648162 |
tryska sprchovaci | Na dotaz | Zadat poptávku | |
| 707 5 WHR60703 |
C00332649
481253078011 |
podlozka trysky spr. | Na dotaz | Zadat poptávku | |
| 707 6 WHR60703 |
C00332326
481252648035 |
Nozzle warm | Na dotaz | Zadat poptávku | |
| 707 7 WHR60703 |
C00498599
481252648143 |
Reflector hot water | Na dotaz | Zadat poptávku | |
| 708 0 WHR60703 |
C00332515
481253048626 |
Bend | Na dotaz | Zadat poptávku | |
| 711 0 WHR60703 |
C00313907
481241868279 |
Dispenser | Na dotaz | Zadat poptávku | |
| 712 0 WHR60703 |
C00313376
481241889012 |
zasuvka nasypky | 1 300 Kč
€ 53.40 |
||
| 713 0 WHR60703 |
C00317127
481241889013 |
Hook drawer | Na dotaz | Zadat poptávku | |
| 714 0 WHR60703 |
C00314025
481241879819 |
vlozka nasypky | 152 Kč
€ 6.20 |
||
| 717 0 WHR60703 |
C00314912
481232318006 |
motorek distribuce vody násypky pračky | 580 Kč
€ 23.80 |
||
| 717 3 WHR60703 |
C00328524
481232138026 |
Lever connection | Na dotaz | Zadat poptávku | |
| 717 4 WHR60703 |
C00318028
481232138027 |
PACKA PLAST | 68 Kč
€ 2.80 |
||
| 717 5 WHR60703 |
C00318635
481252838069 |
VACKA PLAST | Na dotaz | Zadat poptávku | |
| 717 6 WHR60703 |
C00313668
481249258045 |
Spring f. lever | Na dotaz | Zadat poptávku | |
| 717 7 WHR60703 |
C00332095
481250218623 |
Screw PT3,5x20-TORx20 | Na dotaz | Zadat poptávku | |
| 718 0 WHR60703 |
C00498598
481252648139 |
Siphon | Na dotaz | Zadat poptávku | |
| 718 1 WHR60703 |
C00314039
481241888994 |
vlozka nasypky | 162 Kč
€ 6.70 |
||
| 753 0 WHR60703 |
C00315669
481241868292 |
Chamber,air | Na dotaz | Zadat poptávku | |
| 754 0 WHR60703 |
C00332434
481253029278 |
Hadice nádrž - čerpadlo pračky Whirlpool, Bauknecht | 736 Kč
€ 30.20 |
||
| 754 1 WHR60703 |
C00332435
481253029279 |
Lockeco ball | Na dotaz | Zadat poptávku | |
| 754 4 WHR60703 |
C00328901
481240118623 |
Clamp 98,5 mm | Na dotaz | Zadat poptávku | |
| 760 0 WHR60703 |
C00315672
481248058317 |
filtr cerpadla 8900 | Na dotaz | Zadat poptávku | |
| 760 1 WHR60703 |
C00314405
481246688707 |
Těsnění | 716 Kč
€ 29.40 |
||
| 781 0 WHR60703 |
C00332436
481253029281 |
hadice vytokova náhrada 481253029376 | Na dotaz | Zadat poptávku | |
| 781 1 WHR60703 |
C00332437
481253029282 |
Hose connection outlet | Na dotaz | Zadat poptávku | |
| 782 0 WHR60703 |
C00332438
481253029283 |
Hosepressostat, 700mm | Na dotaz | Zadat poptávku | |
| 783 4 WHR60703 |
C00318819
481253029284 |
Hadice čerpadlo - vypouštění pračky Whirlpool, Bauknecht | 345 Kč
€ 14.20 |
||
| 787 0 WHR60703 |
C00315511
481253028813 |
hadice odparovaci | 447 Kč
€ 18.40 |
||
| 787 1 WHR60703 |
C00332932
481940118868 |
SPONA HADICE AW | Na dotaz | Zadat poptávku | |
| 787 5 WHR60703 |
C00328902
481240118624 |
spona | 68 Kč
€ 2.80 |
||
| 794 2 WHR60703 |
C00317164
481253058164 |
Sealing | Na dotaz | Zadat poptávku | |
| 794 5 WHR60703 |
C00319466
481253058098 |
tesneni vzdusniku Náhrada 481010395017 |
Na dotaz | Zadat poptávku | |
| 900 0 WHR60703 |
C00328903
481240118625 |
Holder drainhose outside | Na dotaz | Zadat poptávku | |
| 900 1 WHR60703 |
C00317847
482240110492 |
spona12-20/9A | 112 Kč
€ 4.60 |
||
| 900 2 WHR60703 |
C00328881
481240118501 |
Svorka hadice 1 | 87 Kč
€ 3.60 |
||
| 900 3 WHR60703 |
C00328904
481240118626 |
Clamp 32,7 mm | Na dotaz | Zadat poptávku | |
| 900 4 WHR60703 |
C00328905
481240118627 |
Clamp 40 mm | Na dotaz | Zadat poptávku | |
| 900 6 WHR60703 |
C00327122
481225518249 |
Holder drainhose inner | Na dotaz | Zadat poptávku | |
| 910 0 WHR60703 |
C00332163
481250248344 |
Šroub | Na dotaz | Zadat poptávku | |
| 910 1 WHR60703 |
C00332096
481250218624 |
Screw 3.5x10-F A2F | Na dotaz | Zadat poptávku | |
| 910 2 WHR60703 |
C00332153
481250238352 |
Screw 4x10 | Na dotaz | Zadat poptávku | |
| 910 3 WHR60703 |
C00332062
481250218409 |
Screw cam actuator | Na dotaz | Zadat poptávku | |
| 910 4 WHR60703 |
C00316741
481293008022 |
Šroub | Na dotaz | Zadat poptávku | |
| 910 5 WHR60703 |
C00345895
481250218382 |
Screw M8 X 35 | Na dotaz | Zadat poptávku | |
| 910 6 WHR60703 |
C00332154
481250238355 |
Screw 4,2x16 T20 | Na dotaz | Zadat poptávku | |
| 910 7 WHR60703 |
C00314893
481250218635 |
Screw 4.2x9.5 | Na dotaz | Zadat poptávku | |
| 921 0 WHR60703 |
C00325594
481201118525 |
RING,CIRCLIP | Na dotaz | Zadat poptávku | |
| 930 0 WHR60703 |
C00318191
481249238387 |
pruzina | Na dotaz | Zadat poptávku | |
| 930 1 WHR60703 |
C00345868
481249238388 |
Silent bloc | 41 Kč
€ 1.70 |
||
| 941 0 WHR60703 |
C00315000
481252028183 |
Ložisko 6307 2Z C3 GJN (SKF) | Na dotaz | Zadat poptávku | |
| 941 1 WHR60703 |
C00314732
481252028004 |
Ložisko 6206 2Z C3 GJN (SKF) | 236 Kč
€ 9.70 |
||
| 952 1 WHR60703 |
C00332314
481252448014 |
Bushingf. shaft seal | Na dotaz | Zadat poptávku | |
| 953 0 WHR60703 |
C00332646
481253068029 |
Shaft seal | Na dotaz | Zadat poptávku | |
| 961 0 WHR60703 |
C00327333
481231018831 |
Distance sleeve upper | Na dotaz | Zadat poptávku | |
| 961 1 WHR60703 |
C00327334
481231018832 |
Distance sleeve lower | Na dotaz | Zadat poptávku | |
| 962 1 WHR60703 |
C00327339
481231018863 |
Cover lidKIT | Na dotaz | Zadat poptávku | |
| 965 0 WHR60703 |
C00330912
481246668545 |
Záslepka otvoru po zajišťovacím šroubu bubnu pračky Whirlpool | 206 Kč
€ 8.50 |
||
| 965 1 WHR60703 |
C00317606
481226278011 |
Threaded cap tub rear part | Na dotaz | Zadat poptávku | |
| 993 0 WHR60703 |
C00316831
481953029028 |
Ohyb plastový/držák vypouštěcí hadice pračky | Na dotaz | Zadat poptávku | |
| 993 3 WHR60703 |
C00328868
481239558004 |
klic montazni | Na dotaz | Zadat poptávku | |