WHIRLPOOL AWO 12963 WASHING MACHINES            WP
 
             
                 
                
    Zeptejte se. Rádi poradíme.
    
        
            
                
                     
              
        
        
            
    
    
             
            Marek Proche
                    
Zákaznická podpora
            
Po–Čt 8:00—17:00
                
Pá 8:00—15:00             
            
        
            
        poradna@servis-whirlpool.cz     
    
    
| Komerční kód: | AWO 12963 WASHING MACHINES WP | 
| Kód 12NC/I.C. kód: | 859202515000 | 
| Značka: | WHIRLPOOL | 
| Typ produktu: | Pračky | 
| Další podobné modely: | 859202515001 | 
Potřebujete servis? Jsme tady pro Vás
Nabídka náhradních dílů
| Číslo | Kód | Název | Cena | ||
|---|---|---|---|---|---|
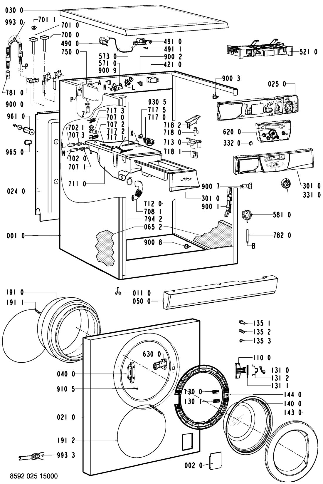
| 001 0 WHR15783 | C00327957 481244010784 | Cabinet GW | Na dotaz | Zadat poptávku | |
| 002 0 WHR15783 | C00316479 481244011131 | kryt filtru | Na dotaz | Zadat poptávku | |
| 004 0 WHR15783 | C00497924 481244018993 | ZBERAC AQUA DELTA | Na dotaz | Zadat poptávku | |
| 011 0 WHR15783 | C00330679 481246248421 | Adjust.foot | Na dotaz | Zadat poptávku | |
| 021 0 WHR15783 | C00497913 481244011132 | stena predni | Na dotaz | Zadat poptávku | |
| 024 0 WHR15783 | C00328103 481244018998 | Stěna přední AWM250 | Na dotaz | Zadat poptávku | |
| 025 0 WHR15783 | C00329016 481240438737 | Support EBL | Na dotaz | Zadat poptávku | |
| 030 0 WHR15783 | C00327986 481244011175 | Table topEBL short | Na dotaz | Zadat poptávku | |
| 040 0 WHR15783 | C00312018 481241718787 | Hinge BK | Na dotaz | Zadat poptávku | |
| 050 0 WHR15783 | C00313304 481244089097 | sokl pracky EBL | Na dotaz | Zadat poptávku | |
| 061 0 WHR15783 | C00331509 481246688818 | Counter weight upper 1600 | Na dotaz | Zadat poptávku | |
| 061 1 WHR15783 | C00331510 481246688819 | Counter weight bottom 1600 | Na dotaz | Zadat poptávku | |
| 061 3 WHR15783 | C00326731 481209498006 | Mounting kit Weight bottom, 1600 | Na dotaz | Zadat poptávku | |
| 061 4 WHR15783 | C00331511 481246688821 | Counter weight front 1600 | Na dotaz | Zadat poptávku | |
| 061 5 WHR15783 | C00326732 481209498007 | Mounting kit weight front, 1600 | Na dotaz | Zadat poptávku | |
| 065 2 WHR15783 | C00327325 481231018401 | Insulation side panel | Na dotaz | Zadat poptávku | |
| 081 0 WHR15783 | C00313104 481246648088 | Tlumič třecí pro předem plněné pračky Whirlpool | 766 Kč € 31.40 | ||
| 084 0 WHR15783 | C00330907 481246658001 | drzak pruziny agreg. | Na dotaz | Zadat poptávku | |
| 086 2 WHR15783 | C00314527 481240118412 | pojistka tlumice | 333 Kč € 13.70 | ||
| 110 0 WHR15783 | C00314821 481249818361 | Handle door | Na dotaz | Zadat poptávku | |
| 130 0 WHR15783 | C00318057 481241728047 | desticka uzaveru dv. | 27 Kč € 1.10 | ||
| 130 1 WHR15783 | C00329782 481241728048 | Plate Doorlock LowerDoorlock Lower | Na dotaz | Zadat poptávku | |
| 131 0 WHR15783 | C00312433 481241728046 | Lock Door | Na dotaz | Zadat poptávku | |
| 131 1 WHR15783 | C00312243 481241728045 | osa uzaveru dveri | 143 Kč € 5.90 | ||
| 131 2 WHR15783 | C00312651 481249258022 | Pružina uzávěru dveří | 237 Kč € 9.70 | ||
| 135 1 WHR15783 | C00317048 481249818262 | pojistka dveri | 227 Kč € 9.30 | ||
| 135 2 WHR15783 | C00318221 481249258023 | Spring Door Safety | Na dotaz | Zadat poptávku | |
| 135 3 WHR15783 | C00313732 481229068153 | drzak pojistky | Na dotaz | Zadat poptávku | |
| 140 0 WHR15783 | C00331123 481245058983 | Door glass | Na dotaz | Zadat poptávku | |
| 143 0 WHR15783 | C00340318 481244011142 | Rám dveří vnější EBL | Na dotaz | Zadat poptávku | |
| 144 0 WHR15783 | C00313481 481244011139 | Frame door glas | Na dotaz | Zadat poptávku | |
| 191 0 WHR15783 | C00311499 481246668841 | Door bellow short 1600 EPDM | Na dotaz | Zadat poptávku | |
| 191 1 WHR15783 | C00328913 481240118673 | Strap 1600 | Na dotaz | Zadat poptávku | |
| 191 2 WHR15783 | C00318256 481953058059 | spona TVO predni st. | Na dotaz | Zadat poptávku | |
| 200 1 WHR15783 | C00329838 481241818534 | Tub, half front 53l, 1600 | Na dotaz | Zadat poptávku | |
| 200 2 WHR15783 | C00319018 481241818533 | Tub, half rear 53l, 1600 | Na dotaz | Zadat poptávku | |
| 200 4 WHR15783 | C00314317 481229088054 | Spona nádrže | 378 Kč € 15.50 | ||
| 220 0 WHR15783 | C00318240 481241818532 | Drum 1600, 53l, PP | Na dotaz | Zadat poptávku | |
| 271 0 WHR15783 | C00328555 481235818194 | Belt POLY-5 1272 J 5 | Na dotaz | Zadat poptávku | |
| 272 0 WHR15783 | C00332370 481252858039 | Pulley 1600 | Na dotaz | Zadat poptávku | |
| 272 3 WHR15783 | C00313776 481250518371 | matice remenice | Na dotaz | Zadat poptávku | |
| 292 0 WHR15783 | C00332635 481253058176 | Gasket Tub 1600 | Na dotaz | Zadat poptávku | |
| 301 0 WHR15783 | C00483339 481245214953 | Control panel + handle drawer | Na dotaz | Zadat poptávku | |
| 331 0 WHR15783 | C00341880 481241318312 | Knob timer OMEGA LCDA | Na dotaz | Zadat poptávku | |
| 332 0 WHR15783 | C00545063 481251318154 | tlacitko | Na dotaz | Zadat poptávku | |
| 400 0 WHR15783 | C00312930 481236158413 | Motor MCA 61/64-148/WHE8, 1600 Delta | Na dotaz | Zadat poptávku | |
| 400 1 WHR15783 | C00336568 481250218401 | sroub do zavazi | Na dotaz | Zadat poptávku | |
| 409 0 WHR15783 | C00315357 481236248443 | Brush,carbon BS. | Na dotaz | Zadat poptávku | |
| 421 0 WHR15783 | C00326769 481212118142 | Interf.filter 1,00 uF1,00 uF. | Na dotaz | Zadat poptávku | |
| 430 0 WHR15783 | C00311139 481231028144 | Čerpadlo vypouštěcí DELTA | 576 Kč € 23.60 | ||
| 451 0 WHR15783 | C00313083 481225928766 | Heating element 240V - 303295 | Na dotaz | Zadat poptávku | |
| 480 0 WHR15783 | C00311380 481232178109 | vodice svazek motor | Na dotaz | Zadat poptávku | |
| 490 0 WHR15783 | C00319506 481232118043 | Connect.cable 5m | Na dotaz | Zadat poptávku | |
| 491 0 WHR15783 | C00309418 481232128367 | Přechodka | 324 Kč € 13.30 | ||
| 491 1 WHR15783 | C00318425 481250238152 | Screw 4.8x19 | Na dotaz | Zadat poptávku | |
| 521 0 WHR15783 | C00319111 481221479435 | Control board 1600, 53l | Na dotaz | Zadat poptávku | |
| 571 0 WHR15783 | C00313050 481228128382 | Valve,magnet cold cold. | Na dotaz | Zadat poptávku | |
| 573 0 WHR15783 | C00312072 481227128449 | Valve magnet hot | Na dotaz | Zadat poptávku | |
| 581 0 WHR15783 | C00337540 481227128382 | Presostat pračky | Na dotaz | Zadat poptávku | |
| 620 0 WHR15783 | C00341726 481227628421 | Module; LCDA | Na dotaz | Zadat poptávku | |
| 630 0 WHR15783 | C00311146 481228058044 | Blokování dveří předem plněné pračky Whirlpool | 483 Kč € 19.80 | ||
| 631 0 WHR15783 | C00317471 481227138358 | mikrospinac plovaku | 745 Kč € 30.60 | ||
| 631 1 WHR15783 | C00315271 481236058112 | Plovák hladinového spínače pračky Whirlpool, Bauknecht | 186 Kč € 7.60 | ||
| 691 0 WHR15783 | C00317366 481228218702 | senzor NTC | Na dotaz | Zadat poptávku | |
| 700 0 WHR15783 | C00309500 481953028928 | hadice napousteci | Na dotaz | Zadat poptávku | |
| 701 0 WHR15783 | C00314963 481953028848 | hadicenapousteci | Na dotaz | Zadat poptávku | |
| 701 1 WHR15783 | C00316490 481946669704 | tesneni + sitko | 173 Kč € 7.10 | ||
| 702 0 WHR15783 | C00313911 481953029019 | Hadice ventil - násypka pračky Whirlpool, Ignis, Bauknecht | 105 Kč € 4.30 | ||
| 702 1 WHR15783 | C00314283 481953028971 | Hose intern | Na dotaz | Zadat poptávku | |
| 707 0 WHR15783 | C00317102 481252648031 | Tryska násypky pračky | 104 Kč € 4.30 | ||
| 707 1 WHR15783 | C00332324 481252648028 | Tryska násypky pračky | Na dotaz | Zadat poptávku | |
| 707 2 WHR15783 | C00332325 481252648034 | Nozzle hot | Na dotaz | Zadat poptávku | |
| 707 3 WHR15783 | C00332326 481252648035 | Nozzle warm | Na dotaz | Zadat poptávku | |
| 708 1 WHR15783 | C00313009 481253048143 | hadice k násypce pračky Whirlpool uz nebude !!!! | Na dotaz | Zadat poptávku | |
| 711 0 WHR15783 | C00316094 481241868342 | Dispenser OMEGA EBL | Na dotaz | Zadat poptávku | |
| 712 0 WHR15783 | C00311698 481241868319 | zasuvka nasypky | 1 220 Kč € 50.00 | ||
| 713 0 WHR15783 | C00317129 481241889042 | Přepážka násypky pračky Whirlpool | 545 Kč € 22.40 | ||
| 717 0 WHR15783 | C00314912 481232318006 | motorek distribuce vody násypky pračky | 580 Kč € 23.80 | ||
| 717 1 WHR15783 | C00338398 481232138015 | Lever water distr. OME | Na dotaz | Zadat poptávku | |
| 717 2 WHR15783 | C00338404 481232138014 | Lever OMEGA/GAMMA | Na dotaz | Zadat poptávku | |
| 717 3 WHR15783 | C00338410 481232138016 | Lever connection OMEGAconnection OMEG | Na dotaz | Zadat poptávku | |
| 717 5 WHR15783 | C00342853 481231018459 | VACKA AKTUATORA OMEG | 265 Kč € 10.90 | ||
| 718 0 WHR15783 | C00332332 481252648051 | sifon do nasypky | 462 Kč € 18.90 | ||
| 718 1 WHR15783 | C00327911 481241889041 | Separator 3 C. EBL | Na dotaz | Zadat poptávku | |
| 718 2 WHR15783 | C00327912 481241889043 | Grille drawer 3 C. EBL | Na dotaz | Zadat poptávku | |
| 750 0 WHR15783 | C00332502 481253048139 | Expanzní nádoba pračky Whirlpool, Bauknecht | 141 Kč € 5.80 | ||
| 753 1 WHR15783 | C00312723 481941868234 | vzdusnik | Na dotaz | Zadat poptávku | |
| 754 0 WHR15783 | C00312061 481253028826 | Hadice nádrž-čerpadlo | Na dotaz | Zadat poptávku | |
| 754 1 WHR15783 | C00309391 481253028832 | Kulička hadice mezi vanou a čerpadlem pračky Whirpool | 894 Kč € 36.70 | ||
| 754 2 WHR15783 | C00332452 481253029352 | Příruba eco AWT,AWO/D | 317 Kč € 13.00 | ||
| 760 0 WHR15783 | C00314625 481248058105 | Filtr čerpadla DELTA | 697 Kč € 28.60 | ||
| 781 0 WHR15783 | C00312966 481953028959 | Hose draining 1,5m. | Na dotaz | Zadat poptávku | |
| 782 0 WHR15783 | C00317136 481253028827 | Hose Pressostat | Na dotaz | Zadat poptávku | |
| 783 1 WHR15783 | C00332453 481253029353 | Steam hose | Na dotaz | Zadat poptávku | |
| 783 3 WHR15783 | C00310140 481253018001 | Connection Part | Na dotaz | Zadat poptávku | |
| 783 4 WHR15783 | C00498614 481253028818 | HADICA CERPADLO-KOMORA/D | Na dotaz | Zadat poptávku | |
| 787 0 WHR15783 | C00332411 481253028819 | Hose with hole (exhaust) | Na dotaz | Zadat poptávku | |
| 787 2 WHR15783 | C00332932 481940118868 | SPONA HADICE AW | Na dotaz | Zadat poptávku | |
| 794 2 WHR15783 | C00318107 481240118549 | Clamp hose | Na dotaz | Zadat poptávku | |
| 794 5 WHR15783 | C00319466 481253058098 | tesneni vzdusniku Náhrada 481010395017 | Na dotaz | Zadat poptávku | |
| 900 0 WHR15783 | C00327119 481225518204 | Vnější držák hadic pračky Whirlpool | Na dotaz | Zadat poptávku | |
| 900 1 WHR15783 | C00327315 481229088086 | Bracket | Na dotaz | Zadat poptávku | |
| 900 2 WHR15783 | C00327313 481229088077 | Cable clamp | Na dotaz | Zadat poptávku | |
| 900 3 WHR15783 | C00328874 481240118446 | Cable clamp | Na dotaz | Zadat poptávku | |
| 900 4 WHR15783 | C00316612 481240118414 | SPONA39,7 | 37 Kč € 1.50 | ||
| 900 5 WHR15783 | C00309461 481940118529 | Spona nádrž-čerpadlo | 105 Kč € 4.30 | ||
| 900 6 WHR15783 | C00317960 481240118444 | Držák topení pračky Whirlpool, Ignis | Na dotaz | Zadat poptávku | |
| 900 7 WHR15783 | C00327148 481225698031 | Holder pressostat | Na dotaz | Zadat poptávku | |
| 900 8 WHR15783 | C00332928 481940118823 | SPONA | Na dotaz | Zadat poptávku | |
| 900 9 WHR15783 | C00332940 481940478449 | Support | Na dotaz | Zadat poptávku | |
| 910 0 WHR15783 | C00336553 481250218383 | sroub M8*25loz.domu | 70 Kč € 2.90 | ||
| 910 5 WHR15783 | C00332081 481250218516 | Screw 4,2 x 13 | Na dotaz | Zadat poptávku | |
| 910 6 WHR15783 | C00332107 481250218678 | Screw 10.9-M8X50-F | Na dotaz | Zadat poptávku | |
| 910 7 WHR15783 | C00332108 481250218682 | Screw P6X40 | Na dotaz | Zadat poptávku | |
| 930 0 WHR15783 | C00345869 481249238391 | Spring Suspension 53l, 1400 | Na dotaz | Zadat poptávku | |
| 930 5 WHR15783 | C00312356 481249238359 | Pružina trysky násypky | 13 Kč € 0.50 | ||
| 941 0 WHR15783 | C00332295 481252028186 | Ložisko 6208 SKF 2Z, 6208 2Z C3 | 963 Kč € 39.50 | ||
| 941 1 WHR15783 | C00318543 481252028001 | Bearing,ball BB1-0625 DD | Na dotaz | Zadat poptávku | |
| 953 0 WHR15783 | C00332636 481253058177 | gufero 50x93x12,5/9 | 556 Kč € 22.80 | ||
| 961 0 WHR15783 | C00333324 481953268829 | Vložka vymezovací | 305 Kč € 12.50 | ||
| 965 0 WHR15783 | C00330912 481246668545 | Záslepka otvoru po zajišťovacím šroubu bubnu pračky Whirlpool | 206 Kč € 8.40 | ||
| 993 0 WHR15783 | C00344296 481253029341 | Bow | Na dotaz | Zadat poptávku | |
| 993 3 WHR15783 | C00328868 481239558004 | klic montazni | 64 Kč € 2.60 | ||