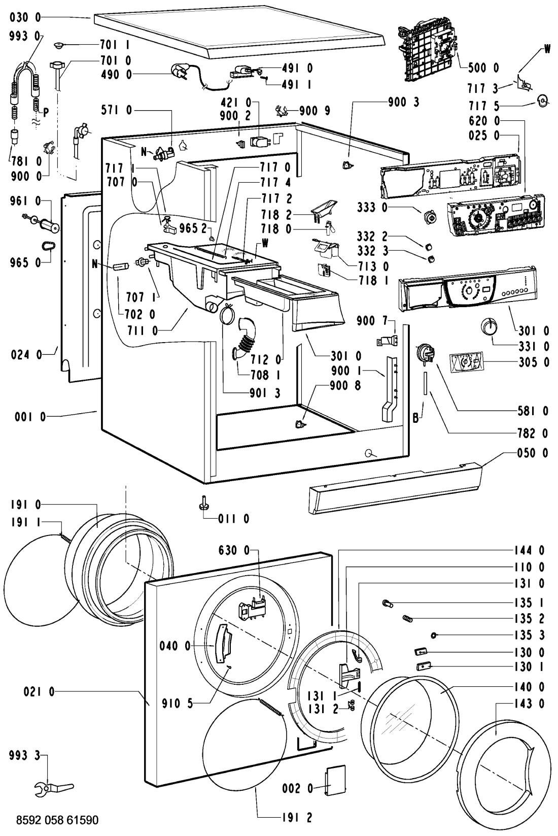
WHIRLPOOL AWO 3665  WASHING MACHINES           WP
 
             
                 
                
    Zeptejte se. Rádi poradíme.
    
        
            
                
                     
              
        
        
            
    
    
             
            Marek Proche
                    
Zákaznická podpora
            
Po–Čt 8:00—17:00
                
Pá 8:00—15:00             
            
        
            
        poradna@servis-whirlpool.cz     
    
    
| Komerční kód: | AWO 3665 WASHING MACHINES WP | 
| Kód 12NC/I.C. kód: | 859205861590 | 
| Značka: | WHIRLPOOL | 
| Typ produktu: | Pračky | 
| Další podobné modely: | 859205861591 | 
Potřebujete servis? Jsme tady pro Vás
Nabídka náhradních dílů
| Číslo | Kód | Název | Cena | ||
|---|---|---|---|---|---|
| 001 0 WHR14916 | C00327957 481244010784 | Cabinet GW | Na dotaz | Zadat poptávku | |
| 002 0 WHR14916 | C00316479 481244011131 | kryt filtru | Na dotaz | Zadat poptávku | |
| 011 0 WHR14916 | C00330679 481246248421 | Adjust.foot | Na dotaz | Zadat poptávku | |
| 021 0 WHR14916 | C00497913 481244011132 | stena predni | Na dotaz | Zadat poptávku | |
| 024 0 WHR14916 | C00328103 481244018998 | Stěna přední AWM250 | Na dotaz | Zadat poptávku | |
| 025 0 WHR14916 | C00329016 481240438737 | Support EBL | Na dotaz | Zadat poptávku | |
| 030 0 WHR14916 | C00316477 481244011129 | Table top EBL | Na dotaz | Zadat poptávku | |
| 040 0 WHR14916 | C00312018 481241718787 | Hinge BK | Na dotaz | Zadat poptávku | |
| 050 0 WHR14916 | C00313304 481244089097 | sokl pracky EBL | Na dotaz | Zadat poptávku | |
| 061 0 WHR14916 | C00320755 481246688833 | zavazi horni | 1 512 Kč € 62.00 | ||
| 061 1 WHR14916 | C00316001 481246688607 | Counter weight front, bottom | Na dotaz | Zadat poptávku | |
| 061 2 WHR14916 | C00332868 481931039227 | sroub do zavazi sada | Na dotaz | Zadat poptávku | |
| 061 3 WHR14916 | C00320457 481931039228 | Mounting kit Weight bottom | Na dotaz | Zadat poptávku | |
| 081 0 WHR14916 | C00313104 481246648088 | Tlumič třecí pro předem plněné pračky Whirlpool | 766 Kč € 31.40 | ||
| 084 0 WHR14916 | C00330907 481246658001 | drzak pruziny agreg. | Na dotaz | Zadat poptávku | |
| 086 2 WHR14916 | C00314527 481240118412 | pojistka tlumice | 333 Kč € 13.70 | ||
| 110 0 WHR14916 | C00314821 481249818361 | Handle door | Na dotaz | Zadat poptávku | |
| 130 0 WHR14916 | C00318057 481241728047 | desticka uzaveru dv. | 27 Kč € 1.10 | ||
| 130 1 WHR14916 | C00329782 481241728048 | Plate Doorlock LowerDoorlock Lower | Na dotaz | Zadat poptávku | |
| 131 0 WHR14916 | C00312433 481241728046 | Lock Door | Na dotaz | Zadat poptávku | |
| 131 1 WHR14916 | C00312243 481241728045 | osa uzaveru dveri | 143 Kč € 5.90 | ||
| 131 2 WHR14916 | C00312651 481249258022 | Pružina uzávěru dveří | 237 Kč € 9.70 | ||
| 135 1 WHR14916 | C00317048 481249818262 | pojistka dveri | 227 Kč € 9.30 | ||
| 135 2 WHR14916 | C00318221 481249258023 | Spring Door Safety | Na dotaz | Zadat poptávku | |
| 135 3 WHR14916 | C00313732 481229068153 | drzak pojistky | Na dotaz | Zadat poptávku | |
| 140 0 WHR14916 | C00317618 481245058981 | Door glass | Na dotaz | Zadat poptávku | |
| 143 0 WHR14916 | C00317155 481244011141 | Glassdoor frame | Na dotaz | Zadat poptávku | |
| 144 0 WHR14916 | C00313481 481244011139 | Frame door glas | Na dotaz | Zadat poptávku | |
| 191 0 WHR14916 | C00311374 481246668729 | TVO | 1 192 Kč € 48.90 | ||
| 191 1 WHR14916 | C00313764 481249218017 | spona TVO - vnitřní | 149 Kč € 6.10 | ||
| 191 2 WHR14916 | C00318256 481953058059 | spona TVO predni st. | Na dotaz | Zadat poptávku | |
| 200 1 WHR14916 | C00314589 481241818551 | Tub, half front 48l,1400 no vent. | Na dotaz | Zadat poptávku | |
| 200 2 WHR14916 | C00312574 481241818368 | Tub, half rear 48l, 1400 | Na dotaz | Zadat poptávku | |
| 200 4 WHR14916 | C00314317 481229088054 | Spona nádrže | 378 Kč € 15.50 | ||
| 220 0 WHR14916 | C00313428 481241818353 | buben MONACO 1400 | Na dotaz | Zadat poptávku | |
| 271 0 WHR14916 | C00311078 481235818056 | Řemen PV 1250 J4 EL pračky Whirlpool | 100 Kč € 4.10 | ||
| 272 0 WHR14916 | C00313543 481252858041 | remenice bubnu | 1 104 Kč € 45.30 | ||
| 272 3 WHR14916 | C00313776 481250518371 | matice remenice | Na dotaz | Zadat poptávku | |
| 292 0 WHR14916 | C00311501 481253058101 | těsnění bočnice | 694 Kč € 28.50 | ||
| 301 0 WHR14916 | C00460373 481245215367 | Control panel + handle drawer | Na dotaz | Zadat poptávku | |
| 305 0 WHR14916 | C00460374 481245215368 | Insert panel Kit | Na dotaz | Zadat poptávku | |
| 331 0 WHR14916 | C00316770 481241458263 | knoflik | Na dotaz | Zadat poptávku | |
| 332 2 WHR14916 | C00336970 481251318146 | Push button without LED EBL | Na dotaz | Zadat poptávku | |
| 332 3 WHR14916 | C00336973 481251318145 | Push button with LED EBL | Na dotaz | Zadat poptávku | |
| 333 0 WHR14916 | C00316673 481251318143 | volic programu | Na dotaz | Zadat poptávku | |
| 400 0 WHR14916 | C00311341 481236158377 | motor | 4 029 Kč € 165.30 | ||
| 409 0 WHR14916 | C00311127 481236248004 | Brush,carbon, Motor CESET | Na dotaz | Zadat poptávku | |
| 421 0 WHR14916 | C00326769 481212118142 | Interf.filter 1,00 uF1,00 uF. | Na dotaz | Zadat poptávku | |
| 430 0 WHR14916 | C00311139 481231028144 | Čerpadlo vypouštěcí DELTA | 576 Kč € 23.60 | ||
| 451 0 WHR14916 | C00538515 481225928835 | nahradene 481225928919 | Na dotaz | Zadat poptávku | |
| 480 0 WHR14916 | C00311380 481232178109 | vodice svazek motor | Na dotaz | Zadat poptávku | |
| 490 0 WHR14916 | C00316393 481932118136 | Flexo kabel 2 m, konektory | Na dotaz | Zadat poptávku | |
| 491 0 WHR14916 | C00309418 481232128367 | Přechodka | 324 Kč € 13.30 | ||
| 491 1 WHR14916 | C00318425 481250238152 | Screw 4.8x19 | Na dotaz | Zadat poptávku | |
| 500 0 WHR14916 | C00501363 481228219352 | Timer SC1 programmed | Na dotaz | Zadat poptávku | |
| 571 0 WHR14916 | C00312238 481227128375 | Napouštěcí ventil pračky - jednocestný, boční vývod | 546 Kč € 22.40 | ||
| 581 0 WHR14916 | C00313403 481227128441 | presostat | 998 Kč € 40.90 | ||
| 620 0 WHR14916 | C00500424 481223958032 | TIMER | Na dotaz | Zadat poptávku | |
| 630 0 WHR14916 | C00311146 481228058044 | Blokování dveří předem plněné pračky Whirlpool | 483 Kč € 19.80 | ||
| 691 0 WHR14916 | C00317366 481228218702 | senzor NTC | Na dotaz | Zadat poptávku | |
| 701 0 WHR14916 | C00314963 481953028848 | hadicenapousteci | Na dotaz | Zadat poptávku | |
| 701 1 WHR14916 | C00316490 481946669704 | tesneni + sitko | 173 Kč € 7.10 | ||
| 702 0 WHR14916 | C00313911 481953029019 | Hadice ventil - násypka pračky Whirlpool, Ignis, Bauknecht | 105 Kč € 4.30 | ||
| 707 0 WHR14916 | C00317102 481252648031 | Tryska násypky pračky | 104 Kč € 4.30 | ||
| 707 1 WHR14916 | C00332324 481252648028 | Tryska násypky pračky | Na dotaz | Zadat poptávku | |
| 708 1 WHR14916 | C00313009 481253048143 | hadice k násypce pračky Whirlpool uz nebude !!!! | Na dotaz | Zadat poptávku | |
| 711 0 WHR14916 | C00373783 481241868321 | teleso nasypky | Na dotaz | Zadat poptávku | |
| 712 0 WHR14916 | C00311698 481241868319 | zasuvka nasypky | 1 220 Kč € 50.00 | ||
| 713 0 WHR14916 | C00317129 481241889042 | Přepážka násypky pračky Whirlpool | 545 Kč € 22.40 | ||
| 717 0 WHR14916 | C00311569 481932128092 | Bovden komplet | 398 Kč € 16.30 | ||
| 717 1 WHR14916 | C00328523 481232138013 | Páčka trysky násypky | Na dotaz | Zadat poptávku | |
| 717 2 WHR14916 | C00328522 481232138012 | drzak | 26 Kč € 1.10 | ||
| 717 3 WHR14916 | C00318843 481227888018 | posouvac | Na dotaz | Zadat poptávku | |
| 717 4 WHR14916 | C00312356 481249238359 | Pružina trysky násypky | 13 Kč € 0.50 | ||
| 717 5 WHR14916 | C00316494 481228218807 | SOSOVKA PLAST | Na dotaz | Zadat poptávku | |
| 718 0 WHR14916 | C00332332 481252648051 | sifon do nasypky | 462 Kč € 18.90 | ||
| 718 1 WHR14916 | C00327911 481241889041 | Separator 3 C. EBL | Na dotaz | Zadat poptávku | |
| 718 2 WHR14916 | C00327912 481241889043 | Grille drawer 3 C. EBL | Na dotaz | Zadat poptávku | |
| 753 1 WHR14916 | C00312723 481941868234 | vzdusnik | Na dotaz | Zadat poptávku | |
| 754 0 WHR14916 | C00312061 481253028826 | Hadice nádrž-čerpadlo | Na dotaz | Zadat poptávku | |
| 754 1 WHR14916 | C00309391 481253028832 | Kulička hadice mezi vanou a čerpadlem pračky Whirpool | 894 Kč € 36.70 | ||
| 754 2 WHR14916 | C00332413 481253028829 | Flange eco | Na dotaz | Zadat poptávku | |
| 760 0 WHR14916 | C00314625 481248058105 | Filtr čerpadla DELTA | 697 Kč € 28.60 | ||
| 781 0 WHR14916 | C00318230 481953028847 | Hose,draining | Na dotaz | Zadat poptávku | |
| 782 0 WHR14916 | C00317136 481253028827 | Hose Pressostat | Na dotaz | Zadat poptávku | |
| 794 5 WHR14916 | C00319466 481253058098 | tesneni vzdusniku Náhrada 481010395017 | Na dotaz | Zadat poptávku | |
| 900 0 WHR14916 | C00318811 481225518287 | Holder Hose outlet right | Na dotaz | Zadat poptávku | |
| 900 1 WHR14916 | C00327315 481229088086 | Bracket | Na dotaz | Zadat poptávku | |
| 900 2 WHR14916 | C00327313 481229088077 | Cable clamp | Na dotaz | Zadat poptávku | |
| 900 3 WHR14916 | C00328874 481240118446 | Cable clamp | Na dotaz | Zadat poptávku | |
| 900 4 WHR14916 | C00318107 481240118549 | Clamp hose | Na dotaz | Zadat poptávku | |
| 900 5 WHR14916 | C00309461 481940118529 | Spona nádrž-čerpadlo | 105 Kč € 4.30 | ||
| 900 6 WHR14916 | C00317960 481240118444 | Držák topení pračky Whirlpool, Ignis | Na dotaz | Zadat poptávku | |
| 900 7 WHR14916 | C00327148 481225698031 | Holder pressostat | Na dotaz | Zadat poptávku | |
| 900 8 WHR14916 | C00332928 481940118823 | SPONA | Na dotaz | Zadat poptávku | |
| 900 9 WHR14916 | C00327126 481225518286 | Holder Hose outlet left | Na dotaz | Zadat poptávku | |
| 901 3 WHR14916 | C00316612 481240118414 | SPONA39,7 | 37 Kč € 1.50 | ||
| 910 5 WHR14916 | C00332081 481250218516 | Screw 4,2 x 13 | Na dotaz | Zadat poptávku | |
| 930 0 WHR14916 | C00320162 481949238139 | pruzina | Na dotaz | Zadat poptávku | |
| 941 0 WHR14916 | C00314254 481252028003 | BEARING 6306 2Z C3 GJN | Na dotaz | Zadat poptávku | |
| 941 1 WHR14916 | C00315491 481252028005 | BEARING 6304 2Z C3 | Na dotaz | Zadat poptávku | |
| 953 0 WHR14916 | C00314432 481253058142 | gufero 35x75x12 | Na dotaz | Zadat poptávku | |
| 961 0 WHR14916 | C00333324 481953268829 | Vložka vymezovací | 305 Kč € 12.50 | ||
| 965 0 WHR14916 | C00330912 481246668545 | Záslepka otvoru po zajišťovacím šroubu bubnu pračky Whirlpool | 206 Kč € 8.40 | ||
| 965 1 WHR14916 | C00330742 481246278165 | Threaded cap | Na dotaz | Zadat poptávku | |
| 965 2 WHR14916 | C00319391 481246228678 | Stopper dispenser | Na dotaz | Zadat poptávku | |
| 993 0 WHR14916 | C00344296 481253029341 | Bow | Na dotaz | Zadat poptávku | |
| 993 3 WHR14916 | C00328868 481239558004 | klic montazni | 64 Kč € 2.60 | ||