WHIRLPOOL AWO 5225
 
             
                 
                
    Zeptejte se. Rádi poradíme.
    
        
            
                
                     
              
        
        
            
    
    
             
            Marek Proche
                    
Zákaznická podpora
            
Po–Čt 8:00—17:00
                
Pá 8:00—15:00             
            
        
            
        poradna@servis-whirlpool.cz     
    
    
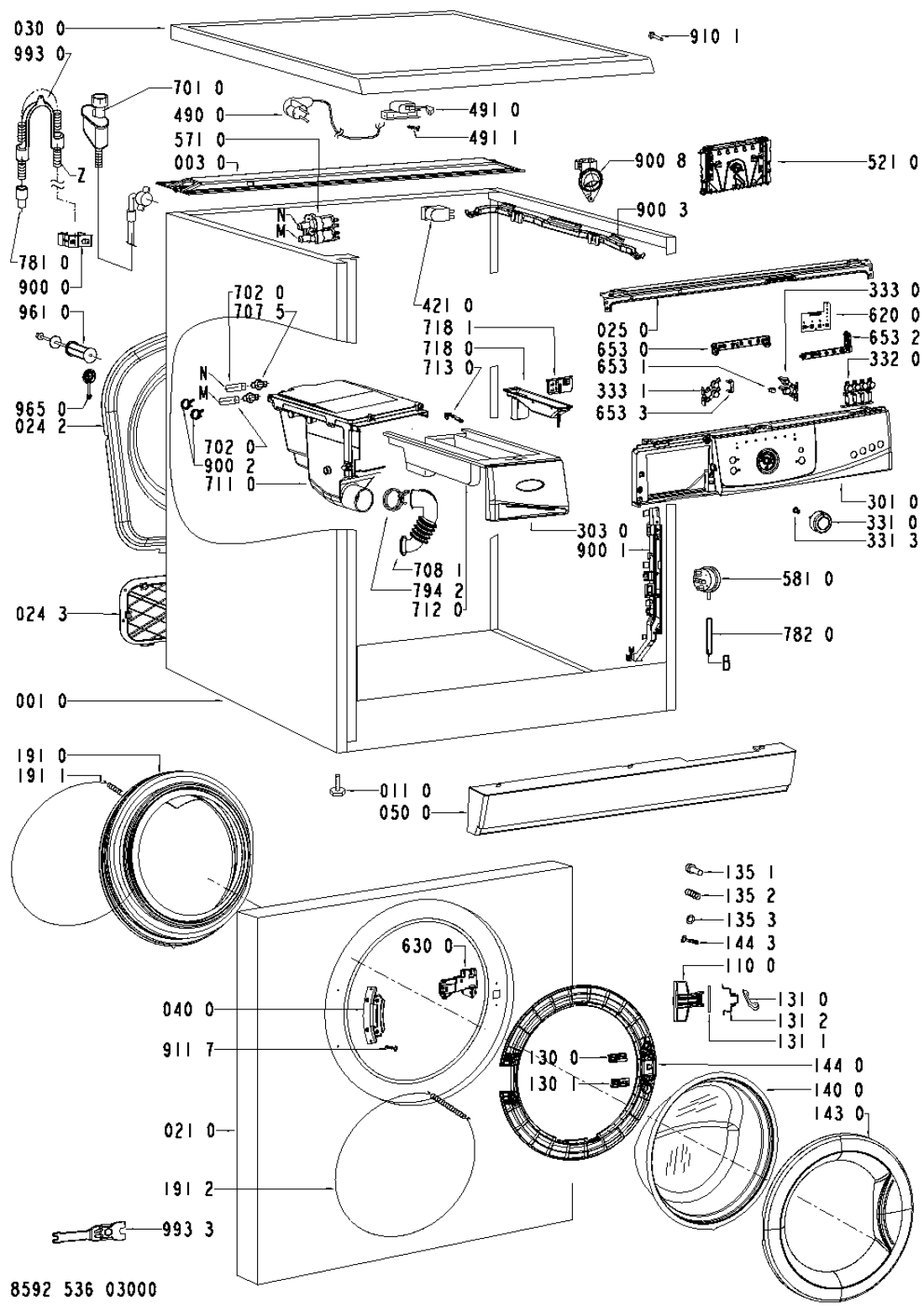
| Komerční kód: | AWO 5225 | 
| Kód 12NC/I.C. kód: | 859253603000 | 
| Značka: | WHIRLPOOL | 
| Typ produktu: | Pračky | 
| Další podobné modely: | 859253603005 | 
Potřebujete servis? Jsme tady pro Vás
Nabídka náhradních dílů
| Číslo | Kód | Název | Cena | ||
|---|---|---|---|---|---|
| 001 0 WHR59875 | C00317169 481244011579 | Cabinet U-SHAPE | Na dotaz | Zadat poptávku | |
| 003 0 WHR59875 | C00328046 481244011581 | Lišta víka | 266 Kč € 10.90 | ||
| 011 0 WHR59875 | C00311705 481250018099 | noha pracky M8*34/A | Na dotaz | Zadat poptávku | |
| 021 0 WHR59875 | C00311957 481244011471 | stena predni | 2 758 Kč € 113.10 | ||
| 024 2 WHR59875 | C00328095 481244011791 | stena zadni | Na dotaz | Zadat poptávku | |
| 024 3 WHR59875 | C00331037 481244218047 | deska horni | Na dotaz | Zadat poptávku | |
| 025 0 WHR59875 | C00328047 481244011582 | lista | Na dotaz | Zadat poptávku | |
| 030 0 WHR59875 | C00317175 481244011654 | deska horni GW | Na dotaz | Zadat poptávku | |
| 040 0 WHR59875 | C00312018 481241718787 | Hinge BK | Na dotaz | Zadat poptávku | |
| 050 0 WHR59875 | C00312706 481244010779 | sokl pracky GW | Na dotaz | Zadat poptávku | |
| 061 0 WHR59875 | C00320033 481246689033 | Counter weight upper, 44 l, EUREKA. | Na dotaz | Zadat poptávku | |
| 061 1 WHR59875 | C00312633 481246689034 | zavazi | 1 448 Kč € 59.40 | ||
| 061 2 WHR59875 | C00314017 481231039287 | sroub | 215 Kč € 8.80 | ||
| 081 0 WHR59875 | C00313195 481252918063 | Tlumič třecí pračky Whirlpool, Ignis | 250 Kč € 10.30 | ||
| 084 0 WHR59875 | C00320879 481246658023 | cep | 80 Kč € 3.30 | ||
| 086 0 WHR59875 | C00314609 481240118894 | Fixation eureka | Na dotaz | Zadat poptávku | |
| 110 0 WHR59875 | C00314821 481249818361 | Handle door | Na dotaz | Zadat poptávku | |
| 130 0 WHR59875 | C00329784 481241728107 | Plate eureka | Na dotaz | Zadat poptávku | |
| 130 1 WHR59875 | C00318073 481241728108 | podlozka | 380 Kč € 15.60 | ||
| 131 0 WHR59875 | C00312433 481241728046 | Lock Door | Na dotaz | Zadat poptávku | |
| 131 1 WHR59875 | C00312243 481241728045 | osa uzaveru dveri | 143 Kč € 5.90 | ||
| 131 2 WHR59875 | C00312651 481249258022 | Pružina uzávěru dveří | 237 Kč € 9.70 | ||
| 135 1 WHR59875 | C00317048 481249818262 | pojistka dveri | 227 Kč € 9.30 | ||
| 135 2 WHR59875 | C00317024 481249148004 | Pružina | 220 Kč € 9.00 | ||
| 135 3 WHR59875 | C00313732 481229068153 | drzak pojistky | Na dotaz | Zadat poptávku | |
| 140 0 WHR59875 | C00311241 481245059812 | Sklo dveří | 2 067 Kč € 84.80 | ||
| 143 0 WHR59875 | C00317155 481244011141 | Glassdoor frame | Na dotaz | Zadat poptávku | |
| 144 0 WHR59875 | C00328050 481244011595 | Frame door glas | Na dotaz | Zadat poptávku | |
| 144 3 WHR59875 | C00318393 481250218669 | sroub pojistka dv. | 267 Kč € 11.00 | ||
| 191 0 WHR59875 | C00311125 481246068633 | Těsnění dveří, manžeta pračky Whirlpool | 350 Kč € 14.40 | ||
| 191 1 WHR59875 | C00312650 481249218028 | spona TVO - vnitřní | 54 Kč € 2.20 | ||
| 191 2 WHR59875 | C00311875 481249298011 | spona TVO - přední stěna | 111 Kč € 4.60 | ||
| 200 0 WHR59875 | C00312169 481241818739 | Wash unit EU/1200/44L/H3 | Na dotaz | Zadat poptávku | |
| 223 0 WHR59875 | C00311811 481241848958 | Drum lifter | Na dotaz | Zadat poptávku | |
| 271 0 WHR59875 | C00311752 481235818214 | Belt eureka 50lt | Na dotaz | Zadat poptávku | |
| 272 0 WHR59875 | C00314580 481252858044 | Pulley Eureka/MR+HR | Na dotaz | Zadat poptávku | |
| 272 3 WHR59875 | C00313276 481250218817 | sroub remenice | Na dotaz | Zadat poptávku | |
| 301 0 WHR59875 | C00463039 481245311181 | Control panel AWO 5225 | Na dotaz | Zadat poptávku | |
| 303 0 WHR59875 | C00312520 481245217755 | Handle drawer EBL WP25-CPL | Na dotaz | Zadat poptávku | |
| 331 0 WHR59875 | C00310970 481241458306 | Knoflík programátoru , volič programu AWO/D , AWE , AWZ | 173 Kč € 7.10 | ||
| 331 3 WHR59875 | C00311525 481241458307 | Unašeč knoflíku AWO/D | 399 Kč € 16.40 | ||
| 332 0 WHR59875 | C00316297 481241029399 | tlacitko | 523 Kč € 21.50 | ||
| 333 0 WHR59875 | C00310977 481251318172 | Tlačítko | 260 Kč € 10.70 | ||
| 333 1 WHR59875 | C00312048 481241029401 | Tlačítko | 249 Kč € 10.20 | ||
| 400 0 WHR59875 | C00313030 481236158519 | motor | 6 890 Kč € 282.60 | ||
| 400 1 WHR59875 | C00309518 481250218828 | Šroub | 134 Kč € 5.50 | ||
| 409 0 WHR59875 | C00311841 481236248446 | Brush,carbon Emerson(MCA) | Na dotaz | Zadat poptávku | |
| 421 0 WHR59875 | C00311350 481212118285 | Filtr odrušovací 1 uF | 294 Kč € 12.10 | ||
| 430 0 WHR59875 | C00313045 481236018559 | Pump | Na dotaz | Zadat poptávku | |
| 451 0 WHR59875 | C00318278 481225928919 | Heating element 2050W, 230V + NTC | Na dotaz | Zadat poptávku | |
| 480 0 WHR59875 | C00313337 481232178412 | vodic eureka 50lt | Na dotaz | Zadat poptávku | |
| 490 0 WHR59875 | C00316393 481932118136 | Flexo kabel 2 m, konektory | Na dotaz | Zadat poptávku | |
| 491 0 WHR59875 | C00309418 481232128367 | Přechodka | 324 Kč € 13.30 | ||
| 491 1 WHR59875 | C00318425 481250238152 | Screw 4.8x19 | Na dotaz | Zadat poptávku | |
| 521 0 WHR59875 | C00313214 481221470725 | Control unit DOMINO,C1W-basic | Na dotaz | Zadat poptávku | |
| 521 0 WHR59875 | C00455690 481221470856 | Control unit DOMINO, programmed | Na dotaz | Zadat poptávku | |
| 571 0 WHR59875 | C00311060 481227128558 | Napouštěcí ventil pračky - dvoucestný, rohový | 222 Kč € 9.10 | ||
| 581 0 WHR59875 | C00311861 481227128585 | Pressostat 50/25 INVENS. | Na dotaz | Zadat poptávku | |
| 620 0 WHR59875 | C00309354 481223958046 | jednotka ovladaci | 2 783 Kč € 114.20 | ||
| 630 0 WHR59875 | C00311250 481228058048 | Door lock Rold DA069516 | Na dotaz | Zadat poptávku | |
| 653 0 WHR59875 | C00318312 481213418046 | svetlovod | 277 Kč € 11.40 | ||
| 653 1 WHR59875 | C00314404 481213418047 | kolik | 175 Kč € 7.20 | ||
| 653 2 WHR59875 | C00326839 481213448361 | Guide,light 4 opt. | Na dotaz | Zadat poptávku | |
| 653 3 WHR59875 | C00319090 481213448362 | svetlovod | 50 Kč € 2.10 | ||
| 691 0 WHR59875 | C00313117 481228219485 | senzor NTC | 857 Kč € 35.20 | ||
| 701 0 WHR59875 | C00312612 481953028926 | Hose inlet 2.5 m (Eltek) | Na dotaz | Zadat poptávku | |
| 702 0 WHR59875 | C00332458 481253029406 | Hadice ventil-těleso násypky | 58 Kč € 2.40 | ||
| 707 5 WHR59875 | C00327352 481231019102 | Tryska násypky pračky | 303 Kč € 12.40 | ||
| 708 1 WHR59875 | C00313076 481253049392 | Hadice násypka-nádrž pračky Whirlpool | 534 Kč € 21.90 | ||
| 711 0 WHR59875 | C00311262 481241868379 | Dispenser 3 ch. | Na dotaz | Zadat poptávku | |
| 712 0 WHR59875 | C00311306 481241868381 | Zásuvka násypky | 1 159 Kč € 47.50 | ||
| 713 0 WHR59875 | C00312158 481241868382 | Pojistka násypky | 305 Kč € 12.50 | ||
| 718 0 WHR59875 | C00312808 481252648226 | Dávkovač aviváže | Na dotaz | Zadat poptávku | |
| 718 1 WHR59875 | C00314043 481241889066 | separator do nasypky | 1 187 Kč € 48.70 | ||
| 754 0 WHR59875 | C00313144 481253029495 | Hadice čerpadlo - nádrž pračky Whirlpool | 638 Kč € 26.20 | ||
| 754 1 WHR59875 | C00309391 481253028832 | Kulička hadice mezi vanou a čerpadlem pračky Whirpool | 894 Kč € 36.70 | ||
| 760 0 WHR59875 | C00314883 481948058106 | Filtr čerpadla | 38 Kč € 1.60 | ||
| 781 0 WHR59875 | C00312317 481253029496 | Hadice výtoková Náhrada C00637045 | Na dotaz | Zadat poptávku | |
| 782 0 WHR59875 | C00312246 481253029497 | Hadice k presostatu pračky Whirlpool | 50 Kč € 2.10 | ||
| 794 2 WHR59875 | C00318107 481240118549 | Clamp hose | Na dotaz | Zadat poptávku | |
| 900 0 WHR59875 | C00327130 481225518298 | držák | Na dotaz | Zadat poptávku | |
| 900 1 WHR59875 | C00327322 481229088123 | Bracket eureka | Na dotaz | Zadat poptávku | |
| 900 2 WHR59875 | C00328881 481240118501 | Svorka hadice 1 | 87 Kč € 3.60 | ||
| 900 3 WHR59875 | C00328934 481240118853 | Cable clamp | Na dotaz | Zadat poptávku | |
| 900 4 WHR59875 | C00316612 481240118414 | SPONA39,7 | 37 Kč € 1.50 | ||
| 900 5 WHR59875 | C00309461 481940118529 | Spona nádrž-čerpadlo | 105 Kč € 4.30 | ||
| 900 8 WHR59875 | C00318931 481240118854 | outlet hose Holder | Na dotaz | Zadat poptávku | |
| 910 0 WHR59875 | C00314955 481250518427 | Nut M6 with washer | Na dotaz | Zadat poptávku | |
| 910 1 WHR59875 | C00332163 481250248344 | Šroub | Na dotaz | Zadat poptávku | |
| 911 7 WHR59875 | C00316731 481290308196 | sroub | Na dotaz | Zadat poptávku | |
| 930 0 WHR59875 | C00312543 481249238419 | pružina agregátu | Na dotaz | Zadat poptávku | |
| 961 0 WHR59875 | C00332677 481253268151 | Spacer | Na dotaz | Zadat poptávku | |
| 965 0 WHR59875 | C00330971 481246668936 | zaslepka | Na dotaz | Zadat poptávku | |
| 993 0 WHR59875 | C00316831 481953029028 | Ohyb plastový/držák vypouštěcí hadice pračky | Na dotaz | Zadat poptávku | |
| 993 3 WHR59875 | C00328868 481239558004 | klic montazni | 64 Kč € 2.60 | ||
| 999 WHR59875 | C00364608 | Testprogram WHP | Na dotaz | Zadat poptávku | |