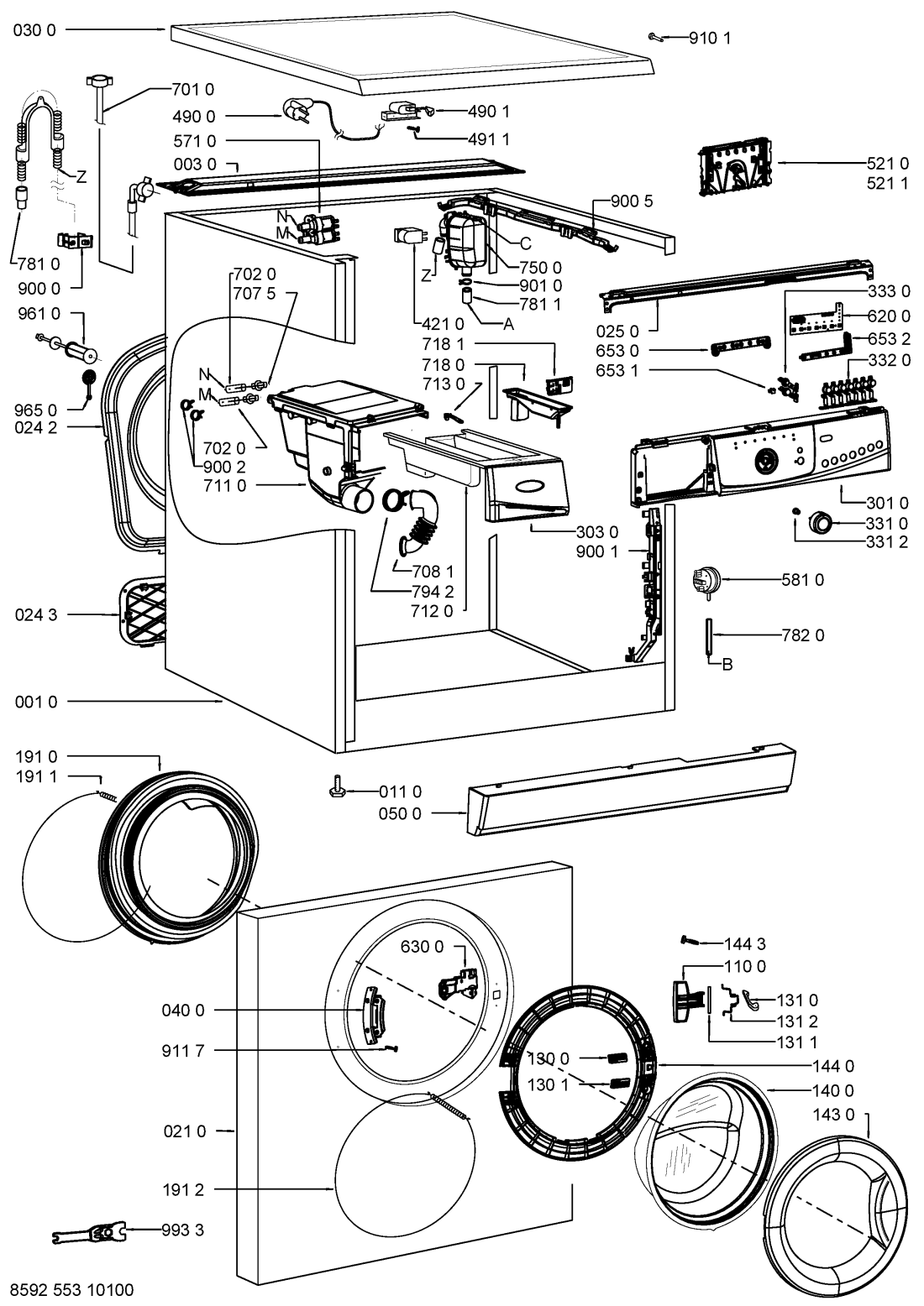
WHIRLPOOL AWO/D 1140
Zeptejte se. Rádi poradíme.
Marek Proche
Zákaznická podpora
Po–Čt 8:00—17:00
Pá 8:00—15:00
poradna@servis-whirlpool.cz
| Komerční kód: | AWO/D 1140 |
| Kód 12NC/I.C. kód: | 859255310100 |
| Značka: | WHIRLPOOL |
| Typ produktu: | Pračky |
| Další podobné modely: | 859255310104 |
Potřebujete servis? Jsme tady pro Vás
Nabídka náhradních dílů
| Číslo | Kód | Název | Cena | ||
|---|---|---|---|---|---|
| 001 0 WHR36973 |
C00321143
480111104128 |
skrin pracky | 2 336 Kč
€ 96.00 |
||
| 003 0 WHR36973 |
C00328046
481244011581 |
Lišta víka | 266 Kč
€ 10.90 |
||
| 011 0 WHR36973 |
C00311705
481250018099 |
noha pracky M8*34/A | Na dotaz | Zadat poptávku | |
| 021 0 WHR36973 |
C00311957
481244011471 |
stena predni | 2 758 Kč
€ 113.30 |
||
| 024 2 WHR36973 |
C00320987
480111101012 |
Cover rear | Na dotaz | Zadat poptávku | |
| 024 3 WHR36973 |
C00331037
481244218047 |
deska horni | Na dotaz | Zadat poptávku | |
| 025 0 WHR36973 |
C00328047
481244011582 |
lista | Na dotaz | Zadat poptávku | |
| 030 0 WHR36973 |
C00317175
481244011654 |
deska horni GW | Na dotaz | Zadat poptávku | |
| 040 0 WHR36973 |
C00312018
481241718787 |
Závěs dveří pračky | 625 Kč
€ 25.70 |
||
| 050 0 WHR36973 |
C00312706
481244010779 |
sokl pracky GW | Na dotaz | Zadat poptávku | |
| 061 0 WHR36973 |
C00320033
481246689033 |
Counter weight upper, 44 l, EUREKA. | Na dotaz | Zadat poptávku | |
| 061 1 WHR36973 |
C00312633
481246689034 |
zavazi | 1 448 Kč
€ 59.50 |
||
| 061 2 WHR36973 |
C00314017
481231039287 |
sroub | 215 Kč
€ 8.80 |
||
| 081 0 WHR36973 |
C00313195
481252918063 |
Tlumič třecí pračky Whirlpool, Ignis | 250 Kč
€ 10.30 |
||
| 084 0 WHR36973 |
C00320879
481246658023 |
cep | 80 Kč
€ 3.30 |
||
| 086 0 WHR36973 |
C00314609
481240118894 |
Fixation eureka | Na dotaz | Zadat poptávku | |
| 110 0 WHR36973 |
C00315706
480111100265 |
rukojet dveri | 419 Kč
€ 17.20 |
||
| 130 0 WHR36973 |
C00329784
481241728107 |
Plate eureka | Na dotaz | Zadat poptávku | |
| 130 1 WHR36973 |
C00318073
481241728108 |
podlozka | 380 Kč
€ 15.60 |
||
| 131 0 WHR36973 |
C00312949
480111100266 |
hak uzaveru dveri | Na dotaz | Zadat poptávku | |
| 131 1 WHR36973 |
C00312243
481241728045 |
osa uzaveru dveri | 143 Kč
€ 5.90 |
||
| 131 2 WHR36973 |
C00312651
481249258022 |
Pružina uzávěru dveří | 237 Kč
€ 9.70 |
||
| 140 0 WHR36973 |
C00311241
481245059812 |
Sklo dveří | 2 067 Kč
€ 84.90 |
||
| 143 0 WHR36973 |
C00318883
480111103512 |
Rám dveří vnější | 1 127 Kč
€ 46.30 |
||
| 144 0 WHR36973 |
C00321072
480111102618 |
Rámeček skla dveří | Na dotaz | Zadat poptávku | |
| 144 3 WHR36973 |
C00318393
481250218669 |
sroub pojistka dv. | 267 Kč
€ 11.00 |
||
| 191 0 WHR36973 |
C00311125
481246068633 |
Těsnění dveří, manžeta pračky Whirlpool | 350 Kč
€ 14.40 |
||
| 191 1 WHR36973 |
C00312650
481249218028 |
spona TVO - vnitřní | 54 Kč
€ 2.20 |
||
| 191 2 WHR36973 |
C00311875
481249298011 |
spona TVO - přední stěna | 111 Kč
€ 4.60 |
||
| 200 0 WHR36973 |
C00311126
480111102385 |
Nádrž kompletní 385 | Na dotaz | Zadat poptávku | |
| 223 0 WHR36973 |
C00311134
480111104079 |
Žebro bubnu předem plněné pračky Whirlpool, Bauknecht | 134 Kč
€ 5.50 |
||
| 271 0 WHR36973 |
C00310973
481235818215 |
Řemen 5 PJE 1239 pračky Whirlpool | 146 Kč
€ 6.00 |
||
| 272 0 WHR36973 |
C00320980
480111100742 |
Řemenice bubnu | Na dotaz | Zadat poptávku | |
| 301 0 WHR36973 |
C00427978
480111104386 |
Control panel AWO/D 1140 | Na dotaz | Zadat poptávku | |
| 303 0 WHR36973 |
C00312520
481245217755 |
Handle drawer EBL WP25-CPL | Na dotaz | Zadat poptávku | |
| 331 0 WHR36973 |
C00310970
481241458306 |
Knoflík programátoru , volič programu AWO/D , AWE , AWZ | 173 Kč
€ 7.10 |
||
| 331 2 WHR36973 |
C00311525
481241458307 |
Unašeč knoflíku AWO/D | 399 Kč
€ 16.40 |
||
| 332 0 WHR36973 |
C00313780
481251318174 |
tlacitko-sada | 535 Kč
€ 22.00 |
||
| 333 0 WHR36973 |
C00310977
481251318172 |
Tlačítko | 260 Kč
€ 10.70 |
||
| 400 0 WHR36973 |
C00313030
481236158519 |
motor | 6 890 Kč
€ 283.10 |
||
| 400 1 WHR36973 |
C00309518
481250218828 |
Šroub | 134 Kč
€ 5.50 |
||
| 409 0 WHR36973 |
C00311841
481236248446 |
Brush,carbon Emerson(MCA) | Na dotaz | Zadat poptávku | |
| 421 0 WHR36973 |
C00311350
481212118285 |
Filtr odrušovací 1 uF | 294 Kč
€ 12.10 |
||
| 430 0 WHR36973 |
C00310955
480111100786 |
Pump,draining | Na dotaz | Zadat poptávku | |
| 451 0 WHR36973 |
C00318278
481225928919 |
Heating element 2050W, 230V + NTC | Na dotaz | Zadat poptávku | |
| 480 0 WHR36973 |
C00313337
481232178412 |
vodic eureka 50lt | Na dotaz | Zadat poptávku | |
| 490 0 WHR36973 |
C00316393
481932118136 |
Flexo kabel 2 m, konektory | Na dotaz | Zadat poptávku | |
| 490 1 WHR36973 |
C00309418
481232128367 |
Přechodka | 324 Kč
€ 13.30 |
||
| 491 1 WHR36973 |
C00318425
481250238152 |
Screw 4.8x19 | Na dotaz | Zadat poptávku | |
| 521 0 WHR36973 |
C00427823
480111104181 |
programator DOMINO | Na dotaz | Zadat poptávku | |
| 521 1 WHR36973 |
C00313023
480111102879 |
Control unit Domino, C1,tf,hf, basic | Na dotaz | Zadat poptávku | |
| 571 0 WHR36973 |
C00311060
481227128558 |
Napouštěcí ventil pračky - dvoucestný, rohový | 222 Kč
€ 9.10 |
||
| 581 0 WHR36973 |
C00311217
481227128554 |
Presostat pračky | 207 Kč
€ 8.50 |
||
| 620 0 WHR36973 |
C00312517
481223958061 |
jednotka ovladaci | 3 050 Kč
€ 125.30 |
||
| 630 0 WHR36973 |
C00311250
481228058048 |
Door lock Rold DA069516 | Na dotaz | Zadat poptávku | |
| 653 0 WHR36973 |
C00318312
481213418046 |
svetlovod | 277 Kč
€ 11.40 |
||
| 653 1 WHR36973 |
C00314404
481213418047 |
kolik | 175 Kč
€ 7.20 |
||
| 653 2 WHR36973 |
C00326840
481213448364 |
Guide,light 7 Opt. | Na dotaz | Zadat poptávku | |
| 691 0 WHR36973 |
C00313117
481228219485 |
senzor NTC | 857 Kč
€ 35.20 |
||
| 701 0 WHR36973 |
C00309500
481953028928 |
hadice napousteci | Na dotaz | Zadat poptávku | |
| 702 0 WHR36973 |
C00332458
481253029406 |
Hadice ventil-těleso násypky | 58 Kč
€ 2.40 |
||
| 707 5 WHR36973 |
C00327352
481231019102 |
Tryska násypky pračky | 303 Kč
€ 12.40 |
||
| 708 1 WHR36973 |
C00313076
481253049392 |
Hadice násypka-nádrž pračky Whirlpool | 535 Kč
€ 22.00 |
||
| 711 0 WHR36973 |
C00320985
480111101009 |
Dispenser box,Microban | Na dotaz | Zadat poptávku | |
| 712 0 WHR36973 |
C00320986
480111101011 |
Vnitřek násypky pračky Whirlpool | 364 Kč
€ 15.00 |
||
| 713 0 WHR36973 |
C00312158
481241868382 |
Pojistka násypky | 305 Kč
€ 12.50 |
||
| 718 0 WHR36973 |
C00312808
481252648226 |
Dávkovač aviváže | Na dotaz | Zadat poptávku | |
| 718 1 WHR36973 |
C00314043
481241889066 |
separator do nasypky | 401 Kč
€ 16.50 |
||
| 750 0 WHR36973 |
C00312027
480111100202 |
Chamber Expand | Na dotaz | Zadat poptávku | |
| 754 0 WHR36973 |
C00313144
481253029495 |
Hadice čerpadlo - nádrž pračky Whirlpool | 639 Kč
€ 26.30 |
||
| 754 1 WHR36973 |
C00309391
481253028832 |
Kulička hadice mezi vanou a čerpadlem pračky Whirpool | 894 Kč
€ 36.70 |
||
| 755 0 WHR36973 |
C00312415
480111100207 |
Hadička násypka/nádrž | 325 Kč
€ 13.40 |
||
| 760 0 WHR36973 |
C00312342
481248058385 |
Filtr čerpadla Whirlpool AWO/D | 365 Kč
€ 15.00 |
||
| 781 0 WHR36973 |
C00312966
481953028959 |
Hose draining 1,5m. | Na dotaz | Zadat poptávku | |
| 781 1 WHR36973 |
C00313837
480111104125 |
Hose pump/tank | Na dotaz | Zadat poptávku | |
| 782 0 WHR36973 |
C00312246
481253029497 |
Hadice k presostatu pračky Whirlpool | 50 Kč
€ 2.10 |
||
| 794 2 WHR36973 |
C00318107
481240118549 |
Clamp hose | Na dotaz | Zadat poptávku | |
| 900 0 WHR36973 |
C00327130
481225518298 |
držák | Na dotaz | Zadat poptávku | |
| 900 1 WHR36973 |
C00327322
481229088123 |
Bracket eureka | Na dotaz | Zadat poptávku | |
| 900 2 WHR36973 |
C00328881
481240118501 |
Svorka hadice 1 | 87 Kč
€ 3.60 |
||
| 900 3 WHR36973 |
C00309461
481940118529 |
Spona nádrž-čerpadlo | 105 Kč
€ 4.30 |
||
| 900 4 WHR36973 |
C00316612
481240118414 |
SPONA39,7 | 37 Kč
€ 1.50 |
||
| 900 5 WHR36973 |
C00328934
481240118853 |
Cable clamp | Na dotaz | Zadat poptávku | |
| 901 0 WHR36973 |
C00332933
481940118872 |
SPONA HADICE AW | 67 Kč
€ 2.80 |
||
| 910 0 WHR36973 |
C00314955
481250518427 |
Nut M6 with washer | Na dotaz | Zadat poptávku | |
| 910 1 WHR36973 |
C00332163
481250248344 |
Šroub | Na dotaz | Zadat poptávku | |
| 910 3 WHR36973 |
C00313276
481250218817 |
sroub remenice | Na dotaz | Zadat poptávku | |
| 911 7 WHR36973 |
C00312157
481250218815 |
Šroub | 62 Kč
€ 2.50 |
||
| 930 0 WHR36973 |
C00312543
481249238419 |
pružina agregátu | Na dotaz | Zadat poptávku | |
| 961 0 WHR36973 |
C00332677
481253268151 |
Spacer | Na dotaz | Zadat poptávku | |
| 965 0 WHR36973 |
C00321124
480111103932 |
záslepka sada 4ks | 128 Kč
€ 5.30 |
||
| 993 3 WHR36973 |
C00328868
481239558004 |
klic montazni | Na dotaz | Zadat poptávku | |
| 999 WHR36973 |
C00364608 | Testprogram WHP | Na dotaz | Zadat poptávku | |