WHIRLPOOL AWO/D 41126 WASHING MACHINES WP
Zeptejte se. Rádi poradíme.
Marek Proche
Zákaznická podpora
Po–Čt 8:00—17:00
Pá 8:00—15:00
poradna@servis-whirlpool.cz
| Komerční kód: | AWO/D 41126 WASHING MACHINES WP |
| Kód 12NC: | 859236826000 |
| I.C. kód: | 859236826005 |
| Značka: | WHIRLPOOL |
| Typ produktu: | Pračky |
Potřebujete servis? Jsme tady pro Vás
Nabídka náhradních dílů
| Číslo | Kód | Název | Cena | ||
|---|---|---|---|---|---|
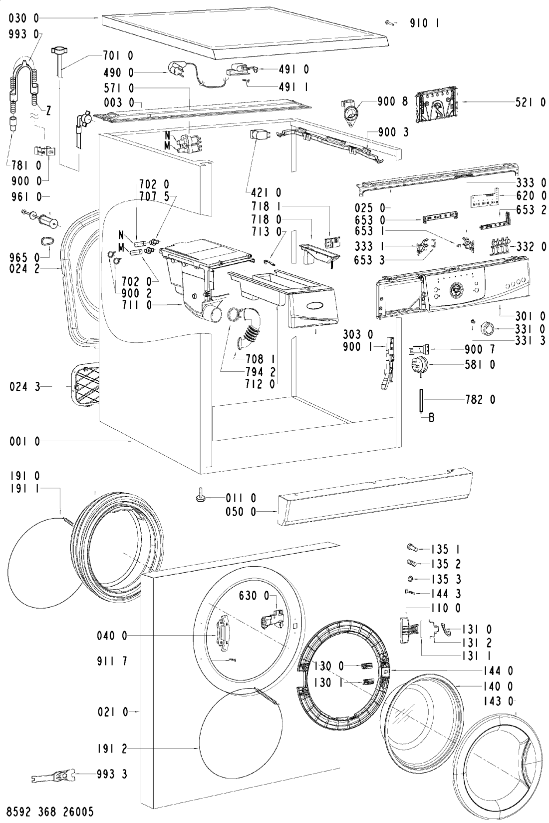
| 001 0 WHR66563 |
C00317169
481244011579 |
Cabinet U-SHAPE | Na dotaz | Zadat poptávku | |
| 003 0 WHR66563 |
C00328046
481244011581 |
Lišta víka | 266 Kč
€ 10.90 |
||
| 011 0 WHR66563 |
C00311705
481250018099 |
noha pracky M8*34/A | Na dotaz | Zadat poptávku | |
| 021 0 WHR66563 |
C00311957
481244011471 |
stena predni | 2 758 Kč
€ 113.50 |
||
| 024 2 WHR66563 |
C00331036
481244218046 |
Cover rear | Na dotaz | Zadat poptávku | |
| 024 3 WHR66563 |
C00331037
481244218047 |
deska horni | Na dotaz | Zadat poptávku | |
| 025 0 WHR66563 |
C00328047
481244011582 |
lista | Na dotaz | Zadat poptávku | |
| 030 0 WHR66563 |
C00317175
481244011654 |
deska horni GW | Na dotaz | Zadat poptávku | |
| 040 0 WHR66563 |
C00312018
481241718787 |
Závěs dveří pračky | 625 Kč
€ 25.70 |
||
| 050 0 WHR66563 |
C00312706
481244010779 |
sokl pracky GW | Na dotaz | Zadat poptávku | |
| 061 0 WHR66563 |
C00320755
481246688833 |
zavazi horni | 1 512 Kč
€ 62.20 |
||
| 061 1 WHR66563 |
C00316001
481246688607 |
Counter weight front, bottom | Na dotaz | Zadat poptávku | |
| 061 2 WHR66563 |
C00332868
481931039227 |
sroub do zavazi sada | Na dotaz | Zadat poptávku | |
| 061 3 WHR66563 |
C00320457
481931039228 |
Mounting kit Weight bottom | Na dotaz | Zadat poptávku | |
| 081 0 WHR66563 |
C00313195
481252918063 |
Tlumič třecí pračky Whirlpool, Ignis | 250 Kč
€ 10.30 |
||
| 084 0 WHR66563 |
C00320879
481246658023 |
cep | 80 Kč
€ 3.30 |
||
| 110 0 WHR66563 |
C00314821
481249818361 |
Handle door | Na dotaz | Zadat poptávku | |
| 130 0 WHR66563 |
C00329784
481241728107 |
Plate eureka | Na dotaz | Zadat poptávku | |
| 130 1 WHR66563 |
C00318073
481241728108 |
podlozka | 380 Kč
€ 15.60 |
||
| 131 0 WHR66563 |
C00312433
481241728046 |
Lock Door | Na dotaz | Zadat poptávku | |
| 131 1 WHR66563 |
C00312243
481241728045 |
osa uzaveru dveri | 143 Kč
€ 5.90 |
||
| 131 2 WHR66563 |
C00312651
481249258022 |
Pružina uzávěru dveří | 237 Kč
€ 9.80 |
||
| 135 1 WHR66563 |
C00317048
481249818262 |
pojistka dveri | 227 Kč
€ 9.30 |
||
| 135 2 WHR66563 |
C00317024
481249148004 |
Pružina | 220 Kč
€ 9.10 |
||
| 135 3 WHR66563 |
C00313732
481229068153 |
drzak pojistky | Na dotaz | Zadat poptávku | |
| 140 0 WHR66563 |
C00331123
481245058983 |
Door glass | Na dotaz | Zadat poptávku | |
| 143 0 WHR66563 |
C00317155
481244011141 |
Glassdoor frame | Na dotaz | Zadat poptávku | |
| 144 0 WHR66563 |
C00328050
481244011595 |
Frame door glas | Na dotaz | Zadat poptávku | |
| 144 3 WHR66563 |
C00318393
481250218669 |
sroub pojistka dv. | 267 Kč
€ 11.00 |
||
| 191 0 WHR66563 |
C00313168
481246068532 |
DOOR BELLOW grease resistance | Na dotaz | Zadat poptávku | |
| 191 1 WHR66563 |
C00313764
481249218017 |
spona TVO - vnitřní | 149 Kč
€ 6.10 |
||
| 191 2 WHR66563 |
C00311875
481249298011 |
spona TVO - přední stěna | 111 Kč
€ 4.60 |
||
| 200 1 WHR66563 |
C00311480
481241818475 |
Tub 42l front | Na dotaz | Zadat poptávku | |
| 200 2 WHR66563 |
C00311607
481941818377 |
Nádrž - zadní část | Na dotaz | Zadat poptávku | |
| 200 4 WHR66563 |
C00314317
481229088054 |
Spona nádrže | 378 Kč
€ 15.60 |
||
| 220 0 WHR66563 |
C00311944
481241818579 |
Drum to 1000/42L/PP/CP2/D | Na dotaz | Zadat poptávku | |
| 271 0 WHR66563 |
C00319414
481935818143 |
Řemen PV 1243 H8 EL pračky Whirlpool, Ignis | 129 Kč
€ 5.30 |
||
| 272 0 WHR66563 |
C00313543
481252858041 |
remenice bubnu | 1 104 Kč
€ 45.40 |
||
| 272 3 WHR66563 |
C00313776
481250518371 |
matice remenice | Na dotaz | Zadat poptávku | |
| 292 0 WHR66563 |
C00311501
481253058101 |
těsnění bočnice | 694 Kč
€ 28.60 |
||
| 301 0 WHR66563 |
C00462550
481245310515 |
Control panel AWO/D 41126 | Na dotaz | Zadat poptávku | |
| 303 0 WHR66563 |
C00312520
481245217755 |
Handle drawer EBL WP25-CPL | Na dotaz | Zadat poptávku | |
| 331 0 WHR66563 |
C00310970
481241458306 |
Knoflík programátoru , volič programu AWO/D , AWE , AWZ | 173 Kč
€ 7.10 |
||
| 331 3 WHR66563 |
C00311525
481241458307 |
Unašeč knoflíku AWO/D | 399 Kč
€ 16.40 |
||
| 332 0 WHR66563 |
C00316297
481241029399 |
tlacitko | 523 Kč
€ 21.50 |
||
| 333 0 WHR66563 |
C00310977
481251318172 |
Tlačítko | 260 Kč
€ 10.70 |
||
| 333 1 WHR66563 |
C00312048
481241029401 |
Tlačítko | 249 Kč
€ 10.20 |
||
| 400 0 WHR66563 |
C00457514
481236158439 |
motor BSH | 4 831 Kč
€ 198.80 |
||
| 400 1 WHR66563 |
C00332112
481250218705 |
Screw M8x35 | Na dotaz | Zadat poptávku | |
| 409 0 WHR66563 |
C00316594
481236248436 |
Brush,carbon RI 222 528 | Na dotaz | Zadat poptávku | |
| 421 0 WHR66563 |
C00311350
481212118285 |
Filtr odrušovací 1 uF | 294 Kč
€ 12.10 |
||
| 430 0 WHR66563 |
C00313045
481236018559 |
Pump | Na dotaz | Zadat poptávku | |
| 451 0 WHR66563 |
C00318278
481225928919 |
Heating element 2050W, 230V + NTC | Na dotaz | Zadat poptávku | |
| 480 0 WHR66563 |
C00319105
481232178263 |
vodic propojovaci | Na dotaz | Zadat poptávku | |
| 490 0 WHR66563 |
C00316393
481932118136 |
Flexo kabel 2 m, konektory | Na dotaz | Zadat poptávku | |
| 491 0 WHR66563 |
C00309418
481232128367 |
Přechodka | 324 Kč
€ 13.30 |
||
| 491 1 WHR66563 |
C00318425
481250238152 |
Screw 4.8x19 | Na dotaz | Zadat poptávku | |
| 521 0 WHR66563 |
C00311551
481221470092 |
Control unit C1 DOMINO FULL Class B | Na dotaz | Zadat poptávku | |
| 521 0 WHR66563 |
C00455368
481221470385 |
Control unit DOMINO, programmed | Na dotaz | Zadat poptávku | |
| 571 0 WHR66563 |
C00311060
481227128558 |
Napouštěcí ventil pračky - dvoucestný, rohový | 222 Kč
€ 9.10 |
||
| 581 0 WHR66563 |
C00315089
481227128583 |
pressostat | Na dotaz | Zadat poptávku | |
| 620 0 WHR66563 |
C00327095
481223958039 |
jednotka ovladaci | 2 371 Kč
€ 97.60 |
||
| 630 0 WHR66563 |
C00311250
481228058048 |
Door lock Rold DA069516 | Na dotaz | Zadat poptávku | |
| 653 0 WHR66563 |
C00318312
481213418046 |
svetlovod | 277 Kč
€ 11.40 |
||
| 653 1 WHR66563 |
C00314404
481213418047 |
kolik | 175 Kč
€ 7.20 |
||
| 653 2 WHR66563 |
C00326839
481213448361 |
Guide,light 4 opt. | Na dotaz | Zadat poptávku | |
| 653 3 WHR66563 |
C00319090
481213448362 |
svetlovod | 50 Kč
€ 2.10 |
||
| 691 0 WHR66563 |
C00313117
481228219485 |
senzor NTC | 857 Kč
€ 35.30 |
||
| 701 0 WHR66563 |
C00315515
481253029329 |
Hose, inlet EN 11770 Reflex | Na dotaz | Zadat poptávku | |
| 702 0 WHR66563 |
C00315519
481253029405 |
hadice od ventilu | 108 Kč
€ 4.40 |
||
| 707 5 WHR66563 |
C00327352
481231019102 |
Tryska násypky pračky | 303 Kč
€ 12.50 |
||
| 708 1 WHR66563 |
C00313009
481253048143 |
hadice k násypce pračky Whirlpool uz nebude !!!! | Na dotaz | Zadat poptávku | |
| 711 0 WHR66563 |
C00311262
481241868379 |
Dispenser 3 ch. | Na dotaz | Zadat poptávku | |
| 712 0 WHR66563 |
C00311306
481241868381 |
Zásuvka násypky | 1 159 Kč
€ 47.70 |
||
| 713 0 WHR66563 |
C00312158
481241868382 |
Pojistka násypky | 305 Kč
€ 12.60 |
||
| 718 0 WHR66563 |
C00312808
481252648226 |
Dávkovač aviváže | Na dotaz | Zadat poptávku | |
| 718 1 WHR66563 |
C00314043
481241889066 |
separator do nasypky | 401 Kč
€ 16.50 |
||
| 753 1 WHR66563 |
C00312723
481941868234 |
vzdusnik | Na dotaz | Zadat poptávku | |
| 754 0 WHR66563 |
C00318889
481253029474 |
Hadice nádrž-čerpadlo | 1 269 Kč
€ 52.20 |
||
| 754 1 WHR66563 |
C00309391
481253028832 |
Kulička hadice mezi vanou a čerpadlem pračky Whirpool | 894 Kč
€ 36.80 |
||
| 754 2 WHR66563 |
C00332452
481253029352 |
Příruba eco AWT,AWO/D | 317 Kč
€ 13.00 |
||
| 760 0 WHR66563 |
C00314883
481948058106 |
Filtr čerpadla | 38 Kč
€ 1.60 |
||
| 781 0 WHR66563 |
C00315521
481253029425 |
Hose draining | Na dotaz | Zadat poptávku | |
| 782 0 WHR66563 |
C00317136
481253028827 |
Hose Pressostat | Na dotaz | Zadat poptávku | |
| 794 2 WHR66563 |
C00318107
481240118549 |
Clamp hose | Na dotaz | Zadat poptávku | |
| 794 5 WHR66563 |
C00319466
481253058098 |
tesneni vzdusniku Náhrada 481010395017 |
Na dotaz | Zadat poptávku | |
| 900 0 WHR66563 |
C00327130
481225518298 |
držák | Na dotaz | Zadat poptávku | |
| 900 1 WHR66563 |
C00327311
481229088049 |
Bracket | Na dotaz | Zadat poptávku | |
| 900 2 WHR66563 |
C00328881
481240118501 |
Svorka hadice 1 | 87 Kč
€ 3.60 |
||
| 900 3 WHR66563 |
C00328934
481240118853 |
Cable clamp | Na dotaz | Zadat poptávku | |
| 900 4 WHR66563 |
C00316612
481240118414 |
SPONA39,7 | 37 Kč
€ 1.50 |
||
| 900 5 WHR66563 |
C00309461
481940118529 |
Spona nádrž-čerpadlo | 105 Kč
€ 4.30 |
||
| 900 6 WHR66563 |
C00327583
481229018031 |
Clamp heatingelement+screw | Na dotaz | Zadat poptávku | |
| 900 7 WHR66563 |
C00327120
481225518205 |
Držák presostatu pračky Whirlpool | Na dotaz | Zadat poptávku | |
| 900 8 WHR66563 |
C00318931
481240118854 |
outlet hose Holder | Na dotaz | Zadat poptávku | |
| 910 0 WHR66563 |
C00314955
481250518427 |
Nut M6 with washer | Na dotaz | Zadat poptávku | |
| 910 1 WHR66563 |
C00332163
481250248344 |
Šroub | Na dotaz | Zadat poptávku | |
| 911 7 WHR66563 |
C00316731
481290308196 |
sroub | Na dotaz | Zadat poptávku | |
| 930 0 WHR66563 |
C00317034
481249238408 |
pruzina | 134 Kč
€ 5.50 |
||
| 941 0 WHR66563 |
C00315230
481252028066 |
Ložisko 6204 2Z C3 GJN (SKF) | 173 Kč
€ 7.10 |
||
| 941 1 WHR66563 |
C00315098
481252028002 |
Ložisko 6203 SKF 2Z C3 | 173 Kč
€ 7.10 |
||
| 953 0 WHR66563 |
C00316000
481253058184 |
gufero 25x50x9 | 548 Kč
€ 22.60 |
||
| 961 0 WHR66563 |
C00332677
481253268151 |
Spacer | Na dotaz | Zadat poptávku | |
| 965 0 WHR66563 |
C00330912
481246668545 |
Záslepka otvoru po zajišťovacím šroubu bubnu pračky Whirlpool | 206 Kč
€ 8.50 |
||
| 993 0 WHR66563 |
C00316831
481953029028 |
Ohyb plastový/držák vypouštěcí hadice pračky | Na dotaz | Zadat poptávku | |
| 993 3 WHR66563 |
C00328868
481239558004 |
klic montazni | Na dotaz | Zadat poptávku | |