WHIRLPOOL AWO/D 4310
 
             
                 
                
    Zeptejte se. Rádi poradíme.
    
        
            
                
                     
              
        
        
            
    
    
             
            Marek Proche
                    
Zákaznická podpora
            
Po–Čt 8:00—17:00
                
Pá 8:00—15:00             
            
        
            
        poradna@servis-whirlpool.cz     
    
    
| Komerční kód: | AWO/D 4310 | 
| Kód 12NC: | 859235061000 | 
| I.C. kód: | 859235061005 | 
| Značka: | WHIRLPOOL | 
| Typ produktu: | Pračky | 
| Další podobné modely: | 859230438000, 859230438003, 859230438004, 859230438007, 859230438008, 859235061004, 859235061008, 859235061000, 859230438005 | 
Potřebujete servis? Jsme tady pro Vás
Nabídka náhradních dílů
| Číslo | Kód | Název | Cena | ||
|---|---|---|---|---|---|
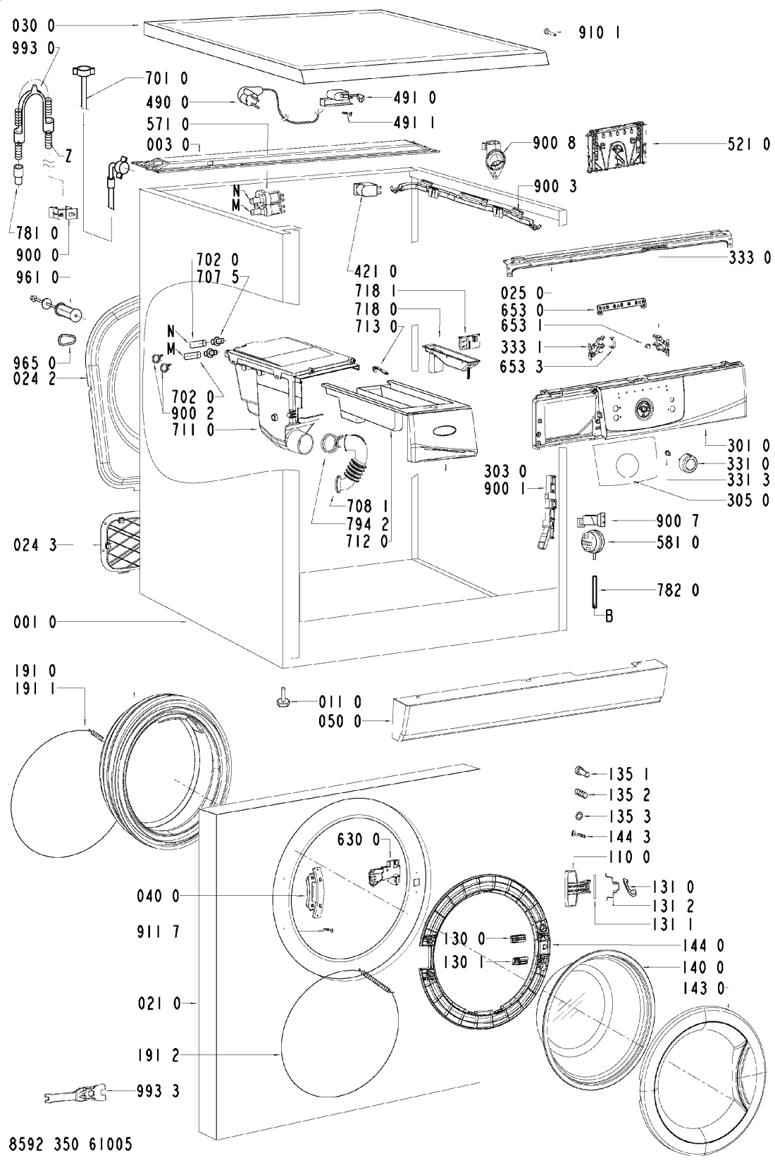
| 001 0 WHR55191 | C00317169 481244011579 | Cabinet U-SHAPE | Na dotaz | Zadat poptávku | |
| 003 0 WHR55191 | C00328046 481244011581 | Lišta víka | 266 Kč € 10.90 | ||
| 011 0 WHR55191 | C00311705 481250018099 | noha pracky M8*34/A | Na dotaz | Zadat poptávku | |
| 021 0 WHR55191 | C00311957 481244011471 | stena predni | 2 758 Kč € 113.10 | ||
| 024 2 WHR55191 | C00331036 481244218046 | Cover rear | Na dotaz | Zadat poptávku | |
| 024 3 WHR55191 | C00331037 481244218047 | deska horni | Na dotaz | Zadat poptávku | |
| 025 0 WHR55191 | C00328047 481244011582 | lista | Na dotaz | Zadat poptávku | |
| 030 0 WHR55191 | C00317175 481244011654 | deska horni GW | Na dotaz | Zadat poptávku | |
| 040 0 WHR55191 | C00312018 481241718787 | Hinge BK | Na dotaz | Zadat poptávku | |
| 050 0 WHR55191 | C00312706 481244010779 | sokl pracky GW | Na dotaz | Zadat poptávku | |
| 061 0 WHR55191 | C00320755 481246688833 | zavazi horni | 1 512 Kč € 62.00 | ||
| 061 1 WHR55191 | C00316001 481246688607 | Counter weight front, bottom | Na dotaz | Zadat poptávku | |
| 061 2 WHR55191 | C00332868 481931039227 | sroub do zavazi sada | Na dotaz | Zadat poptávku | |
| 061 3 WHR55191 | C00320457 481931039228 | Mounting kit Weight bottom | Na dotaz | Zadat poptávku | |
| 081 0 WHR55191 | C00313195 481252918063 | Tlumič třecí pračky Whirlpool, Ignis | 250 Kč € 10.30 | ||
| 084 0 WHR55191 | C00320879 481246658023 | cep | 80 Kč € 3.30 | ||
| 110 0 WHR55191 | C00314821 481249818361 | Handle door | Na dotaz | Zadat poptávku | |
| 130 0 WHR55191 | C00329784 481241728107 | Plate eureka | Na dotaz | Zadat poptávku | |
| 130 1 WHR55191 | C00318073 481241728108 | podlozka | 380 Kč € 15.60 | ||
| 131 0 WHR55191 | C00312433 481241728046 | Lock Door | Na dotaz | Zadat poptávku | |
| 131 1 WHR55191 | C00312243 481241728045 | osa uzaveru dveri | 143 Kč € 5.90 | ||
| 131 2 WHR55191 | C00312651 481249258022 | Pružina uzávěru dveří | 237 Kč € 9.70 | ||
| 135 1 WHR55191 | C00317048 481249818262 | pojistka dveri | 227 Kč € 9.30 | ||
| 135 2 WHR55191 | C00317024 481249148004 | Pružina | 220 Kč € 9.00 | ||
| 135 3 WHR55191 | C00313732 481229068153 | drzak pojistky | Na dotaz | Zadat poptávku | |
| 140 0 WHR55191 | C00331123 481245058983 | Door glass | Na dotaz | Zadat poptávku | |
| 143 0 WHR55191 | C00317155 481244011141 | Glassdoor frame | Na dotaz | Zadat poptávku | |
| 144 0 WHR55191 | C00328050 481244011595 | Frame door glas | Na dotaz | Zadat poptávku | |
| 144 3 WHR55191 | C00318393 481250218669 | sroub pojistka dv. | 267 Kč € 11.00 | ||
| 191 0 WHR55191 | C00313168 481246068532 | DOOR BELLOW grease resistance | Na dotaz | Zadat poptávku | |
| 191 1 WHR55191 | C00313764 481249218017 | spona TVO - vnitřní | 149 Kč € 6.10 | ||
| 191 2 WHR55191 | C00311875 481249298011 | spona TVO - přední stěna | 111 Kč € 4.60 | ||
| 200 1 WHR55191 | C00311480 481241818475 | Tub 42l front | Na dotaz | Zadat poptávku | |
| 200 2 WHR55191 | C00311607 481941818377 | Nádrž - zadní část | Na dotaz | Zadat poptávku | |
| 200 4 WHR55191 | C00314317 481229088054 | Spona nádrže | 378 Kč € 15.50 | ||
| 220 0 WHR55191 | C00312161 481241818623 | buben 1000/44L/COD/C | Na dotaz | Zadat poptávku | |
| 223 0 WHR55191 | C00311811 481241848958 | Drum lifter | Na dotaz | Zadat poptávku | |
| 271 0 WHR55191 | C00311078 481235818056 | Řemen PV 1250 J4 EL pračky Whirlpool | 100 Kč € 4.10 | ||
| 272 0 WHR55191 | C00313543 481252858041 | remenice bubnu | 1 104 Kč € 45.30 | ||
| 272 3 WHR55191 | C00313776 481250518371 | matice remenice | Na dotaz | Zadat poptávku | |
| 292 0 WHR55191 | C00311501 481253058101 | těsnění bočnice | 694 Kč € 28.50 | ||
| 301 0 WHR55191 | C00462461 481245310398 | Control panel AWO/D 4310 | Na dotaz | Zadat poptávku | |
| 303 0 WHR55191 | C00312520 481245217755 | Handle drawer EBL WP25-CPL | Na dotaz | Zadat poptávku | |
| 305 0 WHR55191 | C00460912 481245216641 | Insert panel Kit language | Na dotaz | Zadat poptávku | |
| 331 0 WHR55191 | C00310970 481241458306 | Knoflík programátoru , volič programu AWO/D , AWE , AWZ | 173 Kč € 7.10 | ||
| 331 3 WHR55191 | C00311525 481241458307 | Unašeč knoflíku AWO/D | 399 Kč € 16.40 | ||
| 333 0 WHR55191 | C00310977 481251318172 | Tlačítko | 260 Kč € 10.70 | ||
| 333 1 WHR55191 | C00312048 481241029401 | Tlačítko | 249 Kč € 10.20 | ||
| 400 0 WHR55191 | C00312113 481936158259 | motor pračky | 4 344 Kč € 178.20 | ||
| 400 1 WHR55191 | C00332112 481250218705 | Screw M8x35 | Na dotaz | Zadat poptávku | |
| 409 0 WHR55191 | C00311127 481236248004 | Brush,carbon, Motor CESET | Na dotaz | Zadat poptávku | |
| 421 0 WHR55191 | C00311350 481212118285 | Filtr odrušovací 1 uF | 294 Kč € 12.10 | ||
| 430 0 WHR55191 | C00313045 481236018559 | Pump | Na dotaz | Zadat poptávku | |
| 451 0 WHR55191 | C00318278 481225928919 | Heating element 2050W, 230V + NTC | Na dotaz | Zadat poptávku | |
| 480 0 WHR55191 | C00319105 481232178263 | vodic propojovaci | Na dotaz | Zadat poptávku | |
| 490 0 WHR55191 | C00316393 481932118136 | Flexo kabel 2 m, konektory | Na dotaz | Zadat poptávku | |
| 491 0 WHR55191 | C00309418 481232128367 | Přechodka | 324 Kč € 13.30 | ||
| 491 1 WHR55191 | C00318425 481250238152 | Screw 4.8x19 | Na dotaz | Zadat poptávku | |
| 521 0 WHR55191 | C00311551 481221470092 | Control unit C1 DOMINO FULL Class B | Na dotaz | Zadat poptávku | |
| 521 0 WHR55191 | C00455151 481221470016 | Control board DOMINO, programmed | Na dotaz | Zadat poptávku | |
| 571 0 WHR55191 | C00311060 481227128558 | Napouštěcí ventil pračky - dvoucestný, rohový | 222 Kč € 9.10 | ||
| 581 0 WHR55191 | C00315089 481227128583 | pressostat | Na dotaz | Zadat poptávku | |
| 630 0 WHR55191 | C00311250 481228058048 | Door lock Rold DA069516 | Na dotaz | Zadat poptávku | |
| 653 0 WHR55191 | C00318312 481213418046 | svetlovod | 277 Kč € 11.40 | ||
| 653 1 WHR55191 | C00314404 481213418047 | kolik | 175 Kč € 7.20 | ||
| 653 3 WHR55191 | C00319090 481213448362 | svetlovod | 50 Kč € 2.10 | ||
| 691 0 WHR55191 | C00313117 481228219485 | senzor NTC | 857 Kč € 35.20 | ||
| 701 0 WHR55191 | C00315515 481253029329 | Hose, inlet EN 11770 Reflex | Na dotaz | Zadat poptávku | |
| 702 0 WHR55191 | C00315519 481253029405 | hadice od ventilu | 108 Kč € 4.40 | ||
| 707 5 WHR55191 | C00327352 481231019102 | Tryska násypky pračky | 303 Kč € 12.40 | ||
| 708 1 WHR55191 | C00313009 481253048143 | hadice k násypce pračky Whirlpool uz nebude !!!! | Na dotaz | Zadat poptávku | |
| 711 0 WHR55191 | C00311262 481241868379 | Dispenser 3 ch. | Na dotaz | Zadat poptávku | |
| 712 0 WHR55191 | C00311306 481241868381 | Zásuvka násypky | 1 159 Kč € 47.50 | ||
| 713 0 WHR55191 | C00312158 481241868382 | Pojistka násypky | 305 Kč € 12.50 | ||
| 718 0 WHR55191 | C00312808 481252648226 | Dávkovač aviváže | Na dotaz | Zadat poptávku | |
| 718 1 WHR55191 | C00314043 481241889066 | separator do nasypky | 1 187 Kč € 48.70 | ||
| 753 1 WHR55191 | C00312723 481941868234 | vzdusnik | Na dotaz | Zadat poptávku | |
| 754 0 WHR55191 | C00318889 481253029474 | Hadice nádrž-čerpadlo | 1 269 Kč € 52.10 | ||
| 754 1 WHR55191 | C00309391 481253028832 | Kulička hadice mezi vanou a čerpadlem pračky Whirpool | 894 Kč € 36.70 | ||
| 754 2 WHR55191 | C00332452 481253029352 | Příruba eco AWT,AWO/D | 317 Kč € 13.00 | ||
| 760 0 WHR55191 | C00314883 481948058106 | Filtr čerpadla | 38 Kč € 1.60 | ||
| 781 0 WHR55191 | C00315521 481253029425 | Hose draining | Na dotaz | Zadat poptávku | |
| 782 0 WHR55191 | C00317136 481253028827 | Hose Pressostat | Na dotaz | Zadat poptávku | |
| 794 2 WHR55191 | C00318107 481240118549 | Clamp hose | Na dotaz | Zadat poptávku | |
| 794 5 WHR55191 | C00319466 481253058098 | tesneni vzdusniku Náhrada 481010395017 | Na dotaz | Zadat poptávku | |
| 900 0 WHR55191 | C00327130 481225518298 | držák | Na dotaz | Zadat poptávku | |
| 900 1 WHR55191 | C00327311 481229088049 | Bracket | Na dotaz | Zadat poptávku | |
| 900 2 WHR55191 | C00328881 481240118501 | Svorka hadice 1 | 87 Kč € 3.60 | ||
| 900 3 WHR55191 | C00328934 481240118853 | Cable clamp | Na dotaz | Zadat poptávku | |
| 900 4 WHR55191 | C00316612 481240118414 | SPONA39,7 | 37 Kč € 1.50 | ||
| 900 5 WHR55191 | C00309461 481940118529 | Spona nádrž-čerpadlo | 105 Kč € 4.30 | ||
| 900 6 WHR55191 | C00327583 481229018031 | Clamp heatingelement+screw | Na dotaz | Zadat poptávku | |
| 900 7 WHR55191 | C00327120 481225518205 | Držák presostatu pračky Whirlpool | Na dotaz | Zadat poptávku | |
| 900 8 WHR55191 | C00318931 481240118854 | outlet hose Holder | Na dotaz | Zadat poptávku | |
| 910 0 WHR55191 | C00314955 481250518427 | Nut M6 with washer | Na dotaz | Zadat poptávku | |
| 910 1 WHR55191 | C00332163 481250248344 | Šroub | Na dotaz | Zadat poptávku | |
| 911 7 WHR55191 | C00316731 481290308196 | sroub | Na dotaz | Zadat poptávku | |
| 930 0 WHR55191 | C00317034 481249238408 | pruzina | 134 Kč € 5.50 | ||
| 941 0 WHR55191 | C00315230 481252028066 | Ložisko 6204 2Z C3 GJN (SKF) | 173 Kč € 7.10 | ||
| 941 1 WHR55191 | C00315098 481252028002 | Ložisko 6203 SKF 2Z C3 | 173 Kč € 7.10 | ||
| 953 0 WHR55191 | C00316000 481253058184 | gufero 25x50x9 | 548 Kč € 22.50 | ||
| 961 0 WHR55191 | C00332677 481253268151 | Spacer | Na dotaz | Zadat poptávku | |
| 965 0 WHR55191 | C00330912 481246668545 | Záslepka otvoru po zajišťovacím šroubu bubnu pračky Whirlpool | 206 Kč € 8.40 | ||
| 993 0 WHR55191 | C00316831 481953029028 | Ohyb plastový/držák vypouštěcí hadice pračky | Na dotaz | Zadat poptávku | |
| 993 3 WHR55191 | C00328868 481239558004 | klic montazni | 64 Kč € 2.60 | ||