WHIRLPOOL AWO/D 4312      WP
 
             
                 
                
    Zeptejte se. Rádi poradíme.
    
        
            
                
                     
              
        
        
            
    
    
             
            Marek Proche
                    
Zákaznická podpora
            
Po–Čt 8:00—17:00
                
Pá 8:00—15:00             
            
        
            
        poradna@servis-whirlpool.cz     
    
    
| Komerční kód: | AWO/D 4312 WP | 
| Kód 12NC: | 859230638900 | 
| I.C. kód: | 859230638908 | 
| Značka: | WHIRLPOOL | 
| Typ produktu: | Pračky | 
| Další podobné modely: | 859230638900 | 
Potřebujete servis? Jsme tady pro Vás
Nabídka náhradních dílů
| Číslo | Kód | Název | Cena | ||
|---|---|---|---|---|---|
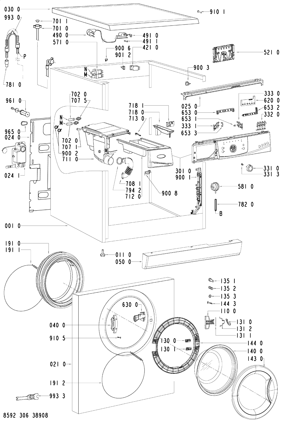
| 001 0 WHR12824 | C00321034 480111101727 | skrin | Na dotaz | Zadat poptávku | |
| 011 0 WHR12824 | C00330679 481246248421 | Adjust.foot | Na dotaz | Zadat poptávku | |
| 021 0 WHR12824 | C00311725 481244011564 | stena predni | 2 720 Kč € 111.60 | ||
| 024 0 WHR12824 | C00328004 481244011445 | PANEL | Na dotaz | Zadat poptávku | |
| 024 1 WHR12824 | C00327881 481241870019 | Box outlet hose left | Na dotaz | Zadat poptávku | |
| 025 0 WHR12824 | C00316513 481244011472 | Support control board | Na dotaz | Zadat poptávku | |
| 030 0 WHR12824 | C00317161 481244011473 | deska horni GW | Na dotaz | Zadat poptávku | |
| 040 0 WHR12824 | C00312018 481241718787 | Hinge BK | Na dotaz | Zadat poptávku | |
| 050 0 WHR12824 | C00312706 481244010779 | sokl pracky GW | Na dotaz | Zadat poptávku | |
| 061 0 WHR12824 | C00320033 481246689033 | Counter weight upper, 44 l, EUREKA. | Na dotaz | Zadat poptávku | |
| 061 1 WHR12824 | C00312633 481246689034 | zavazi | 1 448 Kč € 59.40 | ||
| 061 2 WHR12824 | C00312077 481231039249 | sroub+podlozka | 81 Kč € 3.30 | ||
| 081 0 WHR12824 | C00313078 480111102361 | Tlumič pračky Whirlpool FSCR | 432 Kč € 17.70 | ||
| 084 0 WHR12824 | C00330907 481246658001 | drzak pruziny agreg. | Na dotaz | Zadat poptávku | |
| 110 0 WHR12824 | C00314821 481249818361 | Handle door | Na dotaz | Zadat poptávku | |
| 130 0 WHR12824 | C00318057 481241728047 | desticka uzaveru dv. | 27 Kč € 1.10 | ||
| 130 1 WHR12824 | C00318073 481241728108 | podlozka | 380 Kč € 15.60 | ||
| 131 0 WHR12824 | C00312433 481241728046 | Lock Door | Na dotaz | Zadat poptávku | |
| 131 1 WHR12824 | C00312243 481241728045 | osa uzaveru dveri | 143 Kč € 5.90 | ||
| 131 2 WHR12824 | C00312651 481249258022 | Pružina uzávěru dveří | 237 Kč € 9.70 | ||
| 135 1 WHR12824 | C00317048 481249818262 | pojistka dveri | 227 Kč € 9.30 | ||
| 135 2 WHR12824 | C00318221 481249258023 | Spring Door Safety | Na dotaz | Zadat poptávku | |
| 135 3 WHR12824 | C00313732 481229068153 | drzak pojistky | Na dotaz | Zadat poptávku | |
| 140 0 WHR12824 | C00311241 481245059812 | Sklo dveří | 2 067 Kč € 84.80 | ||
| 143 0 WHR12824 | C00317155 481244011141 | Glassdoor frame | Na dotaz | Zadat poptávku | |
| 144 0 WHR12824 | C00313481 481244011139 | Frame door glas | Na dotaz | Zadat poptávku | |
| 144 3 WHR12824 | C00318393 481250218669 | sroub pojistka dv. | 267 Kč € 11.00 | ||
| 191 0 WHR12824 | C00311125 481246068633 | Těsnění dveří, manžeta pračky Whirlpool | 350 Kč € 14.40 | ||
| 191 1 WHR12824 | C00312650 481249218028 | spona TVO - vnitřní | 54 Kč € 2.20 | ||
| 191 2 WHR12824 | C00318256 481953058059 | spona TVO predni st. | Na dotaz | Zadat poptávku | |
| 200 0 WHR12824 | C00426820 480111102582 | Wash unit 800/1000, 44l | Na dotaz | Zadat poptávku | |
| 223 0 WHR12824 | C00311811 481241848958 | Drum lifter | Na dotaz | Zadat poptávku | |
| 271 0 WHR12824 | C00311752 481235818214 | Belt eureka 50lt | Na dotaz | Zadat poptávku | |
| 272 0 WHR12824 | C00318647 481252858045 | Řemenice bubnu | Na dotaz | Zadat poptávku | |
| 272 3 WHR12824 | C00313276 481250218817 | sroub remenice | Na dotaz | Zadat poptávku | |
| 301 0 WHR12824 | C00462475 481245310415 | Control panel + handle drawer | Na dotaz | Zadat poptávku | |
| 331 0 WHR12824 | C00310970 481241458306 | Knoflík programátoru , volič programu AWO/D , AWE , AWZ | 173 Kč € 7.10 | ||
| 331 3 WHR12824 | C00311525 481241458307 | Unašeč knoflíku AWO/D | 399 Kč € 16.40 | ||
| 332 0 WHR12824 | C00316297 481241029399 | tlacitko | 523 Kč € 21.50 | ||
| 333 0 WHR12824 | C00310977 481251318172 | Tlačítko | 260 Kč € 10.70 | ||
| 333 1 WHR12824 | C00312048 481241029401 | Tlačítko | 249 Kč € 10.20 | ||
| 400 0 WHR12824 | C00314948 481236158518 | Motor 38/64 A4768 | Na dotaz | Zadat poptávku | |
| 400 1 WHR12824 | C00332143 481250218816 | Screw P8x50 | Na dotaz | Zadat poptávku | |
| 409 0 WHR12824 | C00311127 481236248004 | Brush,carbon, Motor CESET | Na dotaz | Zadat poptávku | |
| 421 0 WHR12824 | C00311350 481212118285 | Filtr odrušovací 1 uF | 294 Kč € 12.10 | ||
| 430 0 WHR12824 | C00310955 480111100786 | Pump,draining | Na dotaz | Zadat poptávku | |
| 451 0 WHR12824 | C00318278 481225928919 | Heating element 2050W, 230V + NTC | Na dotaz | Zadat poptávku | |
| 480 0 WHR12824 | C00313012 480111100719 | Kabeláž Motor 7-pole DOMINO | 764 Kč € 31.30 | ||
| 490 0 WHR12824 | C00316393 481932118136 | Flexo kabel 2 m, konektory | Na dotaz | Zadat poptávku | |
| 491 0 WHR12824 | C00309418 481232128367 | Přechodka | 324 Kč € 13.30 | ||
| 491 1 WHR12824 | C00318425 481250238152 | Screw 4.8x19 | Na dotaz | Zadat poptávku | |
| 521 0 WHR12824 | C00320336 481221470658 | Control unit Eureka | Na dotaz | Zadat poptávku | |
| 521 0 WHR12824 | C00426901 480111102679 | Control unit DOMINO, programmed | Na dotaz | Zadat poptávku | |
| 571 0 WHR12824 | C00311060 481227128558 | Napouštěcí ventil pračky - dvoucestný, rohový | 222 Kč € 9.10 | ||
| 581 0 WHR12824 | C00311217 481227128554 | Presostat pračky | 207 Kč € 8.50 | ||
| 620 0 WHR12824 | C00309354 481223958046 | jednotka ovladaci | 2 783 Kč € 114.20 | ||
| 630 0 WHR12824 | C00311250 481228058048 | Door lock Rold DA069516 | Na dotaz | Zadat poptávku | |
| 653 0 WHR12824 | C00318312 481213418046 | svetlovod | 277 Kč € 11.40 | ||
| 653 1 WHR12824 | C00314404 481213418047 | kolik | 175 Kč € 7.20 | ||
| 653 2 WHR12824 | C00326839 481213448361 | Guide,light 4 opt. | Na dotaz | Zadat poptávku | |
| 653 3 WHR12824 | C00319090 481213448362 | svetlovod | 50 Kč € 2.10 | ||
| 691 0 WHR12824 | C00313117 481228219485 | senzor NTC | 857 Kč € 35.20 | ||
| 701 0 WHR12824 | C00314963 481953028848 | hadicenapousteci | Na dotaz | Zadat poptávku | |
| 701 1 WHR12824 | C00316490 481946669704 | tesneni + sitko | 173 Kč € 7.10 | ||
| 702 0 WHR12824 | C00315519 481253029405 | hadice od ventilu | 108 Kč € 4.40 | ||
| 707 1 WHR12824 | C00330775 481246279955 | Threaded cap for dispenser | Na dotaz | Zadat poptávku | |
| 707 5 WHR12824 | C00327352 481231019102 | Tryska násypky pračky | 303 Kč € 12.40 | ||
| 708 1 WHR12824 | C00313076 481253049392 | Hadice násypka-nádrž pračky Whirlpool | 534 Kč € 21.90 | ||
| 711 0 WHR12824 | C00311070 481241868391 | teleso nasypky | 1 697 Kč € 69.60 | ||
| 712 0 WHR12824 | C00313225 481241868389 | Zásuvka násypky | Na dotaz | Zadat poptávku | |
| 713 0 WHR12824 | C00312158 481241868382 | Pojistka násypky | 305 Kč € 12.50 | ||
| 718 0 WHR12824 | C00312808 481252648226 | Dávkovač aviváže | Na dotaz | Zadat poptávku | |
| 718 1 WHR12824 | C00314043 481241889066 | separator do nasypky | 1 187 Kč € 48.70 | ||
| 754 0 WHR12824 | C00313144 481253029495 | Hadice čerpadlo - nádrž pračky Whirlpool | 638 Kč € 26.20 | ||
| 754 1 WHR12824 | C00309391 481253028832 | Kulička hadice mezi vanou a čerpadlem pračky Whirpool | 894 Kč € 36.70 | ||
| 760 0 WHR12824 | C00312342 481248058385 | Filtr čerpadla Whirlpool AWO/D | 365 Kč € 15.00 | ||
| 781 0 WHR12824 | C00311421 480111100272 | Hadice výtoková Náhrada C00637045 | Na dotaz | Zadat poptávku | |
| 782 0 WHR12824 | C00312246 481253029497 | Hadice k presostatu pračky Whirlpool | 50 Kč € 2.10 | ||
| 794 2 WHR12824 | C00318107 481240118549 | Clamp hose | Na dotaz | Zadat poptávku | |
| 900 1 WHR12824 | C00327322 481229088123 | Bracket eureka | Na dotaz | Zadat poptávku | |
| 900 2 WHR12824 | C00328881 481240118501 | Svorka hadice 1 | 87 Kč € 3.60 | ||
| 900 3 WHR12824 | C00328874 481240118446 | Cable clamp | Na dotaz | Zadat poptávku | |
| 900 4 WHR12824 | C00316612 481240118414 | SPONA39,7 | 37 Kč € 1.50 | ||
| 900 5 WHR12824 | C00309461 481940118529 | Spona nádrž-čerpadlo | 105 Kč € 4.30 | ||
| 900 6 WHR12824 | C00327313 481229088077 | Cable clamp | Na dotaz | Zadat poptávku | |
| 900 8 WHR12824 | C00320945 480111100143 | Holder hose right | Na dotaz | Zadat poptávku | |
| 901 2 WHR12824 | C00327319 481229088107 | Cable clamp | Na dotaz | Zadat poptávku | |
| 910 1 WHR12824 | C00332163 481250248344 | Šroub | Na dotaz | Zadat poptávku | |
| 910 5 WHR12824 | C00332781 481290308014 | sroub M5x16 H | Na dotaz | Zadat poptávku | |
| 930 0 WHR12824 | C00345873 481249238421 | Pružina nádrže | Na dotaz | Zadat poptávku | |
| 961 0 WHR12824 | C00333324 481953268829 | Vložka vymezovací | 305 Kč € 12.50 | ||
| 965 0 WHR12824 | C00330912 481246668545 | Záslepka otvoru po zajišťovacím šroubu bubnu pračky Whirlpool | 206 Kč € 8.40 | ||
| 993 0 WHR12824 | C00316831 481953029028 | Ohyb plastový/držák vypouštěcí hadice pračky | Na dotaz | Zadat poptávku | |
| 993 3 WHR12824 | C00328868 481239558004 | klic montazni | 64 Kč € 2.60 | ||
| 999 WHR12824 | C00364608 | Testprogram WHP | Na dotaz | Zadat poptávku | |