WHIRLPOOL AWO/D 4705
 
             
                 
                
    Zeptejte se. Rádi poradíme.
    
        
            
                
                     
              
        
        
            
    
    
             
            Marek Proche
                    
Zákaznická podpora
            
Po–Čt 8:00—17:00
                
Pá 8:00—15:00             
            
        
            
        poradna@servis-whirlpool.cz     
    
    
| Komerční kód: | AWO/D 4705 | 
| Kód 12NC: | 859233315000 | 
| I.C. kód: | 859233315002 | 
| Značka: | WHIRLPOOL | 
| Typ produktu: | Pračky | 
| Další podobné modely: | 859233315000, Q0914400000, Q0914400002, 859233315004, Q0914400004, 859233315008, Q0914400008 | 
Potřebujete servis? Jsme tady pro Vás
Nabídka náhradních dílů
| Číslo | Kód | Název | Cena | ||
|---|---|---|---|---|---|
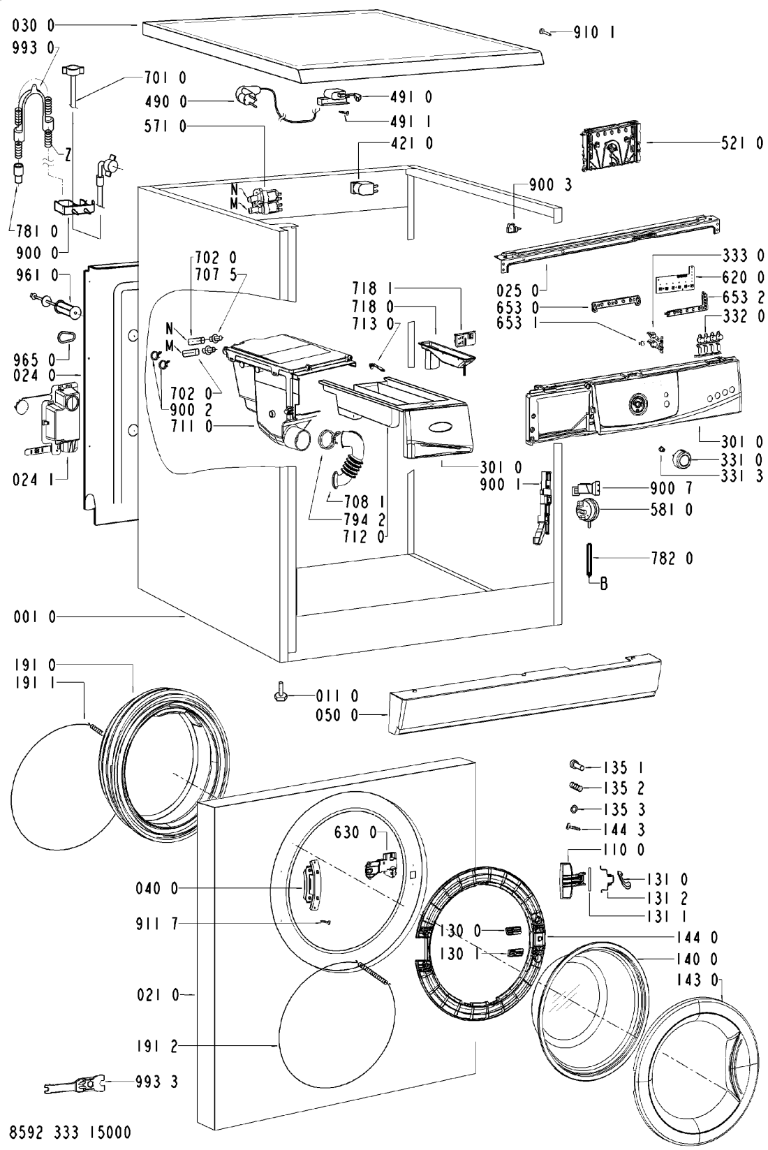
| 001 0 WHR03676 | C00328013 481244011469 | Cabinet | Na dotaz | Zadat poptávku | |
| 011 0 WHR03676 | C00311705 481250018099 | noha pracky M8*34/A | Na dotaz | Zadat poptávku | |
| 021 0 WHR03676 | C00316519 481244011541 | Front 25/1400 | Na dotaz | Zadat poptávku | |
| 024 0 WHR03676 | C00328004 481244011445 | PANEL | Na dotaz | Zadat poptávku | |
| 024 1 WHR03676 | C00327881 481241870019 | Box outlet hose left | Na dotaz | Zadat poptávku | |
| 025 0 WHR03676 | C00316513 481244011472 | Support control board | Na dotaz | Zadat poptávku | |
| 030 0 WHR03676 | C00317161 481244011473 | deska horni GW | Na dotaz | Zadat poptávku | |
| 040 0 WHR03676 | C00312018 481241718787 | Hinge BK | Na dotaz | Zadat poptávku | |
| 050 0 WHR03676 | C00312706 481244010779 | sokl pracky GW | Na dotaz | Zadat poptávku | |
| 061 0 WHR03676 | C00320755 481246688833 | zavazi horni | 1 512 Kč € 62.00 | ||
| 061 1 WHR03676 | C00316001 481246688607 | Counter weight front, bottom | Na dotaz | Zadat poptávku | |
| 061 2 WHR03676 | C00332868 481931039227 | sroub do zavazi sada | Na dotaz | Zadat poptávku | |
| 061 3 WHR03676 | C00320457 481931039228 | Mounting kit Weight bottom | Na dotaz | Zadat poptávku | |
| 081 0 WHR03676 | C00313104 481246648088 | Tlumič třecí pro předem plněné pračky Whirlpool | 766 Kč € 31.40 | ||
| 084 0 WHR03676 | C00330907 481246658001 | drzak pruziny agreg. | Na dotaz | Zadat poptávku | |
| 086 2 WHR03676 | C00314527 481240118412 | pojistka tlumice | 333 Kč € 13.70 | ||
| 110 0 WHR03676 | C00314821 481249818361 | Handle door | Na dotaz | Zadat poptávku | |
| 130 0 WHR03676 | C00318057 481241728047 | desticka uzaveru dv. | 27 Kč € 1.10 | ||
| 130 1 WHR03676 | C00329782 481241728048 | Plate Doorlock LowerDoorlock Lower | Na dotaz | Zadat poptávku | |
| 131 0 WHR03676 | C00312433 481241728046 | Lock Door | Na dotaz | Zadat poptávku | |
| 131 1 WHR03676 | C00312243 481241728045 | osa uzaveru dveri | 143 Kč € 5.90 | ||
| 131 2 WHR03676 | C00312651 481249258022 | Pružina uzávěru dveří | 237 Kč € 9.70 | ||
| 135 1 WHR03676 | C00317048 481249818262 | pojistka dveri | 227 Kč € 9.30 | ||
| 135 2 WHR03676 | C00317024 481249148004 | Pružina | 220 Kč € 9.00 | ||
| 135 3 WHR03676 | C00313732 481229068153 | drzak pojistky | Na dotaz | Zadat poptávku | |
| 140 0 WHR03676 | C00331123 481245058983 | Door glass | Na dotaz | Zadat poptávku | |
| 143 0 WHR03676 | C00317155 481244011141 | Glassdoor frame | Na dotaz | Zadat poptávku | |
| 144 0 WHR03676 | C00313481 481244011139 | Frame door glas | Na dotaz | Zadat poptávku | |
| 144 3 WHR03676 | C00318393 481250218669 | sroub pojistka dv. | 267 Kč € 11.00 | ||
| 191 0 WHR03676 | C00313168 481246068532 | DOOR BELLOW grease resistance | Na dotaz | Zadat poptávku | |
| 191 1 WHR03676 | C00313764 481249218017 | spona TVO - vnitřní | 149 Kč € 6.10 | ||
| 191 2 WHR03676 | C00311875 481249298011 | spona TVO - přední stěna | 111 Kč € 4.60 | ||
| 200 1 WHR03676 | C00311480 481241818475 | Tub 42l front | Na dotaz | Zadat poptávku | |
| 200 2 WHR03676 | C00316952 481241818636 | Tub, half rear | Na dotaz | Zadat poptávku | |
| 200 4 WHR03676 | C00314317 481229088054 | Spona nádrže | 378 Kč € 15.50 | ||
| 220 0 WHR03676 | C00314617 481241818637 | Drum 1400/PP/42L | Na dotaz | Zadat poptávku | |
| 271 0 WHR03676 | C00311078 481235818056 | Řemen PV 1250 J4 EL pračky Whirlpool | 100 Kč € 4.10 | ||
| 272 0 WHR03676 | C00313543 481252858041 | remenice bubnu | 1 104 Kč € 45.30 | ||
| 272 3 WHR03676 | C00313776 481250518371 | matice remenice | Na dotaz | Zadat poptávku | |
| 292 0 WHR03676 | C00311501 481253058101 | těsnění bočnice | 694 Kč € 28.50 | ||
| 301 0 WHR03676 | C00317868 481245216717 | Control panel + handle drawer | Na dotaz | Zadat poptávku | |
| 331 0 WHR03676 | C00310970 481241458306 | Knoflík programátoru , volič programu AWO/D , AWE , AWZ | 173 Kč € 7.10 | ||
| 331 3 WHR03676 | C00311525 481241458307 | Unašeč knoflíku AWO/D | 399 Kč € 16.40 | ||
| 332 0 WHR03676 | C00316297 481241029399 | tlacitko | 523 Kč € 21.50 | ||
| 333 0 WHR03676 | C00310977 481251318172 | Tlačítko | 260 Kč € 10.70 | ||
| 400 0 WHR03676 | C00312053 481236158431 | Motor | Na dotaz | Zadat poptávku | |
| 400 1 WHR03676 | C00332112 481250218705 | Screw M8x35 | Na dotaz | Zadat poptávku | |
| 409 0 WHR03676 | C00311255 481236248442 | Brush,carbon ACC sub 481281719419 | Na dotaz | Zadat poptávku | |
| 421 0 WHR03676 | C00311350 481212118285 | Filtr odrušovací 1 uF | 294 Kč € 12.10 | ||
| 430 0 WHR03676 | C00313045 481236018559 | Pump | Na dotaz | Zadat poptávku | |
| 451 0 WHR03676 | C00311143 481225928823 | Heating element 240 V + NTC | Na dotaz | Zadat poptávku | |
| 480 0 WHR03676 | C00312121 481232178351 | Cable DOMINO-MOT 7 | Na dotaz | Zadat poptávku | |
| 490 0 WHR03676 | C00319506 481232118043 | Connect.cable 5m | Na dotaz | Zadat poptávku | |
| 491 0 WHR03676 | C00313305 488000313305 | Strain relief | Na dotaz | Zadat poptávku | |
| 491 1 WHR03676 | C00318425 481250238152 | Screw 4.8x19 | Na dotaz | Zadat poptávku | |
| 521 0 WHR03676 | C00311551 481221470092 | Control unit C1 DOMINO FULL Class B | Na dotaz | Zadat poptávku | |
| 521 0 WHR03676 | C00313906 481221479984 | Control board DOMINO, programmed | Na dotaz | Zadat poptávku | |
| 571 0 WHR03676 | C00311060 481227128558 | Napouštěcí ventil pračky - dvoucestný, rohový | 222 Kč € 9.10 | ||
| 581 0 WHR03676 | C00315089 481227128583 | pressostat | Na dotaz | Zadat poptávku | |
| 620 0 WHR03676 | C00327095 481223958039 | jednotka ovladaci | 2 371 Kč € 97.30 | ||
| 630 0 WHR03676 | C00311250 481228058048 | Door lock Rold DA069516 | Na dotaz | Zadat poptávku | |
| 653 0 WHR03676 | C00318312 481213418046 | svetlovod | 277 Kč € 11.40 | ||
| 653 1 WHR03676 | C00314404 481213418047 | kolik | 175 Kč € 7.20 | ||
| 653 2 WHR03676 | C00326839 481213448361 | Guide,light 4 opt. | Na dotaz | Zadat poptávku | |
| 691 0 WHR03676 | C00313117 481228219485 | senzor NTC | 857 Kč € 35.20 | ||
| 701 0 WHR03676 | C00315515 481253029329 | Hose, inlet EN 11770 Reflex | Na dotaz | Zadat poptávku | |
| 702 0 WHR03676 | C00315519 481253029405 | hadice od ventilu | 108 Kč € 4.40 | ||
| 707 5 WHR03676 | C00327352 481231019102 | Tryska násypky pračky | 303 Kč € 12.40 | ||
| 708 1 WHR03676 | C00313009 481253048143 | hadice k násypce pračky Whirlpool uz nebude !!!! | Na dotaz | Zadat poptávku | |
| 711 0 WHR03676 | C00311262 481241868379 | Dispenser 3 ch. | Na dotaz | Zadat poptávku | |
| 712 0 WHR03676 | C00311306 481241868381 | Zásuvka násypky | 1 159 Kč € 47.50 | ||
| 713 0 WHR03676 | C00312158 481241868382 | Pojistka násypky | 305 Kč € 12.50 | ||
| 718 0 WHR03676 | C00312808 481252648226 | Dávkovač aviváže | Na dotaz | Zadat poptávku | |
| 718 1 WHR03676 | C00314043 481241889066 | separator do nasypky | 1 187 Kč € 48.70 | ||
| 753 1 WHR03676 | C00312723 481941868234 | vzdusnik | Na dotaz | Zadat poptávku | |
| 754 0 WHR03676 | C00318889 481253029474 | Hadice nádrž-čerpadlo | 1 269 Kč € 52.10 | ||
| 754 1 WHR03676 | C00318763 488000318763 | Lock eco | Na dotaz | Zadat poptávku | |
| 754 2 WHR03676 | C00332413 481253028829 | Flange eco | Na dotaz | Zadat poptávku | |
| 760 0 WHR03676 | C00314883 481948058106 | Filtr čerpadla | 38 Kč € 1.60 | ||
| 781 0 WHR03676 | C00315521 481253029425 | Hose draining | Na dotaz | Zadat poptávku | |
| 782 0 WHR03676 | C00317136 481253028827 | Hose Pressostat | Na dotaz | Zadat poptávku | |
| 794 2 WHR03676 | C00318107 481240118549 | Clamp hose | Na dotaz | Zadat poptávku | |
| 794 5 WHR03676 | C00319466 481253058098 | tesneni vzdusniku Náhrada 481010395017 | Na dotaz | Zadat poptávku | |
| 900 0 WHR03676 | C00327119 481225518204 | Vnější držák hadic pračky Whirlpool | Na dotaz | Zadat poptávku | |
| 900 1 WHR03676 | C00327311 481229088049 | Bracket | Na dotaz | Zadat poptávku | |
| 900 2 WHR03676 | C00328881 481240118501 | Svorka hadice 1 | 87 Kč € 3.60 | ||
| 900 3 WHR03676 | C00328874 481240118446 | Cable clamp | Na dotaz | Zadat poptávku | |
| 900 4 WHR03676 | C00316612 481240118414 | SPONA39,7 | 37 Kč € 1.50 | ||
| 900 5 WHR03676 | C00315583 | Clamp hose | Na dotaz | Zadat poptávku | |
| 900 6 WHR03676 | C00327583 481229018031 | Clamp heatingelement+screw | Na dotaz | Zadat poptávku | |
| 900 7 WHR03676 | C00327120 481225518205 | Držák presostatu pračky Whirlpool | Na dotaz | Zadat poptávku | |
| 910 1 WHR03676 | C00332163 481250248344 | Šroub | Na dotaz | Zadat poptávku | |
| 911 7 WHR03676 | C00316731 481290308196 | sroub | Na dotaz | Zadat poptávku | |
| 930 0 WHR03676 | C00320162 481949238139 | pruzina | Na dotaz | Zadat poptávku | |
| 941 0 WHR03676 | C00314254 481252028003 | BEARING 6306 2Z C3 GJN | Na dotaz | Zadat poptávku | |
| 941 1 WHR03676 | C00315491 481252028005 | BEARING 6304 2Z C3 | Na dotaz | Zadat poptávku | |
| 953 0 WHR03676 | C00332640 481253058185 | gufero 50x70x12 | Na dotaz | Zadat poptávku | |
| 961 0 WHR03676 | C00333324 481953268829 | Vložka vymezovací | 305 Kč € 12.50 | ||
| 965 0 WHR03676 | C00330912 481246668545 | Záslepka otvoru po zajišťovacím šroubu bubnu pračky Whirlpool | 206 Kč € 8.40 | ||
| 993 0 WHR03676 | C00316831 481953029028 | Ohyb plastový/držák vypouštěcí hadice pračky | Na dotaz | Zadat poptávku | |
| 993 3 WHR03676 | C00328868 481239558004 | klic montazni | 64 Kč € 2.60 | ||
| 999 WHR03676 | C00366870 | SERVICE MANUAL WHP | Na dotaz | Zadat poptávku | |
| 999 WHR03676 | C00366871 | SERVICE MANUAL WHP | Na dotaz | Zadat poptávku | |
| 999 WHR03676 | C00366872 | SERVICE MANUAL WHP | Na dotaz | Zadat poptávku | |
| 999 WHR03676 | C00366873 | SERVICE MANUAL WHP | Na dotaz | Zadat poptávku | |
| 999 WHR03676 | C00366874 | SERVICE MANUAL WHP | Na dotaz | Zadat poptávku | |
| 999 WHR03676 | C00366875 | SERVICE MANUAL WHP | Na dotaz | Zadat poptávku | |
| 999 WHR03676 | C00366876 | SERVICE MANUAL WHP | Na dotaz | Zadat poptávku | |
| 999 WHR03676 | C00366877 | SERVICE MANUAL WHP | Na dotaz | Zadat poptávku | |
| 999 WHR03676 | C00366878 | SERVICE MANUAL WHP | Na dotaz | Zadat poptávku | |
| 999 WHR03676 | C00366879 | SERVICE MANUAL WHP | Na dotaz | Zadat poptávku | |
| 999 WHR03676 | C00366880 | SERVICE MANUAL WHP | Na dotaz | Zadat poptávku | |
| 999 WHR03676 | C00366881 | SERVICE MANUAL WHP | Na dotaz | Zadat poptávku | |
| 999 WHR03676 | C00366882 | SERVICE MANUAL WHP | Na dotaz | Zadat poptávku | |
| 999 WHR03676 | C00366883 | SERVICE MANUAL WHP | Na dotaz | Zadat poptávku | |