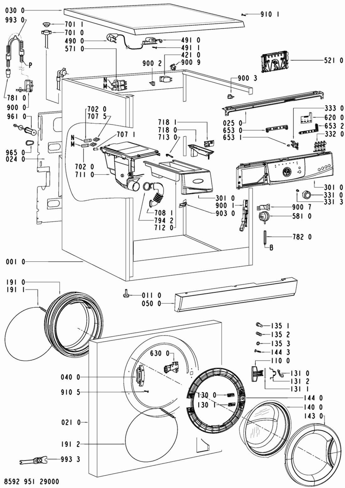
WHIRLPOOL AWO/D 47106 WP
Zeptejte se. Rádi poradíme.
Marek Proche
Zákaznická podpora
Po–Čt 8:00—17:00
Pá 8:00—15:00
poradna@servis-whirlpool.cz
| Komerční kód: | AWO/D 47106 WP |
| Kód 12NC/I.C. kód: | 859295129000 |
| Značka: | WHIRLPOOL |
| Typ produktu: | Pračky |
| Další podobné modely: | 859295129004 |
Potřebujete servis? Jsme tady pro Vás
Nabídka náhradních dílů
| Číslo | Kód | Název | Cena | ||
|---|---|---|---|---|---|
| 001 0 WHR13712 |
C00328039
481244011538 |
skrin | Na dotaz | Zadat poptávku | |
| 011 0 WHR13712 |
C00330679
481246248421 |
Adjust.foot | Na dotaz | Zadat poptávku | |
| 021 0 WHR13712 |
C00311725
481244011564 |
stena predni | 2 720 Kč
€ 111.80 |
||
| 024 0 WHR13712 |
C00316521
481244011544 |
stena zadni | 1 472 Kč
€ 60.50 |
||
| 025 0 WHR13712 |
C00316513
481244011472 |
Support control board | Na dotaz | Zadat poptávku | |
| 030 0 WHR13712 |
C00317161
481244011473 |
deska horni GW | Na dotaz | Zadat poptávku | |
| 040 0 WHR13712 |
C00312018
481241718787 |
Závěs dveří pračky | 625 Kč
€ 25.70 |
||
| 050 0 WHR13712 |
C00312706
481244010779 |
sokl pracky GW | Na dotaz | Zadat poptávku | |
| 061 0 WHR13712 |
C00331527
481246688936 |
Counter weight upper | Na dotaz | Zadat poptávku | |
| 061 1 WHR13712 |
C00316001
481246688607 |
Counter weight front, bottom | Na dotaz | Zadat poptávku | |
| 061 2 WHR13712 |
C00320419
481231039135 |
Mounting kit weight top | Na dotaz | Zadat poptávku | |
| 081 0 WHR13712 |
C00330906
481246648125 |
Shock absorber | Na dotaz | Zadat poptávku | |
| 084 0 WHR13712 |
C00330907
481246658001 |
drzak pruziny agreg. | Na dotaz | Zadat poptávku | |
| 086 2 WHR13712 |
C00314527
481240118412 |
pojistka tlumice | 333 Kč
€ 13.70 |
||
| 110 0 WHR13712 |
C00314821
481249818361 |
Handle door | Na dotaz | Zadat poptávku | |
| 130 0 WHR13712 |
C00318057
481241728047 |
desticka uzaveru dv. | 27 Kč
€ 1.10 |
||
| 130 1 WHR13712 |
C00318073
481241728108 |
podlozka | 380 Kč
€ 15.60 |
||
| 131 0 WHR13712 |
C00312433
481241728046 |
Lock Door | Na dotaz | Zadat poptávku | |
| 131 1 WHR13712 |
C00312243
481241728045 |
osa uzaveru dveri | 143 Kč
€ 5.90 |
||
| 131 2 WHR13712 |
C00312651
481249258022 |
Pružina uzávěru dveří | 237 Kč
€ 9.70 |
||
| 135 1 WHR13712 |
C00317048
481249818262 |
pojistka dveri | 227 Kč
€ 9.30 |
||
| 135 2 WHR13712 |
C00318221
481249258023 |
Spring Door Safety | Na dotaz | Zadat poptávku | |
| 135 3 WHR13712 |
C00313732
481229068153 |
drzak pojistky | Na dotaz | Zadat poptávku | |
| 140 0 WHR13712 |
C00311241
481245059812 |
Sklo dveří | 2 067 Kč
€ 84.90 |
||
| 143 0 WHR13712 |
C00317155
481244011141 |
Glassdoor frame | Na dotaz | Zadat poptávku | |
| 144 0 WHR13712 |
C00313481
481244011139 |
Frame door glas | Na dotaz | Zadat poptávku | |
| 144 3 WHR13712 |
C00318393
481250218669 |
sroub pojistka dv. | 267 Kč
€ 11.00 |
||
| 191 0 WHR13712 |
C00311137
481246068617 |
Těsnění dveří, manžeta (TVO) pračky Whirlpool Delta | 1 147 Kč
€ 47.10 |
||
| 191 1 WHR13712 |
C00313764
481249218017 |
spona TVO - vnitřní | 149 Kč
€ 6.10 |
||
| 191 2 WHR13712 |
C00318256
481953058059 |
spona TVO predni st. | Na dotaz | Zadat poptávku | |
| 200 1 WHR13712 |
C00316603
481241818669 |
nadrz predni cast | Na dotaz | Zadat poptávku | |
| 200 2 WHR13712 |
C00314631
481241818671 |
Tub 50L,1400 rear | Na dotaz | Zadat poptávku | |
| 200 4 WHR13712 |
C00314317
481229088054 |
Spona nádrže | 378 Kč
€ 15.50 |
||
| 220 0 WHR13712 |
C00312811
481241818587 |
Drum 50/48 L 1400 SS Bush | Na dotaz | Zadat poptávku | |
| 271 0 WHR13712 |
C00311078
481235818056 |
Řemen PV 1250 J4 EL pračky Whirlpool | 100 Kč
€ 4.10 |
||
| 272 0 WHR13712 |
C00313543
481252858041 |
remenice bubnu | 1 104 Kč
€ 45.40 |
||
| 272 3 WHR13712 |
C00313776
481250518371 |
matice remenice | Na dotaz | Zadat poptávku | |
| 292 0 WHR13712 |
C00311501
481253058101 |
těsnění bočnice | 694 Kč
€ 28.50 |
||
| 301 0 WHR13712 |
C00425240
480111100167 |
Control panel + handle drawer | Na dotaz | Zadat poptávku | |
| 331 0 WHR13712 |
C00310970
481241458306 |
Knoflík programátoru , volič programu AWO/D , AWE , AWZ | 173 Kč
€ 7.10 |
||
| 331 3 WHR13712 |
C00311525
481241458307 |
Unašeč knoflíku AWO/D | 399 Kč
€ 16.40 |
||
| 332 0 WHR13712 |
C00316297
481241029399 |
tlacitko | 523 Kč
€ 21.50 |
||
| 333 0 WHR13712 |
C00310977
481251318172 |
Tlačítko | 260 Kč
€ 10.70 |
||
| 400 0 WHR13712 |
C00311300
481236158507 |
Motor pračky Whirlpool, Bauknecht | 4 267 Kč
€ 175.30 |
||
| 400 1 WHR13712 |
C00332114
481250218737 |
Screw 8x38 | Na dotaz | Zadat poptávku | |
| 409 0 WHR13712 |
C00311255
481236248442 |
Brush,carbon ACC sub 481281719419 | Na dotaz | Zadat poptávku | |
| 421 0 WHR13712 |
C00311350
481212118285 |
Filtr odrušovací 1 uF | 294 Kč
€ 12.10 |
||
| 430 0 WHR13712 |
C00313045
481236018559 |
Pump | Na dotaz | Zadat poptávku | |
| 451 0 WHR13712 |
C00318278
481225928919 |
Heating element 2050W, 230V + NTC | Na dotaz | Zadat poptávku | |
| 480 0 WHR13712 |
C00312121
481232178351 |
Cable DOMINO-MOT 7 | Na dotaz | Zadat poptávku | |
| 490 0 WHR13712 |
C00316393
481932118136 |
Flexo kabel 2 m, konektory | Na dotaz | Zadat poptávku | |
| 491 0 WHR13712 |
C00309418
481232128367 |
Přechodka | 324 Kč
€ 13.30 |
||
| 491 1 WHR13712 |
C00318425
481250238152 |
Screw 4.8x19 | Na dotaz | Zadat poptávku | |
| 521 0 WHR13712 |
C00314902
481221470682 |
programator | Na dotaz | Zadat poptávku | |
| 521 0 WHR13712 |
C00425546
480111100623 |
Control unit DOMINO, programmed | Na dotaz | Zadat poptávku | |
| 571 0 WHR13712 |
C00311060
481227128558 |
Napouštěcí ventil pračky - dvoucestný, rohový | 222 Kč
€ 9.10 |
||
| 581 0 WHR13712 |
C00311861
481227128585 |
Pressostat 50/25 INVENS. | Na dotaz | Zadat poptávku | |
| 620 0 WHR13712 |
C00327095
481223958039 |
jednotka ovladaci | 2 371 Kč
€ 97.40 |
||
| 630 0 WHR13712 |
C00311250
481228058048 |
Door lock Rold DA069516 | Na dotaz | Zadat poptávku | |
| 653 0 WHR13712 |
C00318312
481213418046 |
svetlovod | 277 Kč
€ 11.40 |
||
| 653 1 WHR13712 |
C00314404
481213418047 |
kolik | 175 Kč
€ 7.20 |
||
| 653 2 WHR13712 |
C00326839
481213448361 |
Guide,light 4 opt. | Na dotaz | Zadat poptávku | |
| 691 0 WHR13712 |
C00313117
481228219485 |
senzor NTC | 857 Kč
€ 35.20 |
||
| 701 0 WHR13712 |
C00314963
481953028848 |
hadicenapousteci | Na dotaz | Zadat poptávku | |
| 701 1 WHR13712 |
C00316490
481946669704 |
tesneni + sitko | 173 Kč
€ 7.10 |
||
| 702 0 WHR13712 |
C00315519
481253029405 |
hadice od ventilu | 108 Kč
€ 4.40 |
||
| 707 1 WHR13712 |
C00330775
481246279955 |
Threaded cap for dispenser | Na dotaz | Zadat poptávku | |
| 707 5 WHR13712 |
C00327352
481231019102 |
Tryska násypky pračky | 303 Kč
€ 12.40 |
||
| 708 1 WHR13712 |
C00313009
481253048143 |
hadice k násypce pračky Whirlpool uz nebude !!!! | Na dotaz | Zadat poptávku | |
| 711 0 WHR13712 |
C00311070
481241868391 |
teleso nasypky | 1 697 Kč
€ 69.70 |
||
| 712 0 WHR13712 |
C00313225
481241868389 |
Zásuvka násypky | Na dotaz | Zadat poptávku | |
| 713 0 WHR13712 |
C00312158
481241868382 |
Pojistka násypky | 305 Kč
€ 12.50 |
||
| 718 0 WHR13712 |
C00312808
481252648226 |
Dávkovač aviváže | Na dotaz | Zadat poptávku | |
| 718 1 WHR13712 |
C00314043
481241889066 |
separator do nasypky | 401 Kč
€ 16.50 |
||
| 753 1 WHR13712 |
C00312723
481941868234 |
vzdusnik | Na dotaz | Zadat poptávku | |
| 754 0 WHR13712 |
C00318889
481253029474 |
Hadice nádrž-čerpadlo | 1 269 Kč
€ 52.10 |
||
| 754 1 WHR13712 |
C00309391
481253028832 |
Kulička hadice mezi vanou a čerpadlem pračky Whirpool | 894 Kč
€ 36.70 |
||
| 754 2 WHR13712 |
C00332452
481253029352 |
Příruba eco AWT,AWO/D | 317 Kč
€ 13.00 |
||
| 760 0 WHR13712 |
C00312342
481248058385 |
Filtr čerpadla Whirlpool AWO/D | 365 Kč
€ 15.00 |
||
| 781 0 WHR13712 |
C00314652
481253029455 |
Hose draining outlet, COD | Na dotaz | Zadat poptávku | |
| 782 0 WHR13712 |
C00317136
481253028827 |
Hose Pressostat | Na dotaz | Zadat poptávku | |
| 794 2 WHR13712 |
C00318107
481240118549 |
Clamp hose | Na dotaz | Zadat poptávku | |
| 794 5 WHR13712 |
C00319466
481253058098 |
tesneni vzdusniku Náhrada 481010395017 |
Na dotaz | Zadat poptávku | |
| 900 0 WHR13712 |
C00331035
481244138021 |
Holder hose outlet | Na dotaz | Zadat poptávku | |
| 900 1 WHR13712 |
C00327311
481229088049 |
Bracket | Na dotaz | Zadat poptávku | |
| 900 2 WHR13712 |
C00327313
481229088077 |
Cable clamp | Na dotaz | Zadat poptávku | |
| 900 3 WHR13712 |
C00328874
481240118446 |
Cable clamp | Na dotaz | Zadat poptávku | |
| 900 4 WHR13712 |
C00316612
481240118414 |
SPONA39,7 | 37 Kč
€ 1.50 |
||
| 900 5 WHR13712 |
C00309461
481940118529 |
Spona nádrž-čerpadlo | 105 Kč
€ 4.30 |
||
| 900 6 WHR13712 |
C00317960
481240118444 |
Držák topení pračky Whirlpool, Ignis | Na dotaz | Zadat poptávku | |
| 900 7 WHR13712 |
C00327120
481225518205 |
Držák presostatu pračky Whirlpool | Na dotaz | Zadat poptávku | |
| 900 9 WHR13712 |
C00327126
481225518286 |
Holder Hose outlet left | Na dotaz | Zadat poptávku | |
| 903 0 WHR13712 |
C00328928
481240118834 |
Clamp hose fixation int. | Na dotaz | Zadat poptávku | |
| 910 1 WHR13712 |
C00332163
481250248344 |
Šroub | Na dotaz | Zadat poptávku | |
| 910 5 WHR13712 |
C00312157
481250218815 |
Šroub | 62 Kč
€ 2.50 |
||
| 930 0 WHR13712 |
C00320162
481949238139 |
pruzina | Na dotaz | Zadat poptávku | |
| 941 0 WHR13712 |
C00314254
481252028003 |
BEARING 6306 2Z C3 GJN | Na dotaz | Zadat poptávku | |
| 941 1 WHR13712 |
C00315491
481252028005 |
BEARING 6304 2Z C3 | Na dotaz | Zadat poptávku | |
| 953 0 WHR13712 |
C00332640
481253058185 |
gufero 50x70x12 | Na dotaz | Zadat poptávku | |
| 961 0 WHR13712 |
C00333324
481953268829 |
Vložka vymezovací | 305 Kč
€ 12.50 |
||
| 965 0 WHR13712 |
C00330912
481246668545 |
Záslepka otvoru po zajišťovacím šroubu bubnu pračky Whirlpool | 206 Kč
€ 8.50 |
||
| 993 0 WHR13712 |
C00316831
481953029028 |
Ohyb plastový/držák vypouštěcí hadice pračky | Na dotaz | Zadat poptávku | |
| 993 3 WHR13712 |
C00328868
481239558004 |
klic montazni | Na dotaz | Zadat poptávku | |
| 999 WHR13712 |
C00364608 | Testprogram WHP | Na dotaz | Zadat poptávku | |