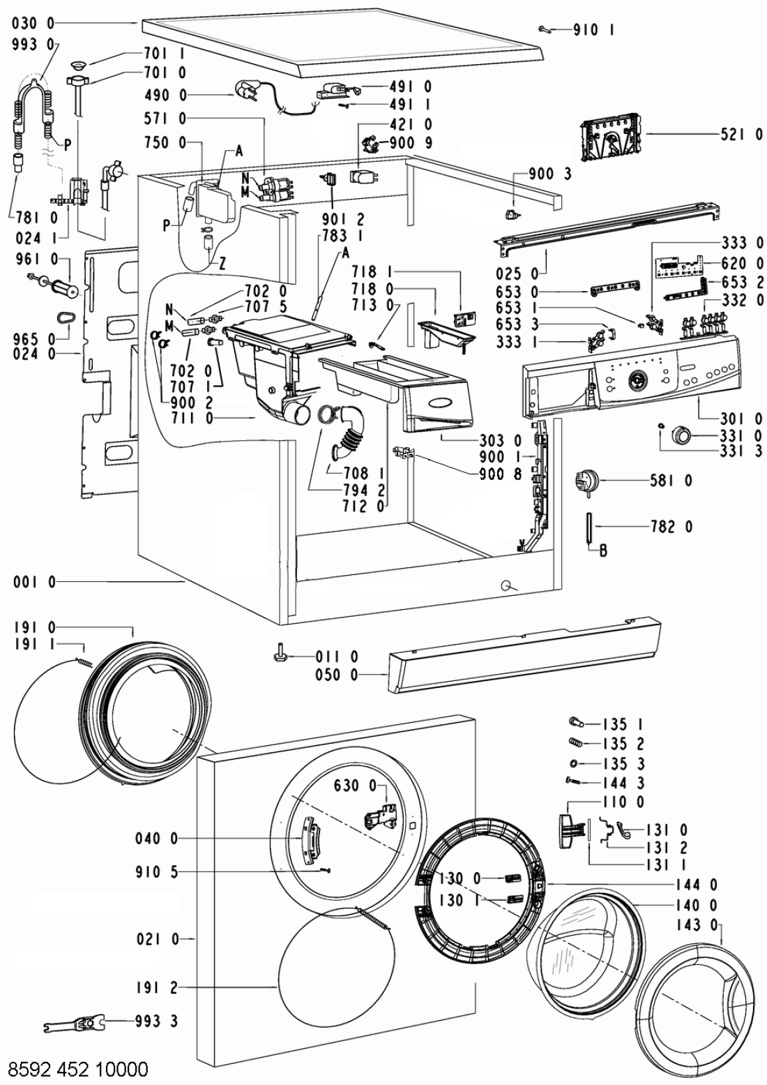
WHIRLPOOL AWO/D 7012/1 WP
Zeptejte se. Rádi poradíme.
Marek Proche
Zákaznická podpora
Po–Čt 8:00—17:00
Pá 8:00—15:00
poradna@servis-whirlpool.cz
| Komerční kód: | AWO/D 7012/1 WP |
| Kód 12NC/I.C. kód: | 859245210000 |
| Značka: | WHIRLPOOL |
| Typ produktu: | Pračky |
| Další podobné modely: | 859245210003 |
Potřebujete servis? Jsme tady pro Vás
Nabídka náhradních dílů
| Číslo | Kód | Název | Cena | ||
|---|---|---|---|---|---|
| 001 0 WHR12662 |
C00321034
480111101727 |
skrin | Na dotaz | Zadat poptávku | |
| 011 0 WHR12662 |
C00330679
481246248421 |
Adjust.foot | Na dotaz | Zadat poptávku | |
| 021 0 WHR12662 |
C00311725
481244011564 |
stena predni | 2 720 Kč
€ 111.70 |
||
| 024 0 WHR12662 |
C00316521
481244011544 |
stena zadni | 1 472 Kč
€ 60.40 |
||
| 024 1 WHR12662 |
C00331035
481244138021 |
Holder hose outlet | Na dotaz | Zadat poptávku | |
| 025 0 WHR12662 |
C00316513
481244011472 |
Support control board | Na dotaz | Zadat poptávku | |
| 030 0 WHR12662 |
C00317161
481244011473 |
deska horni GW | Na dotaz | Zadat poptávku | |
| 040 0 WHR12662 |
C00312018
481241718787 |
Závěs dveří předem plněné pračky Whirlpool / Bauknecht | 625 Kč
€ 25.70 |
||
| 050 0 WHR12662 |
C00312706
481244010779 |
sokl pracky GW | Na dotaz | Zadat poptávku | |
| 061 0 WHR12662 |
C00313390
481246689017 |
Counter weight upper, Eureka 50-54l | Na dotaz | Zadat poptávku | |
| 061 1 WHR12662 |
C00312927
481246689018 |
Counter weight front, bottom, Eureka 50l | Na dotaz | Zadat poptávku | |
| 061 2 WHR12662 |
C00312077
481231039249 |
sroub+podlozka | 81 Kč
€ 3.30 |
||
| 081 0 WHR12662 |
C00311556
480111100195 |
Tlumič pračky Whirlpool | 789 Kč
€ 32.40 |
||
| 084 0 WHR12662 |
C00330907
481246658001 |
drzak pruziny agreg. | Na dotaz | Zadat poptávku | |
| 110 0 WHR12662 |
C00314821
481249818361 |
Handle door | Na dotaz | Zadat poptávku | |
| 130 0 WHR12662 |
C00318057
481241728047 |
desticka uzaveru dv. | 27 Kč
€ 1.10 |
||
| 130 1 WHR12662 |
C00318073
481241728108 |
podlozka | 380 Kč
€ 15.60 |
||
| 131 0 WHR12662 |
C00312433
481241728046 |
Lock Door | Na dotaz | Zadat poptávku | |
| 131 1 WHR12662 |
C00312243
481241728045 |
osa uzaveru dveri | 43 Kč
€ 1.80 |
||
| 131 2 WHR12662 |
C00312651
481249258022 |
Pružina uzávěru dveří | 237 Kč
€ 9.70 |
||
| 135 1 WHR12662 |
C00317048
481249818262 |
pojistka dveri | 227 Kč
€ 9.30 |
||
| 135 2 WHR12662 |
C00317024
481249148004 |
Pružina | 220 Kč
€ 9.00 |
||
| 135 3 WHR12662 |
C00313732
481229068153 |
drzak pojistky | Na dotaz | Zadat poptávku | |
| 140 0 WHR12662 |
C00311241
481245059812 |
Sklo dveří předem plněné pračky Whirlpool / Bauknecht | 2 067 Kč
€ 84.90 |
||
| 143 0 WHR12662 |
C00319330
481244011688 |
ram dveri | Na dotaz | Zadat poptávku | |
| 144 0 WHR12662 |
C00313481
481244011139 |
Frame door glas | Na dotaz | Zadat poptávku | |
| 144 3 WHR12662 |
C00318393
481250218669 |
sroub pojistka dv. | 267 Kč
€ 11.00 |
||
| 191 0 WHR12662 |
C00311125
481246068633 |
Těsnění dveří, manžeta pračky Whirlpool | 350 Kč
€ 14.40 |
||
| 191 1 WHR12662 |
C00312650
481249218028 |
spona TVO - vnitřní | 54 Kč
€ 2.20 |
||
| 191 2 WHR12662 |
C00318256
481953058059 |
spona TVO predni st. | Na dotaz | Zadat poptávku | |
| 200 0 WHR12662 |
C00311130
480111102191 |
Wash unit EUREKA/1400/50L | Na dotaz | Zadat poptávku | |
| 223 0 WHR12662 |
C00313239
481241848978 |
Drum lifter eureka 50lt | Na dotaz | Zadat poptávku | |
| 271 0 WHR12662 |
C00311752
481235818214 |
Belt eureka 50lt | Na dotaz | Zadat poptávku | |
| 272 0 WHR12662 |
C00314580
481252858044 |
Pulley Eureka/MR+HR | Na dotaz | Zadat poptávku | |
| 272 3 WHR12662 |
C00313276
481250218817 |
sroub remenice | Na dotaz | Zadat poptávku | |
| 301 0 WHR12662 |
C00426397
480111101984 |
Control panel + handle drawer | Na dotaz | Zadat poptávku | |
| 303 0 WHR12662 |
C00312520
481245217755 |
Handle drawer EBL WP25-CPL | Na dotaz | Zadat poptávku | |
| 331 0 WHR12662 |
C00310970
481241458306 |
Knoflík programátoru pro pračky Whirlpool / Bauknecht | 173 Kč
€ 7.10 |
||
| 331 3 WHR12662 |
C00311525
481241458307 |
Unašeč knoflíku programátoru pro pračky Whirlpool | 399 Kč
€ 16.40 |
||
| 332 0 WHR12662 |
C00316310
480111100365 |
Push button opt. BigWin | Na dotaz | Zadat poptávku | |
| 333 0 WHR12662 |
C00310977
481251318172 |
Dvoutlačítko pro pračky Whirlpool / Bauknecht | 260 Kč
€ 10.70 |
||
| 333 1 WHR12662 |
C00312048
481241029401 |
Tlačítko | 249 Kč
€ 10.20 |
||
| 400 0 WHR12662 |
C00313986
481236158509 |
Motor eureka 50lt | Na dotaz | Zadat poptávku | |
| 400 1 WHR12662 |
C00332143
481250218816 |
Screw P8x50 | Na dotaz | Zadat poptávku | |
| 409 0 WHR12662 |
C00311127
481236248004 |
Brush,carbon, Motor CESET | Na dotaz | Zadat poptávku | |
| 421 0 WHR12662 |
C00311350
481212118285 |
Filtr odrušovací 1 uF | 294 Kč
€ 12.10 |
||
| 430 0 WHR12662 |
C00310955
480111100786 |
Pump,draining | Na dotaz | Zadat poptávku | |
| 451 0 WHR12662 |
C00318278
481225928919 |
Heating element 2050W, 230V + NTC | Na dotaz | Zadat poptávku | |
| 480 0 WHR12662 |
C00313012
480111100719 |
Kabeláž Motor 7-pole DOMINO | 764 Kč
€ 31.40 |
||
| 490 0 WHR12662 |
C00316393
481932118136 |
Flexo kabel 2 m, konektory | Na dotaz | Zadat poptávku | |
| 491 0 WHR12662 |
C00309418
481232128367 |
Přechodka | 324 Kč
€ 13.30 |
||
| 491 1 WHR12662 |
C00318425
481250238152 |
Screw 4.8x19 | Na dotaz | Zadat poptávku | |
| 521 0 WHR12662 |
C00425417
480111100463 |
Control unit | Na dotaz | Zadat poptávku | |
| 521 0 WHR12662 |
C00426396
480111101983 |
Control unit DOMINO, programmed | Na dotaz | Zadat poptávku | |
| 571 0 WHR12662 |
C00311060
481227128558 |
Napouštěcí ventil pračky - dvoucestný, rohový | 222 Kč
€ 9.10 |
||
| 581 0 WHR12662 |
C00311217
481227128554 |
Hladinový spínač pro pračky Whirlpool / Ignis | 207 Kč
€ 8.50 |
||
| 620 0 WHR12662 |
C00314020
481223958075 |
Modul displeje pračky Whirlpool, Bauknecht | 3 050 Kč
€ 125.20 |
||
| 630 0 WHR12662 |
C00311250
481228058048 |
Door lock Rold DA069516 | Na dotaz | Zadat poptávku | |
| 653 0 WHR12662 |
C00318312
481213418046 |
svetlovod | 277 Kč
€ 11.40 |
||
| 653 1 WHR12662 |
C00314404
481213418047 |
kolik | 175 Kč
€ 7.20 |
||
| 653 2 WHR12662 |
C00320964
480111100366 |
Guide,light BigWin | Na dotaz | Zadat poptávku | |
| 653 3 WHR12662 |
C00319090
481213448362 |
svetlovod | 50 Kč
€ 2.10 |
||
| 691 0 WHR12662 |
C00313117
481228219485 |
senzor NTC | 882 Kč
€ 36.20 |
||
| 701 0 WHR12662 |
C00312612
481953028926 |
Hose inlet 2.5 m (Eltek) | Na dotaz | Zadat poptávku | |
| 701 0 WHR12662 |
C00332408
481253028781 |
HYDRO-SECURITY 4m 90# 10 BAR straight | Na dotaz | Zadat poptávku | |
| 701 1 WHR12662 |
C00316490
481946669704 |
tesneni + sitko | 173 Kč
€ 7.10 |
||
| 702 0 WHR12662 |
C00315519
481253029405 |
hadice od ventilu | 108 Kč
€ 4.40 |
||
| 707 1 WHR12662 |
C00330775
481246279955 |
Threaded cap for dispenser | Na dotaz | Zadat poptávku | |
| 707 5 WHR12662 |
C00332326
481252648035 |
Nozzle warm | Na dotaz | Zadat poptávku | |
| 708 1 WHR12662 |
C00313076
481253049392 |
Hadice násypka–vana pro pračky Whirlpool / Bauknecht | 535 Kč
€ 22.00 |
||
| 711 0 WHR12662 |
C00313206
480111101255 |
teleso nasypky | Na dotaz | Zadat poptávku | |
| 712 0 WHR12662 |
C00312664
481241868415 |
Drawer | Na dotaz | Zadat poptávku | |
| 713 0 WHR12662 |
C00312158
481241868382 |
Pojistka násypky | 305 Kč
€ 12.50 |
||
| 718 0 WHR12662 |
C00315768
481241889085 |
Vložka násypky | 295 Kč
€ 12.10 |
||
| 718 1 WHR12662 |
C00315499
481252648252 |
Vložka násypky | 90 Kč
€ 3.70 |
||
| 750 0 WHR12662 |
C00332502
481253048139 |
Expanzní nádoba pračky Whirlpool, Bauknecht | 141 Kč
€ 5.80 |
||
| 754 0 WHR12662 |
C00313144
481253029495 |
Hadice vana–čerpadlo pro pračky Whirlpool / Bauknecht | 639 Kč
€ 26.20 |
||
| 754 1 WHR12662 |
C00309391
481253028832 |
Kulička hadice mezi vanou a čerpadlem pračky Whirpool | 894 Kč
€ 36.70 |
||
| 760 0 WHR12662 |
C00312342
481248058385 |
Filtr čerpadla pračky Whirlpool / Indesit | 292 Kč
€ 12.00 |
||
| 781 0 WHR12662 |
C00311421
480111100272 |
Hadice výtoková Náhrada C00637045 |
Na dotaz | Zadat poptávku | |
| 782 0 WHR12662 |
C00312246
481253029497 |
Hadice k presostatu pro pračky Whirlpool / Ignis | 50 Kč
€ 2.10 |
||
| 783 1 WHR12662 |
C00332488
481253029473 |
hadice k nasypce | Na dotaz | Zadat poptávku | |
| 783 4 WHR12662 |
C00314522
481253029392 |
Hose pump/tank | Na dotaz | Zadat poptávku | |
| 794 2 WHR12662 |
C00318107
481240118549 |
Clamp hose | Na dotaz | Zadat poptávku | |
| 900 1 WHR12662 |
C00327322
481229088123 |
Bracket eureka | Na dotaz | Zadat poptávku | |
| 900 2 WHR12662 |
C00328881
481240118501 |
Svorka hadice 1 | 69 Kč
€ 2.80 |
||
| 900 3 WHR12662 |
C00328874
481240118446 |
Cable clamp | Na dotaz | Zadat poptávku | |
| 900 4 WHR12662 |
C00316612
481240118414 |
SPONA39,7 | 37 Kč
€ 1.50 |
||
| 900 5 WHR12662 |
C00309461
481940118529 |
Spona nádrž-čerpadlo | 105 Kč
€ 4.30 |
||
| 900 8 WHR12662 |
C00320945
480111100143 |
Holder hose right | Na dotaz | Zadat poptávku | |
| 900 9 WHR12662 |
C00327126
481225518286 |
Holder Hose outlet left | Na dotaz | Zadat poptávku | |
| 901 2 WHR12662 |
C00327313
481229088077 |
Cable clamp | Na dotaz | Zadat poptávku | |
| 910 1 WHR12662 |
C00332163
481250248344 |
Šroub | Na dotaz | Zadat poptávku | |
| 910 5 WHR12662 |
C00312157
481250218815 |
Šroub | 62 Kč
€ 2.50 |
||
| 930 0 WHR12662 |
C00345873
481249238421 |
Pružina nádrže | Na dotaz | Zadat poptávku | |
| 961 0 WHR12662 |
C00333324
481953268829 |
Vložka vymezovací | 305 Kč
€ 12.50 |
||
| 965 0 WHR12662 |
C00330912
481246668545 |
Záslepka otvoru po zajišťovacím šroubu bubnu pračky Whirlpool | 206 Kč
€ 8.50 |
||
| 993 0 WHR12662 |
C00316831
481953029028 |
Ohyb plastový/držák vypouštěcí hadice pračky | Na dotaz | Zadat poptávku | |
| 993 3 WHR12662 |
C00328868
481239558004 |
klic montazni | Na dotaz | Zadat poptávku | |
| 999 WHR12662 |
C00364608 | Testprogram WHP | Na dotaz | Zadat poptávku | |