WHIRLPOOL AWO/D 7740      WP
 
             
                 
                
    Zeptejte se. Rádi poradíme.
    
        
            
                
                     
              
        
        
            
    
    
             
            Marek Proche
                    
Zákaznická podpora
            
Po–Čt 8:00—17:00
                
Pá 8:00—15:00             
            
        
            
        poradna@servis-whirlpool.cz     
    
    
| Komerční kód: | AWO/D 7740 WP | 
| Kód 12NC/I.C. kód: | 859253461000 | 
| Značka: | WHIRLPOOL | 
| Typ produktu: | Pračky | 
| Další podobné modely: | 859253361000, 859253461005 | 
Potřebujete servis? Jsme tady pro Vás
Nabídka náhradních dílů
| Číslo | Kód | Název | Cena | ||
|---|---|---|---|---|---|
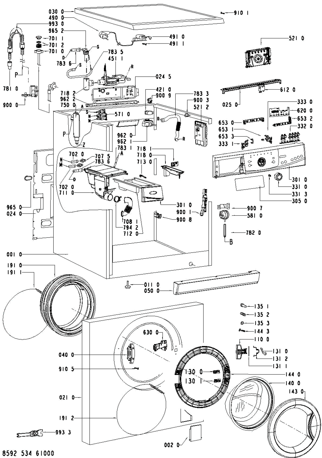
| 0010 WHR16675 | C00328092 481244011777 | Cabinet | Na dotaz | Zadat poptávku | |
| 0020 WHR16675 | C00316479 481244011131 | kryt filtru | Na dotaz | Zadat poptávku | |
| 0110 WHR16675 | C00330679 481246248421 | Adjust.foot | Na dotaz | Zadat poptávku | |
| 0210 WHR16675 | C00459143 481244011639 | PREDNY PANEL | Na dotaz | Zadat poptávku | |
| 0240 WHR16675 | C00316521 481244011544 | stena zadni | 1 472 Kč € 60.40 | ||
| 0245 WHR16675 | C00328085 481244011745 | Bracket MYST | Na dotaz | Zadat poptávku | |
| 0250 WHR16675 | C00316513 481244011472 | Support control board | Na dotaz | Zadat poptávku | |
| 0300 WHR16675 | C00328070 481244011661 | deska horni | Na dotaz | Zadat poptávku | |
| 0400 WHR16675 | C00312018 481241718787 | Hinge BK | Na dotaz | Zadat poptávku | |
| 0500 WHR16675 | C00313304 481244089097 | sokl pracky EBL | Na dotaz | Zadat poptávku | |
| 0610 WHR16675 | C00331527 481246688936 | Counter weight upper | Na dotaz | Zadat poptávku | |
| 0611 WHR16675 | C00331542 481246688981 | Counter weight bottom | Na dotaz | Zadat poptávku | |
| 0612 WHR16675 | C00320419 481231039135 | Mounting kit weight top | Na dotaz | Zadat poptávku | |
| 0810 WHR16675 | C00330906 481246648125 | Shock absorber | Na dotaz | Zadat poptávku | |
| 0840 WHR16675 | C00330907 481246658001 | drzak pruziny agreg. | Na dotaz | Zadat poptávku | |
| 0862 WHR16675 | C00314527 481240118412 | pojistka tlumice | 333 Kč € 13.70 | ||
| 1100 WHR16675 | C00314821 481249818361 | Handle door | Na dotaz | Zadat poptávku | |
| 1300 WHR16675 | C00318057 481241728047 | desticka uzaveru dv. | 27 Kč € 1.10 | ||
| 1301 WHR16675 | C00318073 481241728108 | podlozka | 380 Kč € 15.60 | ||
| 1310 WHR16675 | C00312433 481241728046 | Lock Door | Na dotaz | Zadat poptávku | |
| 1311 WHR16675 | C00312243 481241728045 | osa uzaveru dveri | 143 Kč € 5.90 | ||
| 1312 WHR16675 | C00312651 481249258022 | Pružina uzávěru dveří | 237 Kč € 9.70 | ||
| 1351 WHR16675 | C00317048 481249818262 | pojistka dveri | 227 Kč € 9.30 | ||
| 1352 WHR16675 | C00318221 481249258023 | Spring Door Safety | Na dotaz | Zadat poptávku | |
| 1353 WHR16675 | C00313732 481229068153 | drzak pojistky | Na dotaz | Zadat poptávku | |
| 1400 WHR16675 | C00311241 481245059812 | Sklo dveří | 2 067 Kč € 84.80 | ||
| 1430 WHR16675 | C00317155 481244011141 | Glassdoor frame | Na dotaz | Zadat poptávku | |
| 1440 WHR16675 | C00313481 481244011139 | Frame door glas | Na dotaz | Zadat poptávku | |
| 1443 WHR16675 | C00318393 481250218669 | sroub pojistka dv. | 267 Kč € 11.00 | ||
| 1910 WHR16675 | C00312668 481246068615 | Door bellow dark | Na dotaz | Zadat poptávku | |
| 1911 WHR16675 | C00313764 481249218017 | spona TVO - vnitřní | 149 Kč € 6.10 | ||
| 1912 WHR16675 | C00318256 481953058059 | spona TVO predni st. | Na dotaz | Zadat poptávku | |
| 2001 WHR16675 | C00318342 481241818716 | nadrz predni cast | Na dotaz | Zadat poptávku | |
| 2002 WHR16675 | C00314643 481241818717 | nadrz zadni cast | Na dotaz | Zadat poptávku | |
| 2004 WHR16675 | C00314317 481229088054 | Spona nádrže | 378 Kč € 15.50 | ||
| 2200 WHR16675 | C00311954 481241818682 | Drum 1400,8kg -frej | Na dotaz | Zadat poptávku | |
| 2710 WHR16675 | C00313729 481235818212 | Řemen 6 PJE 1264 pračky Whirlpool | 502 Kč € 20.60 | ||
| 2720 WHR16675 | C00317112 481252858043 | Pulley | Na dotaz | Zadat poptávku | |
| 2723 WHR16675 | C00314234 481250218794 | Screw pulley frejus | Na dotaz | Zadat poptávku | |
| 2920 WHR16675 | C00311501 481253058101 | těsnění bočnice | 694 Kč € 28.50 | ||
| 3010 WHR16675 | C00463063 481245311208 | Control panel + handle drawer | Na dotaz | Zadat poptávku | |
| 3050 WHR16675 | C00425202 480111100112 | Sticker language pack | Na dotaz | Zadat poptávku | |
| 3310 WHR16675 | C00310970 481241458306 | Knoflík programátoru , volič programu AWO/D , AWE , AWZ | 173 Kč € 7.10 | ||
| 3313 WHR16675 | C00311525 481241458307 | Unašeč knoflíku AWO/D | 399 Kč € 16.40 | ||
| 3320 WHR16675 | C00319911 481241029507 | tlacitko | Na dotaz | Zadat poptávku | |
| 3330 WHR16675 | C00310977 481251318172 | Tlačítko | 260 Kč € 10.70 | ||
| 3331 WHR16675 | C00312048 481241029401 | Tlačítko | 249 Kč € 10.20 | ||
| 4000 WHR16675 | C00315064 481236158502 | Motor ACC U126 G65 8kg 1400 | Na dotaz | Zadat poptávku | |
| 4001 WHR16675 | C00332114 481250218737 | Screw 8x38 | Na dotaz | Zadat poptávku | |
| 4090 WHR16675 | C00311255 481236248442 | Brush,carbon ACC sub 481281719419 | Na dotaz | Zadat poptávku | |
| 4210 WHR16675 | C00311350 481212118285 | Filtr odrušovací 1 uF | 294 Kč € 12.10 | ||
| 4300 WHR16675 | C00313238 481236018578 | Čerpadlo vypouštěcí pračky Whirlpool, Bauknecht | 1 332 Kč € 54.60 | ||
| 4510 WHR16675 | C00318278 481225928919 | Heating element 2050W, 230V + NTC | Na dotaz | Zadat poptávku | |
| 4511 WHR16675 | C00316400 481225998579 | Heating chamber STEAMER,MYST | Na dotaz | Zadat poptávku | |
| 4800 WHR16675 | C00312121 481232178351 | Cable DOMINO-MOT 7 | Na dotaz | Zadat poptávku | |
| 4900 WHR16675 | C00316393 481932118136 | Flexo kabel 2 m, konektory | Na dotaz | Zadat poptávku | |
| 4910 WHR16675 | C00309418 481232128367 | Přechodka | 324 Kč € 13.30 | ||
| 4911 WHR16675 | C00318425 481250238152 | Screw 4.8x19 | Na dotaz | Zadat poptávku | |
| 5210 WHR16675 | C00455564 481221470667 | Control unit | Na dotaz | Zadat poptávku | |
| 5210 WHR16675 | C00455769 481221470971 | Control unit DOMINO, programmed | Na dotaz | Zadat poptávku | |
| 5212 WHR16675 | C00318908 481221470538 | Control board STEAMER,MYST | Na dotaz | Zadat poptávku | |
| 5710 WHR16675 | C00311493 481227128592 | ventil triple | 1 078 Kč € 44.20 | ||
| 5810 WHR16675 | C00311861 481227128585 | Pressostat 50/25 INVENS. | Na dotaz | Zadat poptávku | |
| 6120 WHR16675 | C00320136 481203618931 | Relay MYST | Na dotaz | Zadat poptávku | |
| 6200 WHR16675 | C00314020 481223958075 | Modul displeje pračky Whirlpool, Bauknecht | 3 050 Kč € 125.10 | ||
| 6300 WHR16675 | C00311250 481228058048 | Door lock Rold DA069516 | Na dotaz | Zadat poptávku | |
| 6530 WHR16675 | C00318312 481213418046 | svetlovod | 277 Kč € 11.40 | ||
| 6531 WHR16675 | C00314404 481213418047 | kolik | 175 Kč € 7.20 | ||
| 6532 WHR16675 | C00326841 481213448376 | Light guide 6OPT-BIG WINDOW | Na dotaz | Zadat poptávku | |
| 6533 WHR16675 | C00319090 481213448362 | svetlovod | 50 Kč € 2.10 | ||
| 6910 WHR16675 | C00313117 481228219485 | senzor NTC | 857 Kč € 35.20 | ||
| 6911 WHR16675 | C00312100 481246688708 | tesneni NTC | Na dotaz | Zadat poptávku | |
| 7010 WHR16675 | C00314963 481953028848 | hadicenapousteci | Na dotaz | Zadat poptávku | |
| 7011 WHR16675 | C00316490 481946669704 | tesneni + sitko | 173 Kč € 7.10 | ||
| 7012 WHR16675 | C00332476 481253029456 | Hose inlet KIT ADAPTOR | Na dotaz | Zadat poptávku | |
| 7020 WHR16675 | C00315519 481253029405 | hadice od ventilu | 108 Kč € 4.40 | ||
| 7075 WHR16675 | C00332326 481252648035 | Nozzle warm | Na dotaz | Zadat poptávku | |
| 7081 WHR16675 | C00313009 481253048143 | hadice k násypce pračky Whirlpool uz nebude !!!! | Na dotaz | Zadat poptávku | |
| 7110 WHR16675 | C00317093 481241868435 | Dispenser | Na dotaz | Zadat poptávku | |
| 7120 WHR16675 | C00312664 481241868415 | Drawer | Na dotaz | Zadat poptávku | |
| 7130 WHR16675 | C00312158 481241868382 | Pojistka násypky | 305 Kč € 12.50 | ||
| 7180 WHR16675 | C00315768 481241889085 | Vložka násypky | 295 Kč € 12.10 | ||
| 7181 WHR16675 | C00315499 481252648252 | Vložka násypky | 90 Kč € 3.70 | ||
| 7182 WHR16675 | C00332670 481253248066 | Tank STEAMER, MYST | Na dotaz | Zadat poptávku | |
| 7500 WHR16675 | C00314658 481253049373 | Chamber,expand. long | Na dotaz | Zadat poptávku | |
| 7531 WHR16675 | C00312723 481941868234 | vzdusnik | Na dotaz | Zadat poptávku | |
| 7540 WHR16675 | C00312061 481253028826 | Hadice nádrž-čerpadlo | Na dotaz | Zadat poptávku | |
| 7541 WHR16675 | C00309391 481253028832 | Kulička hadice mezi vanou a čerpadlem pračky Whirpool | 894 Kč € 36.70 | ||
| 7542 WHR16675 | C00332452 481253029352 | Příruba eco AWT,AWO/D | 317 Kč € 13.00 | ||
| 7600 WHR16675 | C00312342 481248058385 | Filtr čerpadla Whirlpool AWO/D | 365 Kč € 15.00 | ||
| 7810 WHR16675 | C00314886 481253029355 | hadice | Na dotaz | Zadat poptávku | |
| 7820 WHR16675 | C00317136 481253028827 | Hose Pressostat | Na dotaz | Zadat poptávku | |
| 7831 WHR16675 | C00332488 481253029473 | hadice k nasypce | Na dotaz | Zadat poptávku | |
| 7833 WHR16675 | C00332494 481253029492 | Hose Steamer-Tub,MYST | Na dotaz | Zadat poptávku | |
| 7834 WHR16675 | C00314522 481253029392 | Hose pump/tank | Na dotaz | Zadat poptávku | |
| 7835 WHR16675 | C00332492 481253029489 | Hose exhaust | Na dotaz | Zadat poptávku | |
| 7836 WHR16675 | C00332493 481253029491 | Hose Siphon-Disp.MYST | Na dotaz | Zadat poptávku | |
| 7942 WHR16675 | C00318107 481240118549 | Clamp hose | Na dotaz | Zadat poptávku | |
| 7945 WHR16675 | C00319466 481253058098 | tesneni vzdusniku Náhrada 481010395017 | Na dotaz | Zadat poptávku | |
| 9000 WHR16675 | C00331035 481244138021 | Holder hose outlet | Na dotaz | Zadat poptávku | |
| 9001 WHR16675 | C00327315 481229088086 | Bracket | Na dotaz | Zadat poptávku | |
| 9003 WHR16675 | C00328874 481240118446 | Cable clamp | Na dotaz | Zadat poptávku | |
| 9004 WHR16675 | C00316612 481240118414 | SPONA39,7 | 37 Kč € 1.50 | ||
| 9005 WHR16675 | C00309461 481940118529 | Spona nádrž-čerpadlo | 105 Kč € 4.30 | ||
| 9006 WHR16675 | C00317960 481240118444 | Držák topení pračky Whirlpool, Ignis | Na dotaz | Zadat poptávku | |
| 9007 WHR16675 | C00327148 481225698031 | Holder pressostat | Na dotaz | Zadat poptávku | |
| 9008 WHR16675 | C00332928 481940118823 | SPONA | Na dotaz | Zadat poptávku | |
| 9009 WHR16675 | C00327126 481225518286 | Holder Hose outlet left | Na dotaz | Zadat poptávku | |
| 9101 WHR16675 | C00332163 481250248344 | Šroub | Na dotaz | Zadat poptávku | |
| 9105 WHR16675 | C00312157 481250218815 | Šroub | 62 Kč € 2.50 | ||
| 9300 WHR16675 | C00345871 481249238411 | Spring,suspens. D38 | Na dotaz | Zadat poptávku | |
| 9410 WHR16675 | C00332295 481252028186 | Ložisko 6208 SKF 2Z, 6208 2Z C3 | 963 Kč € 39.50 | ||
| 9411 WHR16675 | C00317100 481252028071 | Ložisko 6305 2Z C3 GJN (SKF) | 232 Kč € 9.50 | ||
| 9530 WHR16675 | C00332636 481253058177 | gufero 50x93x12,5/9 | 556 Kč € 22.80 | ||
| 9620 WHR16675 | C00330966 481246668929 | Cover shield Steamer, MYST | Na dotaz | Zadat poptávku | |
| 9621 WHR16675 | C00330967 481246668931 | Cover RFI,MYST | Na dotaz | Zadat poptávku | |
| 9622 WHR16675 | C00330969 481246668934 | Bracket | Na dotaz | Zadat poptávku | |
| 9650 WHR16675 | C00330912 481246668545 | Záslepka otvoru po zajišťovacím šroubu bubnu pračky Whirlpool | 206 Kč € 8.40 | ||
| 9652 WHR16675 | C00345866 481246818398 | Cap Syphon-MYST | Na dotaz | Zadat poptávku | |
| 9930 WHR16675 | C00316831 481953029028 | Ohyb plastový/držák vypouštěcí hadice pračky | Na dotaz | Zadat poptávku | |
| 9933 WHR16675 | C00328868 481239558004 | klic montazni | 64 Kč € 2.60 | ||
| 999 WHR16676 | C00364608 | Testprogram WHP | Na dotaz | Zadat poptávku | |