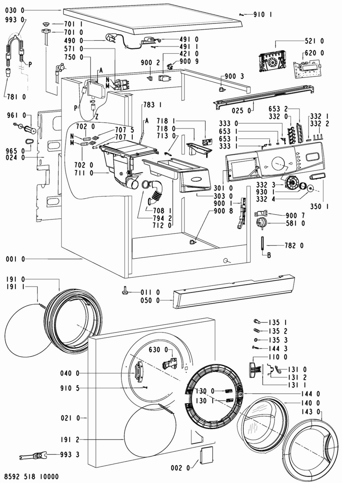
WHIRLPOOL AWO/D 8500 W
Zeptejte se. Rádi poradíme.
Marek Proche
Zákaznická podpora
Po–Čt 8:00—17:00
Pá 8:00—15:00
poradna@servis-whirlpool.cz
| Komerční kód: | AWO/D 8500 W |
| Kód 12NC/I.C. kód: | 859251810000 |
| Značka: | WHIRLPOOL |
| Typ produktu: | Pračky |
| Další podobné modely: | 859251810007, 859251810107, 859251810005, 859251810100, 859293663000, 859293663005 |
Potřebujete servis? Jsme tady pro Vás
Nabídka náhradních dílů
| Číslo | Kód | Název | Cena | ||
|---|---|---|---|---|---|
| 001 0 WHR16655 |
C00328039
481244011538 |
skrin | Na dotaz | Zadat poptávku | |
| 002 0 WHR16655 |
C00316479
481244011131 |
kryt filtru | Na dotaz | Zadat poptávku | |
| 004 0 WHR16655 |
C00497924
481244018993 |
ZBERAC AQUA DELTA | Na dotaz | Zadat poptávku | |
| 011 0 WHR16655 |
C00330679
481246248421 |
Adjust.foot | Na dotaz | Zadat poptávku | |
| 021 0 WHR16655 |
C00459143
481244011639 |
PREDNY PANEL | Na dotaz | Zadat poptávku | |
| 024 0 WHR16655 |
C00316521
481244011544 |
stena zadni | 1 472 Kč
€ 60.50 |
||
| 025 0 WHR16655 |
C00316513
481244011472 |
Support control board | Na dotaz | Zadat poptávku | |
| 030 0 WHR16655 |
C00328070
481244011661 |
deska horni | Na dotaz | Zadat poptávku | |
| 040 0 WHR16655 |
C00312018
481241718787 |
Závěs dveří pračky | 625 Kč
€ 25.70 |
||
| 050 0 WHR16655 |
C00313304
481244089097 |
sokl pracky EBL | Na dotaz | Zadat poptávku | |
| 061 0 WHR16655 |
C00331527
481246688936 |
Counter weight upper | Na dotaz | Zadat poptávku | |
| 061 1 WHR16655 |
C00331542
481246688981 |
Counter weight bottom | Na dotaz | Zadat poptávku | |
| 061 2 WHR16655 |
C00320419
481231039135 |
Mounting kit weight top | Na dotaz | Zadat poptávku | |
| 081 0 WHR16655 |
C00313104
481246648088 |
Tlumič třecí pro předem plněné pračky Whirlpool | 766 Kč
€ 31.50 |
||
| 084 0 WHR16655 |
C00330907
481246658001 |
drzak pruziny agreg. | Na dotaz | Zadat poptávku | |
| 086 2 WHR16655 |
C00314527
481240118412 |
pojistka tlumice | 333 Kč
€ 13.70 |
||
| 110 0 WHR16655 |
C00314821
481249818361 |
Handle door | Na dotaz | Zadat poptávku | |
| 130 0 WHR16655 |
C00318057
481241728047 |
desticka uzaveru dv. | 27 Kč
€ 1.10 |
||
| 130 1 WHR16655 |
C00329782
481241728048 |
Plate Doorlock LowerDoorlock Lower | Na dotaz | Zadat poptávku | |
| 131 0 WHR16655 |
C00312433
481241728046 |
Lock Door | Na dotaz | Zadat poptávku | |
| 131 1 WHR16655 |
C00312243
481241728045 |
osa uzaveru dveri | 143 Kč
€ 5.90 |
||
| 131 2 WHR16655 |
C00312651
481249258022 |
Pružina uzávěru dveří | 237 Kč
€ 9.70 |
||
| 135 1 WHR16655 |
C00317048
481249818262 |
pojistka dveri | 227 Kč
€ 9.30 |
||
| 135 2 WHR16655 |
C00318221
481249258023 |
Spring Door Safety | Na dotaz | Zadat poptávku | |
| 135 3 WHR16655 |
C00313732
481229068153 |
drzak pojistky | Na dotaz | Zadat poptávku | |
| 140 0 WHR16655 |
C00311241
481245059812 |
Sklo dveří | 2 067 Kč
€ 84.90 |
||
| 143 0 WHR16655 |
C00317155
481244011141 |
Glassdoor frame | Na dotaz | Zadat poptávku | |
| 144 0 WHR16655 |
C00313481
481244011139 |
Frame door glas | Na dotaz | Zadat poptávku | |
| 144 3 WHR16655 |
C00318393
481250218669 |
sroub pojistka dv. | 267 Kč
€ 11.00 |
||
| 191 0 WHR16655 |
C00312668
481246068615 |
Door bellow dark | Na dotaz | Zadat poptávku | |
| 191 1 WHR16655 |
C00313764
481249218017 |
spona TVO - vnitřní | 149 Kč
€ 6.10 |
||
| 191 2 WHR16655 |
C00318256
481953058059 |
spona TVO predni st. | Na dotaz | Zadat poptávku | |
| 200 1 WHR16655 |
C00313933
481241818626 |
Tub, half front 60L,8kg | Na dotaz | Zadat poptávku | |
| 200 2 WHR16655 |
C00311904
481241818627 |
Tub, half rear 60L-1000/1400 | Na dotaz | Zadat poptávku | |
| 200 4 WHR16655 |
C00314317
481229088054 |
Spona nádrže | 378 Kč
€ 15.50 |
||
| 220 0 WHR16655 |
C00312821
481241818628 |
Drum 1200,8kg-screw | Na dotaz | Zadat poptávku | |
| 271 0 WHR16655 |
C00311514
481935818152 |
Řemen PV 1248 J5 pračky Whirlpool | 145 Kč
€ 6.00 |
||
| 272 0 WHR16655 |
C00317112
481252858043 |
Pulley | Na dotaz | Zadat poptávku | |
| 272 3 WHR16655 |
C00314234
481250218794 |
Screw pulley frejus | Na dotaz | Zadat poptávku | |
| 292 0 WHR16655 |
C00311501
481253058101 |
těsnění bočnice | 694 Kč
€ 28.50 |
||
| 301 0 WHR16655 |
C00462627
481245310607 |
Control panel AWO/D 8500 | Na dotaz | Zadat poptávku | |
| 303 0 WHR16655 |
C00318086
481245310477 |
Čelo násypky pračky Whirlpool | Na dotaz | Zadat poptávku | |
| 332 0 WHR16655 |
C00329331
481241029526 |
tlacitko | Na dotaz | Zadat poptávku | |
| 332 1 WHR16655 |
C00319933
481241029542 |
tlacitko | Na dotaz | Zadat poptávku | |
| 332 2 WHR16655 |
C00318201
481249238414 |
pruzina tlacitka | Na dotaz | Zadat poptávku | |
| 332 3 WHR16655 |
C00464788
481251318182 |
Button assy | Na dotaz | Zadat poptávku | |
| 332 4 WHR16655 |
C00319929
481241029528 |
vlozka | Na dotaz | Zadat poptávku | |
| 333 0 WHR16655 |
C00319925
481241029525 |
tlačítko | Na dotaz | Zadat poptávku | |
| 333 1 WHR16655 |
C00319921
481241029524 |
tlačítko | Na dotaz | Zadat poptávku | |
| 350 1 WHR16655 |
C00330861
481246469316 |
rám | Na dotaz | Zadat poptávku | |
| 400 0 WHR16655 |
C00312140
481236158492 |
motor | Na dotaz | Zadat poptávku | |
| 400 1 WHR16655 |
C00332114
481250218737 |
Screw 8x38 | Na dotaz | Zadat poptávku | |
| 409 0 WHR16655 |
C00311255
481236248442 |
Brush,carbon ACC sub 481281719419 | Na dotaz | Zadat poptávku | |
| 421 0 WHR16655 |
C00311350
481212118285 |
Filtr odrušovací 1 uF | 294 Kč
€ 12.10 |
||
| 430 0 WHR16655 |
C00313238
481236018578 |
Čerpadlo vypouštěcí pračky Whirlpool, Bauknecht | 1 332 Kč
€ 54.70 |
||
| 451 0 WHR16655 |
C00318278
481225928919 |
Heating element 2050W, 230V + NTC | Na dotaz | Zadat poptávku | |
| 480 0 WHR16655 |
C00312121
481232178351 |
Cable DOMINO-MOT 7 | Na dotaz | Zadat poptávku | |
| 490 0 WHR16655 |
C00316393
481932118136 |
Flexo kabel 2 m, konektory | Na dotaz | Zadat poptávku | |
| 491 0 WHR16655 |
C00309418
481232128367 |
Přechodka | 324 Kč
€ 13.30 |
||
| 491 1 WHR16655 |
C00318425
481250238152 |
Screw 4.8x19 | Na dotaz | Zadat poptávku | |
| 521 0 WHR16655 |
C00326983
481221470285 |
Control unit | Na dotaz | Zadat poptávku | |
| 521 0 WHR16655 |
C00455401
481221470428 |
DOMINO PROGRAMATOR prg. | Na dotaz | Zadat poptávku | |
| 571 0 WHR16655 |
C00311060
481227128558 |
Napouštěcí ventil pračky - dvoucestný, rohový | 222 Kč
€ 9.10 |
||
| 581 0 WHR16655 |
C00311861
481227128585 |
Pressostat 50/25 INVENS. | Na dotaz | Zadat poptávku | |
| 620 0 WHR16655 |
C00314623
481223958077 |
Modul displeje pračky Whirlpool | 3 403 Kč
€ 139.80 |
||
| 630 0 WHR16655 |
C00311250
481228058048 |
Door lock Rold DA069516 | Na dotaz | Zadat poptávku | |
| 631 0 WHR16655 |
C00317471
481227138358 |
mikrospinac plovaku | 745 Kč
€ 30.60 |
||
| 631 1 WHR16655 |
C00315271
481236058112 |
Plovák hladinového spínače pračky Whirlpool, Bauknecht | 186 Kč
€ 7.60 |
||
| 653 1 WHR16655 |
C00316219
481213448377 |
svetlovod | Na dotaz | Zadat poptávku | |
| 653 2 WHR16655 |
C00326844
481213448381 |
svetlovod | Na dotaz | Zadat poptávku | |
| 691 0 WHR16655 |
C00313117
481228219485 |
senzor NTC | 857 Kč
€ 35.20 |
||
| 701 0 WHR16655 |
C00314963
481953028848 |
hadicenapousteci | Na dotaz | Zadat poptávku | |
| 701 1 WHR16655 |
C00316490
481946669704 |
tesneni + sitko | 173 Kč
€ 7.10 |
||
| 702 0 WHR16655 |
C00315519
481253029405 |
hadice od ventilu | 108 Kč
€ 4.40 |
||
| 707 1 WHR16655 |
C00330775
481246279955 |
Threaded cap for dispenser | Na dotaz | Zadat poptávku | |
| 707 5 WHR16655 |
C00332326
481252648035 |
Nozzle warm | Na dotaz | Zadat poptávku | |
| 708 1 WHR16655 |
C00313009
481253048143 |
hadice k násypce pračky Whirlpool uz nebude !!!! | Na dotaz | Zadat poptávku | |
| 711 0 WHR16655 |
C00317087
481241868416 |
teleso nasypky | Na dotaz | Zadat poptávku | |
| 712 0 WHR16655 |
C00312664
481241868415 |
Drawer | Na dotaz | Zadat poptávku | |
| 713 0 WHR16655 |
C00312158
481241868382 |
Pojistka násypky | 305 Kč
€ 12.50 |
||
| 718 0 WHR16655 |
C00315768
481241889085 |
Vložka násypky | 295 Kč
€ 12.10 |
||
| 718 1 WHR16655 |
C00315499
481252648252 |
Vložka násypky | 90 Kč
€ 3.70 |
||
| 750 0 WHR16655 |
C00332561
481253049095 |
komora expanzni | Na dotaz | Zadat poptávku | |
| 753 1 WHR16655 |
C00312723
481941868234 |
vzdusnik | Na dotaz | Zadat poptávku | |
| 754 0 WHR16655 |
C00312061
481253028826 |
Hadice nádrž-čerpadlo | Na dotaz | Zadat poptávku | |
| 754 1 WHR16655 |
C00309391
481253028832 |
Kulička hadice mezi vanou a čerpadlem pračky Whirpool | 894 Kč
€ 36.70 |
||
| 754 2 WHR16655 |
C00332452
481253029352 |
Příruba eco AWT,AWO/D | 317 Kč
€ 13.00 |
||
| 760 0 WHR16655 |
C00312342
481248058385 |
Filtr čerpadla Whirlpool AWO/D | 365 Kč
€ 15.00 |
||
| 781 0 WHR16655 |
C00314886
481253029355 |
hadice | Na dotaz | Zadat poptávku | |
| 782 0 WHR16655 |
C00317136
481253028827 |
Hose Pressostat | Na dotaz | Zadat poptávku | |
| 783 1 WHR16655 |
C00332488
481253029473 |
hadice k nasypce | Na dotaz | Zadat poptávku | |
| 783 4 WHR16655 |
C00314522
481253029392 |
Hose pump/tank | Na dotaz | Zadat poptávku | |
| 794 2 WHR16655 |
C00318107
481240118549 |
Clamp hose | Na dotaz | Zadat poptávku | |
| 794 5 WHR16655 |
C00319466
481253058098 |
tesneni vzdusniku Náhrada 481010395017 |
Na dotaz | Zadat poptávku | |
| 900 1 WHR16655 |
C00327315
481229088086 |
Bracket | Na dotaz | Zadat poptávku | |
| 900 2 WHR16655 |
C00327313
481229088077 |
Cable clamp | Na dotaz | Zadat poptávku | |
| 900 3 WHR16655 |
C00328874
481240118446 |
Cable clamp | Na dotaz | Zadat poptávku | |
| 900 4 WHR16655 |
C00316612
481240118414 |
SPONA39,7 | 37 Kč
€ 1.50 |
||
| 900 5 WHR16655 |
C00309461
481940118529 |
Spona nádrž-čerpadlo | 105 Kč
€ 4.30 |
||
| 900 6 WHR16655 |
C00317960
481240118444 |
Držák topení pračky Whirlpool, Ignis | Na dotaz | Zadat poptávku | |
| 900 7 WHR16655 |
C00327148
481225698031 |
Holder pressostat | Na dotaz | Zadat poptávku | |
| 900 8 WHR16655 |
C00332928
481940118823 |
SPONA | Na dotaz | Zadat poptávku | |
| 900 9 WHR16655 |
C00327126
481225518286 |
Holder Hose outlet left | Na dotaz | Zadat poptávku | |
| 910 1 WHR16655 |
C00332163
481250248344 |
Šroub | Na dotaz | Zadat poptávku | |
| 910 5 WHR16655 |
C00332781
481290308014 |
sroub M5x16 H | Na dotaz | Zadat poptávku | |
| 930 0 WHR16655 |
C00345871
481249238411 |
Spring,suspens. D38 | Na dotaz | Zadat poptávku | |
| 930 1 WHR16655 |
C00315030
481249228222 |
Pružina tlačítka | Na dotaz | Zadat poptávku | |
| 941 0 WHR16655 |
C00332295
481252028186 |
Ložisko 6208 SKF 2Z, 6208 2Z C3 | 963 Kč
€ 39.60 |
||
| 941 1 WHR16655 |
C00317100
481252028071 |
Ložisko 6305 2Z C3 GJN (SKF) | 232 Kč
€ 9.50 |
||
| 953 0 WHR16655 |
C00332636
481253058177 |
gufero 50x93x12,5/9 | 556 Kč
€ 22.80 |
||
| 961 0 WHR16655 |
C00332682
481253268158 |
Spacer | Na dotaz | Zadat poptávku | |
| 965 0 WHR16655 |
C00330912
481246668545 |
Záslepka otvoru po zajišťovacím šroubu bubnu pračky Whirlpool | 206 Kč
€ 8.50 |
||
| 993 0 WHR16655 |
C00316831
481953029028 |
Ohyb plastový/držák vypouštěcí hadice pračky | Na dotaz | Zadat poptávku | |
| 993 3 WHR16655 |
C00328868
481239558004 |
klic montazni | Na dotaz | Zadat poptávku | |
| 999 WHR16655 |
C00353173 | Testprogram WHP | Na dotaz | Zadat poptávku | |