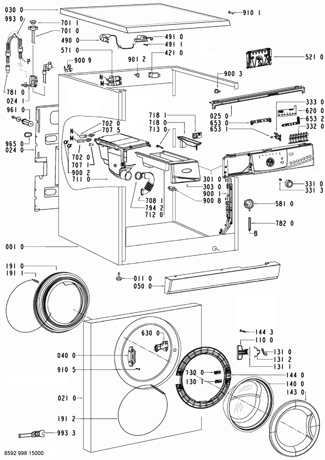
WHIRLPOOL AWOD 7121
Zeptejte se. Rádi poradíme.
Marek Proche
Zákaznická podpora
Po–Čt 8:00—17:00
Pá 8:00—15:00
poradna@servis-whirlpool.cz
| Komerční kód: | AWOD 7121 |
| Kód 12NC/I.C. kód: | 859299815000 |
| Značka: | WHIRLPOOL |
| Typ produktu: | Pračky |
| Další podobné modely: | Q0915260000 |
Potřebujete servis? Jsme tady pro Vás
Nabídka náhradních dílů
| Číslo | Kód | Název | Cena | ||
|---|---|---|---|---|---|
| 001 0 WHR14084 |
C00320962
480111100352 |
Cabinet | Na dotaz | Zadat poptávku | |
| 011 0 WHR14084 |
C00330679
481246248421 |
Adjust.foot | Na dotaz | Zadat poptávku | |
| 021 0 WHR14084 |
C00311725
481244011564 |
stena predni | 2 720 Kč
€ 111.80 |
||
| 024 0 WHR14084 |
C00316521
481244011544 |
stena zadni | 1 472 Kč
€ 60.50 |
||
| 024 1 WHR14084 |
C00331035
481244138021 |
Holder hose outlet | Na dotaz | Zadat poptávku | |
| 025 0 WHR14084 |
C00316513
481244011472 |
Support control board | Na dotaz | Zadat poptávku | |
| 030 0 WHR14084 |
C00317161
481244011473 |
deska horni GW | Na dotaz | Zadat poptávku | |
| 040 0 WHR14084 |
C00312018
481241718787 |
Závěs dveří pračky | 625 Kč
€ 25.70 |
||
| 050 0 WHR14084 |
C00312706
481244010779 |
sokl pracky GW | Na dotaz | Zadat poptávku | |
| 061 0 WHR14084 |
C00313390
481246689017 |
Counter weight upper, Eureka 50-54l | Na dotaz | Zadat poptávku | |
| 061 1 WHR14084 |
C00312927
481246689018 |
Counter weight front, bottom, Eureka 50l | Na dotaz | Zadat poptávku | |
| 061 2 WHR14084 |
C00312077
481231039249 |
sroub+podlozka | 81 Kč
€ 3.30 |
||
| 081 0 WHR14084 |
C00313078
480111102361 |
Tlumič pračky Whirlpool FSCR | 432 Kč
€ 17.70 |
||
| 084 0 WHR14084 |
C00330907
481246658001 |
drzak pruziny agreg. | Na dotaz | Zadat poptávku | |
| 110 0 WHR14084 |
C00314821
481249818361 |
Handle door | Na dotaz | Zadat poptávku | |
| 130 0 WHR14084 |
C00318057
481241728047 |
desticka uzaveru dv. | 27 Kč
€ 1.10 |
||
| 130 1 WHR14084 |
C00318073
481241728108 |
podlozka | 380 Kč
€ 15.60 |
||
| 131 0 WHR14084 |
C00312433
481241728046 |
Lock Door | Na dotaz | Zadat poptávku | |
| 131 1 WHR14084 |
C00312243
481241728045 |
osa uzaveru dveri | 143 Kč
€ 5.90 |
||
| 131 2 WHR14084 |
C00312651
481249258022 |
Pružina uzávěru dveří | 237 Kč
€ 9.70 |
||
| 140 0 WHR14084 |
C00311241
481245059812 |
Sklo dveří | 2 067 Kč
€ 84.90 |
||
| 143 0 WHR14084 |
C00317155
481244011141 |
Glassdoor frame | Na dotaz | Zadat poptávku | |
| 144 0 WHR14084 |
C00313481
481244011139 |
Frame door glas | Na dotaz | Zadat poptávku | |
| 144 3 WHR14084 |
C00318393
481250218669 |
sroub pojistka dv. | 267 Kč
€ 11.00 |
||
| 191 0 WHR14084 |
C00311125
481246068633 |
Těsnění dveří, manžeta pračky Whirlpool | 350 Kč
€ 14.40 |
||
| 191 1 WHR14084 |
C00312650
481249218028 |
spona TVO - vnitřní | 54 Kč
€ 2.20 |
||
| 191 2 WHR14084 |
C00311875
481249298011 |
spona TVO - přední stěna | 111 Kč
€ 4.60 |
||
| 200 0 WHR14084 |
C00311130
480111102191 |
Wash unit EUREKA/1400/50L | Na dotaz | Zadat poptávku | |
| 223 0 WHR14084 |
C00311026
480111104174 |
Žebro bubnu předem plněné pračky (50l) Whirlpool | 265 Kč
€ 10.90 |
||
| 271 0 WHR14084 |
C00310973
481235818215 |
Řemen 5 PJE 1239 pračky Whirlpool | 146 Kč
€ 6.00 |
||
| 272 0 WHR14084 |
C00311999
480111102563 |
Řemenice bubnu | 1 090 Kč
€ 44.80 |
||
| 272 3 WHR14084 |
C00313276
481250218817 |
sroub remenice | Na dotaz | Zadat poptávku | |
| 301 0 WHR14084 |
C00321154
480111104376 |
Control panel + handle drawer | Na dotaz | Zadat poptávku | |
| 303 0 WHR14084 |
C00312520
481245217755 |
Handle drawer EBL WP25-CPL | Na dotaz | Zadat poptávku | |
| 331 0 WHR14084 |
C00310970
481241458306 |
Knoflík programátoru , volič programu AWO/D , AWE , AWZ | 173 Kč
€ 7.10 |
||
| 331 3 WHR14084 |
C00311525
481241458307 |
Unašeč knoflíku AWO/D | 399 Kč
€ 16.40 |
||
| 332 0 WHR14084 |
C00313780
481251318174 |
tlacitko-sada | 535 Kč
€ 22.00 |
||
| 333 0 WHR14084 |
C00310977
481251318172 |
Tlačítko | 260 Kč
€ 10.70 |
||
| 400 0 WHR14084 |
C00311638
480111102595 |
motor | 3 798 Kč
€ 156.00 |
||
| 400 1 WHR14084 |
C00332143
481250218816 |
Screw P8x50 | Na dotaz | Zadat poptávku | |
| 409 0 WHR14084 |
C00311127
481236248004 |
Brush,carbon, Motor CESET | Na dotaz | Zadat poptávku | |
| 421 0 WHR14084 |
C00311350
481212118285 |
Filtr odrušovací 1 uF | 294 Kč
€ 12.10 |
||
| 430 0 WHR14084 |
C00310955
480111100786 |
Pump,draining | Na dotaz | Zadat poptávku | |
| 451 0 WHR14084 |
C00311143
481225928823 |
Heating element 240 V + NTC | Na dotaz | Zadat poptávku | |
| 480 0 WHR14084 |
C00313012
480111100719 |
Kabeláž Motor 7-pole DOMINO | 764 Kč
€ 31.40 |
||
| 490 0 WHR14084 |
C00311996
481232118264 |
Connect.cable UK | Na dotaz | Zadat poptávku | |
| 491 0 WHR14084 |
C00309418
481232128367 |
Přechodka | 324 Kč
€ 13.30 |
||
| 491 1 WHR14084 |
C00318425
481250238152 |
Screw 4.8x19 | Na dotaz | Zadat poptávku | |
| 521 0 WHR14084 |
C00313023
480111102879 |
Control unit Domino, C1,tf,hf, basic | Na dotaz | Zadat poptávku | |
| 521 0 WHR14084 |
C00313545
480111104375 |
Control unit DOMINO, programmed | Na dotaz | Zadat poptávku | |
| 571 0 WHR14084 |
C00311060
481227128558 |
Napouštěcí ventil pračky - dvoucestný, rohový | 222 Kč
€ 9.10 |
||
| 581 0 WHR14084 |
C00311217
481227128554 |
Presostat pračky | 207 Kč
€ 8.50 |
||
| 620 0 WHR14084 |
C00312517
481223958061 |
jednotka ovladaci | 3 050 Kč
€ 125.30 |
||
| 630 0 WHR14084 |
C00311250
481228058048 |
Door lock Rold DA069516 | Na dotaz | Zadat poptávku | |
| 653 0 WHR14084 |
C00318312
481213418046 |
svetlovod | 277 Kč
€ 11.40 |
||
| 653 1 WHR14084 |
C00314404
481213418047 |
kolik | 175 Kč
€ 7.20 |
||
| 653 2 WHR14084 |
C00326840
481213448364 |
Guide,light 7 Opt. | Na dotaz | Zadat poptávku | |
| 691 0 WHR14084 |
C00313117
481228219485 |
senzor NTC | 857 Kč
€ 35.20 |
||
| 701 0 WHR14084 |
C00309500
481953028928 |
hadice napousteci | Na dotaz | Zadat poptávku | |
| 701 1 WHR14084 |
C00316490
481946669704 |
tesneni + sitko | 173 Kč
€ 7.10 |
||
| 702 0 WHR14084 |
C00315519
481253029405 |
hadice od ventilu | 108 Kč
€ 4.40 |
||
| 707 1 WHR14084 |
C00330775
481246279955 |
Threaded cap for dispenser | Na dotaz | Zadat poptávku | |
| 707 5 WHR14084 |
C00327352
481231019102 |
Tryska násypky pračky | 303 Kč
€ 12.40 |
||
| 708 1 WHR14084 |
C00313076
481253049392 |
Hadice násypka-nádrž pračky Whirlpool | 535 Kč
€ 22.00 |
||
| 711 0 WHR14084 |
C00311070
481241868391 |
teleso nasypky | 1 697 Kč
€ 69.70 |
||
| 712 0 WHR14084 |
C00313225
481241868389 |
Zásuvka násypky | Na dotaz | Zadat poptávku | |
| 713 0 WHR14084 |
C00312158
481241868382 |
Pojistka násypky | 305 Kč
€ 12.50 |
||
| 718 0 WHR14084 |
C00312808
481252648226 |
Dávkovač aviváže | Na dotaz | Zadat poptávku | |
| 718 1 WHR14084 |
C00314043
481241889066 |
separator do nasypky | 401 Kč
€ 16.50 |
||
| 754 0 WHR14084 |
C00313144
481253029495 |
Hadice čerpadlo - nádrž pračky Whirlpool | 639 Kč
€ 26.30 |
||
| 754 1 WHR14084 |
C00309391
481253028832 |
Kulička hadice mezi vanou a čerpadlem pračky Whirpool | 894 Kč
€ 36.70 |
||
| 760 0 WHR14084 |
C00312342
481248058385 |
Filtr čerpadla Whirlpool AWO/D | 365 Kč
€ 15.00 |
||
| 781 0 WHR14084 |
C00311421
480111100272 |
Hadice výtoková Náhrada C00637045 |
Na dotaz | Zadat poptávku | |
| 782 0 WHR14084 |
C00312246
481253029497 |
Hadice k presostatu pračky Whirlpool | 50 Kč
€ 2.10 |
||
| 794 2 WHR14084 |
C00318107
481240118549 |
Clamp hose | Na dotaz | Zadat poptávku | |
| 900 1 WHR14084 |
C00327322
481229088123 |
Bracket eureka | Na dotaz | Zadat poptávku | |
| 900 2 WHR14084 |
C00328881
481240118501 |
Svorka hadice 1 | 87 Kč
€ 3.60 |
||
| 900 3 WHR14084 |
C00328874
481240118446 |
Cable clamp | Na dotaz | Zadat poptávku | |
| 900 4 WHR14084 |
C00316612
481240118414 |
SPONA39,7 | 37 Kč
€ 1.50 |
||
| 900 5 WHR14084 |
C00309461
481940118529 |
Spona nádrž-čerpadlo | 105 Kč
€ 4.30 |
||
| 900 8 WHR14084 |
C00320945
480111100143 |
Holder hose right | Na dotaz | Zadat poptávku | |
| 900 9 WHR14084 |
C00327126
481225518286 |
Holder Hose outlet left | Na dotaz | Zadat poptávku | |
| 901 2 WHR14084 |
C00327313
481229088077 |
Cable clamp | Na dotaz | Zadat poptávku | |
| 910 1 WHR14084 |
C00332163
481250248344 |
Šroub | Na dotaz | Zadat poptávku | |
| 910 5 WHR14084 |
C00312157
481250218815 |
Šroub | 62 Kč
€ 2.50 |
||
| 930 0 WHR14084 |
C00345873
481249238421 |
Pružina nádrže | Na dotaz | Zadat poptávku | |
| 961 0 WHR14084 |
C00333324
481953268829 |
Vložka vymezovací | 305 Kč
€ 12.50 |
||
| 965 0 WHR14084 |
C00330912
481246668545 |
Záslepka otvoru po zajišťovacím šroubu bubnu pračky Whirlpool | 206 Kč
€ 8.50 |
||
| 993 0 WHR14084 |
C00316831
481953029028 |
Ohyb plastový/držák vypouštěcí hadice pračky | Na dotaz | Zadat poptávku | |
| 993 3 WHR14084 |
C00328868
481239558004 |
klic montazni | Na dotaz | Zadat poptávku | |
| 999 WHR14084 |
C00364608 | Testprogram WHP | Na dotaz | Zadat poptávku | |