WHIRLPOOL AWO/D 5556
 
             
                 
                
    Zeptejte se. Rádi poradíme.
    
        
            
                
                     
              
        
        
            
    
    
             
            Marek Proche
                    
Zákaznická podpora
            
Po–Čt 8:00—17:00
                
Pá 8:00—15:00             
            
        
            
        poradna@servis-whirlpool.cz     
    
    
| Komerční kód: | AWO/D 5556 | 
| Kód 12NC: | 859297115000 | 
| I.C. kód: | Q0915040000 | 
| Značka: | WHIRLPOOL | 
| Typ produktu: | Pračky | 
| Další podobné modely: | 859233615200, Q0914490000, 859233615204, Q0914490004, 859235815000, Q0914690000, 859235815004, Q0914690004, 859235815008, Q0914690008, 859297115000, 859297115005, Q0915040005 | 
Potřebujete servis? Jsme tady pro Vás
Nabídka náhradních dílů
| Číslo | Kód | Název | Cena | ||
|---|---|---|---|---|---|
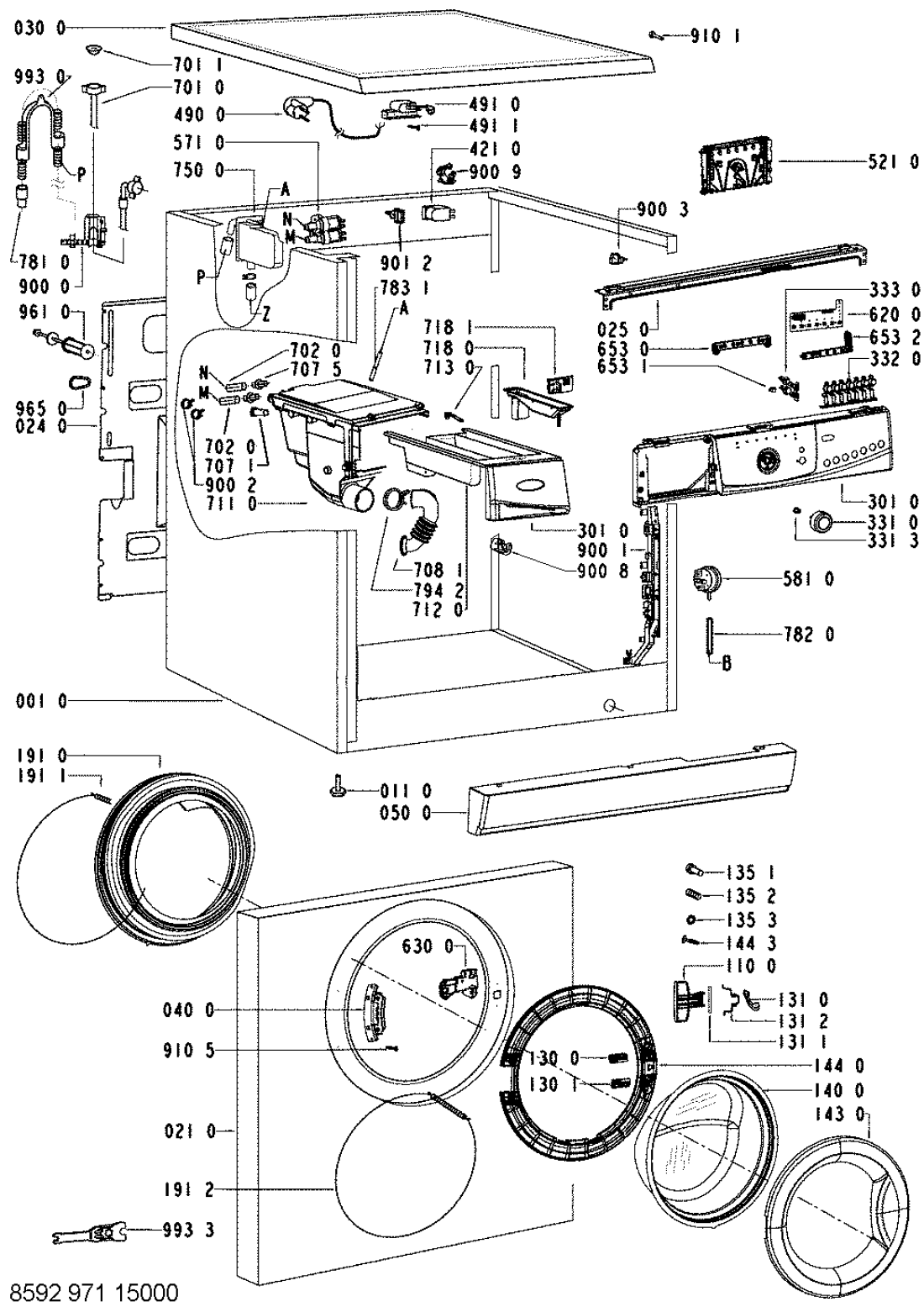
| 001 0 WHR04286 | C00328039 481244011538 | skrin | Na dotaz | Zadat poptávku | |
| 011 0 WHR04286 | C00330679 481246248421 | Adjust.foot | Na dotaz | Zadat poptávku | |
| 021 0 WHR04286 | C00311725 481244011564 | stena predni | 2 720 Kč € 111.60 | ||
| 024 0 WHR04286 | C00316521 481244011544 | stena zadni | 1 472 Kč € 60.40 | ||
| 025 0 WHR04286 | C00316513 481244011472 | Support control board | Na dotaz | Zadat poptávku | |
| 030 0 WHR04286 | C00317161 481244011473 | deska horni GW | Na dotaz | Zadat poptávku | |
| 040 0 WHR04286 | C00312018 481241718787 | Hinge BK | Na dotaz | Zadat poptávku | |
| 050 0 WHR04286 | C00312706 481244010779 | sokl pracky GW | Na dotaz | Zadat poptávku | |
| 061 0 WHR04286 | C00313390 481246689017 | Counter weight upper, Eureka 50-54l | Na dotaz | Zadat poptávku | |
| 061 1 WHR04286 | C00312927 481246689018 | Counter weight front, bottom, Eureka 50l | Na dotaz | Zadat poptávku | |
| 061 2 WHR04286 | C00312077 481231039249 | sroub+podlozka | 81 Kč € 3.30 | ||
| 081 0 WHR04286 | C00313104 481246648088 | Tlumič třecí pro předem plněné pračky Whirlpool | 766 Kč € 31.40 | ||
| 084 0 WHR04286 | C00330907 481246658001 | drzak pruziny agreg. | Na dotaz | Zadat poptávku | |
| 086 0 WHR04286 | C00314609 481240118894 | Fixation eureka | Na dotaz | Zadat poptávku | |
| 086 2 WHR04286 | C00314527 481240118412 | pojistka tlumice | 333 Kč € 13.70 | ||
| 110 0 WHR04286 | C00314821 481249818361 | Handle door | Na dotaz | Zadat poptávku | |
| 130 0 WHR04286 | C00318057 481241728047 | desticka uzaveru dv. | 27 Kč € 1.10 | ||
| 130 1 WHR04286 | C00318073 481241728108 | podlozka | 380 Kč € 15.60 | ||
| 131 0 WHR04286 | C00312433 481241728046 | Lock Door | Na dotaz | Zadat poptávku | |
| 131 1 WHR04286 | C00312243 481241728045 | osa uzaveru dveri | 143 Kč € 5.90 | ||
| 131 2 WHR04286 | C00312651 481249258022 | Pružina uzávěru dveří | 237 Kč € 9.70 | ||
| 135 1 WHR04286 | C00317048 481249818262 | pojistka dveri | 227 Kč € 9.30 | ||
| 135 2 WHR04286 | C00318221 481249258023 | Spring Door Safety | Na dotaz | Zadat poptávku | |
| 135 3 WHR04286 | C00313732 481229068153 | drzak pojistky | Na dotaz | Zadat poptávku | |
| 140 0 WHR04286 | C00311241 481245059812 | Sklo dveří | 2 067 Kč € 84.80 | ||
| 143 0 WHR04286 | C00317155 481244011141 | Glassdoor frame | Na dotaz | Zadat poptávku | |
| 144 0 WHR04286 | C00313481 481244011139 | Frame door glas | Na dotaz | Zadat poptávku | |
| 144 3 WHR04286 | C00318393 481250218669 | sroub pojistka dv. | 267 Kč € 11.00 | ||
| 191 0 WHR04286 | C00311125 481246068633 | Těsnění dveří, manžeta pračky Whirlpool | 350 Kč € 14.40 | ||
| 191 1 WHR04286 | C00312650 481249218028 | spona TVO - vnitřní | 54 Kč € 2.20 | ||
| 191 2 WHR04286 | C00318256 481953058059 | spona TVO predni st. | Na dotaz | Zadat poptávku | |
| 200 0 WHR04286 | C00311871 481241818727 | Washing unit Eureka | Na dotaz | Zadat poptávku | |
| 223 0 WHR04286 | C00313239 481241848978 | Drum lifter eureka 50lt | Na dotaz | Zadat poptávku | |
| 271 0 WHR04286 | C00311752 481235818214 | Belt eureka 50lt | Na dotaz | Zadat poptávku | |
| 272 0 WHR04286 | C00314580 481252858044 | Pulley Eureka/MR+HR | Na dotaz | Zadat poptávku | |
| 272 3 WHR04286 | C00313276 481250218817 | sroub remenice | Na dotaz | Zadat poptávku | |
| 301 0 WHR04286 | C00320973 480111100652 | Control panel + handle drawer | Na dotaz | Zadat poptávku | |
| 331 0 WHR04286 | C00310970 481241458306 | Knoflík programátoru , volič programu AWO/D , AWE , AWZ | 173 Kč € 7.10 | ||
| 331 3 WHR04286 | C00311525 481241458307 | Unašeč knoflíku AWO/D | 399 Kč € 16.40 | ||
| 332 0 WHR04286 | C00313780 481251318174 | tlacitko-sada | 535 Kč € 21.90 | ||
| 333 0 WHR04286 | C00310977 481251318172 | Tlačítko | 260 Kč € 10.70 | ||
| 400 0 WHR04286 | C00313986 481236158509 | Motor eureka 50lt | Na dotaz | Zadat poptávku | |
| 400 1 WHR04286 | C00332143 481250218816 | Screw P8x50 | Na dotaz | Zadat poptávku | |
| 409 0 WHR04286 | C00311127 481236248004 | Brush,carbon, Motor CESET | Na dotaz | Zadat poptávku | |
| 421 0 WHR04286 | C00311350 481212118285 | Filtr odrušovací 1 uF | 294 Kč € 12.10 | ||
| 430 0 WHR04286 | C00313045 481236018559 | Pump | Na dotaz | Zadat poptávku | |
| 451 0 WHR04286 | C00311143 481225928823 | Heating element 240 V + NTC | Na dotaz | Zadat poptávku | |
| 480 0 WHR04286 | C00313012 480111100719 | Kabeláž Motor 7-pole DOMINO | 764 Kč € 31.30 | ||
| 490 0 WHR04286 | C00311996 481232118264 | Connect.cable UK | Na dotaz | Zadat poptávku | |
| 491 0 WHR04286 | C00313305 488000313305 | Strain relief | Na dotaz | Zadat poptávku | |
| 491 1 WHR04286 | C00318425 481250238152 | Screw 4.8x19 | Na dotaz | Zadat poptávku | |
| 521 0 WHR04286 | C00313214 481221470725 | Control unit DOMINO,C1W-basic | Na dotaz | Zadat poptávku | |
| 521 0 WHR04286 | C00318157 480111100126 | Control unit DOMINO, programmed | Na dotaz | Zadat poptávku | |
| 571 0 WHR04286 | C00311060 481227128558 | Napouštěcí ventil pračky - dvoucestný, rohový | 222 Kč € 9.10 | ||
| 581 0 WHR04286 | C00311861 481227128585 | Pressostat 50/25 INVENS. | Na dotaz | Zadat poptávku | |
| 620 0 WHR04286 | C00312517 481223958061 | jednotka ovladaci | 3 050 Kč € 125.10 | ||
| 630 0 WHR04286 | C00311250 481228058048 | Door lock Rold DA069516 | Na dotaz | Zadat poptávku | |
| 653 0 WHR04286 | C00318312 481213418046 | svetlovod | 277 Kč € 11.40 | ||
| 653 1 WHR04286 | C00314404 481213418047 | kolik | 175 Kč € 7.20 | ||
| 653 2 WHR04286 | C00326840 481213448364 | Guide,light 7 Opt. | Na dotaz | Zadat poptávku | |
| 691 0 WHR04286 | C00313117 481228219485 | senzor NTC | 857 Kč € 35.20 | ||
| 701 0 WHR04286 | C00314963 481953028848 | hadicenapousteci | Na dotaz | Zadat poptávku | |
| 701 1 WHR04286 | C00316490 481946669704 | tesneni + sitko | 173 Kč € 7.10 | ||
| 702 0 WHR04286 | C00315519 481253029405 | hadice od ventilu | 108 Kč € 4.40 | ||
| 707 1 WHR04286 | C00330775 481246279955 | Threaded cap for dispenser | Na dotaz | Zadat poptávku | |
| 707 5 WHR04286 | C00327352 481231019102 | Tryska násypky pračky | 303 Kč € 12.40 | ||
| 708 1 WHR04286 | C00313076 481253049392 | Hadice násypka-nádrž pračky Whirlpool | 534 Kč € 21.90 | ||
| 711 0 WHR04286 | C00311070 481241868391 | teleso nasypky | 1 697 Kč € 69.60 | ||
| 712 0 WHR04286 | C00313225 481241868389 | Zásuvka násypky | Na dotaz | Zadat poptávku | |
| 713 0 WHR04286 | C00312158 481241868382 | Pojistka násypky | 305 Kč € 12.50 | ||
| 718 0 WHR04286 | C00312808 481252648226 | Dávkovač aviváže | Na dotaz | Zadat poptávku | |
| 718 1 WHR04286 | C00314043 481241889066 | separator do nasypky | 1 187 Kč € 48.70 | ||
| 750 0 WHR04286 | C00332502 481253048139 | Expanzní nádoba pračky Whirlpool, Bauknecht | 141 Kč € 5.80 | ||
| 754 0 WHR04286 | C00313144 481253029495 | Hadice čerpadlo - nádrž pračky Whirlpool | 638 Kč € 26.20 | ||
| 754 1 WHR04286 | C00318763 488000318763 | Lock eco | Na dotaz | Zadat poptávku | |
| 760 0 WHR04286 | C00312342 481248058385 | Filtr čerpadla Whirlpool AWO/D | 365 Kč € 15.00 | ||
| 781 0 WHR04286 | C00314652 481253029455 | Hose draining outlet, COD | Na dotaz | Zadat poptávku | |
| 782 0 WHR04286 | C00312246 481253029497 | Hadice k presostatu pračky Whirlpool | 50 Kč € 2.10 | ||
| 783 1 WHR04286 | C00332488 481253029473 | hadice k nasypce | Na dotaz | Zadat poptávku | |
| 783 4 WHR04286 | C00314522 481253029392 | Hose pump/tank | Na dotaz | Zadat poptávku | |
| 794 2 WHR04286 | C00318107 481240118549 | Clamp hose | Na dotaz | Zadat poptávku | |
| 900 0 WHR04286 | C00331035 481244138021 | Holder hose outlet | Na dotaz | Zadat poptávku | |
| 900 1 WHR04286 | C00327322 481229088123 | Bracket eureka | Na dotaz | Zadat poptávku | |
| 900 2 WHR04286 | C00328881 481240118501 | Svorka hadice 1 | 87 Kč € 3.60 | ||
| 900 3 WHR04286 | C00328874 481240118446 | Cable clamp | Na dotaz | Zadat poptávku | |
| 900 4 WHR04286 | C00316612 481240118414 | SPONA39,7 | 37 Kč € 1.50 | ||
| 900 5 WHR04286 | C00315583 | Clamp hose | Na dotaz | Zadat poptávku | |
| 900 8 WHR04286 | C00328928 481240118834 | Clamp hose fixation int. | Na dotaz | Zadat poptávku | |
| 900 9 WHR04286 | C00327126 481225518286 | Holder Hose outlet left | Na dotaz | Zadat poptávku | |
| 901 2 WHR04286 | C00327313 481229088077 | Cable clamp | Na dotaz | Zadat poptávku | |
| 910 1 WHR04286 | C00332163 481250248344 | Šroub | Na dotaz | Zadat poptávku | |
| 910 5 WHR04286 | C00312157 481250218815 | Šroub | 62 Kč € 2.50 | ||
| 930 0 WHR04286 | C00345873 481249238421 | Pružina nádrže | Na dotaz | Zadat poptávku | |
| 961 0 WHR04286 | C00333324 481953268829 | Vložka vymezovací | 305 Kč € 12.50 | ||
| 965 0 WHR04286 | C00330912 481246668545 | Záslepka otvoru po zajišťovacím šroubu bubnu pračky Whirlpool | 206 Kč € 8.40 | ||
| 993 0 WHR04286 | C00316831 481953029028 | Ohyb plastový/držák vypouštěcí hadice pračky | Na dotaz | Zadat poptávku | |
| 993 3 WHR04286 | C00328868 481239558004 | klic montazni | 64 Kč € 2.60 | ||
| 999 WHR04286 | C00369607 | SERVICE MANUAL WHP | Na dotaz | Zadat poptávku | |
| 999 WHR04286 | C00369608 | SERVICE MANUAL WHP | Na dotaz | Zadat poptávku | |
| 999 WHR04286 | C00369609 | SERVICE MANUAL WHP | Na dotaz | Zadat poptávku | |
| 999 WHR04286 | C00369610 | SERVICE MANUAL WHP | Na dotaz | Zadat poptávku | |
| 999 WHR04286 | C00369611 | SERVICE MANUAL WHP | Na dotaz | Zadat poptávku | |
| 999 WHR04286 | C00369612 | SERVICE MANUAL WHP | Na dotaz | Zadat poptávku | |
| 999 WHR04286 | C00369613 | SERVICE MANUAL WHP | Na dotaz | Zadat poptávku | |
| 999 WHR04286 | C00369614 | SERVICE MANUAL WHP | Na dotaz | Zadat poptávku | |
| 999 WHR04286 | C00369615 | SERVICE MANUAL WHP | Na dotaz | Zadat poptávku | |
| 999 WHR04286 | C00369616 | SERVICE MANUAL WHP | Na dotaz | Zadat poptávku | |
| 999 WHR04286 | C00369617 | SERVICE MANUAL WHP | Na dotaz | Zadat poptávku | |
| 999 WHR04286 | C00369618 | SERVICE MANUAL WHP | Na dotaz | Zadat poptávku | |
| 999 WHR04286 | C00369619 | SERVICE MANUAL WHP | Na dotaz | Zadat poptávku | |
| 999 WHR04286 | C00369620 | SERVICE MANUAL WHP | Na dotaz | Zadat poptávku | |
| 999 WHR04286 | C00369621 | SERVICE MANUAL WHP | Na dotaz | Zadat poptávku | |
| 999 WHR04286 | C00369622 | SERVICE MANUAL WHP | Na dotaz | Zadat poptávku | |
| 999 WHR04286 | C00369623 | SERVICE MANUAL WHP | Na dotaz | Zadat poptávku | |
| 999 WHR04286 | C00369624 | SERVICE MANUAL WHP | Na dotaz | Zadat poptávku | |
| 999 WHR04286 | C00369625 | SERVICE MANUAL WHP | Na dotaz | Zadat poptávku | |
| 999 WHR04286 | C00369626 | SERVICE MANUAL WHP | Na dotaz | Zadat poptávku | |
| 999 WHR04286 | C00369627 | SERVICE MANUAL WHP | Na dotaz | Zadat poptávku | |
| 999 WHR04286 | C00369628 | SERVICE MANUAL WHP | Na dotaz | Zadat poptávku | |