WHIRLPOOL AWOE 10142
 
             
                 
                
    Zeptejte se. Rádi poradíme.
    
        
            
                
                     
              
        
        
            
    
    
             
            Marek Proche
                    
Zákaznická podpora
            
Po–Čt 8:00—17:00
                
Pá 8:00—15:00             
            
        
            
        poradna@servis-whirlpool.cz     
    
    
| Komerční kód: | AWOE 10142 | 
| Kód 12NC/I.C. kód: | 859201286010 | 
| Značka: | WHIRLPOOL | 
| Typ produktu: | Pračky | 
| Další podobné modely: | 859201749010, 859201749015, 859204710010, 859204710014, 859204710015, 859204710016, 859204710017 | 
Potřebujete servis? Jsme tady pro Vás
Nabídka náhradních dílů
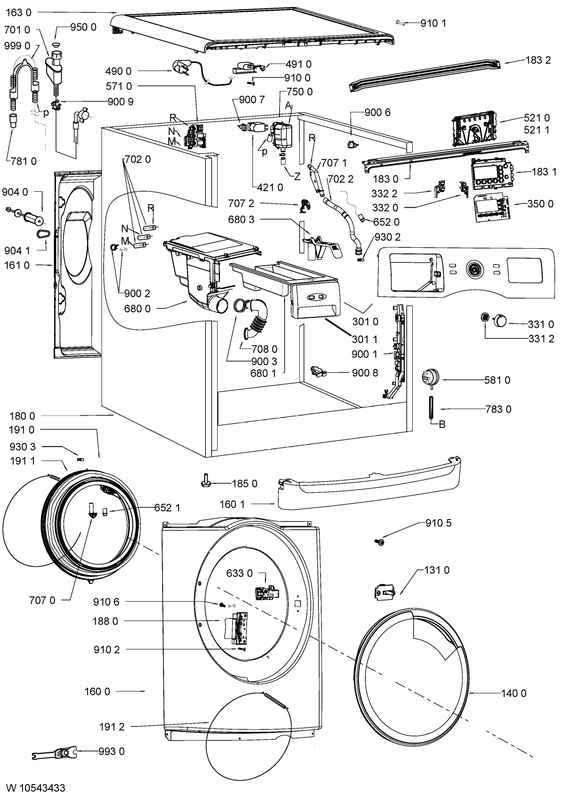
| Číslo | Kód | Název | Cena | ||
|---|---|---|---|---|---|
| 1310 WHR14454 | C00311268 480111101377 | Hák dveří | Na dotaz | Zadat poptávku | |
| 1400 WHR14454 | C00436480 481010408846 | Door cpl. BLK,HR,SIGMA,11 | Na dotaz | Zadat poptávku | |
| 1600 WHR14454 | C00313270 480111100198 | stena predni | Na dotaz | Zadat poptávku | |
| 1601 WHR14454 | C00316812 480111100234 | Plinth Eureka 490 | Na dotaz | Zadat poptávku | |
| 1610 WHR14454 | C00324033 481010378705 | Panel rear | Na dotaz | Zadat poptávku | |
| 1630 WHR14454 | C00317897 481010422976 | Table top | Na dotaz | Zadat poptávku | |
| 1800 WHR14454 | C00319115 481074652392 | Cabinet | Na dotaz | Zadat poptávku | |
| 1810 WHR14454 | C00311556 480111100195 | Tlumič pračky Whirlpool | 789 Kč € 32.40 | ||
| 1820 WHR14454 | C00314406 480111100193 | Závaží horní | 1 674 Kč € 68.80 | ||
| 1821 WHR14454 | C00315057 480111101399 | Závaží spodní | 1 193 Kč € 49.00 | ||
| 1822 WHR14454 | C00312077 481231039249 | sroub+podlozka | 81 Kč € 3.30 | ||
| 1830 WHR14454 | C00316513 481244011472 | Support control board | Na dotaz | Zadat poptávku | |
| 1831 WHR14454 | C00435571 481010363000 | Bracket Module | Na dotaz | Zadat poptávku | |
| 1832 WHR14454 | C00324045 481010382085 | Bracket | Na dotaz | Zadat poptávku | |
| 1850 WHR14454 | C00313162 481246248054 | Noha pračky přední | 38 Kč € 1.60 | ||
| 1880 WHR14454 | C00314881 480111100209 | Hinge Eureka 490 | Na dotaz | Zadat poptávku | |
| 1910 WHR14454 | C00380547 481071428671 | Těsnění dveří pračky (TVO) | 3 101 Kč € 127.40 | ||
| 1911 WHR14454 | C00311853 480111100191 | Spona těsnění dveří pračky (TVO) | 208 Kč € 8.50 | ||
| 1912 WHR14454 | C00311661 480111100189 | Ring Bellow-Panel, Eureka 490 | Na dotaz | Zadat poptávku | |
| 2000 WHR14454 | C00324020 481010375341 | Wash unit D490, 64l, H7, 10kg | Na dotaz | Zadat poptávku | |
| 2230 WHR14454 | C00311790 481010374361 | Žebro bubnu pračky pračky Whirlpool (64 l) | 337 Kč € 13.80 | ||
| 2710 WHR14454 | C00315115 480111104417 | Řemen 5 PJE 1266 pračky Whirlpool | 576 Kč € 23.70 | ||
| 2720 WHR14454 | C00311999 480111102563 | Řemenice bubnu | 1 090 Kč € 44.80 | ||
| 3010 WHR14454 | C00439860 481010510825 | Control panel + handle drawer | Na dotaz | Zadat poptávku | |
| 3011 WHR14454 | C00312059 481010485546 | Čelo násypky pračky Whirlpool | 687 Kč € 28.20 | ||
| 3310 WHR14454 | C00312750 481010389396 | Knoflík programátoru pračky, sušičky Whirlpool | 355 Kč € 14.60 | ||
| 3312 WHR14454 | C00312359 480111100231 | pouzdro | 270 Kč € 11.10 | ||
| 3320 WHR14454 | C00323940 481010350519 | Button assy Start/Reset | Na dotaz | Zadat poptávku | |
| 3322 WHR14454 | C00435790 481010383907 | Button assy left | Na dotaz | Zadat poptávku | |
| 3500 WHR14454 | C00380539 481010469767 | Module T2 | Na dotaz | Zadat poptávku | |
| 4000 WHR14454 | C00311467 481010489640 | Motor pračky Whirlpool | 6 181 Kč € 254.00 | ||
| 4003 WHR14454 | C00312640 481010444923 | Odrušovací filtr pračky Whirlpool, Bauknecht | 1 166 Kč € 47.90 | ||
| 4210 WHR14454 | C00311350 481212118285 | Filtr odrušovací 1 uF | 294 Kč € 12.10 | ||
| 4300 WHR14454 | C00310955 480111100786 | Pump,draining | Na dotaz | Zadat poptávku | |
| 4510 WHR14454 | C00311143 481225928823 | Heating element 240 V + NTC | Na dotaz | Zadat poptávku | |
| 4800 WHR14454 | C00321167 480111104825 | Cable CCU-Choke | Na dotaz | Zadat poptávku | |
| 4801 WHR14454 | C00319550 480111104823 | Cable Choke-Motor | Na dotaz | Zadat poptávku | |
| 4802 WHR14454 | C00316415 480111104824 | Cable CCU | Na dotaz | Zadat poptávku | |
| 4900 WHR14454 | C00316393 481932118136 | Flexo kabel 2 m, konektory | Na dotaz | Zadat poptávku | |
| 4910 WHR14454 | C00309418 481232128367 | Přechodka | 324 Kč € 13.30 | ||
| 5210 WHR14454 | C00438934 481010479329 | Control unit WAVE, progr. | Na dotaz | Zadat poptávku | |
| 5211 WHR14454 | C00343170 481010464477 | Control unit basic wave | Na dotaz | Zadat poptávku | |
| 5710 WHR14454 | C00380535 481010403135 | Valve magnet | Na dotaz | Zadat poptávku | |
| 5810 WHR14454 | C00311217 481227128554 | Presostat pračky | 207 Kč € 8.50 | ||
| 6330 WHR14454 | C00311157 480111101392 | Blokování dveří předem plněné pračky Whirlpool | 217 Kč € 8.90 | ||
| 6520 WHR14454 | C00324384 481010457839 | Lamp Adapt. 12.5 | Na dotaz | Zadat poptávku | |
| 6521 WHR14454 | C00324525 481010471777 | Lamp 0 5W, WI, L450, 7PC. | Na dotaz | Zadat poptávku | |
| 6800 WHR14454 | C00312411 481074670981 | těleso násypky náhrada 481010613478 | Na dotaz | Zadat poptávku | |
| 6801 WHR14454 | C00311979 481010367725 | Drawer-SB481271240389/AI-483272291008 | Na dotaz | Zadat poptávku | |
| 6803 WHR14454 | C00314196 481074668291 | Vložka násypky | Na dotaz | Zadat poptávku | |
| 6910 WHR14454 | C00313117 481228219485 | senzor NTC | 857 Kč € 35.20 | ||
| 7010 WHR14454 | C00439275 481010491637 | Hose inlet 1.2 m | Na dotaz | Zadat poptávku | |
| 7020 WHR14454 | C00317154 480111100201 | Hose valve-dispenser | Na dotaz | Zadat poptávku | |
| 7022 WHR14454 | C00435562 481010361523 | Hose spray | Na dotaz | Zadat poptávku | |
| 7070 WHR14454 | C00435563 481010361524 | Nozzle spray | Na dotaz | Zadat poptávku | |
| 7071 WHR14454 | C00436290 481010403137 | Tube check valve | Na dotaz | Zadat poptávku | |
| 7072 WHR14454 | C00435609 481010369139 | spona hadice ostrikovaci pračky | 43 Kč € 1.80 | ||
| 7080 WHR14454 | C00313076 481253049392 | Hadice násypka-nádrž pračky Whirlpool | 534 Kč € 21.90 | ||
| 7500 WHR14454 | C00311839 481010467662 | Chamber expand. | Na dotaz | Zadat poptávku | |
| 7540 WHR14454 | C00313144 481253029495 | Hadice čerpadlo - nádrž pračky Whirlpool | 638 Kč € 26.20 | ||
| 7541 WHR14454 | C00309391 481253028832 | Kulička hadice mezi vanou a čerpadlem pračky Whirpool | 894 Kč € 36.70 | ||
| 7551 WHR14454 | C00312415 480111100207 | Hadička násypka/nádrž | 323 Kč € 13.30 | ||
| 7630 WHR14454 | C00312342 481248058385 | Filtr čerpadla Whirlpool AWO/D | 365 Kč € 15.00 | ||
| 7810 WHR14454 | C00311863 480111100342 | Vypouštěcí hadice pračky Whirlpool, Bauknecht | 463 Kč € 19.00 | ||
| 7811 WHR14454 | C00312724 480111100206 | Hadice | Na dotaz | Zadat poptávku | |
| 7830 WHR14454 | C00312246 481253029497 | Hadice k presostatu pračky Whirlpool | 50 Kč € 2.10 | ||
| 7850 WHR14454 | C00319405 480111105006 | Hadice | 184 Kč € 7.60 | ||
| 9001 WHR14454 | C00320950 480111100204 | Bracket cable, Eureka 490 | Na dotaz | Zadat poptávku | |
| 9002 WHR14454 | C00328881 481240118501 | Svorka hadice 1 | 87 Kč € 3.60 | ||
| 9003 WHR14454 | C00321158 480111104423 | Clamp hose | Na dotaz | Zadat poptávku | |
| 9004 WHR14454 | C00316612 481240118414 | SPONA39,7 | 37 Kč € 1.50 | ||
| 9005 WHR14454 | C00309461 481940118529 | Spona nádrž-čerpadlo | 105 Kč € 4.30 | ||
| 9006 WHR14454 | C00328874 481240118446 | Cable clamp | Na dotaz | Zadat poptávku | |
| 9007 WHR14454 | C00327313 481229088077 | Cable clamp | Na dotaz | Zadat poptávku | |
| 9008 WHR14454 | C00320945 480111100143 | Holder hose right | Na dotaz | Zadat poptávku | |
| 9009 WHR14454 | C00327126 481225518286 | Holder Hose outlet left | Na dotaz | Zadat poptávku | |
| 9040 WHR14454 | C00320953 480111100217 | Safety device 54, 64 l | Na dotaz | Zadat poptávku | |
| 9041 WHR14454 | C00330912 481246668545 | Záslepka otvoru po zajišťovacím šroubu bubnu pračky Whirlpool | 206 Kč € 8.50 | ||
| 9049 WHR14454 | C00316582 480111101846 | Silent bloc | 181 Kč € 7.40 | ||
| 9100 WHR14454 | C00318425 481250238152 | Screw 4.8x19 | Na dotaz | Zadat poptávku | |
| 9101 WHR14454 | C00332163 481250248344 | Šroub | Na dotaz | Zadat poptávku | |
| 9102 WHR14454 | C00320952 480111100213 | Screw M5x12 hinge-front | Na dotaz | Zadat poptávku | |
| 9103 WHR14454 | C00313276 481250218817 | sroub remenice | Na dotaz | Zadat poptávku | |
| 9104 WHR14454 | C00309518 481250218828 | Šroub | 134 Kč € 5.50 | ||
| 9105 WHR14454 | C00332152 481250238151 | Šroubek (4x14) vrchem plněné pračky Whirlpool AWE 50510, AWT 2284, AWT 8123 D. | 50 Kč € 2.10 | ||
| 9106 WHR14454 | C00321048 480111102164 | Screw M5x13 | Na dotaz | Zadat poptávku | |
| 9300 WHR14454 | C00320949 480111100197 | pružina nádrže pračky Whirlpool | 266 Kč € 10.90 | ||
| 9302 WHR14454 | C00374801 481010403100 | Clamp hose | Na dotaz | Zadat poptávku | |
| 9303 WHR14454 | C00374802 481010403099 | Clamp hose | Na dotaz | Zadat poptávku | |
| 9500 WHR14454 | C00316490 481946669704 | tesneni + sitko | 173 Kč € 7.10 | ||
| 9930 WHR14454 | C00328868 481239558004 | klic montazni | 64 Kč € 2.60 | ||
| 999 WHR14454 | C00352384 | Testprogram WHP | Na dotaz | Zadat poptávku | |
| 9990 WHR14454 | C00316831 481953029028 | Ohyb plastový/držák vypouštěcí hadice pračky | Na dotaz | Zadat poptávku | |