WHIRLPOOL AWOE 7914
 
             
                 
                
    Zeptejte se. Rádi poradíme.
    
        
            
                
                     
              
        
        
            
    
    
             
            Marek Proche
                    
Zákaznická podpora
            
Po–Čt 8:00—17:00
                
Pá 8:00—15:00             
            
        
            
        poradna@servis-whirlpool.cz     
    
    
| Komerční kód: | AWOE 7914 | 
| Kód 12NC: | 859203410010 | 
| I.C. kód: | 859203410015 | 
| Značka: | WHIRLPOOL | 
| Typ produktu: | Pračky | 
| Další podobné modely: | 859203410010, 859203410014 | 
Potřebujete servis? Jsme tady pro Vás
Nabídka náhradních dílů
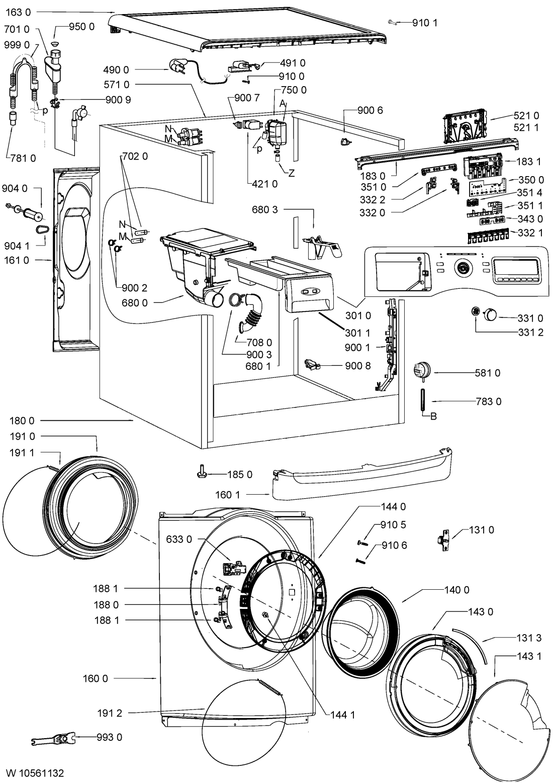
| Číslo | Kód | Název | Cena | ||
|---|---|---|---|---|---|
| 1310 WHR14586 | C00315153 481010339786 | hak dveri | Na dotaz | Zadat poptávku | |
| 1313 WHR14586 | C00324052 481010384793 | Trim chrome | Na dotaz | Zadat poptávku | |
| 1400 WHR14586 | C00311824 481071423981 | Sklo dveří pračky | 1 687 Kč € 69.20 | ||
| 1430 WHR14586 | C00435729 481010377048 | Glassdoor frame | Na dotaz | Zadat poptávku | |
| 1431 WHR14586 | C00317904 481010467590 | Screening | Na dotaz | Zadat poptávku | |
| 1440 WHR14586 | C00316608 481010467198 | Frame door glass | Na dotaz | Zadat poptávku | |
| 1441 WHR14586 | C00312553 481071428351 | Fixation | Na dotaz | Zadat poptávku | |
| 1600 WHR14586 | C00320855 481010500434 | Front white | Na dotaz | Zadat poptávku | |
| 1601 WHR14586 | C00316812 480111100234 | Plinth Eureka 490 | Na dotaz | Zadat poptávku | |
| 1610 WHR14586 | C00316521 481244011544 | stena zadni | 1 472 Kč € 60.40 | ||
| 1630 WHR14586 | C00312507 480111100218 | deska horni | Na dotaz | Zadat poptávku | |
| 1800 WHR14586 | C00319115 481074652392 | Cabinet | Na dotaz | Zadat poptávku | |
| 1810 WHR14586 | C00311556 480111100195 | Tlumič pračky Whirlpool | 789 Kč € 32.40 | ||
| 1820 WHR14586 | C00314406 480111100193 | Závaží horní | 1 674 Kč € 68.70 | ||
| 1821 WHR14586 | C00315057 480111101399 | Závaží spodní | 1 193 Kč € 48.90 | ||
| 1822 WHR14586 | C00312077 481231039249 | sroub+podlozka | 81 Kč € 3.30 | ||
| 1830 WHR14586 | C00316513 481244011472 | Support control board | Na dotaz | Zadat poptávku | |
| 1831 WHR14586 | C00325145 481010547564 | Držák modulu | 202 Kč € 8.30 | ||
| 1840 WHR14586 | C00320960 480111100337 | Drip tray assy | Na dotaz | Zadat poptávku | |
| 1850 WHR14586 | C00313162 481246248054 | Noha pračky přední | 38 Kč € 1.60 | ||
| 1880 WHR14586 | C00311610 481071424041 | zaves dveri | 654 Kč € 26.80 | ||
| 1881 WHR14586 | C00311991 481071424051 | pouzdro závěsu | 38 Kč € 1.60 | ||
| 1910 WHR14586 | C00311135 480111100188 | Těsnění dveří pračky (TVO) | 392 Kč € 16.10 | ||
| 1911 WHR14586 | C00311853 480111100191 | Spona těsnění dveří pračky (TVO) | 208 Kč € 8.50 | ||
| 1912 WHR14586 | C00311661 480111100189 | Ring Bellow-Panel, Eureka 490 | Na dotaz | Zadat poptávku | |
| 2000 WHR14586 | C00311148 480111102416 | Nádrž kompletní | Na dotaz | Zadat poptávku | |
| 2230 WHR14586 | C00310994 480111104173 | Drum lifter 64l (L 278,5mm) 3pcs. | Na dotaz | Zadat poptávku | |
| 2710 WHR14586 | C00315115 480111104417 | Řemen 5 PJE 1266 pračky Whirlpool | 576 Kč € 23.60 | ||
| 2720 WHR14586 | C00311999 480111102563 | Řemenice bubnu | 1 090 Kč € 44.70 | ||
| 3010 WHR14586 | C00439683 481010504693 | Control panel + handle drawer | Na dotaz | Zadat poptávku | |
| 3011 WHR14586 | C00312059 481010485546 | Čelo násypky pračky Whirlpool | 687 Kč € 28.20 | ||
| 3310 WHR14586 | C00312750 481010389396 | Knoflík programátoru pračky, sušičky Whirlpool | 355 Kč € 14.60 | ||
| 3312 WHR14586 | C00312359 480111100231 | pouzdro | 270 Kč € 11.10 | ||
| 3320 WHR14586 | C00312098 480111100221 | Tlačítko start /reset | 438 Kč € 18.00 | ||
| 3321 WHR14586 | C00315380 481071425361 | tlacitka sestava | 159 Kč € 6.50 | ||
| 3322 WHR14586 | C00315070 480111102625 | Button Opt. Steam | Na dotaz | Zadat poptávku | |
| 3430 WHR14586 | C00313008 481071425741 | kryt displeje | 1 167 Kč € 47.90 | ||
| 3500 WHR14586 | C00311980 481010495081 | Ovládací modul praček a sušiček prádla Whirlpool, Indesit | 3 726 Kč € 152.80 | ||
| 3510 WHR14586 | C00320955 480111100232 | Light guide Program flow | Na dotaz | Zadat poptávku | |
| 3511 WHR14586 | C00317994 481071425721 | Light guide Options BD | Na dotaz | Zadat poptávku | |
| 3514 WHR14586 | C00317992 481071425711 | svetlovod | 128 Kč € 5.30 | ||
| 4000 WHR14586 | C00316776 481010511040 | Motor BPM, ASKOLL 15mm | Na dotaz | Zadat poptávku | |
| 4003 WHR14586 | C00312640 481010444923 | Odrušovací filtr pračky Whirlpool, Bauknecht | 1 166 Kč € 47.80 | ||
| 4210 WHR14586 | C00314577 481010503697 | Odrušovací filtr pračky Whirlpool, Indesit, Ignis | 378 Kč € 15.50 | ||
| 4300 WHR14586 | C00311296 481010476931 | Pump | Na dotaz | Zadat poptávku | |
| 4510 WHR14586 | C00311143 481225928823 | Heating element 240 V + NTC | Na dotaz | Zadat poptávku | |
| 4800 WHR14586 | C00321167 480111104825 | Cable CCU-Choke | Na dotaz | Zadat poptávku | |
| 4801 WHR14586 | C00319550 480111104823 | Cable Choke-Motor | Na dotaz | Zadat poptávku | |
| 4802 WHR14586 | C00316415 480111104824 | Cable CCU | Na dotaz | Zadat poptávku | |
| 4900 WHR14586 | C00316393 481932118136 | Flexo kabel 2 m, konektory | Na dotaz | Zadat poptávku | |
| 4910 WHR14586 | C00309418 481232128367 | Přechodka | 324 Kč € 13.30 | ||
| 5210 WHR14586 | C00441336 481010555541 | Control unit WAVE, progr. | Na dotaz | Zadat poptávku | |
| 5211 WHR14586 | C00313435 481010512039 | Control unit Wave_B ECO K2AB hf/Dr,basic | Na dotaz | Zadat poptávku | |
| 5710 WHR14586 | C00313348 481071427961 | Napouštěcí ventil pračky - dvoucestný, přímý | 339 Kč € 13.90 | ||
| 5810 WHR14586 | C00311217 481227128554 | Presostat pračky | 207 Kč € 8.50 | ||
| 6310 WHR14586 | C00314788 480111100338 | spinac | 803 Kč € 32.90 | ||
| 6311 WHR14586 | C00315271 481236058112 | Plovák hladinového spínače pračky Whirlpool, Bauknecht | 186 Kč € 7.60 | ||
| 6330 WHR14586 | C00311157 480111101392 | Blokování dveří předem plněné pračky Whirlpool | 217 Kč € 8.90 | ||
| 6800 WHR14586 | C00312411 481074670981 | těleso násypky náhrada 481010613478 | Na dotaz | Zadat poptávku | |
| 6801 WHR14586 | C00311979 481010367725 | Drawer-SB481271240389/AI-483272291008 | Na dotaz | Zadat poptávku | |
| 6803 WHR14586 | C00314196 481074668291 | Vložka násypky | Na dotaz | Zadat poptávku | |
| 6910 WHR14586 | C00313117 481228219485 | senzor NTC | 857 Kč € 35.20 | ||
| 7010 WHR14586 | C00309499 481253029256 | Přívodní hadice 1,5m s Aqua Stopem náhrada 481010802244 | Na dotaz | Zadat poptávku | |
| 7010 WHR14586 | C00312612 481953028926 | Hose inlet 2.5 m (Eltek) | Na dotaz | Zadat poptávku | |
| 7010 WHR14586 | C00332408 481253028781 | HYDRO-SECURITY 4m 90# 10 BAR straight | Na dotaz | Zadat poptávku | |
| 7020 WHR14586 | C00317154 480111100201 | Hose valve-dispenser | Na dotaz | Zadat poptávku | |
| 7080 WHR14586 | C00313076 481253049392 | Hadice násypka-nádrž pračky Whirlpool | 534 Kč € 21.90 | ||
| 7500 WHR14586 | C00311839 481010467662 | Chamber expand. | Na dotaz | Zadat poptávku | |
| 7540 WHR14586 | C00313144 481253029495 | Hadice čerpadlo - nádrž pračky Whirlpool | 638 Kč € 26.20 | ||
| 7541 WHR14586 | C00309391 481253028832 | Kulička hadice mezi vanou a čerpadlem pračky Whirpool | 894 Kč € 36.70 | ||
| 7551 WHR14586 | C00312415 480111100207 | Hadička násypka/nádrž | 323 Kč € 13.20 | ||
| 7630 WHR14586 | C00312342 481248058385 | Filtr čerpadla Whirlpool AWO/D | 365 Kč € 15.00 | ||
| 7810 WHR14586 | C00311863 480111100342 | Vypouštěcí hadice pračky Whirlpool, Bauknecht | 463 Kč € 19.00 | ||
| 7811 WHR14586 | C00312724 480111100206 | Hadice | Na dotaz | Zadat poptávku | |
| 7830 WHR14586 | C00312246 481253029497 | Hadice k presostatu pračky Whirlpool | 50 Kč € 2.10 | ||
| 7850 WHR14586 | C00319405 480111105006 | Hadice | 184 Kč € 7.50 | ||
| 9001 WHR14586 | C00320950 480111100204 | Bracket cable, Eureka 490 | Na dotaz | Zadat poptávku | |
| 9002 WHR14586 | C00328881 481240118501 | Svorka hadice 1 | 87 Kč € 3.60 | ||
| 9003 WHR14586 | C00321158 480111104423 | Clamp hose | Na dotaz | Zadat poptávku | |
| 9004 WHR14586 | C00316612 481240118414 | SPONA39,7 | 37 Kč € 1.50 | ||
| 9005 WHR14586 | C00309461 481940118529 | Spona nádrž-čerpadlo | 105 Kč € 4.30 | ||
| 9006 WHR14586 | C00328874 481240118446 | Cable clamp | Na dotaz | Zadat poptávku | |
| 9007 WHR14586 | C00327313 481229088077 | Cable clamp | Na dotaz | Zadat poptávku | |
| 9008 WHR14586 | C00320945 480111100143 | Holder hose right | Na dotaz | Zadat poptávku | |
| 9009 WHR14586 | C00327126 481225518286 | Holder Hose outlet left | Na dotaz | Zadat poptávku | |
| 9040 WHR14586 | C00320953 480111100217 | Safety device 54, 64 l | Na dotaz | Zadat poptávku | |
| 9041 WHR14586 | C00330912 481246668545 | Záslepka otvoru po zajišťovacím šroubu bubnu pračky Whirlpool | 206 Kč € 8.40 | ||
| 9049 WHR14586 | C00316582 480111101846 | Silent bloc | 181 Kč € 7.40 | ||
| 9100 WHR14586 | C00318425 481250238152 | Screw 4.8x19 | Na dotaz | Zadat poptávku | |
| 9101 WHR14586 | C00332163 481250248344 | Šroub | Na dotaz | Zadat poptávku | |
| 9103 WHR14586 | C00313276 481250218817 | sroub remenice | Na dotaz | Zadat poptávku | |
| 9104 WHR14586 | C00309518 481250218828 | Šroub | 134 Kč € 5.50 | ||
| 9105 WHR14586 | C00316665 481250248015 | Šroub 4x16 | 68 Kč € 2.80 | ||
| 9106 WHR14586 | C00326402 481021201061 | Screw ST H T 3 Z P4X18.5 | Na dotaz | Zadat poptávku | |
| 9300 WHR14586 | C00320949 480111100197 | pružina nádrže pračky Whirlpool | 266 Kč € 10.90 | ||
| 9500 WHR14586 | C00316490 481946669704 | tesneni + sitko | 173 Kč € 7.10 | ||
| 9930 WHR14586 | C00328868 481239558004 | klic montazni | 64 Kč € 2.60 | ||
| 999 WHR14586 | C00352384 | Testprogram WHP | Na dotaz | Zadat poptávku | |
| 9990 WHR14586 | C00316831 481953029028 | Ohyb plastový/držák vypouštěcí hadice pračky | Na dotaz | Zadat poptávku | |