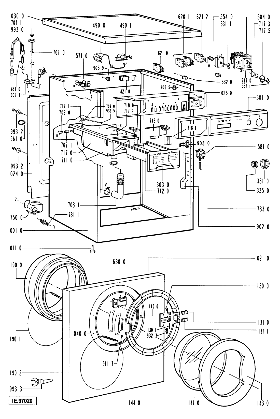
IGNIS AWP 027 AWP 027/1
 
             
                 
                
    Zeptejte se. Rádi poradíme.
    
        
            
                
                     
              
        
        
            
    
    
             
            Marek Proche
                    
Zákaznická podpora
            
Po–Čt 8:00—17:00
                
Pá 8:00—15:00             
            
        
            
        poradna@servis-whirlpool.cz     
    
    
| Komerční kód: | AWP 027 AWP 027/1 | 
| Kód 12NC/I.C. kód: | 858002701010 | 
| Značka: | IGNIS | 
| Typ produktu: | 
Potřebujete servis? Jsme tady pro Vás
Nabídka náhradních dílů
| Číslo | Kód | Název | Cena | ||
|---|---|---|---|---|---|
| 001 0 WHR115440 | C00343944 481944019716 | skrin pracky | Na dotaz | Zadat poptávku | |
| 011 0 WHR115440 | C00340775 481250018068 | Nastavitelná noha pračky | Na dotaz | Zadat poptávku | |
| 021 0 WHR115440 | C00594534 481944019806 | Front. | Na dotaz | Zadat poptávku | |
| 024 0 WHR115440 | C00556014 481944019789 | PANEL, REAR.. | Na dotaz | Zadat poptávku | |
| 025 0 WHR115440 | C00332949 481940479271 | Holder Contr. Device | Na dotaz | Zadat poptávku | |
| 030 0 WHR115440 | C00335655 481944019788 | deska horni | Na dotaz | Zadat poptávku | |
| 040 0 WHR115440 | C00778995 481941719513 | Hinge | Na dotaz | Zadat poptávku | |
| 061 0 WHR115440 | C00343070 481246688458 | zavazi horni | Na dotaz | Zadat poptávku | |
| 061 1 WHR115440 | C00343085 481246688459 | Counter weight front | Na dotaz | Zadat poptávku | |
| 080 0 WHR115440 | C00313744 481252918036 | Shock absorber 600-120 | Na dotaz | Zadat poptávku | |
| 084 0 WHR115440 | C00330907 481246658001 | drzak pruziny agreg. | Na dotaz | Zadat poptávku | |
| 086 2 WHR115440 | C00314527 481240118412 | pojistka tlumice | 333 Kč € 13.70 | ||
| 110 0 WHR115440 | C00778996 481949878169 | Grip | Na dotaz | Zadat poptávku | |
| 130 0 WHR115440 | C00778997 481953538148 | Hook | Na dotaz | Zadat poptávku | |
| 130 1 WHR115440 | C00312243 481241728045 | osa uzaveru dveri | 143 Kč € 5.90 | ||
| 131 0 WHR115440 | C00778998 481944019807 | Plate front | Na dotaz | Zadat poptávku | |
| 131 1 WHR115440 | C00329782 481241728048 | Plate Doorlock LowerDoorlock Lower | Na dotaz | Zadat poptávku | |
| 141 0 WHR115440 | C00778999 481945058094 | Door glass | Na dotaz | Zadat poptávku | |
| 143 0 WHR115440 | C00779000 481945948797 | Glassdoor frame | Na dotaz | Zadat poptávku | |
| 190 0 WHR115440 | C00313381 481246068527 | Door bellow standard | Na dotaz | Zadat poptávku | |
| 190 1 WHR115440 | C00313764 481249218017 | spona TVO - vnitřní | 149 Kč € 6.10 | ||
| 190 2 WHR115440 | C00318256 481953058059 | spona TVO predni st. | Na dotaz | Zadat poptávku | |
| 200 1 WHR115440 | C00337454 481941818332 | nadrz predni cast | Na dotaz | Zadat poptávku | |
| 200 2 WHR115440 | C00337455 481941818334 | Tub | Na dotaz | Zadat poptávku | |
| 200 3 WHR115440 | C00498917 481931039302 | Ložiskový domek AWM 245 | Na dotaz | Zadat poptávku | |
| 200 4 WHR115440 | C00314317 481229088054 | Spona nádrže | 378 Kč € 15.50 | ||
| 220 0 WHR115440 | C00315593 481941818333 | Drum | Na dotaz | Zadat poptávku | |
| 223 0 WHR115440 | C00594549 481951528267 | AGITATOR. | Na dotaz | Zadat poptávku | |
| 271 0 WHR115440 | C00319414 481935818143 | Řemen PV 1243 H8 EL pračky Whirlpool, Ignis | 129 Kč € 5.30 | ||
| 272 0 WHR115440 | C00337067 481252858027 | pulley DIAM.298DIAM.298 | Na dotaz | Zadat poptávku | |
| 292 0 WHR115440 | C00311501 481253058101 | těsnění bočnice | 694 Kč € 28.50 | ||
| 301 0 WHR115440 | C00778993 481945319782 | Control panel | Na dotaz | Zadat poptávku | |
| 303 0 WHR115440 | C00778979 481949878171 | Handle | Na dotaz | Zadat poptávku | |
| 331 0 WHR115440 | C00496940 481941258554 | Knob timer | Na dotaz | Zadat poptávku | |
| 331 1 WHR115440 | C00344646 481241318198 | Adapter f. button | Na dotaz | Zadat poptávku | |
| 332 0 WHR115440 | C00494564 481941028879 | BUTTON | Na dotaz | Zadat poptávku | |
| 335 0 WHR115440 | C00488181 481941258553 | KNOB THERMOSTAT | Na dotaz | Zadat poptávku | |
| 401 0 WHR115440 | C00373735 481936158184 | motor | Na dotaz | Zadat poptávku | |
| 401 1 WHR115440 | C00311127 481236248004 | Brush,carbon, Motor CESET | Na dotaz | Zadat poptávku | |
| 421 0 WHR115440 | C00326769 481212118142 | Interf.filter 1,00 uF1,00 uF. | Na dotaz | Zadat poptávku | |
| 430 0 WHR115440 | C00503187 481936018253 | *UNI*PUMP PLASET 59203 | Na dotaz | Zadat poptávku | |
| 451 0 WHR115440 | C00555737 481925928868 | NAHRADENE 481925928932 N | Na dotaz | Zadat poptávku | |
| 490 0 WHR115440 | C00316393 481932118136 | Flexo kabel 2 m, konektory | Na dotaz | Zadat poptávku | |
| 490 1 WHR115440 | C00309418 481232128367 | Přechodka | 324 Kč € 13.30 | ||
| 504 0 WHR115440 | C00555805 481928218711 | NAHRADENE 481931039563 N | Na dotaz | Zadat poptávku | |
| 554 0 WHR115440 | C00315966 481928248313 | Thermostat TL-0126 | Na dotaz | Zadat poptávku | |
| 571 0 WHR115440 | C00337287 481228128368 | VALVE,MAGNET SINGLE | Na dotaz | Zadat poptávku | |
| 581 0 WHR115440 | C00555771 481927128967 | NAHRADENE 481227128381 N | Na dotaz | Zadat poptávku | |
| 620 1 WHR115440 | C00555940 481941028869 | NAHRADENE 481941029005 N | Na dotaz | Zadat poptávku | |
| 621 0 WHR115440 | C00554937 481227618245 | NAHRADENE 481941029004 N | Na dotaz | Zadat poptávku | |
| 621 2 WHR115440 | C00761046 481941028871 | Switch spin options | Na dotaz | Zadat poptávku | |
| 630 0 WHR115440 | C00320776 481228058023 | Door lock | Na dotaz | Zadat poptávku | |
| 701 0 WHR115440 | C00314963 481953028848 | hadicenapousteci | Na dotaz | Zadat poptávku | |
| 701 1 WHR115440 | C00316490 481946669704 | tesneni + sitko | 173 Kč € 7.10 | ||
| 702 0 WHR115440 | C00339219 481253028828 | Hose, inlet intern | Na dotaz | Zadat poptávku | |
| 707 0 WHR115440 | C00317102 481252648031 | Tryska násypky pračky | 104 Kč € 4.30 | ||
| 707 1 WHR115440 | C00332324 481252648028 | Tryska násypky pračky | Na dotaz | Zadat poptávku | |
| 708 1 WHR115440 | C00313009 481253048143 | hadice k násypce pračky Whirlpool uz nebude !!!! | Na dotaz | Zadat poptávku | |
| 711 0 WHR115440 | C00379106 481241888026 | Těleso násypky | 1 715 Kč € 70.30 | ||
| 712 0 WHR115440 | C00555263 481241878047 | NAHRADENE 481241879655 N | Na dotaz | Zadat poptávku | |
| 713 0 WHR115440 | C00538524 481241888028 | vlozka nasypky klap. | Na dotaz | Zadat poptávku | |
| 717 0 WHR115440 | C00344284 481232128377 | Bowden cable | Na dotaz | Zadat poptávku | |
| 717 1 WHR115440 | C00328523 481232138013 | Páčka trysky násypky | Na dotaz | Zadat poptávku | |
| 717 2 WHR115440 | C00328522 481232138012 | drzak | 26 Kč € 1.10 | ||
| 717 3 WHR115440 | C00336270 481227888007 | posouvac | Na dotaz | Zadat poptávku | |
| 717 5 WHR115440 | C00492614 481952838444 | VAČKA | 231 Kč € 9.50 | ||
| 718 0 WHR115440 | C00490231 481252648032 | viko prepadu nasypky | Na dotaz | Zadat poptávku | |
| 718 1 WHR115440 | C00344665 481241888024 | Accessory 4ch | Na dotaz | Zadat poptávku | |
| 744 0 WHR115440 | C00340711 481245928043 | Frame,door glas | Na dotaz | Zadat poptávku | |
| 750 0 WHR115440 | C00594550 481952648474 | CONTAINER | Na dotaz | Zadat poptávku | |
| 753 1 WHR115440 | C00556322 481953028976 | Chamber,air.. | Na dotaz | Zadat poptávku | |
| 754 0 WHR115440 | C00341283 481953028985 | Drainhose | Na dotaz | Zadat poptávku | |
| 754 1 WHR115440 | C00309391 481253028832 | Kulička hadice mezi vanou a čerpadlem pračky Whirpool | 894 Kč € 36.70 | ||
| 754 2 WHR115440 | C00332413 481253028829 | Flange eco | Na dotaz | Zadat poptávku | |
| 760 0 WHR115440 | C00340968 481948058136 | Filter | Na dotaz | Zadat poptávku | |
| 781 0 WHR115440 | C00761064 481953028984 | Hose draining | Na dotaz | Zadat poptávku | |
| 781 1 WHR115440 | C00761041 481953029003 | hadicevytokova | Na dotaz | Zadat poptávku | |
| 783 0 WHR115440 | C00317136 481253028827 | Hose Pressostat | Na dotaz | Zadat poptávku | |
| 787 0 WHR115440 | C00315511 481253028813 | hadice odparovaci | 447 Kč € 18.30 | ||
| 794 5 WHR115440 | C00340485 481253058095 | tesneni vzdusniku | 16 Kč € 0.70 | ||
| 901 0 WHR115440 | C00343335 481240118415 | CLAMP,HOSE TUB | Na dotaz | Zadat poptávku | |
| 901 2 WHR115440 | C00335973 481240118401 | Strap | Na dotaz | Zadat poptávku | |
| 901 3 WHR115440 | C00316612 481240118414 | SPONA39,7 | 37 Kč € 1.50 | ||
| 902 0 WHR115440 | C00327311 481229088049 | Bracket | Na dotaz | Zadat poptávku | |
| 902 1 WHR115440 | C00327119 481225518204 | Vnější držák hadic pračky Whirlpool | Na dotaz | Zadat poptávku | |
| 903 0 WHR115440 | C00327120 481225518205 | Držák presostatu pračky Whirlpool | Na dotaz | Zadat poptávku | |
| 903 5 WHR115440 | C00327310 481229088048 | Cable clamp | Na dotaz | Zadat poptávku | |
| 903 9 WHR115440 | C00343868 481229088046 | Cable clamp | Na dotaz | Zadat poptávku | |
| 910 0 WHR115440 | C00336743 481950218445 | sroub | Na dotaz | Zadat poptávku | |
| 910 1 WHR115440 | C00337990 481250518368 | Nut M10M10 | Na dotaz | Zadat poptávku | |
| 911 7 WHR115440 | C00332781 481290308014 | sroub M5x16 H | Na dotaz | Zadat poptávku | |
| 923 0 WHR115440 | C00337249 481253218024 | PODLOZKA | Na dotaz | Zadat poptávku | |
| 931 0 WHR115440 | C00320162 481949238139 | pruzina | Na dotaz | Zadat poptávku | |
| 932 3 WHR115440 | C00779003 481949248167 | Spring | Na dotaz | Zadat poptávku | |
| 932 5 WHR115440 | C00312356 481249238359 | Pružina trysky násypky | 13 Kč € 0.50 | ||
| 941 0 WHR115440 | C00315230 481252028066 | Ložisko 6204 2Z C3 GJN (SKF) | 173 Kč € 7.10 | ||
| 941 1 WHR115440 | C00497385 481231018365 | loziska sada | Na dotaz | Zadat poptávku | |
| 941 5 WHR115440 | C00494679 481952648465 | KONEKTOR | Na dotaz | Zadat poptávku | |
| 952 0 WHR115440 | C00340421 481946669882 | tesneni termostatu | Na dotaz | Zadat poptávku | |
| 953 0 WHR115440 | C00333336 481953278224 | Ring | Na dotaz | Zadat poptávku | |
| 953 1 WHR115440 | C00336860 481953278222 | Těsnící kroužek ložiskového domku | Na dotaz | Zadat poptávku | |
| 961 0 WHR115440 | C00343009 481232148004 | Cover | Na dotaz | Zadat poptávku | |
| 990 0 WHR115440 | C00332868 481931039227 | sroub do zavazi sada | Na dotaz | Zadat poptávku | |
| 990 1 WHR115440 | C00320457 481931039228 | Mounting kit Weight bottom | Na dotaz | Zadat poptávku | |
| 993 0 WHR115440 | C00344289 481253048017 | Bow | Na dotaz | Zadat poptávku | |
| 993 2 WHR115440 | C00338394 481226818015 | Lever,security | Na dotaz | Zadat poptávku | |
| 993 3 WHR115440 | C00328868 481239558004 | klic montazni | 64 Kč € 2.60 | ||