IGNIS AWV 465 WASHING MACHINES IG
Zeptejte se. Rádi poradíme.
Marek Proche
Zákaznická podpora
Po–Čt 8:00—17:00
Pá 8:00—15:00
poradna@servis-whirlpool.cz
| Komerční kód: | AWV 465 WASHING MACHINES IG |
| Kód 12NC/I.C. kód: | 858446538000 |
| Značka: | IGNIS |
| Typ produktu: | Pračky |
| Další podobné modely: | 858446538001 |
Potřebujete servis? Jsme tady pro Vás
Nabídka náhradních dílů
| Číslo | Kód | Název | Cena | ||
|---|---|---|---|---|---|
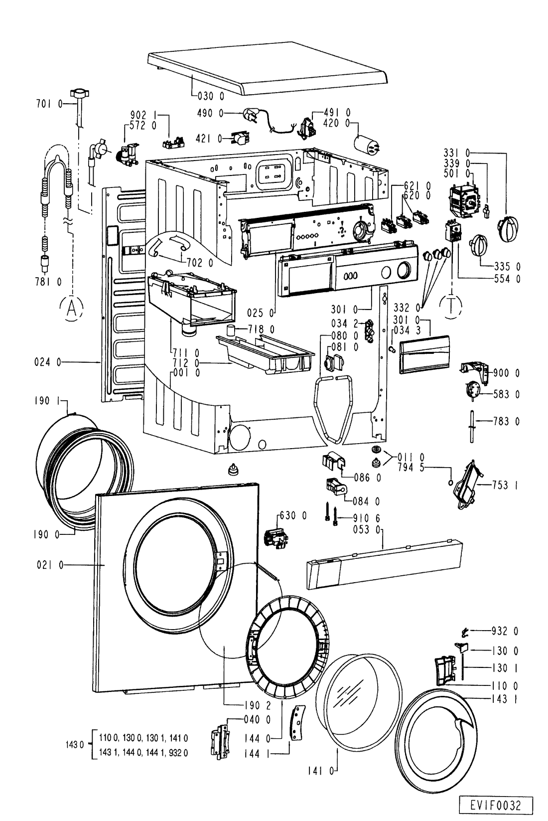
| 001 0 WHR88360 |
C00556017
481944019894 |
NAHRADENE 481244010328 S | Na dotaz | Zadat poptávku | |
| 011 0 WHR88360 |
C00498912
481931038995 |
Nozka pracky - Tatra kov N | Na dotaz | Zadat poptávku | |
| 021 0 WHR88360 |
C00556018
481944019895 |
nahradene 481244019481 S | Na dotaz | Zadat poptávku | |
| 024 0 WHR88360 |
C00341562
481944019897 |
Panel rear | Na dotaz | Zadat poptávku | |
| 025 0 WHR88360 |
C00492365
481944019898 |
Prednß liÜta s tesnenÝm | Na dotaz | Zadat poptávku | |
| 030 0 WHR88360 |
C00591926
481944019899 |
deska horni | Na dotaz | Zadat poptávku | |
| 034 2 WHR88360 |
C00341034
481949268458 |
Držák přední stěny pračky | Na dotaz | Zadat poptávku | |
| 034 3 WHR88360 |
C00499595
481953268243 |
P#zdro prednej steny | Na dotaz | Zadat poptávku | |
| 040 0 WHR88360 |
C00339862
481941719232 |
zaves dveri pracky | 701 Kč
€ 28.70 |
||
| 053 0 WHR88360 |
C00636190
481944019901 |
sokl pracky | Na dotaz | Zadat poptávku | |
| 061 0 WHR88360 |
C00343090
481946689453 |
Counter weight ,top | Na dotaz | Zadat poptávku | |
| 061 1 WHR88360 |
C00343091
481946689454 |
Counter weight ,bottom | Na dotaz | Zadat poptávku | |
| 080 0 WHR88360 |
C00585559
481949238058 |
PRUZINA DROTENA SPIRALOVA TLMICA L | Na dotaz | Zadat poptávku | |
| 081 0 WHR88360 |
C00340703
481946648115 |
Friction plate | Na dotaz | Zadat poptávku | |
| 083 1 WHR88360 |
C00340704
481946238925 |
plech ke trecim dest | Na dotaz | Zadat poptávku | |
| 084 0 WHR88360 |
C00336288
481946248049 |
tlumic gumovy tl. | Na dotaz | Zadat poptávku | |
| 086 0 WHR88360 |
C00498986
481940118607 |
PRICHYTKA TLMICA TATRA N | Na dotaz | Zadat poptávku | |
| 110 0 WHR88360 |
C00526706
481949878417 |
ovladac dvierok COMETA | Na dotaz | Zadat poptávku | |
| 130 0 WHR88360 |
C00318866
481941738117 |
Hák uzávěru dveří | 610 Kč
€ 25.00 |
||
| 130 1 WHR88360 |
C00318868
481953538062 |
osa uzaveru dve | Na dotaz | Zadat poptávku | |
| 141 0 WHR88360 |
C00556075
481945058363 |
nahradene 481945069806 | Na dotaz | Zadat poptávku | |
| 143 0 WHR88360 |
C00605388
481245058153 |
dvere pracky kompl. | Na dotaz | Zadat poptávku | |
| 143 1 WHR88360 |
C00605781
481953228289 |
ram dveri vnejsi | Na dotaz | Zadat poptávku | |
| 144 0 WHR88360 |
C00557595
481953228288 |
nahradene 481253228943 | Na dotaz | Zadat poptávku | |
| 144 1 WHR88360 |
C00337775
481946689077 |
Plate door frame | Na dotaz | Zadat poptávku | |
| 190 0 WHR88360 |
C00557569
481946818344 |
nahradene 481246668775 | Na dotaz | Zadat poptávku | |
| 190 1 WHR88360 |
C00335943
481949238119 |
spona TVO - vnitřní | 253 Kč
€ 10.40 |
||
| 190 2 WHR88360 |
C00335945
481949268515 |
spona TVO predni st. | Na dotaz | Zadat poptávku | |
| 200 0 WHR88360 |
C00494614
481941818371 |
nadrz | Na dotaz | Zadat poptávku | |
| 201 0 WHR88360 |
C00555979
481941818366 |
NAHRADENE 481246448113 N | Na dotaz | Zadat poptávku | |
| 201 1 WHR88360 |
C00336858
481953288052 |
obruc nadrze | Na dotaz | Zadat poptávku | |
| 201 2 WHR88360 |
C00555524
481246448111 |
NAHRADENE 481246448113 N | Na dotaz | Zadat poptávku | |
| 210 0 WHR88360 |
C00378120
481953578164 |
nosic bubnu | 1 254 Kč
€ 51.30 |
||
| 220 0 WHR88360 |
C00341198
481941818291 |
Drum | Na dotaz | Zadat poptávku | |
| 220 1 WHR88360 |
C00591497
481941818367 |
nahrada 4812 418 18624 | Na dotaz | Zadat poptávku | |
| 228 0 WHR88360 |
C00337799
481241818212 |
Podložka | Na dotaz | Zadat poptávku | |
| 271 0 WHR88360 |
C00375178
481935818115 |
Řemen 3L 476 pračky Whirlpool, Ignis | 502 Kč
€ 20.50 |
||
| 272 0 WHR88360 |
C00378112
481952888119 |
remenice bubnu | 329 Kč
€ 13.50 |
||
| 292 0 WHR88360 |
C00320302
481946669797 |
Gasket | Na dotaz | Zadat poptávku | |
| 301 0 WHR88360 |
C00557234
481945328263 |
Panel ovl. zost. AWM465 - Tatra N | Na dotaz | Zadat poptávku | |
| 331 0 WHR88360 |
C00605745
481941258787 |
knoflik programatoru | Na dotaz | Zadat poptávku | |
| 332 0 WHR88360 |
C00635742
481941029124 |
Krytka tlač. - oval | Na dotaz | Zadat poptávku | |
| 335 0 WHR88360 |
C00605746
481941258788 |
knoflik termostatu | Na dotaz | Zadat poptávku | |
| 339 0 WHR88360 |
C00378075
481941328037 |
unasec knofliku | 220 Kč
€ 9.00 |
||
| 401 0 WHR88360 |
C00594523
481936158276 |
motor 2/16 500 ot. | Na dotaz | Zadat poptávku | |
| 420 0 WHR88360 |
C00484204
481912118314 |
kondenzator 16 mF | Na dotaz | Zadat poptávku | |
| 421 0 WHR88360 |
C00326769
481212118142 |
Interf.filter 1,00 uF1,00 uF. | Na dotaz | Zadat poptávku | |
| 430 0 WHR88360 |
C00314221
481936018189 |
Pump, draining | Na dotaz | Zadat poptávku | |
| 451 0 WHR88360 |
C00636114
481925928932 |
Topení pračky 2050 W | Na dotaz | Zadat poptávku | |
| 490 0 WHR88360 |
C00316393
481932118136 |
Flexo kabel 2 m, konektory | Na dotaz | Zadat poptávku | |
| 491 0 WHR88360 |
C00309418
481232128367 |
Přechodka | 324 Kč
€ 13.30 |
||
| 501 0 WHR88360 |
C00378035
481928218773 |
programator | 3 889 Kč
€ 159.20 |
||
| 551 3 WHR88360 |
C00494419
481928228713 |
Termostat pračky Whirlpool, Ignis 35 °C | 758 Kč
€ 31.00 |
||
| 554 0 WHR88360 |
C00378020
481927129081 |
Termostat kapilární pračky Whirlpool 30-80 °C | 1 399 Kč
€ 57.30 |
||
| 572 0 WHR88360 |
C00481806
481928128235 |
ventil 2-cest. | 896 Kč
€ 36.70 |
||
| 583 0 WHR88360 |
C00492222
481927129082 |
presostat | 1 103 Kč
€ 45.10 |
||
| 620 0 WHR88360 |
C00494581
481941029125 |
spinac tlacitkovy | Na dotaz | Zadat poptávku | |
| 621 0 WHR88360 |
C00378066
481941029126 |
Spínač síťový universální pro pračky a myčky | 409 Kč
€ 16.70 |
||
| 630 0 WHR88360 |
C00320399
481927618416 |
Blokování dveří pračky Whirlpool / Ignis | 627 Kč
€ 25.70 |
||
| 701 0 WHR88360 |
C00557593
481953029034 |
Pr#vodov# hadica so sitkom | Na dotaz | Zadat poptávku | |
| 702 0 WHR88360 |
C00339270
481953028793 |
Hose insideinside | Na dotaz | Zadat poptávku | |
| 708 1 WHR88360 |
C00341276
481953028868 |
Hadice násypka - nádrž pračky Whirlpool, Bauknecht, Ignis | 475 Kč
€ 19.40 |
||
| 711 0 WHR88360 |
C00555980
481941818368 |
nahradene 481941818369 | Na dotaz | Zadat poptávku | |
| 712 0 WHR88360 |
C00500967
481941818369 |
NASYPKA 3 kom | Na dotaz | Zadat poptávku | |
| 718 0 WHR88360 |
C00492603
481952648551 |
Nahradene 481241878984 S | Na dotaz | Zadat poptávku | |
| 753 1 WHR88360 |
C00312723
481941868234 |
vzdusnik | Na dotaz | Zadat poptávku | |
| 754 0 WHR88360 |
C00499557
481952648255 |
hadica nadrz cerpadlo-TATRA GUM./TEX | Na dotaz | Zadat poptávku | |
| 781 0 WHR88360 |
C00315302
481953029035 |
Hadice vypouštěcí vrchem plněné pračky Whirlpool, Indesit | 357 Kč
€ 14.60 |
||
| 783 0 WHR88360 |
C00318250
481953029036 |
Hose pressostat | Na dotaz | Zadat poptávku | |
| 787 0 WHR88360 |
C00339383
481953028904 |
hadice vrapova | 201 Kč
€ 8.20 |
||
| 794 5 WHR88360 |
C00513663
481953058098 |
Těsnění kohoutu | Na dotaz | Zadat poptávku | |
| 900 0 WHR88360 |
C00327120
481225518205 |
Držák presostatu pračky Whirlpool | Na dotaz | Zadat poptávku | |
| 901 0 WHR88360 |
C00309461
481940118529 |
Spona nádrž-čerpadlo | 105 Kč
€ 4.30 |
||
| 901 1 WHR88360 |
C00311154
481940118174 |
Spona odparov.hadica | 122 Kč
€ 5.00 |
||
| 901 3 WHR88360 |
C00343407
481940118882 |
Spona násypka - nádr | Na dotaz | Zadat poptávku | |
| 901 6 WHR88360 |
C00343362
481940118436 |
Spona nádrž-čerpadlo | Na dotaz | Zadat poptávku | |
| 902 1 WHR88360 |
C00327119
481225518204 |
Vnější držák hadic pračky Whirlpool | Na dotaz | Zadat poptávku | |
| 910 6 WHR88360 |
C00336706
481950238005 |
sroub tlumice | Na dotaz | Zadat poptávku | |
| 912 2 WHR88360 |
C00336468
481931038685 |
SPOJOVACI MATERIÁL T | Na dotaz | Zadat poptávku | |
| 914 0 WHR88360 |
C00379244
481950518376 |
matice remenice | Na dotaz | Zadat poptávku | |
| 931 0 WHR88360 |
C00336064
481949238138 |
pruzina zavesna | Na dotaz | Zadat poptávku | |
| 932 0 WHR88360 |
C00317751
481949268666 |
Pružina uzávěru dveří | 219 Kč
€ 9.00 |
||
| 941 0 WHR88360 |
C00484481
481952018042 |
lozisko 6202 | Na dotaz | Zadat poptávku | |
| 941 1 WHR88360 |
C00344369
481952018041 |
Bearing ball 6203-2Z | Na dotaz | Zadat poptávku | |
| 951 0 WHR88360 |
C00378095
481946818343 |
Gufero 22x40x10 CC | 501 Kč
€ 20.50 |
||
| 952 0 WHR88360 |
C00340421
481946669882 |
tesneni termostatu | Na dotaz | Zadat poptávku | |
| 990 0 WHR88360 |
C00341619
481931039124 |
Spoj. mat. hor. prot | Na dotaz | Zadat poptávku | |
| 990 1 WHR88360 |
C00341620
481931038684 |
sada na zajištění | Na dotaz | Zadat poptávku | |
| 990 2 WHR88360 |
C00344679
481931039099 |
Accessories CROSSPIECE | Na dotaz | Zadat poptávku | |