ARISTON AXD 120 (IT)
Zeptejte se. Rádi poradíme.
Marek Proche
Zákaznická podpora
Po–Čt 8:00—17:00
Pá 8:00—15:00
poradna@servis-whirlpool.cz
| Komerční kód: | AXD 120 (IT) |
| Kód 12NC: | 869990278600 |
| I.C. kód: | 91278600000 |
| Značka: | ARISTON |
| Typ produktu: | Pračky |
| Další podobné modely: | 91278600100, 91278600200 |
Potřebujete servis? Jsme tady pro Vás
Nabídka náhradních dílů
| Číslo | Kód | Název | Cena | ||
|---|---|---|---|---|---|
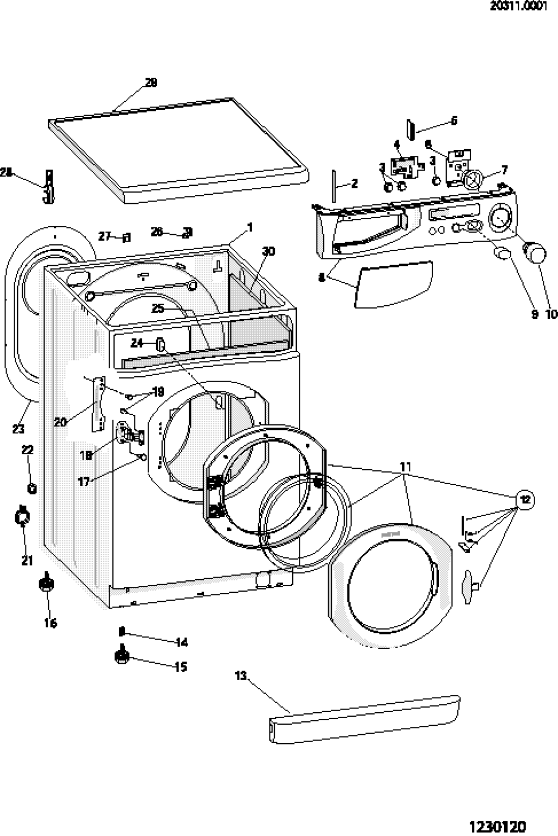
| 000 1230120 |
C00089014 | USER INSTRUCTIONS BOOKL IT-GB-F-E-AR | Na dotaz | Zadat poptávku | |
| 000 1230120 |
C00089015 | QUICK REFERENCE IT | Na dotaz | Zadat poptávku | |
| 000 1230120 |
C00090597 | USER INSTRUCTIONS BOOKLET SV-FI-DK-NO | Na dotaz | Zadat poptávku | |
| 001 1230120 |
C00089483
482000077389 |
WHITE CABINET | Na dotaz | Zadat poptávku | |
| 001 1230120 |
C00091742
482000077677 |
WHITE27 CABINET | Na dotaz | Zadat poptávku | |
| 002 1230120 |
C00065186
482000070103 |
ČEP ROTACE PŘIHRÁDKY 108.5X5 MM AB | Na dotaz | Zadat poptávku | |
| 003 1230120 |
C00087091
482000077217 |
KLÁVESA BÍLÁ DISPLEJ PRAVÝ 'ALD' | Na dotaz | Zadat poptávku | |
| 004 1230120 |
C00087092
482000071084 |
KARTA DISPLEJ | Na dotaz | Zadat poptávku | |
| 004 1230120 |
C00090832
482000077584 |
KARTA DISPLEJ | Na dotaz | Zadat poptávku | |
| 005 1230120 |
C00090028 | EEPROM DISPLAY AXD120IT SW 29278600000 | Na dotaz | Zadat poptávku | |
| 006 1230120 |
C00087101
482000090773 |
PODPĚRA POTENCIOMETRU 'ALD130FR' | Na dotaz | Zadat poptávku | |
| 008 1230120 |
C00089010 | CONTROL PANEL + HANDLE | Na dotaz | Zadat poptávku | |
| 009 1230120 |
C00064509
482000069980 |
KLÁVESA BÍLÁ 0/I'LVB2000' | Na dotaz | Zadat poptávku | |
| 010 1230120 |
C00087088
482000077216 |
OVLADAČ ČASOVAČE BÍLÝ SADA 'ALD' | Na dotaz | Zadat poptávku | |
| 011 1230120 |
C00064540
482000071376 |
KUL. DVÍŘKA KOMPLETNÍ 'LVB2000' | Na dotaz | Zadat poptávku | |
| 012 1230120 |
C00045244
482000026554 |
DOOR CATCH PIVOT PIN GIUGIARO | Na dotaz | Zadat poptávku | |
| 012 1230120 |
C00043668
482000074137 |
DOOR HANDLE SPRING | Na dotaz | Zadat poptávku | |
| 012 1230120 |
C00065250
482000075380 |
SOUPRAVA OTEVŘENÍ OKÉNKA 'LVB2000' | Na dotaz | Zadat poptávku | |
| 012 1230120 |
C00064543
482000075314 |
DOOR HANDLE OUTER COVER | Na dotaz | Zadat poptávku | |
| 013 1230120 |
C00064505
482000069973 |
PATICE BÍLÁ 'LVB2000' | Na dotaz | Zadat poptávku | |
| 014 1230120 |
C00059869
482000027089 |
PRUŽINA NOŽKY D =11 MM H = 21 MM | Na dotaz | Zadat poptávku | |
| 015 1230120 |
C00081702 | NOŽIČKA PŘEDNÍ 'N632X' | Na dotaz | Zadat poptávku | |
| 016 1230120 |
C00081701 | NOŽIČKA ZADNÍ 'N632X' | Na dotaz | Zadat poptávku | |
| 018 1230120 |
C00064541
482000027163 |
ZÁVĚS OKÉNKO 180['LVB2000' | Na dotaz | Zadat poptávku | |
| 019 1230120 |
C00074149
482000076283 |
ŠROUB M4X9 TESRFR | Na dotaz | Zadat poptávku | |
| 020 1230120 |
C00064539
482000075313 |
PLOTÝNKA ZÁVĚS 'LVB2000' | Na dotaz | Zadat poptávku | |
| 021,028 1230120 |
C00046667
482000074293 |
ÚCHYTKA KABELÁŽE 'AB636TX' | Na dotaz | Zadat poptávku | |
| 022 1230120 |
C00046666
482000074292 |
HRDLO TRUBKA ODVOD'AB636TX' | Na dotaz | Zadat poptávku | |
| 023 1230120 |
C00081698
482000069746 |
REAR COVER - WHITE27 | Na dotaz | Zadat poptávku | |
| 024 1230120 |
C00084817
482000027647 |
ZÁTKA KONTROLY HARDWARU | Na dotaz | Zadat poptávku | |
| 026 1230120 |
C00064550
482000027167 |
DRAIN HOSE HOLDER | Na dotaz | Zadat poptávku | |
| 027 1230120 |
C00041575
482000026462 |
ADHESIVE HOOK | Na dotaz | Zadat poptávku | |
| 029 1230120 |
C00088499 | TOP BÍLÁ 'LVB2000' PH | Na dotaz | Zadat poptávku | |
| 030 1230120 |
C00084517
482000069721 |
INSULATION MAT - RIGHT - LEFT | Na dotaz | Zadat poptávku | |
| 030 1230120 |
C00084518 | UNSOUND MATRESS SX | Na dotaz | Zadat poptávku | |
| 030 1230120 |
C00084519
482000071388 |
FRONT UNSOUND MATRESS | Na dotaz | Zadat poptávku | |
| 030 1230120 |
C00086371
482000077110 |
SADA PROTIHLUKOVÁ 1600 OTÁČEK | Na dotaz | Zadat poptávku | |
| 099 1230120 |
C00065871
482000075423 |
KRYT OTVORU OBAL'LVB2000' | Na dotaz | Zadat poptávku | |
| 099 1230120 |
C00077411
482000027417 |
OBAL - SADA '46LT-SOC' 2000 X1 ARXXL | Na dotaz | Zadat poptávku | |
| 001 1230210 |
C00064786
482000070068 |
ŠROUB M8X23 TORX TEFL | Na dotaz | Zadat poptávku | |
| 002 1230210 |
C00082812
482000027571 |
ŘEMEN ELASTICKÝ 1061H8 | Na dotaz | Zadat poptávku | |
| 003 1230210 |
C00084026
482000070281 |
DRUM PULLEY D=210 MM H= 17MM | Na dotaz | Zadat poptávku | |
| 004 1230210 |
C00088392
482000071285 |
SEST. KŘIŽÁK VANA TĚŽKÝ | Na dotaz | Zadat poptávku | |
| 005 1230210 |
C00013563
482000025948 |
Ložisko SKF 6205 2Z pro pračky Indesit / Ariston | 93 Kč
€ 3.80 |
||
| 006 1230210 |
C00002591
482000025908 |
Ložisko 6204-2Z SKF | 83 Kč
€ 3.40 |
||
| 007 1230210 |
C00035999
482000026314 |
TĚSNĚNÍ LOŽISKA PH | Na dotaz | Zadat poptávku | |
| 008 1230210 |
C00055305
482000074911 |
MATICE ČTYŘHRANNÁ M6 PRO KROUŽEK BĚŽCE | Na dotaz | Zadat poptávku | |
| 009 1230210 |
C00055304
482000074910 |
ŠROUB PRO KROUŽEK CAVALIERE | Na dotaz | Zadat poptávku | |
| 010 1230210 |
C00051526
482000067750 |
MATICE SAMOJISTÍCÍ 'PH' | Na dotaz | Zadat poptávku | |
| 011 1230210 |
C00041605
482000073952 |
PODLOŽKA TALÍŘOVÁ 'WDP2001X-PHIL' | Na dotaz | Zadat poptávku | |
| 012 1230210 |
C00052723
482000067941 |
WASCHER | Na dotaz | Zadat poptávku | |
| 013 1230210 |
C00082325 | UPPER COUNTERWEIGHT 13,5 KG | Na dotaz | Zadat poptávku | |
| 014 1230210 |
C00041607
482000068646 |
WASCHER NYLON | Na dotaz | Zadat poptávku | |
| 015 1230210 |
C00041609
482000067730 |
SCREW M8X60 | Na dotaz | Zadat poptávku | |
| 016 1230210 |
C00036066
482000026316 |
TĚSNĚNÍ VÍKA VANY 'PHILCO' | Na dotaz | Zadat poptávku | |
| 017 1230210 |
C00064515
482000075309 |
ANCHORAGE PAD - SUSPENSION SPRING | Na dotaz | Zadat poptávku | |
| 018 1230210 |
C00082322 | SUSPENSION SPRING - TANK | Na dotaz | Zadat poptávku | |
| 019 1230210 |
C00074041 | SPRING RING | Na dotaz | Zadat poptávku | |
| 020 1230210 |
C00088402
482000077321 |
TUB INOX WM6KG PH | Na dotaz | Zadat poptávku | |
| 020 1230210 |
C00095724
482000078247 |
TUB INOX WM6KG PH | Na dotaz | Zadat poptávku | |
| 021 1230210 |
C00081750
482000076744 |
Hadice k násypce | Na dotaz | Zadat poptávku | |
| 022 1230210 |
C00036049
482000067783 |
BELLOWS CLAMP (OVER CENTRE) | Na dotaz | Zadat poptávku | |
| 023 1230210 |
C00081747
482000027509 |
Těsnění dveří pračky (TVO) | 1 143 Kč
€ 46.90 |
||
| 024 1230210 |
C00064546
482000027165 |
KROUŽEK PŘEDNÍ'LVB2000' | Na dotaz | Zadat poptávku | |
| 025 1230210 |
C00082326 | PROTIZÁVAŽÍ PŘEDNÍ 'N842XP' | Na dotaz | Zadat poptávku | |
| 026 1230210 |
C00081725
482000069568 |
SCREW M8X40 | Na dotaz | Zadat poptávku | |
| 027 1230210 |
C00083293
482000076891 |
OFUKOVAČ VYPOUŠTĚNÍ 6KG PH2001 | Na dotaz | Zadat poptávku | |
| 028 1230210 |
C00030680
482000067870 |
MATICE SAMOSVORNÁ M 10 OCELOVÁ | Na dotaz | Zadat poptávku | |
| 029 1230210 |
C00065152
482000075376 |
MATICE S PODLOŽKOU M6X22X1,5 | Na dotaz | Zadat poptávku | |
| 030 1230210 |
C00082327
482000076806 |
TLUMIČ 100N-4PIN | Na dotaz | Zadat poptávku | |
| 030 1230210 |
C00093649
488000093649 |
TLUMIČ 100N-2PIN OTVOR 10 MM | Na dotaz | Zadat poptávku | |
| 031 1230210 |
C00030446
482000073311 |
ŠROUB M10 PRO 45 ZNTR | Na dotaz | Zadat poptávku | |
| 032 1230210 |
C00074054
482000076271 |
SVORKA HADICE VANY ČERPADLA 'PH' | Na dotaz | Zadat poptávku | |
| 033 1230210 |
C00064528
482000027159 |
OFUKOVAČ NAPOUŠTĚNÍ SAPONÁTU 'LVB2000' | Na dotaz | Zadat poptávku | |
| 033 1230210 |
C00092161
482000027906 |
OFUKOVAČ NAPOUŠTĚNÍ SAPONÁTU EVO II | Na dotaz | Zadat poptávku | |
| 034 1230210 |
C00083703 | ROTOR >800RPM BIG PH2001 | Na dotaz | Zadat poptávku | |
| 035 1230210 |
C00036065
482000068365 |
CLAMPING BAND TUB FRONT | Na dotaz | Zadat poptávku | |
| 036 1230210 |
C00088403
482000077322 |
MOTOR SUPPORT BRACKET | Na dotaz | Zadat poptávku | |
| 099 1230210 |
C00082598
482000076836 |
KIT PACKAGE | Na dotaz | Zadat poptávku | |
| 099 1230210 |
C00080692
482000076677 |
SIG. DOWN CORN 7091 CAR GR.430 | Na dotaz | Zadat poptávku | |
| 001 1230320 |
C00003070
482000022577 |
Hadice napouštěcí 1,5m, rovná/zahnutá - nebalená | Na dotaz | Zadat poptávku | |
| 003 1230320 |
C00005572
482000025916 |
TĚSNĚNÍ PŘÍVODNÍ TRUBKY | Na dotaz | Zadat poptávku | |
| 004 1230320 |
C00064534
482000022667 |
TĚSNĚNÍ NÁSYPKY 'LVB2000' | Na dotaz | Zadat poptávku | |
| 005 1230320 |
C00084840
482000077015 |
ELECTROVALVE SUPPORT 1 EV | Na dotaz | Zadat poptávku | |
| 006 1230320 |
C00064563
482000075318 |
NAPÁJECÍ KABEL 3X1 SCHUKO 1,5 M | Na dotaz | Zadat poptávku | |
| 006 1230320 |
C00091633
482000022761 |
NAPÁJECÍ KABEL.3X1 SCHUKO 1,5 M+FILTR | Na dotaz | Zadat poptávku | |
| 007 1230320 |
C00019902
482000072836 |
PODPĚRA VYPOUŠTĚCÍ HADICE TOČITÉ | Na dotaz | Zadat poptávku | |
| 008 1230320 |
C00027466
482000026108 |
Vypouštěcí hadice 1860 mm pro pračky Indesit / Ariston Náhrada C00303360 |
396 Kč
€ 16.20 |
||
| 009 1230320 |
C00082331
482000069493 |
ODRUŠOVACÍ FILTR 'N842XP' | Na dotaz | Zadat poptávku | |
| 010 1230320 |
C00088502 | WIRING | Na dotaz | Zadat poptávku | |
| 012 1230320 |
C00087067
482000071328 |
PŘEPÍNAČ BITRON 16 POLOHOVÝ RAST 2,5 | Na dotaz | Zadat poptávku | |
| 014 1230320 |
C00063971
482000027138 |
VYPÍNAČ (UNIPOLAR) ON-OFF | Na dotaz | Zadat poptávku | |
| 016 1230320 |
C00064537
482000075312 |
SUPPORT - PRESSURE SWITCH | Na dotaz | Zadat poptávku | |
| 017 1230320 |
C00088393
482000027757 |
REGULAČNÍ TLAKOMĚR 1H.90-65 PROTIPŘEPAD | Na dotaz | Zadat poptávku | |
| 018 1230320 |
C00041785
482000073972 |
TRUBKA ZÁPADKA VZDUCHOVÁ 540 MM.'WDN2067WF' | Na dotaz | Zadat poptávku | |
| 018 1230320 |
C00051552
482000026771 |
TRUBKA REGULAČNÍ TLAKOMĚR 'ATL53TXFR-PH' | Na dotaz | Zadat poptávku | |
| 021 1230320 |
C00019755
482000026008 |
ANTI-VIBRATION BUSH (FOAM) | Na dotaz | Zadat poptávku | |
| 021 1230320 |
C00078221 | TUBETTO SPUGN.40X5X30 | Na dotaz | Zadat poptávku | |
| 022 1230320 |
C00053409 | ZÁPADKA VZDUCHOVÁ 'PHIL' | Na dotaz | Zadat poptávku | |
| 023 1230320 |
C00085194
482000022732 |
Blokování dveří Náhrada C00297327 |
143 Kč
€ 5.90 |
||
| 024 1230320 |
C00064950
482000027186 |
ČERPADLO SAMOČIST PŘEDKOM REKUP.SAPONÁTU | Na dotaz | Zadat poptávku | |
| 025 1230320 |
C00045023
482000022622 |
ÚCHYT FILTRU ASKOLL/PLASET'044998' | Na dotaz | Zadat poptávku | |
| 025 1230320 |
C00045025
482000022623 |
Těsnění filtru | 186 Kč
€ 7.60 |
||
| 025 1230320 |
C00045027
482000022624 |
Sada 3 ks filtrů pro čerpadla Askoll a Plaset pračky Indesit / Hotpoint | 697 Kč
€ 28.60 |
||
| 026 1230320 |
C00074055 | PODPĚRA TOPNÉHO TĚLÍSKA 'PHIL' | Na dotaz | Zadat poptávku | |
| 027 1230320 |
C00074056 | ŠROUB M4 PRO 8 'PHIL' | Na dotaz | Zadat poptávku | |
| 028 1230320 |
C00088218
482000027752 |
Topné těleso 1800 W pro pračky Indesit | 840 Kč
€ 34.50 |
||
| 029 1230320 |
C00083915
482000022721 |
Senzor NTC Náhrada 481010906691 |
Na dotaz | Zadat poptávku | |
| 030 1230320 |
C00040932
482000073863 |
MATICE SAMOJISTÍCÍ M6 | Na dotaz | Zadat poptávku | |
| 035 1230320 |
C00082815 | MOTOR KOMUT.CESET MCA52-PH3 | Na dotaz | Zadat poptávku | |
| 036 1230320 |
C00050187
482000026722 |
MATICE PLASTOVÁ BÍLÁ 'WGS' | Na dotaz | Zadat poptávku | |
| 037 1230320 |
C00090124
482000077467 |
ČEP MOTORU ''PH'' M6 | Na dotaz | Zadat poptávku | |
| 038 1230320 |
C00074151
482000076284 |
POUZDRO ČEPU MOTORU | Na dotaz | Zadat poptávku | |
| 039 1230320 |
C00081720
482000076740 |
MOTOR STANCHION | Na dotaz | Zadat poptávku | |
| 040 1230320 |
C00082723
482000076853 |
SCREW 6X40 | Na dotaz | Zadat poptávku | |
| 041 1230320 |
C00089404
482000071306 |
MODUL VÝKONOVÝ IDC EW-AR-IN <1200 | Na dotaz | Zadat poptávku | |
| 043 1230320 |
C00046152
482000074266 |
VANIČKA ADITIVA OTOČNÁ SCHRÁNKA 'AB | Na dotaz | Zadat poptávku | |
| 044 1230320 |
C00046157
482000022627 |
Sifon | 91 Kč
€ 3.70 |
||
| 045 1230320 |
C00064529
482000027160 |
Tělo násypky pračky | 428 Kč
€ 17.60 |
||
| 045 1230320 |
C00092176
482000027910 |
NÁSYPKA PRO ROTAČNÍ SKŘÍNKU EVO II | Na dotaz | Zadat poptávku | |
| 046 1230320 |
C00046148
482000074265 |
VANIČKA SAPONÁT OTOČNÁ CELEK | Na dotaz | Zadat poptávku | |
| 047 1230320 |
C00046154
482000026597 |
Kryt aviváže do násypky pračky | 286 Kč
€ 11.70 |
||
| 048 1230320 |
C00065733
488000065733 |
PODPĚRA DESKY S PROGRAMY 'AL89X' | Na dotaz | Zadat poptávku | |
| 049 1230320 |
C00089009 | READING DESK IT 14802373000 | Na dotaz | Zadat poptávku | |
| 050 1230320 |
C00090608 | HOPPER COVER 1E2U ARISTON 6KG | Na dotaz | Zadat poptávku | |
| 052 1230320 |
C00090027 | EEPROM AXD120IT SW 28278600011 | Na dotaz | Zadat poptávku | |
| 053 1230320 |
C00091671
488000091671 |
ELECTROVALVE 1E2U | Na dotaz | Zadat poptávku | |